KE-3010_KE-3020V_KE-3020VR-Rev06.pdf - 第261页
- - REF.NO NOTE PARTNO DESCRIPTION Qty 1 401-49647 ETHER-MAINPCB ASM 1 2 401-13624 ETHERCABLEMAIN-XY ASM 1 3 401-13625 ETHERHEADCABLEASM 1 4 401-13627 ETHERLIGHTCABLEAS M 1 5 #04 401-13621 X…

- -
126.SYSTEMDIAGRAM(3)
1 0
1 2 6
1 0 4
1 2 8
7 2
1 2 7
7 3
7 4 7 5
7
9 2 9 39 0 9 1
1 3 1
1 0 0
1 3 0
9 7
9 6
9 4
9 5
8 8
8 9
4 2 4 3
8 6
8 7
8 5
7
7
8 48 4
8 3
1 2 9
7 6
7 7
7 8 7 9
8 0
8 1 8 2
1 2 4 5 4
5 0
5 1 5 3
1 2 5
5 9 6 0
5 8
5 7
5 5 5 5 5 6
4 5
4 4
4 7
4 6
2 9
1 0 1
3 6
3 7 4 1
4 2 4 33 8 3 9
4 9
4 8
1 1 8 1 2 0
1 0 5
1 0 6
1 0 7
1 0 8
3 5 1 2 3
4 0
3 1
1 0 2
3 3
3 4
3 2
3 0
5 6
3 13 13 1
6 76 76 66 5
6 8 7 1
6 3
6 2
6 1
5 6
2 4
2 7
6 4
8 9
2 01 81 61 4
1 2
2 2
2 4 2 5
5 6
1 0 3
7
1 2 1
5 6
4
3
2
1 2 2
1 1
1 3 1 5
1 7
1 9
2 1 2 3 2 6 2 6
2 7 2 8
1
E N 3
E N 2
E N 1
S - H E A D M A I N
P C B A S M
4 A X I S S E R V O
A M P ( 1 )
C N 4 B C N 5C N 1 9
C N 4 D
4 A X I S S E R V O
A M P ( 2 )
C N 4 B C N 5
C N 4 D
4 A X I S S E R V O
A M P ( 3 )
C N 4 B C N 5
C N 4 D
4 A X I S S E R V O
A M P ( 4 )
C N 4 C C N 5
C N 4 D
1 - 5 A
1 - 5 B
1 - 5 C
1 - 5 D
L N C 6 0
C N 1
S C M 3
P C B
J 4 C O M
C N 8 4 8
E T H E R
M A I N P C B
J 8
X Y - R E L A Y
P C B
C N 1 6
1 - 3 A
S A F T Y
U N I T
( E N )
A I R P R E S S
M E T E R ( + )
A I R P R E S S
M E T E R ( - )
E N 2
E N 1
E T H E R
S L A V E
P C B
B A S E I / O
P C B
E N 2
E N 1
E T H E R
S L A V E
P C B
4 - 2 A
F E E D E R
P C B
E N 2
E N 1
E T H E R
S L A V E
P C B
3 - 2 A
X Y 0 3
C N 3 4
X Y 0 5
C N 1
C N 2
I / F L
I / F R
M T S I / F
M T C I / F
H E A D I O
S A F E I O
C N P 1
C N P 2
C N 0 6 4
C N 4
X Y 0 4
Y - L I M I T
S E N S O R
Y + + L I N I T
S E N S O R
Y N E A R
S E N S O R
Y - L I M
X + + L I M
Y N E A R
X - L I M I T
S E N S O R
X + L I M I T
S E N S O R
X N E A R
S E N S O R
X - L I M
X N E A R
X + L I M X + L I M
C N 1 2 7
C N 1 5
P O W E R U N I T
C N 1 7
C N 2 6
C N 0 6 4
C N 2 0C N 1 3
C N 2 0 1
I O N I Z E R
I O N I Z E R
I O N P W R
C N 9 0 1
C N 3 3
C N 7
C N 9
C P U
B O A R D
C O M 2
4 - 4 A
O P E R A T I O N
P C B ( F )
C N 1 4
3 - 4 A
O P E R A T I O N
P C B ( R )
C N 1 4
3 - 4 B
X Y 0 8
X Y 0 1
X Y 0 2
I E E E 1 3 9 4 a
R E P E A T E R
C H 2
L N C 6 0
C N 2 4 5
C H 1
I E E E 1 3 9 4
B O A R D
C H 1
4 - 4 C
C P U
B O A R D
C O M 1
2 - 5 B
2 - 4 A
I P - X 7
P C B
A C 3
C N 4 7 8
C N 2
4 - 1 D
F M L A
1 - 3 B
H M S H E A D R
C N 3 2
B / M F I B E R C N 1 4
B / M A M P
C D S F I B E R
C N 2 0
C D S A M P
E N 1
C N 8 1 3
S L I G H T
C T R L P C B
E N 2
E N 1
E T H E R
S L A V E
P C B
4 - 2 C
3 - 3 B
C N 1
O C C RC N 3 1
O C C L
C N 9
L I G H T - CC N 6
L I G H T - C
C N 10
L I G H T - A 1C N 7
L I G H T - A 1
C N 1 1
L I G H T - A 2C N 8
L I G H T - A 2
C N 2 7
C N 2 4
B R 1
C N 2 5
C N 2 6
C N 2 3
T E M P E R A T U R E
S E N S O R
P W B A S M
C N 1 2
C N 3 2
C N 1 6
C N 2 8
C N 1 0
X Y 1 0
C N 1 9
N Z D W N 3
N Z D W N 1
N Z D W N 2
E S F
X Y E N 2
X Y E N 2
L E D F
L E D R
C O P L A L A
H M S
4 - 5 A
O N L Y 3 0 2 0 V 3 0 2 0 R V
O N L Y 3 0 2 0 V 3 0 2 0 R V
O C C
C A M E R A
O C C
C A M E R A
O C C C
L I G H T
P C B A S M
O C C C
L I G H T
P C B A S M
O C C A
L I G H T
P C B A S M
O C C A
L I G H T
P C B A S M
O C C A
L I G H T
P C B A S M
O C C A
L I G H T
P C B A S M
T 7 S L O W
D O W N
S E N S O R
Z 1
P R E S S U R E
S E N S O R
Z 2
P R E S S U R E
S E N S O R
Z 3
P R E S S U R E
S E N S O R
Z 4
P R E S S U R E
S E N S O R
Z 5
P R E S S U R E
S E N S O R
Z 6
P R E S S U R E
S E N S O R
Z 7
P R E S S U R E
S E N S O R
Z 1 V A C S V Z 1 B L W S V
Z 2 V A C S V Z 2 B L W S V
Z 3 V A C S V Z 3 B L W S V
Z 4 V A C S V Z 4 B L W S V
Z 5 V A C S V Z 5 B L W S V
Z 6 V A C S V Z 6 B L W S V
Z 7 V A C S V Z 7 B L W S V
F A N
N O Z Z L E
D O W N
S E N S O R R
N O Z Z L E
D O W N
S E N S O R L
N O Z Z L E
D O W N
S E N S O R I C
N O Z Z L E
U P
S V A S M
C O P L A
L A S E R K E Y
P I L O T L A M P
P I L O T L A M P
C N 6 1
C N 6 2
M O T O R
S W I C H
F U L X R L YF U L X R L Y 2
R T F U L X
1 1 2
1 1 1
1 1 0
1 1 3
1 1 4
F U L X P W R
F U L X R L Y 1
R T F L U X o p t i o n
R O T A R Y F L U X E R
M O T O R
S W I T C H
1 1 6
1 1 7
1 1 5
9 8
P U M P - I O
C N 6 8
1 3 2
1 0 9
C N 6 1
C N 6 2
F U L X R L Y 2
F U L X R L Y 1
S W I C H
M O T O R
R T F U L X
F U L X R L Y
F U L X P W R
M O T O R
S W I C H
1 3 3
1 3 51 3 4
9 9

- -
REF.NO NOTE PARTNO DESCRIPTION Qty
1 401-49647 ETHER-MAINPCBASM 1
2 401-13624 ETHERCABLEMAIN-XYASM 1
3 401-13625 ETHERHEADCABLEASM 1
4 401-13627 ETHERLIGHTCABLEASM 1
5
#04
401-13621 XYBEAR5PCABLESASM 4
6
#05
401-35796 XYBEARCABLESASM 1
7 400-47557 ETHER-SLAVEPCBASM 4
8
#04
401-06799 S-HEADMAINPCBASM 1
9
#05
401-30259 S-HEADMAINPCBASM 1
10
#04
401-13696 HIGHTSENSORUNITASM 1
11 401-13694 SENSOR (1)
12 401-13697 HIGHTSENSORRELAYCABLEASM (1)
13 HD-0013100-30 FIBERUNIT 1
14 400-47981 BADMARKFIBERAMPASM 1
15 HD-0026000-10 SENSOR 1
16 400-45484 NOZZLESENSORAMPASM 1
17 400-29824 TEMPERATURESENSORPCBASM 1
18 401-13707 BASETEMPCABLEASM 1
19 401-13708 HEADFANCABLEASM 1
20 401-13709 HEADFANRELAYCABLEASM 1
21 400-48028 OCCCAMERA 1
22 400-92466 OCCCAMERALCABLEASM 1
23 400-47512 OCCCLIGHTPCBASM 1
24 401-09977 OCCLIGHTCABLEASM 2
25
#01
401-09978 OCCLIGHT3010CABLEASM 1
26 400-47508 OCCALIGHTPCBASM 2
27 401-09979 OCCOPASSLIGHTCABLEASM 2
28 401-13698 T7SLOWDOWNSENSORASM 1
29 401-09976 HEADI/OCABLEASM 1
30 401-13706 Z-THETASIGNALCABLEASM 1
31 400-44535 4AXISSERVOAMP 4
32 400-80203 LNC60I/FCABLEASM 1
33 E9345-721-0A0 CABLEASM. 1
34 400-03264 FMLASENSOR 1
35 400-44517 1394ROBOTCABLEASM 1
36 400-44518 IEEE1394REPEATERBOARD 1
37 401-13617 1394RELAYCABLEASM 1
38
#04
400-48003 IEEE1394BOARD 1
39
#05
401-50021 IEEE1394BOARD 1
40 401-09972 SCM3PCBPWRCABLEASM 1
41 401-09973 FMLASERIALCABLEASM 1
42
#04
401-13723 CPUBOARD 2
43
#05
401-35432 CPUBOARD 1
44 400-47987 VACUUMPRESSURESWASM 1
45 400-97626 IONIZERCABLEASM 1
46 400-93724 IONIZER 1
47 400-48168 AIRPRESSURESWASM 1
48 401-13673 IONIZERPWRCABLEASM 1
49 401-09962 PWRUNITI/OCABLEASM 1
50 401-13640 SAFETYU901CABLEASM(EN) 1
51 401-09961 XY-RELAYI/OCABLEASM 1
52
#03
401-22782 XY-RELAYI/OCABLEASM 1
53
#05
401-22782 XY-RELAYI/OCABLEASM 1
54 401-13690 XY-RELAYPWRRELAYCABLEASM 1
55 400-99903 PILOTLAMP 2
56 400-99902 KEYSWITCH 1
57 400-99906 PILOTLAMPCABLEFASM 1
58 400-99907 PILOTLAMPCABLERASM 1
59
#04
400-99904 KEYSWITCHCABLEASM 1
60
#05
401-13714 KEYSWITCHCABLEASM 1
61 401-13705 NOZZLEUPSVRELAYCABLEASM 1
62 401-13703 NOZZLEDOWNCABLEASM 1
63 400-92467 OCCCAMERARCABLEASM 1
64
#04
400-92475 EJECTORRELAYCABLEASM 1
65 400-48028 OCCCAMERA 1
66 400-47512 OCCCLIGHTPCBASM 1
67 400-47508 OCCALIGHTPCBASM 2
68
#04
401-13699 VACUUMSVCABLEASM3020
1
69
#06
401-13700 VACUUMSVCABLEASM3010 1
70
#05
401-35793 VACUUMCABLEASM(7AXIS) 1
71
#07
401-35790 VACUUMCABLEASM 1
72 401-09954 XORGRANGESENSORASM 1
73 401-09956 XPLUSSENSORRELAYCABLEASM 1
74
#04
401-13623 YBEARCABLESASM 1
75
#05
401-35797 YBEARCABLESASM 1
76 400-47560 FEEDERPCBASM 1
77 400-71680 BASEIOPCBASM 1
78 401-13626 ETHERCABLEBASEFEEDERASM 1
79 400-92610 ETHERCABLXYBASEASM 1
80 401-06795 S-XYRELAYPCBASM 1
81 400-97621 ETHERCABLXYBASERELAYASM 1
82 400-97622 ETHERCABLEMAIN-XYRELAYASM 1
83 401-10049 MTCMTSI/FCABLEASM 1
84 401-10050 MTCMTSI/FBRCABLEASM 2
85 401-13688 XYMTCMTSCABLEASM 1
86 401-13691 XY-RELAYHOD232CRELAYCABLEASM 1
87 401-09964 XY-RELAYHOD232CCABLEASM 1
88 400-97619 XY-RELAYOPERATIONRELAYCABLEASM 1
89 401-10068 OPERATIONRLYCABLEFASM 1
90 400-92408 OPERATIONPCBFRONT10ASM 1
91
#02
400-92482 OPERATIONPCBFRONT10ASM(EN) 1
92 400-92481 OPERATIONPCBREAR10ASM 1
93
#02
400-92483 OPERATIONPCBREAR10ASM(EN) 1
94 400-97620 XY-RELAYOPERATIONRELAYCABLEASM 1
95 401-10069 OPERATIONRLYCABLERASM 1
96 401-13689 XY-RELAYSENSORRELAYCABLEASM 1
97 401-09952 XY-RELAYSENSORCABLEASM 1
98
#05
401-09963 PUMPI/OCABLEASM 1
99
#05
401-22786 ROTARYFLUXERCABLEASM 1
100 401-09958 YNEARSENSORASM 1
101 400-92460 SCM3PCB 1
102 401-13622 XYBEAR1PCABLESASM 1
103 401-09975 OCCCABLEASM 1
104 400-45547 LNC60 1
105 401-13704 NOZZLEUPSVASM 1
106 401-13702 NOZZLEDOWNSENSICASM 1
107 400-92495 NOZZLEDOWNSENSLASM 1
108 401-13701 NOZZLEDOWNSENSRASM 1
109
#05
401-22783 ROTARYFLUXERPWRCABLEASM 1
110
#03
401-22784 ROTARYFLUXERI/OCABLEASM 1
111
#03
401-22785 ROTARYFLUXERRLYCABLEASM 1
112
#03
401-22783 ROTARYFLUXERPWRCABLEASM 1
113
#03
401-22787 ROTARYFLUXERMOTORCABLEASM 1
114
#03
401-22786 ROTARYFLUXERCABLEASM 1
115
#03
401-22789 ROTARYFLUXERSWITCHASM 1
116
#03
401-22788 ROTARYFLUXERMOTORASM 1
117
#03
HA-0005900-00 POWERSWITCH 1
118
#04
401-14531 POWERUNITASM 1
119
#05
401-33955 POWERSUPPLYUNITASM 1
120
#08
401-33958 POWERSUPPLYUNIT(EN)ASM 1
121 401-08607 S-LIGHTCTRLPCBASM 1
122 400-71300 IPX7ASM 1
123 401-09971 LASENSORRELAYCABLEASM 1
124 400-97616 XY-RELAYI/OREALYCABLEASM 1
125 401-09960 XY-RELAYPWRCABLEASM 1
126 401-09974 HEADMAINPWRCABLEASM 1
127 401-09953 XMINULLMTSENSORASM 1
128 401-09955 XPLUSLMTSENSORASM 1
129 400-47954 ETHERCABLEFEEDERLR-RFASM 1
130 401-09957 Y-LMTSENSORASM 1
131 401-09959 Y++LMTSENSORASM 1
132
#05
401-22784 ROTARYFLUXERI/OCABLEASM 1
133
#05
401-22787 ROTARYFLUXERMOTORCABLEASM 1
134
#05
401-22788 ROTARYFLUXERMOTORASM 1
135
#05
401-22789 ROTARYFLUXERSWITCHASM 1

- -
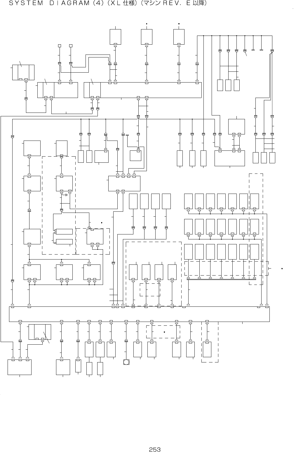
127.SYSTEMDIAGRAM(4)(TYPEXL)(AFTERM/CREV.E)
I P - X 7
P C B
B / M
F I B E R
C D S
F I B E R
E T H E R
M A I N P C B
N O Z Z L E U P
S V A S M
N O Z Z L E D O W N
S E N S O R I C
N O Z Z L E D O W N
S E N S O R L
N O Z Z L E D O W N
S E N S O R R
F A N
Z 7 B L W S VZ 7 V A C S V
Z 6 B L W S VZ 6 V A C S V
Z 5 B L W S VZ 5 V A C S V
Z 4 B L W S VZ 4 V A C S V
Z 3 B L W S VZ 3 V A C S V
Z 2 B L W S VZ 2 V A C S V
Z 1 B L W S VZ 1 V A C S V
Z 7
P R E S S U R E
S E N S O R
Z 6
P R E S S U R E
S E N S O R
Z 5
P R E S S U R E
S E N S O R
Z 4
P R E S S U R E
S E N S O R
Z 3
P R E S S U R E
S E N S O R
Z 2
P R E S S U R E
S E N S O R
Z 1
P R E S S U R E
S E N S O R
T 7 S L O W
D O W N
S E N S O R
O C C A L I G H T
P C B A S M
O C C A L I G H T
P C B A S M
O C C A L I G H T
P C B A S M
O C C A L I G H T
P C B A S M
O C C C L I G H T
P C B A S M
O C C C L I G H T
P C B A S M
O C C C A M E R A
O C C C A M E R A
C P U
B O A R D
C P U
B O A R D
P I L O T
L A M P
P I L O T
L A M P
C O P L A
L A S E R K E Y
O N L Y 3 0 2 0 V 3 0 2 0 V R
O N L Y 3 0 2 0 V R
O N L Y 3 0 2 0 V 3 0 2 0 R V
O N L Y 3 0 2 0 V 3 0 2 0 R V
O N L Y 3 0 2 0 V 3 0 2 0 R V
H M S
N Z D W N 2
N Z D W N 1
N Z D W N 3
T E M P E R A T U R E S E N S O R
P W B A S M
B R 1
L I G H T - A 2
L I G H T - A 2
L I G H T - A 1
L I G H T - A 1
L I G H T - C
L I G H T - C
O C C L
O C C R
C D S A M P
B / M A M P
H M S
H E A D R
1 - 3 D
4 - 5 A
C O P L A S E N S O R
H E A D
C N 0 9
C N 1 3
C O P L A L A
L E D R
L E D F
C N 1 2
S C A L E 0 1
S C A L E 0 2
M A G N E T I C
S C A L E P C B
X Y E N 2
X Y E N 2
E S F
C N 1 9
X Y 1 0
C N 3 0
C N 2 8
C N 1 6
C N 3 2
C N 1 2
C N 2 3
C N 2 6
C N 2 5
C N 2 4
C N 2 7
C N 8
C N 1 1
C N 7
C N 1 0
C N 6
C N 9
C N 3 1
C N 1
3 - 3 B
4 - 2 C
E T H E R
S L A V E
P C B
E N 1
E N 2
S L I G H T
C T R L P C B
C N 8 1 3
E N 1
C N 2 0
C N 1 4
C N 3 2
1 - 3 B
F M L A
4 - 1 D
C N 2
C N 4 7 8
A C 3
2 - 4 A
2 - 5 B
C O M 1
C H 1
I E E E 1 3 9 4
B O A R D
C H 1
C N 2 4 5
L N C 6 0
C H 2
I E E E 1 3 9 4 a
R E P E A T E R
X Y 0 2
X Y 0 1
X Y 0 8
3 - 4 B
C N 1 4
O P E R A T I O N
P C B ( R )
3 - 4 A
C N 1 4
O P E R A T I O N
P C B ( F )
4 - 4 A
C O M 2
C N 9
C N 7
C N 3 3
C N 9 0 1
I O N P W R
I O N I Z E R
I O N I Z E R
C N 2 0 1
C N 1 3
C N 2 0 C N 0 6 4
C N 2 6
C N 1 7
P O W E R
U N I T
C N 1 5
C N 1 2 7
C N 1 3 1
C N 1 3 0
C N 1 3 2
C N 1 3 0
C N 1 3 1
X N E A R
S E N S O R
X + L I M I T
S E N S O R
X - L I M I T
S E N S O R
C N 4 3 0
C N 4 3 1
C N 1 3 9
C N 1 4 3
C N 1 3 8
C N 1 3 7
X Y 0 4
C N 2
C N 0 6 4
C N P 2
C N P 1
S A F E I O
H E A D I O
M T C I / F
M T S I / F
I / F R
I / F L
C N 2
C N 1
X Y 0 5
C N 3 4
X Y 0 3
3 - 2 A
E T H E R
S L A V E
P C B
E N 1
E N 2
F E E D E R
P C B
4 - 2 A
E T H E R
S L A V E
P C B
E N 1
E N 2
B A S E
I / O P C B
E T H E R
S L A V E
P C B
E N 1
E N 2
A I R P R E S S
M E T E R ( - )
A I R P R E S S
M E T E R ( + )
S A F T Y
U N I T
( E N )
1 - 3 A
C N 1 6
X Y - R E L A Y
P C B
J 8
C N 8 4 8
C O MJ 4
S C M 3
P C B
C N 1
L N C 6 0
1 - 5 D
1 - 5 C
1 - 5 B
1 - 5 A
C N 4 D
C N 5C N 4 C
4 A X I S
S E R V O
A M P ( 4 )
C N 4 D
C N 5C N 4 B
4 A X I S
S E R V O
A M P ( 3 )
C N 4 D
C N 5C N 4 B
4 A X I S
S E R V O
A M P ( 2 )
C N 4 D
C N 1 9 C N 5C N 4 B
4 A X I S
S E R V O
A M P ( 1 )
H E A D
M A I N P C B
E N 1
E N 2
E N 3
2
1 9
3 4
1 0
5 1 1 1 3
1 2
1 4 1 6
1 5 1 7 1 9 2 1 2 3 2 5 2 6 2 8 2 9
2 0
1 8 2 42 2 2 7 2 7
5 9
5 7
5 5
5 3
5 2
4 9
8
6 0 6 1
3 0 3 2
3 4
3 1
3 3
3 5
3 3
4 7 4 8
4 1
3 6
4 2
4 3
6 2 6 3 6 4 6 5
5 0
5 4 5 6 5 8 5 8
4 0
3 7
3 9
4 4
4 6
3 8 4 5
6 7
6 8
7 0
7 1
7 2
7 7 7 8 8 0
8 2
7 4
7 3
7 5
8 3
8 4
8 7
8 8
8 7
9 8 9 9
6 9
7 97 67 6 8 1
8 5
1 0 5 1 0 9 1 1 1
1 1 21 1 01 0 6
1 0 3
1 0 2
1 0 1
1 1 6
1 1 5
9 79 7
9 6
9 3
9 2
9 1
9 4
1 0 0
7 7
7
1 0 4 1 0 7 1 0 8 1 1 3 1 1 4
1 1 8
6
6 6
9 5
5 1
7
Y - L I M I T
S E N S O R
Y + + L I N I T
S E N S O R
Y N E A R
S E N S O R
1 1 7
3 3 3 3
8 6
8 9
9 0
1 1 9
1 2 0