RX-7_RX-7R-Rev08 - 第243页
在线预览 RX-7_RX-7R-Rev08 PDF 文档。

B-5
B1
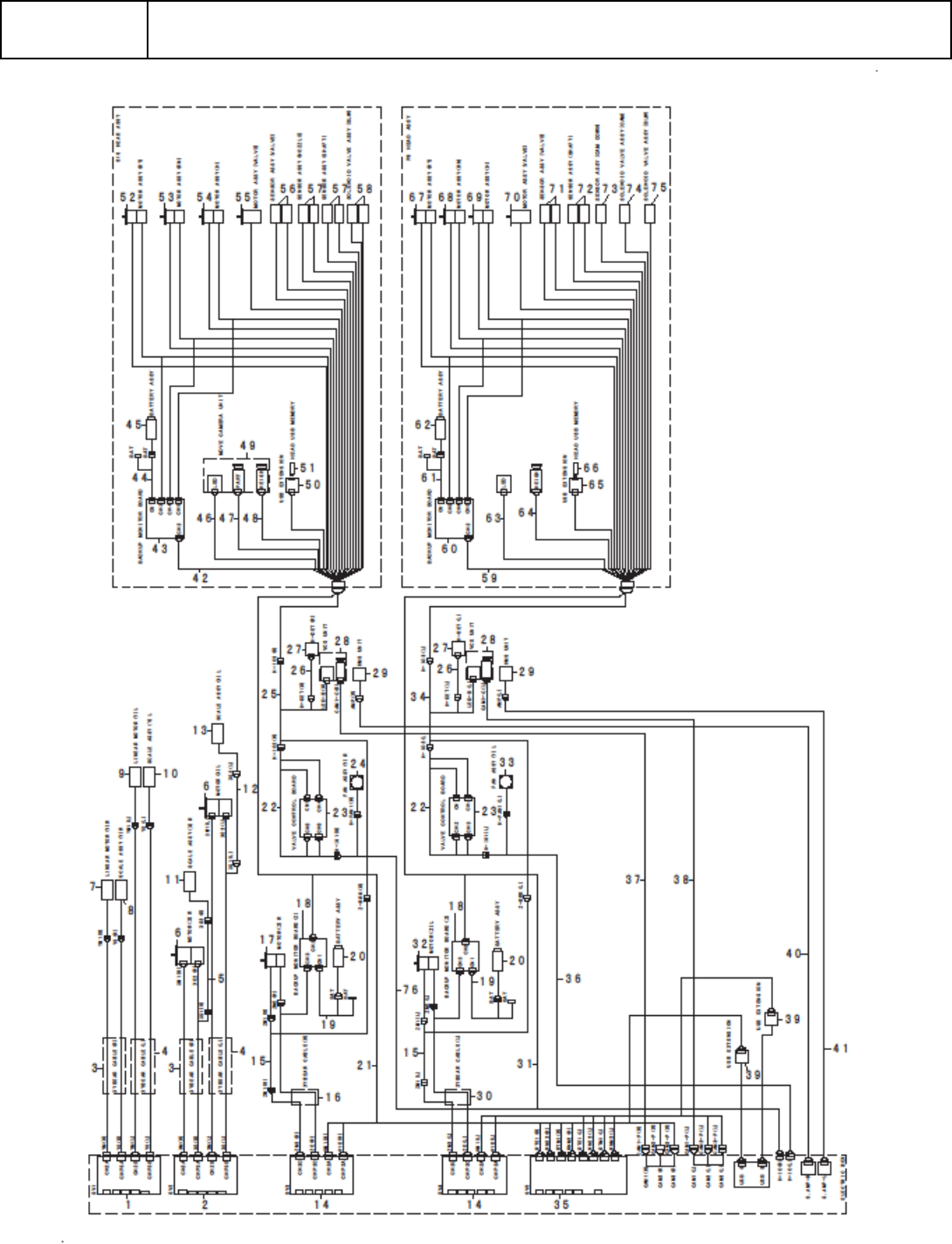
【RX-7】SYSTEM DIAGRAM (1)
【RX-7】SYSTEM DIAGRAM (1)
イラスト番号
Ref.No.
品番
Part Number
Description
品名
個数
Q'ty
備考
Remarks
151 EZ1-755-690-11
RELAY POWER (RJ1S-CLD-D24)
リレーパワー (RJ1S-CLD-D24) 1
152 EZ1-969-084-24
HARNESS (SDIO CN2904-H-IO)
ハ-ネス (SDIO CN2904-H-IO) 1
153 EZ1-969-085-12
HARNESS (SDIO CN2701-IO1)
ハ-ネス (SDIO CN2701-IO1) 1
154 EZ1-755-675-11
RELAY SAFTY
セ-フテイリレ-ユニツト(G9SX-NS 1
155 EZ1-969-091-13
HARNESS (SDIO CN2700-SFR)
ハ-ネス (SDIO CN2700-SFR) 1
156 EZ1-969-099-16
HARNESS (SDIO CN2800-2 ECT-IF)
ハ-ネス (SDIO CN2800-2 ECT-IF)
1
157 EZA-191-677-9A
SDIO CONT COMPL
SDIO CONT COMPL 1
158 EZ1-969-087-13
HARNESS (SDIO CN2804-MR-MD)
ハ-ネス (SDIO CN2804-MR-MD) 1
159 EZ1-492-147-11
AMPLIFIER SERVO
サ-ボ アンプ (MR-MD202-S016) 1
160 EZ1-895-353-11
MOTHER BOARD
ATX マザ-ボ-ド (FB18-L2S) 1

B-6
B2
【RX-7】SYSTEM DIAGRAM (2)
【RX-7】SYSTEM DIAGRAM (2)