RX-7_RX-7R-Rev08 - 第252页
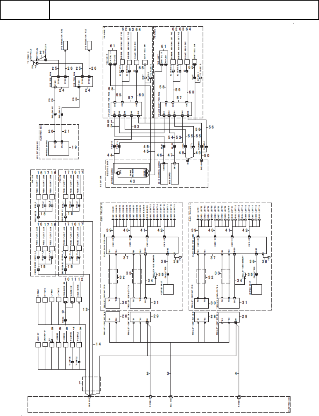
B-12 B4 【 RX-7 】 SYSTEM DIAGRAM (4) 【 RX-7 】 SYSTEM DIAGRAM (4)

B-12
B4
【RX-7】SYSTEM DIAGRAM (4)
【RX-7】SYSTEM DIAGRAM (4)

B-13
B4
【RX-7】SYSTEM DIAGRAM (4)
【RX-7】SYSTEM DIAGRAM (4)
イラスト番号
Ref.No.
品番
Part Number
Description
品名
個数
Q'ty
備考
Remarks
1 EZ1-969-295-15 HARNESS (BOX-TROLLEY IF) ハ-ネス (BOX-TROLLEY IF) 1
2 401-53439 CART USB CABLE ASM USB ケーブル 1
3 EZ1-969-296-12 HARNESS (BOX-TROLLEY POW) ハ-ネス (BOX-TROLLEY POW) 1
4 401-53439 CART USB CABLE ASM USB ケーブル 1
5 EZ1-969-384-12 HARNESS (S/I JP) ハ-ネス (S/I JP) 1
6 EZ1-771-841-11 SWITCH POWER (D2D-2000)
デンゲン スイツチ (D2D-2000)
1
7 EZ1-492-199-22 SAFETY SW ASSY セーフティ SW ASSY (ダイシヤ) R 1
8 EZ1-492-199-32 SAFETY SW ASSY セーフティ SW ASSY (ダイシヤ) L 1
9 EZ1-969-294-12 HARNESS (PRESS-SW) ハ-ネス (PRESS-SW) 1
10 EZ1-798-472-11 SWITCH PRESSURE (ISE30A-C6H) アツリヨク スイツチ (ISE30A-C6H) 1
11 EZ1-798-473-11 SWITCH PRESSURE (ZSE30A-C6H) アツリヨク スイツチ (ZSE30A-C6H) 1
12 EZ1-520-538-12 METER HOUR (H7ET-NFV-300)
アワ- メ-タ- (H7ET-NFV-300)
1
13 401-56753 FD-FLOAT(R) SENS CABLE2 ASM FD-FLOAT(R) センサケーブル 2 クミ 1
14 401-56752 FD-FLOAT(L) SENS CABLE2 ASM FD-FLOAT(L) センサケーブル 2 クミ 1
15 401-58790 FD-FLOAT(R)SENS CABLE2-2 ASM FD-FLOAT(R) センサケーブル 2 クミ 1
16 401-58787 SENSOR ASSY A (FEEDER FLOAT JA センサ ASSY A (フィーダフロート JAM) 1
17 401-58788 SENSOR ASSY B (FEEDER FLOAT JA センサ ASSY B (フィーダフロー JAM) 1
18 401-58789 FD-FLOAT(L)SENS CABLE2-2 ASM
FD-FLOAT(L)センサケーブル 2-2 クミ
1
19 EZ1-895-353-11 MOTHER BOARD ATX マザ-ボ-ド (FB18-L2S) 1
20 401-54480 CVS COMM CABLE ASM 1(R) CVS COMM ケーブルクミ 1(R) 1
21 401-54481 CVS COMM CABLE ASM 1(L) CVS COMM ケーブルクミ 1(L) 1
22 401-54482 CVS COMM CABLE ASM 2(R) CVS COMM ケーブルクミ 2(R) 1
23 401-54483 CVS COMM CABLE ASM 2(L) CVS COMM ケーブルクミ 2(L) 1
24 400-95117 CVS PCB ASM
CVS キバンクミ
-1
25 401-54485 CVS POWER CABLE ASM 2 CVS パワー ケーブルクミ 2 1
26 401-54486 CVS PROBE CABLE ASM CVS PROBE ケーブルクミ 1
27 401-54484 CVS POWER CABLE ASM 1 CVS POWER ケーブルクミ 1 1
28 EZA-194-422-7B TROLLEY CONTACT(M)B MOUNT トロリー CONTACT(M)B MOUNT 1
29 EZA-194-422-6B TROLLEY CONTACT(M)A MOUNT トロリー CONTACT(M)A MOUNT 1
30 EZA-194-422-9B TROLLEY CONTACT(T)B MOUNT
トロリー CONTACT(T)B MOUNT
1
31 EZA-194-422-8B TROLLEY CONTACT(T)A MOUNT トロリー CONTACT(T)A MOUNT 1
32 401-42763 POWER CABLE ASM 2 電源ケーブル組 2 1
33 401-42757 POWER CABLE ASM 電源ケーブル組 1
34 401-42758 TROLLEY-IF CABLE ASM 台車 IF ケーブル組 1
35 EZ1-845-148-11 MEMORY USB USB メモリ (USM4GR B) 1
36 401-42756 TROLLEY-CUTTER CABLE ASM
台車カッターケーブル組
1
37 401-42764 ELEC BANK PCB ASM エレキバンク基板組 1
38 401-43435 E BANK FG CABLE ASM エレキバンク FG ケーブルクミ 1
39 401-42759 EF IF CBL 1-5 ASM 電動フィーダー IF 1-5 組 1
40 401-42760 EF IF CBL 6-10 ASM 電動フィーダー IF 6-10 組 1
41 401-42761 EF IF CBL 11-15 ASM 電動フィーダー IF 11-15 組 1
42 401-42762 EF IF CBL 16-20 ASM
電動フィーダー IF 16-19 組
1
43 401-56542 FRAME GRABBER (APX-3302) フレーム GRABBER (APX-3302) 1
44 401-56561 HARNESS(TRG-FG_CN6) ハ-ネス (TRG-FG_CN6) 1
45 401-33146 CAMERALINK CABLE SS 3M カメラリンクケーブル SS 3M 1
46 401-56552 HARNESS(SDIO_CN100-SIDO1) ハ-ネス (SDIO_CN100-SIDO1) 1
47 401-56555 HARNESS(MC3_CN11-SDIO2) ハ-ネス (MC3_CN11-SDIO2) 1
48 401-56557 HARNESS(IO2-FCTR)
ハ-ネス (IO2-FCTR)
1
49 401-56558 HARNESS(IO2-FCTL) ハ-ネス (IO2-FCTL) 1
50 401-56564 HARNESS(BOX7-FCPOW) ハ-ネス (BOX7-FCPOW) 1