RX-7_RX-7R-Rev08 - 第256页
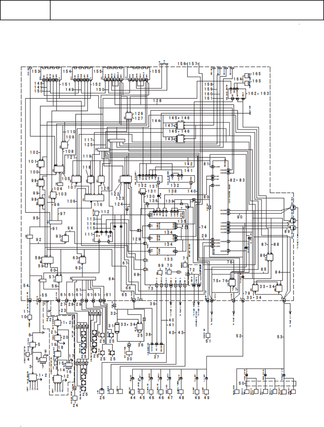
B-15 B5 【 RX-7R 】 SYSTEM DIAGRAM (5) 【 RX-7R 】 SYSTEM DIAGRAM (5)

B-15
B5
【RX-7R】SYSTEM DIAGRAM (5)
【RX-7R】SYSTEM DIAGRAM (5)

B-16
B5
【RX-7R】SYSTEM DIAGRAM (5)
【RX-7R】SYSTEM DIAGRAM (5)
イラスト番号
Ref.No.
品番
Part Number
Description
品名
個数
Q'ty
備考
Remarks
1 HA-0065200-0A CIRCUIT PROTECTOR サーキットプロテクタ 1
2 HA-0065200-10 CIRCUIT PROTECTOR サーキットプロテクタ 1
3 401-59290 MB-NF CABLE ASM MB-NF ケーブルクミ 1
4 401-89824 AC INPUT SURGE PROTECTOR ASM AC 入力サージプロテクタ組 1
5 401-91282 NOISE FILTER ノイズフィルター 1
6 401-59291 NF-ELECTRICAL BOX CABLE ASM
NF-ELECTRICAL ボックス ケーブルクミ
1
7 EZ1-854-030-11 BRIDGE TERMINAL ワタリ カナグ (BNJ56BPN10) 1
8 401-59292 TERMINAL BLOCK ターミナルブロック 1
9 EZ1-969-388-12 HARNESS (TB0-E) ハ-ネス (TB0-E) 1
10 HA-0065500-00 SWITCH スイッチ 1
11 401-96335 MAIN SW WIRE ASM メイン スイッチ ワイヤークミ 1
12 HA-0064700-0A CIRCUIT PROTECTOR
サーキットプロテクタ
1
13 401-89824 AC INPUT SURGE PROTECTOR ASM AC 入力サージプロテクタ組 1
14 402-10702 CB-NF CABLE ASM CB-NF ケーブルクミ 1
15 401-59292 TERMINAL BLOCK ターミナルブロック 1
16 EZ1-854-030-11 BRIDGE TERMINAL ワタリ カナグ (BNJ56BPN10) 1
17 EZ1-969-388-12 HARNESS (TB0-E) ハ-ネス (TB0-E) 1
18 401-91282 NOISE FILTER
ノイズフィルター
1
19 402-10703 NF-TRANS CABLE ASM NF-TRANS ケーブルクミ 1
20 401-59296 TRANSFORMER トランス 1
21 402-10704 TRANS-MB CABLE ASM TRANS-MB ケーブルクミ 1
22 402-10705 MB-ELECTRICAL BOX CABLE ASM MB-ELECTRICAL ボックス ケーブルクミ 1
23 EZ1-969-360-13 HARNESS (BOX VAC-VACUUM) ハ-ネス (BOX VAC-VACUUM) 1
24 EZ1-492-203-11 VACUUM PUMP ASSY
シンクウ ポンプ ASSY
1
25 401-89090 DC FAN ASM DC ファンクミ 1
26 HK-0849200-80 CONNECTOR コネクタ 1
27 401-96263 FRONT FAN CABLE ASM フロント ファン ケーブルクミ 1
28 401-96264 TOP COVER FAN CABLE ASM トップ カバー ファン ケーブルクミ 1
29 EZ1-969-109-12 HARNESS (SDIO CN2900-EMI COG) ハ-ネス (SDIO CN2900-EMI COG) 1
30 402-09941 RF POWER CABLE 1 ASM
RF パワー ケーブル 1 クミ
1
31 402-09946 CONNECTOR コネクタ 1
32 402-09943 RF POWER CABLE 3 ASM RF パワー ケーブル 3 クミ 1
33 EZ1-755-690-11 RELAY POWER (RJ1S-CLD-D24) リレー パワー (RJ1S-CLD-D24) 1
34 EZ1-755-691-11 SOCKET RELAY (SJ1S-05B) ソケット リレー (SJ1S-05B) 1
35 402-09945 CR RF5-CR RF4 CABLE ASM CR RF5-CR RF4 ケーブルクミ 1
36 402-09942 RF POWER CABLE 2 ASM
RF パワー ケーブル 2 クミ
1
37 401-58158 15INCH LCD MONITOR 15 インチ LCD モニタ 1
38 EZ1-970-004-12 HARNESS (LCDPW1T-LCDPW2T) ハ-ネス (LCDPW1T-LCDPW2T) 1
39 400-48032 PANEL LINK CABLE 4.5M パネルリンクケーブル 4.5M 1
40 EZ1-970-005-11 HARNESS (PC232CX-TP232CX) ハ-ネス (PC232CX-TP232CX) 1
41 EZ1-838-317-21 CABLE LAN (LKB5Y-02) LAN ケ-ブル (LKB5Y-02) 1
42 401-48260 USB CABLE 3M
USB ケ-ブル 3M
1
43 401-48260 USB CABLE 3M USB ケ-ブル 3M 1
44 401-29025 EMG SW CABLE ASM EMG SW ケーブルクミ 1
45 400-02254 COVER OPEN SW CABLE ASM カバーオープン SW ケーブルクミ 1
46 402-07813 BANK UP SWITCH R ASSY バンク アップ スイッチ R ASSY 1
47 EZ1-492-357-11 ELECTROMAGNETIC ASSY デンジベン ASSY (ドアロック) 1
48 401-29009 SIGNAL TOWER CABLE ASM
シグナルタワーケーブルクミ
1
49 402-10508 LED ASSY (INNER LIGHT) LED ASSY (INNER LIGHT) 1
50 EZ1-492-242-13 SOLENOID ASSY (AIR SUPPLY) ソレノイド ASSY (エアー サプライ) 1