文档中心
/
RX-7_RX-7R-Rev08
RX-7_RX-7R-Rev08 - 第291页
C-15
目录
100%
显示:宽度
宽度
1 / 296
回到旧版
旧版
?
C-14
C5
【
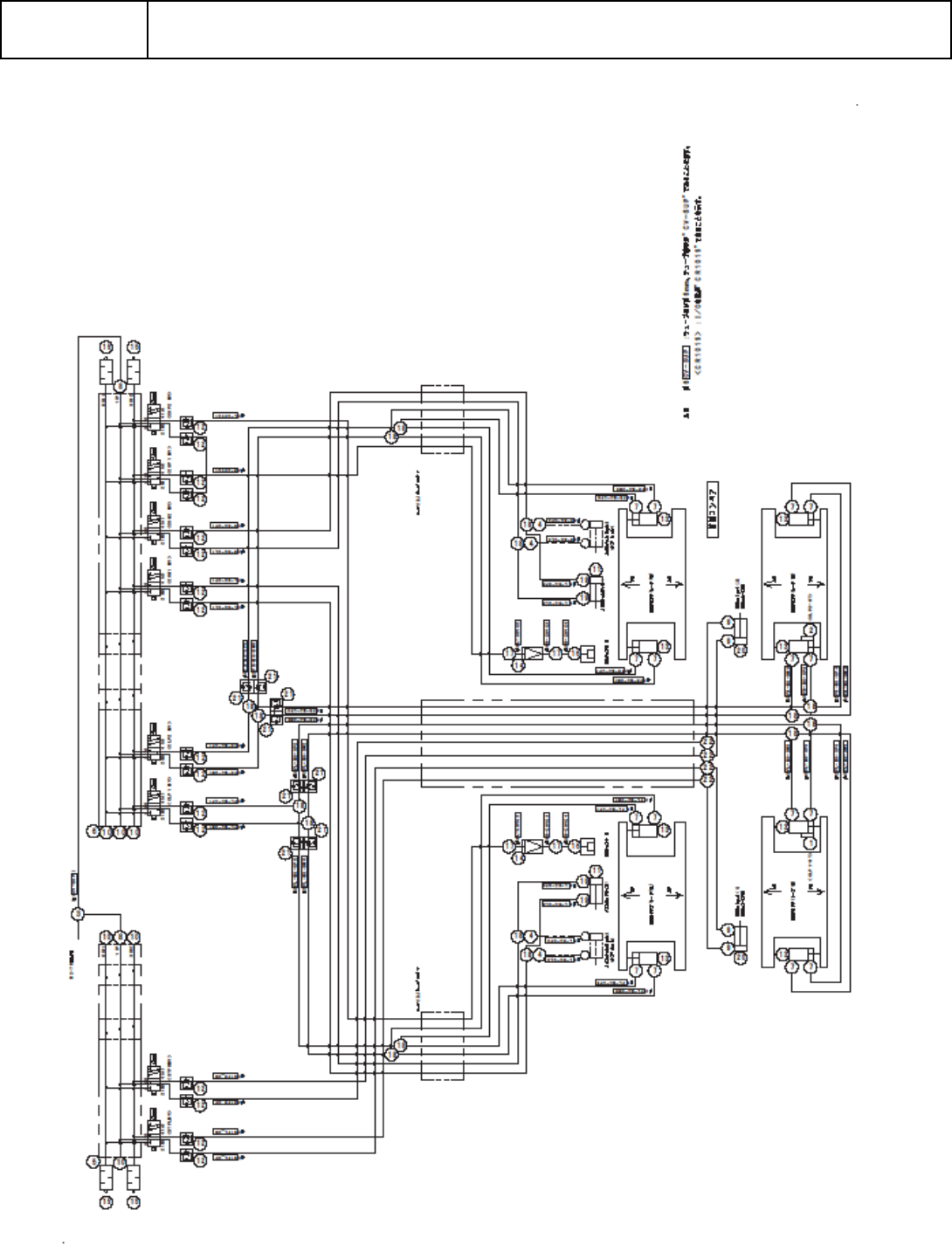
RX-7R
】搬送部周辺配管図
【
RX-7R
】
Conveyor pipe diagram
C-15
C-16
该页面需要启用 JavaScript 才能进行交互式预览。