RX-7_RX-7R-Rev08 - 第54页
A-43 A13 【共通】ヘッド ASSY-4 【 COMMON 】 Head assy - 4

A-42
A12
【共通】ヘッド ASSY-3
【COMMON】Head assy - 3
イラスト番号
Ref.No.
品番
Part Number
Description
品名
個数
Q'ty
備考
Remarks
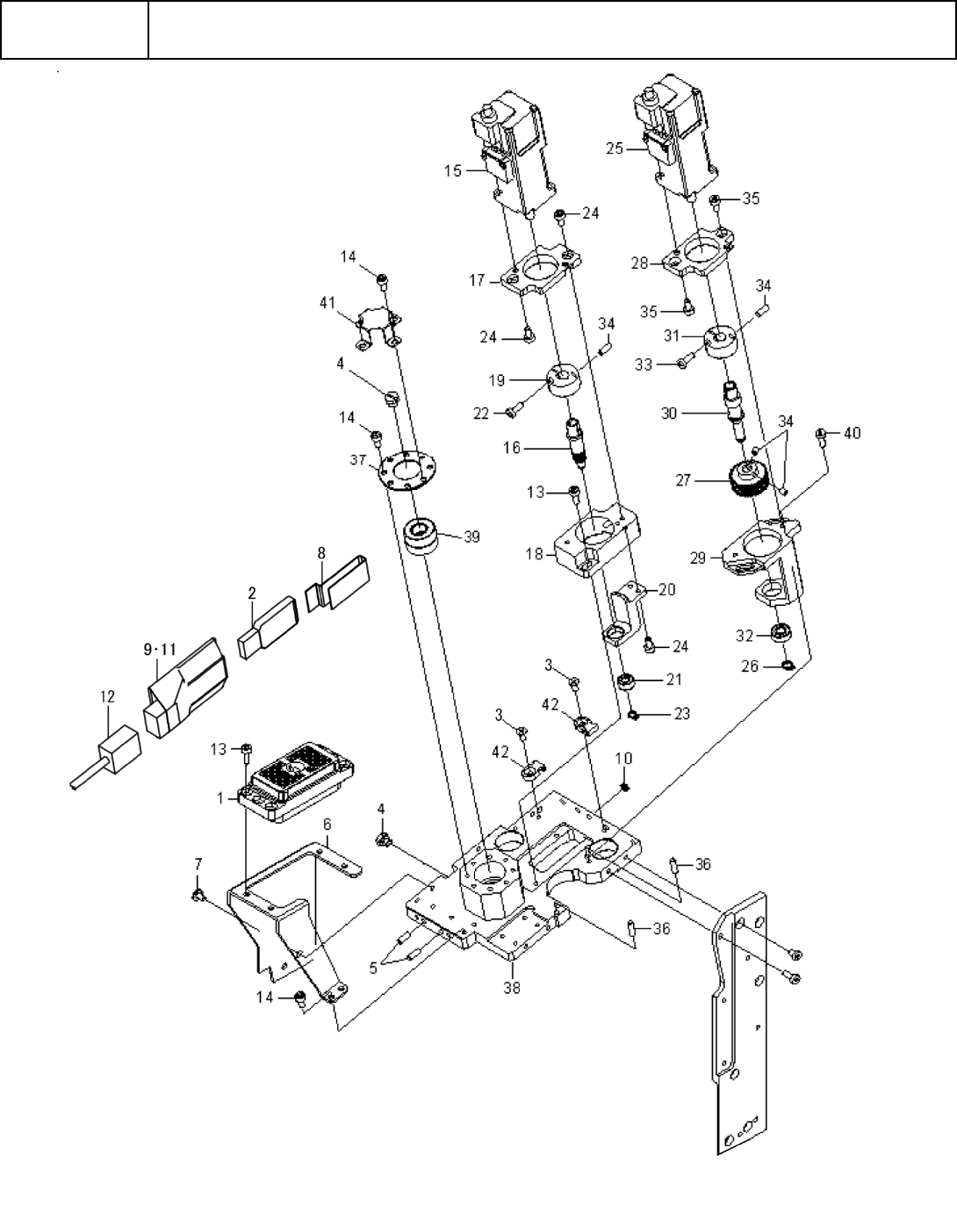
1 EZ1-492-165-13 SENSOR ASSY (NOZZLE SHAFT) センサ- ASSY (ノズル / シャフトケンシュツ) 2
2 EZ1-492-166-12 SOLENOID VALVE ASSY (BLW) ソレノイド バルブ ASSY (BLW) 2
3 EZ1-492-202-12 BATTERY ASSY バツテリ- ASSY 1
4 EZ1-895-367-12 BOARD BACKUP MONITORING バツクアツプ モニタ- ボード 1
5 EZ4-454-723-01 LOW HEAD SCREW (M3X8) テイトウ ロツカク アナツキ ボルト (M3X8) 1
6 EZ4-458-314-01 BATTERY CLIP バツテリ- クリツプ 1
7 EZ4-458-495-02 COVER, WIRING ハイセン カバ- 1
8 EZ7-627-551-18 SCREW,PRECISION +P 1.4X2 セイミツネジ +P 1.4X2.0, TYPE 1 4
9 EZ7-683-406-04 BOLT,HEXAGON SOCKET 3X12 6 カクアナツキボルト 3X12 2
10 EZ7-683-421-04 BOLT HEXAGON SOCKET 4X12 6 カクアナツキボルト(C4X12) 3
11 EZ7-683-480-24 BOLT, HEXAGON SOCKET 2X5 6 カク アナツキ ボルト 2X5 4
12 EZ7-683-405-04 BOLT,HEXAGON SOCKET 3X10 6 カクアナツキボルト 3X10 5
13 EZ1-845-163-12 UNIT CAMERA MOVE (QQJ-2216) イドウ カメラ ユニツト (QQJ-2216) 1 RX-7 用(P16)
14 402-07918 MOVABLE_CAMERA_UNIT_PROTECT 保護付移動カメラユニット 1 RX-7R 用(P16S)
15 EZ4-453-950-01 PLATE, HEAD BASE ヘツドブ ベ-ス プレ-ト 1
16 EZ4-453-951-01 PLATE, BOTTOM ボトム プレ-ト 1
17 EZ4-453-952-01 PLATE (1), SIDE サイド プレ-ト (1) 1
18 EZ4-453-953-01 PLATE (2), SIDE サイド プレ-ト (2) 1
19 EZ4-453-994-01 BLOCK, CLAMP クランプ ブロツク 1
20 EZ4-453-997-01 HEAD FIXING BLOCK ヘツドガワ コテイ ブロツク 1
21 EZ4-454-074-01 MINIATURE Y PACKING MYA-8 ミニ Y パツキン (MYA-8) 1
22 EZ4-457-781-01 STOPPER PIN ストツパ- ピン 2
23 EZ4-458-768-01 DECOMPRESSION VALVE (MR001) ゲンアツベン (MR001) 1
24 EZ4-701-529-01 TIE MOUNT (MB1) タイマウント (MB1) 2
25 EZ4-702-269-01 NIPPLE (M-5H-4), HOSE ホ-ス ニツプル (M-5H-4) 1
26 EZ4-702-324-01 ELBO (M-5HL-4), HOSE ホ-ス エルボ (M-5HL-4) 1
27 EZ7-682-247-04 SCREW +K 3X6 +K 3X6 2
28 EZ7-683-403-04 BOLT,HEXAGON SOCKET 3X6 6 カクアナツキボルト 3X6 14
29 EZ7-683-419-04 BOLT HEXAGON SOCKET 4X8 6 カクアナツキボルト 4X8 2
30 EZ4-454-032-01 SPACER, GEAR ギアヨウ スペ-サ- 7
31 EZ4-472-629-01 SHAFT, REINFORCE ホキヨウヨウ シヤフト 1
32
EZ4-465-277-01 HEAD CLAMP BLOCK SHIM (T0.1) ヘツド クランプ ブロツク シム (T0.1) 1
EZ4-465-277-11 HEAD CLAMP BLOCK SHIM (T0.2) ヘツド クランプ ブロツク シム (T0.2) 2
EZ4-465-277-21 HEAD CLAMP BLOCK SHIM (T0.5) ヘツド クランプ ブロツク シム (T0.5) 1
33 EZ3-703-360-51 PIN, PARALLEL (DIA. 3X8) ヘイコウピン (フアイ 3X8) 4

A-43
A13
【共通】ヘッド ASSY-4
【COMMON】Head assy - 4

A-44
A13
【共通】ヘッド ASSY-4
【COMMON】Head assy - 4
イラスト番号
Ref.No.
品番
Part Number
Description
品名
個数
Q'ty
備考
Remarks
1 EZ1-843-626-11 CONNECTOR (DL2-96R) コネクタ (DL2-96R) 1
2 401-63295 USB MEMORY (SP008GBUF3J06V1D) USB メモリ- (SP008GBUF3J06V1D) 1
3 EZ7-682-247-04 SCREW +K 3X6 +K 3X6 2
4 EZ2-023-770-01 PLUG (M-5P) プラグ (M-5P) 2
5 EZ3-703-360-03 PIN PARALLEL (DIA. 3X10) ヘイコウピン (フアイ 3X10) 2
6 EZ4-454-041-03 BRACKET, CONNECTOR コネクタ ブラケツト 1
7 EZ4-454-078-01 BOLT (SET-M3X6-NI) テイトウボルト (SET-M3X6-NI) 22
8 EZ4-457-931-01 TAPE (80) FIXED コテイ テ-プ (80) 1
9 EZ1-458-773-11 USB EXTENSION (USB-EX50) USB EXTENSION (USB-EX50) 1
10 EZ4-465-278-01 O RING (SS3.5) O リング (SS3.5) 1
11 EZ7-632-355-40 TUBE HEAT SHRINKING (25X0.4) ネツ シユウシユク チユ-ブ 0.052
12 EZ1-970-003-11 HARNESS (USB LAN) ハ-ネス (USB LAN) 1
13 EZ7-683-404-04 BOLT,HEXAGON SOCKET 3X8 6 カクアナツキボルト 3X8 7
14 EZ7-683-403-04 BOLT,HEXAGON SOCKET 3X6 6 カクアナツキボルト 3X6 33
15 401-61107 MOTOR ASSY(RT) モータ ASSY(RT ジク) 1
16 EZ4-453-921-02 GEAR (RT) (DRIVING) ギア- (RT) (クドウ) 1
17 EZ4-453-928-01 BASE (RT), MOTOR モ-タ ベ-ス (RT) 1
18 EZ4-453-930-01 HOLDER (RT), BEARING ベアリング ホルダ (RT) 1
19 EZ4-453-944-02 COLLAR, SET セツト カラ- 1
20 EZ4-454-027-01 HOLDER (TR-2), BEARING ベアリング ホルダ (TR-2) 1
21 EZ4-454-054-01 BEARING (684AZZ) ベアリング (684AZZ) 1
22 EZ4-454-723-01 LOW HEAD SCREW (M3X8) テイトウ ロツカク アナツキ ボルト (M3X8) 1
23 EZ4-454-724-01 RING,SHAFT C TYPE RETAINING(4) ジクヨウ C ガタ トメワ (4) 1
24 EZ7-683-403-04 BOLT,HEXAGON SOCKET 3X6 6 カクアナツキボルト 3X6 6
25 EZ1-492-164-25 MOTOR ASSY モ-タ- ASSY (RN ジク) 1
26 EZ2-023-130-11 RING, SHAFT C TYPE RETAINING ジクヨウ C ガタ トメワ (STWN5) 1
27 EZ4-453-922-01 GEAR (RN) (DRIVING) ギア- (RN) (クドウ) 1
28 EZ4-453-929-01 BASE (RN), MOTOR モ-タ ベ-ス (RN) 1
29 EZ4-453-931-01 HOLDER (RN), BEARING ベアリング ホルダ (RN) 1
30 EZ4-453-943-02 SHAFT, GEAR ギア- シヤフト 1
31 EZ4-453-944-02 COLLAR, SET セツト カラ- 1
32 EZ4-454-066-01 BEARING (MR115ZZ) ベアリング (MR115ZZ) 1
33 EZ4-454-723-01 LOW HEAD SCREW (M3X8) テイトウ ロツカク アナツキ ボルト (M3X8) 1
34 EZ4-718-766-01 SET-SCREW (M3X4 SUS), HEAD ロツカク アナツキ トメネジ (M3X4 SUS) 4
35 EZ7-683-403-04 BOLT,HEXAGON SOCKET 3X6 6 カクアナツキボルト 3X6 4
36 EZ2-022-865-01 PIN, PARALLEL (DIA. 3M6X10) ヘイコウ ピン (フアイ 3M6X10) 2
37 EZ4-453-925-01 RETAINER, BEARING ベアリング オサエ 1
38 EZ4-453-949-02 HEAD TOP PLATE ヘツド トツプ プレ-ト 1
39 EZ4-454-052-01 BEARING (AC8-18DF) アンギユラ ベアリング (AC8-18DF) 1
40 EZ4-454-723-01 LOW HEAD SCREW (M3X8) テイトウ ロツカク アナツキ ボルト (M3X8) 2
41 EZ4-457-779-01 MAIN SHAFT COVER メイン シヤフト カバ- 1
42 EZ4-701-529-01 TIE MOUNT (MB1) タイマウント (MB1) 2