RX-7_RX-7R-Rev08 - 第89页
在线预览 RX-7_RX-7R-Rev08 PDF 文档。

A-71
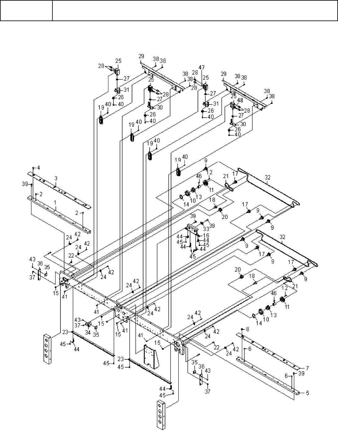
A21
【RX-7】搬送部ユニット-幅調整 2
【RX-7】Conveyor unit - 2
イラスト番号
Ref.No.
品番
Part Number
Description
品名
個数
Q'ty
備考
Remarks
1 EZ1-492-252-12 SENSOR ASSY センサ ASSY (タツチ スイツチ L) 1
2 EZ7-683-421-04 BOLT HEXAGON SOCKET 4X12 6 カクアナツキボルト(C4X12) 12
3 EZ4-454-930-02 PLATE, SWITCH REINFORCEMENT タツチ スイツチ ホキヨウ イタ 1
4 EZ4-454-929-02 PLATE, SWITCH REINFORCEMENT タツチ スイツチ シチユウ 4
5 EZ4-472-519-01 SUPPORT (UP), TOUCH SWITCH タツチ スイツチ シチユウ (UP) 4
6 EZ4-455-669-01 BLOCK (SFA12), SHAFT シヤフト ブロツク (SFA12) 4
7 EZ4-701-529-01 TIE MOUNT (MB1) タイマウント (MB1) 2
8 EZ7-682-249-09 SCREW +K 3X10 +K 3X10 2
9 EZ7-683-419-04 BOLT HEXAGON SOCKET 4X8 6 カクアナツキボルト 4X8 12
10 EZ3-703-360-01 PIN PARALLEL (DIA. 3X6) ヘイコウピン (フアイ 3X6) 8
11 EZ1-492-253-12 SENSOR ASSY センサ ASSY (タツチ スイツチ R) 1

A-72
A22-1
【RX-7】搬送レーン 1
【RX-7】Conveyor lane - 1