QEJM4A-E-MPA-27 - 第138页
3-B 軽 量 多機能 ヘッド Light Weight Multi-Functional Head パーツレイアウト Kit No. キット品 番 Kit Name キット名称 KXFX03YJA00 セクションNo. PARTS LAYOUT Section No. S19

Ref
No.
Remarks
R
1
Q't
y
3-A
軽
量
多機能
ヘッド
Light Weight Multi-Functional Head
イラスト
No.
Part No.
品 名品番 数量
R
2
パーツリスト
Kit No.
キット品
番
Kit Name
キット名称
KXFX03YJA00
Part Name
備 考
セクションNo.
PARTS LIST
Section No.
R
3
PLATE
3
1 N210042809AA
HOUSING
3
2 N210016067AA
POST
9
3 KXFB0AU3A00
COUPLING
3
4 KXFB0HBTA00
BRACKET
3
5 N210010130AE
PLATE
3
6 N210026983AA
STOPPER
6
7 N210016069AA
PLATE
3
8 N210026982AA
MOTOR
3
9 N510042740AA P50BA2002BXS3C
SCREW
3
10 N510018279AA
Cross recessed Truss head machine screw M4X6-4.8 A2J (Trivalent)
BOLT
6
11 N510017247AA
Hexagon socket head cap screw M2.5X8-10.9 A2J (Trivalent)
GROMMET
3
12 KXF0CUVAA00 G-68
PH-SENSOR
3
13 KXF0E1KUA00 PM-Y44(DA KXF0E1KUA00)
JOINT
3
14 KXF0A27AA00 KQL04-M6
GREASE-NIPPLE
3
15 KXF0CSNAA00 GPA6A
SPACER
3
16 N510017047AA ASB-3100E
SPACER
3
17 KXF0E02FA00 CL-301.5B
STEEL-BALL
3
18 KXF05PSAA00 3.5
SPACER
3
19 N510017073AA ASF-610E
SPACER
12
20 KXF0E02GA00 ASL-325B
SPACER
9
21 KXF0E02HA00 CL-302B
HEAD No.1
1
22 N610065885AA
HEAD No.2
1
23 N610065886AA
HEAD No.3
1
24 N610065887AA
S18

3-B
軽
量
多機能
ヘッド
Light Weight Multi-Functional Head
パーツレイアウト
Kit No.
キット品
番
Kit Name
キット名称
KXFX03YJA00
セクションNo.
PARTS LAYOUT
Section No.
S19

Ref
No.
Remarks
R
1
Q't
y
3-B
軽
量
多機能
ヘッド
Light Weight Multi-Functional Head
イラスト
No.
Part No.
品 名品番 数量
R
2
パーツリスト
Kit No.
キット品
番
Kit Name
キット名称
KXFX03YJA00
Part Name
備 考
セクションNo.
PARTS LIST
Section No.
R
3
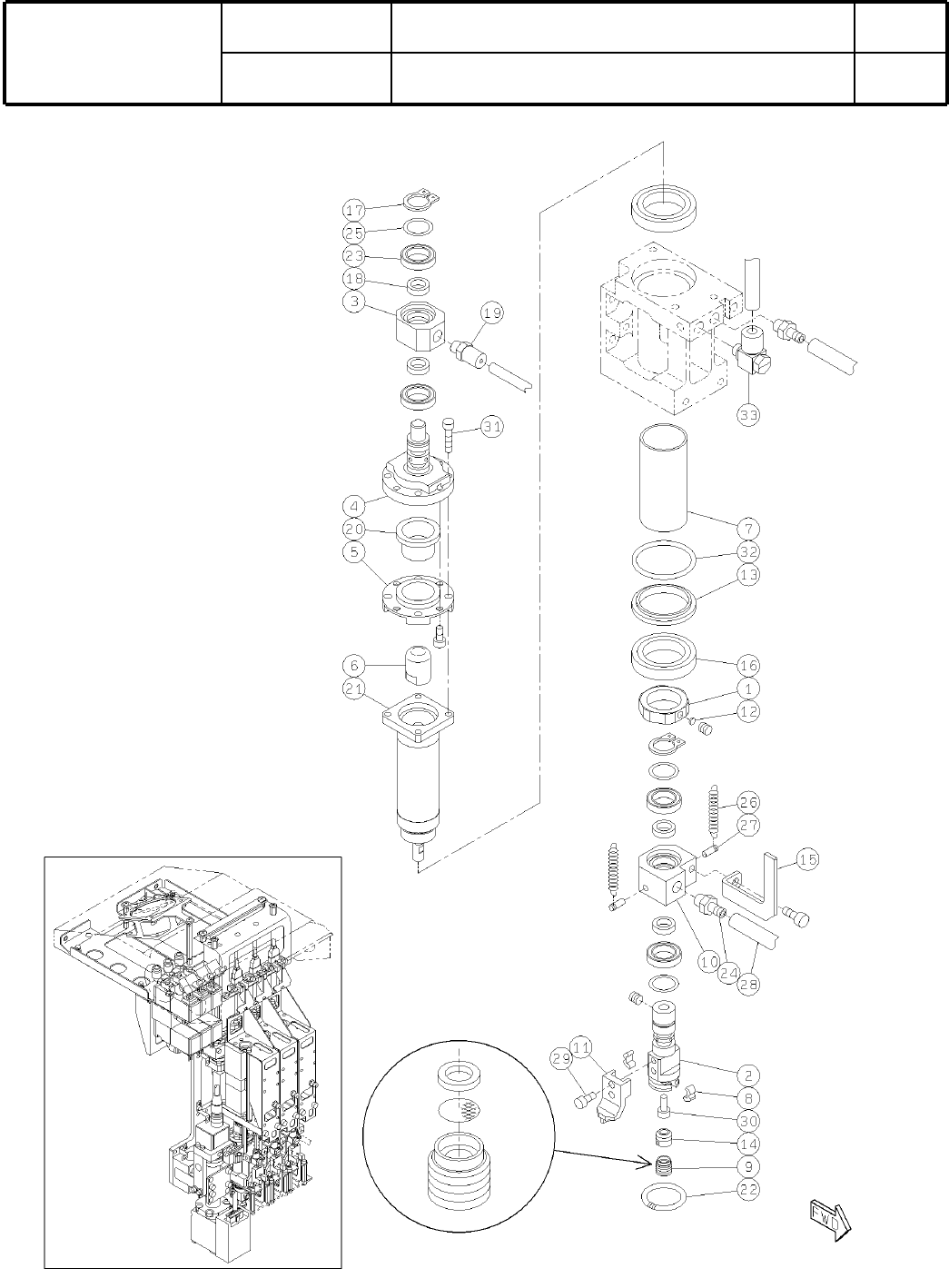
NUT
3
1 KXFB0APSA00
HOLDER
3
2 N210017657AB
RING
3
3 KXFB0APTB00
HOLDER
3
4 KXFB0APUB00
CYLINDER
3
5 KXFB0APVA00
PISTON
3
6 KXFB0ATVA00
COLLAR
3
7 KXFB0ATXA00
CLAMP
9
8 KXFB00L1A02
FILTER
6
9 N610009394AA
RING
3
10 KXFB0ATYA00
ARM
3
11 KXFB00HMA02
PIECE
3
12 KXFB029SA00
RING
3
13 KXFB0ATZA00
SCREW
3
14 KXFB06HWA00
DOG
3
15 N210026984AA
BEARING
6
16 KXF0AL1AA00 6803ZZ
C-RING
6
17 KXF0A74AA00 STW-9
PACKING
24
18 KXF05YHAA00 MYA-6
JOINT
3
19 KXF02T7AA00 M-5H-4
DIAPHRAGM
3
20 KXF0DZHVA00 DM2-13-13-T2.NN501(DDA)
BALL-SPLINE
3
21 N510015534AA TL6CSMS+66LPM(11590322X021)
SPRING
6
22 N210076717AA
BEARING
12
23 KXF0DZXDA00 F-679
JOINT
6
24 KXF02T4AA00 M-5AU-6
SHIM
9
25 KXF0E253A00 SEO-9-12-0.3-SUS
SPRING
12
26 KXF0E07FA00 SP(DA KXF0E07FA00)
FASTENER
6
27 KXF0DKMAA00 BX2.5-8(DA 0DKMA)
TUBE
3
28 KXF0DS4AA00 Silicon tube 8607 D6XD3(120mm)
BOLT
18
29 N510017251AA
Hexagon socket head cap screw M2.6X6-10.9 A2J (Trivalent)
BOLT
3
30 N510017258AA
Hexagon socket head cap screw M2X5-10.9 A2J (Trivalent)
BOLT
12
31 N510017249AA
Hexagon socket head cap screw M2.6X12-10.9 A2J (Trivalent)
O-RING
3
32 KXF0DJ1AA00 1022 1 type A
JOINT
3
33 KXF09ZNAA00 M-5HLH-6
S20