QEJM4A-E-MPA-27 - 第212页
8-I 基 板 コンベアL Board Conveyor L パーツレイアウト Kit No. キット品 番 Kit Name キット名称 KXFX036LA00 セクションNo. PARTS LAYOUT Section No. S93

Ref
No.
Remarks
R
1
Q't
y
8-H
基
板
コンベアL
Board Conveyor L
イラスト
No.
Part No.
品 名品番 数量
R
2
パーツリスト
Kit No.
キット品
番
Kit Name
キット名称
KXFX036LA00
Part Name
備 考
セクションNo.
PARTS LIST
Section No.
R
3
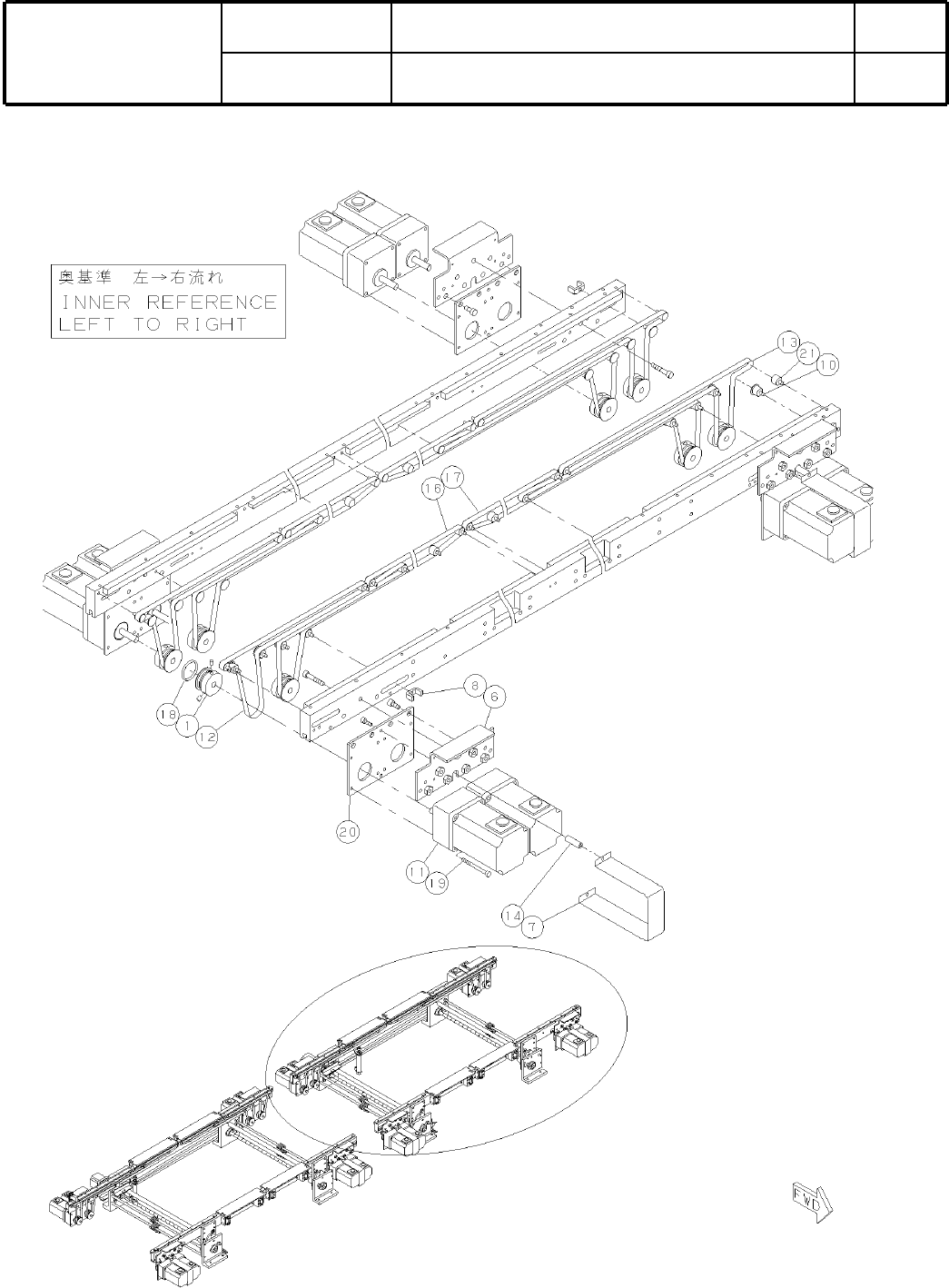
BLOCK
8
1 KXFB02QEA00
BLOCK
8
2 KXFB02QFA00
CLAMPER
2
3 N210063864AA
GUIDE
2
4 N210063865AA
CLAMPER
2
5 N210063866AA
BRACKET
2
6 N210032462AA
JOINT
8
7 KXF02SSAA00 M-3ALU-4
AIR-CYLINDER
8
8 KXF0DLFAA00 MXPJ6-5-X23
SENSOR
1
9 KXF0DKVAA00 EX-13EA(DA 0DKVA)
JOINT
16
10 KXF02STAA00 M-3AU-4
JOINT
8
11 KXF09VMAA00 M-3UT
BOLT
16
12 KXF0ATMAA00 CBS4-8
SPACER
4
13 N510019915AA CB-406E
BOLT
8
14 N510026171AA SEH0410
S92

8-I
基
板
コンベアL
Board Conveyor L
パーツレイアウト
Kit No.
キット品
番
Kit Name
キット名称
KXFX036LA00
セクションNo.
PARTS LAYOUT
Section No.
S93

Ref
No.
Remarks
R
1
Q't
y
8-I
基
板
コンベアL
Board Conveyor L
イラスト
No.
Part No.
品 名品番 数量
R
2
パーツリスト
Kit No.
キット品
番
Kit Name
キット名称
KXFX036LA00
Part Name
備 考
セクションNo.
PARTS LIST
Section No.
R
3
PULLEY
8
1 KXFB02QLB00
BRACKET
4
6 KXFB02QQB01
BRACKET
2
7 KXFB0EMSA00
NUT
8
8 KXFB02U4A00
CAM-FOLLOWER
16
10 N510002167AA U-AS5-49
MOTOR
8
11 KXF0DWW9A00 K0354-F2M -2(DDA)
BELT
2
12 KXF0DKCAA00
A
XVT-952(DA 0DKCA)
BELT
2
13 KXF0DKDAA00
A
XVT-952(DA 0DKDA)
SPACER
2
14 N510017101AA CB-425E
BELT
2
16 KXF0DKEAA00
A
XVT-952(DA 0DKEA)
BELT
2
17 KXF0DKFAA00
A
XVT-952(DA 0DKFA)
RING
8
18 N210088855AA
BOLT
32
19 N510017368AA
Hexagon socket head cap screw M4X45-10.9 A2J (Trivalent)
PLATE
4
20 N210006519AA
PULLEY
24
21 N510010794AA MB054000
S94