YS100_kjj_j - 第10页
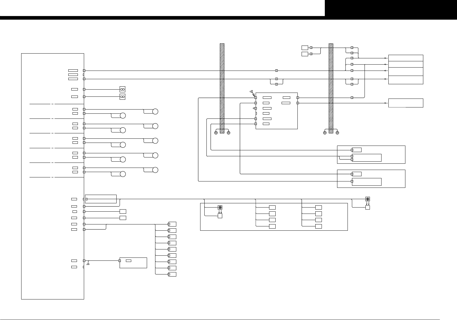
Confidential & Proprietary P A G E LOW LOW UP LDC1 UP LOW LOW UP LDC2 UP CAPTUR E2 LIGHT UPEND CAPTUR E2 LIGHT LOWEND VISION BOARD CONTRO L BOX See Page 2 See Page 5 I/O CONVEYO R BOARD See Page 5 I/O CONVEYO R BOARD…

Confidential & Proprietary
PAGE
FAN1
FAN2
CN4
CN5
FAN1
FAN2
HEAD SERVO UNIT ASSY
CN3TXD/RXD
CN2+24VOUT
CN1
CN1POW/EMG
J0121
SRVB1
SRVB2
SRVB
See Page 2
CONTROL BOX
INTERFACE BOARD
J0042
H+24V
CN43
J0162
Y1ORG
Y1OT
HEAD EMG
CN12
SQ005
SQ001
Y1-AXIS ORG
N0100980
Y1-AXIS OVER TRAVEL
N0100981
J0055
H+48V
DC48V,0V48
See Page 3
See Page 5
Y1ORG
Y1OT
J0190
DUCT Y
FLEXIBLE
I/O HEAD BOARD ASSY P041
DUCT X
FLEXIBLE
J0123
J0044
HEAD SERVO 1
HEAD SERVO 2
HEAD SERVO 3
HEAD SERVO 4
HEAD SERVO 5
J0043
J0122
SRVB1
SRVB2
POW/EMG
C+24V
J0514
J0502
CAM2
See Page 2
J0072J0073
J0504
J0300
D.CAM1
CN1
CN2
FID.LIGHT BRD. ASSY
P086
P087
LIGHT1
TEMP1
CN1 S.V.LIGHT BRD. ASSY
CAM13
SV LIGHT
J0506
J0305
FIDUCIAL CAMERA 1
EL01
FIDUCIAL LIGHT 1
SIDE VIEW CAMERA HEAD
EL13
SIDE VIEW LIGHT HEAD
FIDUCIAL CAMERA 1
SIDE VIEW CAMERA(OPTION)
CAMERA SELECTOR P082
DC24V
DC24V CN11
CN5
CAMOUT A
CAMOUT
CN10 LIGHT3
CN8 CAM3
LIGHT2CN9
CAM2CN6
LIGHT1CN7
CAM1CN4
LIGHT3-2
LIGHT2
J0301
LIGHT1-2
LIGHT3
J0305(STANDARD SPEC.)
KM12,XT31
POWER CIRCUIT
I/O CONVEYOR BOARD
I/O CONVEYOR BOARD
VISION BOARD
CONTROL BOX
HEAD FAN1
HEAD FAN2
CN23EV0
MO1
MO2
Z1
Z2 □20 MAX 2500rpm
M07
□20 MAX 2500rpm
M08
Z2-AXIS 60W
Z1-AXIS 60W
M15
M16
R1
R2
□20 MAX 2500rpm
□20 MAX 2500rpm
M13
M14
Z7
Z8
□20 MAX 2500rpm
□20 MAX 2500rpm
M11
M12
Z5
Z6
□20 MAX 2500rpm
□20 MAX 2500rpm
M09
M10
Z3
Z3-AXIS 60W
Z4
MO1
MO2
MO1
MO2
MO1
MO2
MO1
MO2
(RA2)
(RA1)
CN3
CN2
CN3(ZA8)
(ZA7) CN2
CN3
CN2(ZA5)
(ZA6)
(ZA4)
(ZA3) CN2
CN3
CN3
CN2(ZA1)
(ZA2)
Z4-AXIS 60W
Z5-AXIS 60W
Z6-AXIS 60W
Z7-AXIS 30W
Z8-AXIS 30W
R1-AXIS 30W
R2-AXIS 30W
□42 MAX 4500rpm
□42 MAX 4500rpm
CN21AD0
J0304CN21
XOT
XORG
CN18
CN19
CN16
CN17
CN18
CN19
OT
ORG
DO0
DO1
J0303
SQ301
N002D005
X1-AXIS ORIGIN
SQ302
N002D006
X1-AXIS OVER TRAVEL
CN14DI0
VAC
CN1 VAC
VAC SENSOR BRD ASSY
P049
HEAD1
HEAD2
HEAD3
HEAD4
HEAD5
HEAD6
HEAD7
HEAD8
SH BLOW
HEAD1(VACUUM/BLOW)
HEAD2(VACUUM/BLOW)
HEAD3(VACUUM/BLOW)
HEAD4(VACUUM/BLOW)
HEAD5(VACUUM/BLOW)
HEAD6(VACUUM/BLOW)
HEAD7(VACUUM/BLOW)
HEAD8(VACUUM/BLOW)
SHAFT BLOW
T003C000
T002C002/T002C000
T002C003/T002C001
T002C402/T002C400
T002C403/T002C401
T002C802/T002C800
T002C803/T002C801
T002CC02/T002CC00
T002CC03/T002CC01
YV303
YV302
YV301
YV304
YV305
YV306
YV307
YV308
YV309
Z DOWN
DOWN LIMIT
N003D000
Z+24V
SQ361A
SQ361BSQ311A
SQ311B
FLYING NOZZLE CLUTCH
N002D000
CLUTCH
C+24V
P1-2
P1-4
P1-6
P1-8
SQ321
SQ322
SQ323
SQ324
FLYING NOZZLE 2 POS1
N002D001
N002D401
N002D801
N002DC01
FLYING NOZZLE 4 POS1
FLYING NOZZLE 6 POS1
FLYING NOZZLE 8 POS1
P2-2
P2-4
P2-6
P2-8
SQ325
SQ326
SQ327
SQ328
FLYING NOZZLE 2 POS2
FLYING NOZZLE 4 POS2
FLYING NOZZLE 6 POS2
FLYING NOZZLE 8 POS2
N002D002
N002D402
N002D802
N002DC02
CN3
FCAM1
SVCAM3
SVCAM3
FCAM1
See Page 16
CN14
CN15DI1
CN15
For FNC HEAD Spec.
For FNC HEAD Spec.
CC.V5
6
HEAD SERVO UNIT
YS100

Confidential & Proprietary
PAGE
LOWLOW
UPLDC1 UP
LOWLOW
UPLDC2 UP CAPTURE2 LIGHT UPEND
CAPTURE2 LIGHT LOWEND
VISION BOARD
CONTROL BOX
See Page 2
See Page 5
I/O CONVEYOR BOARD
See Page 5
I/O CONVEYOR BOARD
MULTI CAMERA POWER
VISION BOARD
CONTROL BOX
See Page 2
CAM4
J0508
CN4
J0192
J0049
J0507
J0501
CAM3
CAM1
CN28
REAR DIGITAL MULTI CAMERA(OPTION)
FRONT DIGITAL MULTI CAMERA
3D CO-PLANARITY CHECKER(OPTION)
MULTI CAM.SUB ASSY
L+24V
+24V
POCL
CN4
CN8
MULTI CAM.SUB ASSY
MULTI CAM.SUB ASSY
SQ704
SQ703
N01009B3
N01009B2
L+24V
+24V
POCL
CN4
CN8
SQ702
N01009B1
CAPTURE1 LIGHT LOWEND
N01009B0
CAPTURE1 LIGHT UPEND
SQ701
L+24V
+24V
POCL
CN4
CN8
CC.V5
7
CAMERA UNIT SEL.
YS100

Confidential & Proprietary
PAGE
J0181
J0245
J0230
J0244
FRONT LCD (STANDARD)
FRONT OPERATION SWITCHES
A12
MOUSE
A10
KEYBOARD
J0254
FRONT OPERATION SWITCHES
FRONT LCD TOUCH PANEL(OPTION)
J0240
J0181
J0245
J0244
J0234
LCD 1
J0252 LCD1
LCD1
DC12V IN
VGA SERIAL
A12
MOUSE
A10
KEYBOARD
J0256
RS232C F
RS232C F
J0230 J0254
VGA F
LCD1
VGA
LCD 1
VGA F
VGA
KEY
MOUSE
CN18
See Page 4
I/O CONVEYOR -2-
CN18
See Page 4
I/O CONVEYOR -2-
EXT.PWR
VGA
KEY
MOUSE
SERIAL1
CONTROL BOX
See Page 2
EXT.PWR
CONTROL BOX
See Page 2
J0252J0234 LCD1
DC12V IN
FRONT OPERATION SWITCHES
J0181
LCD 1LCD 2
FRONT & REAR LCD TOUCH PANEL (OPTION)
KB R
MS R
J0237
J0239
J0253
J0255
J0257
KB1
MS1
J0254
J0252
J0256
J0236
J0238
CRT2
KB2
MS2
RS2
EX
CRT1
KB1
MS1
RS1
RS PC CRT PC KB/MS PC
SWITCHER BOARD ASSY
REAR OPERATION SWITCHES
EX
J0242
KB2
MS2
RS2 RS1 J0240
KB F
RS232C F
MS F
RS232C R
KEY
CRT PC
CRT2 CRT1
CN18
See Page 4
I/O CONVEYOR -2-
J0232
J0233
J0234,J0235
EXT.PWR
KEY
VGA
J0231
SERIAL1
CONTROL BOX
See Page 2
J0182
See Page 4
I/O CONVEYOR -2-
CN20
J0222
CN24
I/O CONVEYOR -3-
See Page 5
MOUSE
A12
MS F
LCD 1
FRONT & REAR LCD(OPTION)
A11
KEYBOARD
A13
MOUSE
MS2
KB2 KEYBOARD
A10
KB F
J0239
MS1
KB1 J0238
J0236J0237J0255
LCD 2
KB R
MS R
J0254
EX
FRONT OPERATION SWITCHESREAR OPERATION SWITCHES
MS2
RS2
EX
CRT1
KB1
MS1
RS1
SWITCHER BOARD ASSY
CRT2
KB2
RS PC CRT PC KB/MS PC
KEY
CRT2 CRT1
J0182
See Page 4
CN20
I/O CONVEYOR -2-
CRT PC
P31
P31
J0252J0253
J0222
J0181
CN18
See Page 4
I/O CONVEYOR -2-
J0232
J0233
VGA
KEY
I/O CONVEYOR -3-
See Page 5
CN24
EXT.PWR
J0234,J0235
LCD2
VGA
REAR SIDE
VGA R
DC12V IN
LCD1
VGA
FRONT SIDE
VGA F
DC12V IN
LCD1LCD2
REAR SIDE
KEYBOARD
A11
MOUSE
A13
LCD2
DC12V IN
SERIAL VGA
RS232C R
VGA R
LCD2
FRONT SIDE
A10
KEYBOARD
A12
MOUSE
LCD1
DC12V IN
VGA SERIAL
RS232C F
VGA F
LCD1
See Page 2
CONTROL BOX
CC.V5
8
OPERATION PANEL SEL.
YS100