YS100_kjj_j - 第5页
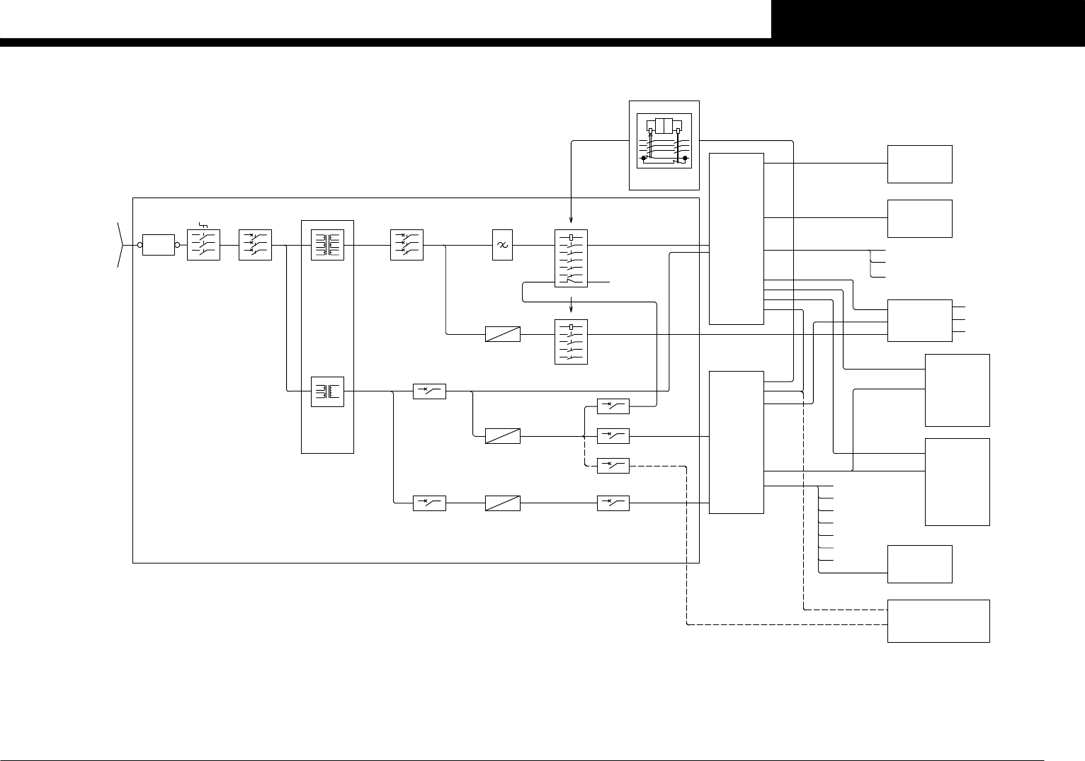
Confidential & Proprietary P A G E EXT POWER EXT.PWR J0751 J0028 J0891 UPS (OPTION ) POWER CIRCUI T J0234, J0235 POWER CIRCUI T CN27 See Page 5 I/O CONVEYOR BOARD AIR REGULATOR PANEL HA01 WIN BUZZER BUZZER J0119 AC10…

Confidential & Proprietary
PAGE
TERMINAL
1:1.30KW(TOTAL)
1:1.30KW(TOTAL)
2:2.36KW(TOTAL)
1:1.36KW(TOTAL)
3∼ 200V 0-375Hz
3:0.48KW(TOTAL)
4:0.48KW(TOTAL)
2:2.36KW(TOTAL)
dYTF
3:1.30KW(TOTAL)
STANDARD
sATS
2:2.36KW(TOTAL)
CONTROL BOX
3∼ AC220V3∼ AC220V3∼ AC220V3∼ AC220V
MOTOR:3∼ 220V
1∼ AC220V
3∼ AC220V
DC24V
COMU
COMU
COMU
COMU
COMU
COMU
DC24V
DC24V2
DC24V
DC24V
DC24V
See Page 3-5
CN1-CN14 …Page 3
CN17-CN20…Page 4
DC24V21∼ AC100V
GS22 600W 27A
Power Supply
QF41 7A
1∼ AC100V
DC24V
GS21 300W 14A
Power Supply
QF21 7A
I/O CONVEYOR BOARD
(OPTION)
BARCODE READER
USB MEMORY
Each Motors
OPERATION PANEL SEL.
See Page 8
See Page 7
MULTI CAMERA UNIT
See Page 2
IONIZER ASSY(OPTION)
FAN
VALVE
SENSOR
CONVEYOR MOTOR 30W
SIGNAL TOWER
COVER S/W
EMG S/W
INTERCONNECTION DIAGRAM
See sATS,dYTF
sATS,dYTF
TRAY CHANGER(OPTION)
1∼ AC100V
KM12/KM12A
GS31 600W 7A
DC48VDC48V
Contactor
Peak 15.5A 10sec
Power Supply
KM11/KM11A
DRIVER
CONVEYOR MOTOR
AC50/60Hz 20A(MAX)
DRIVER
OUTPUT:
AC50/60Hz 4.0A(MAX)
CONTROL:1∼ 100V
INPUT:
EMERGENCY CIRCUIT
KM10
CH1CH2K2 K1
Safety Relay
QF26 4A
QF24 20A
POWER CIRCUIT
3∼3∼
1∼ AC100V
DC24VDC24V
QF23 12A
QF25 4A
Contactor
NF11
TC11
1.75KVA(with UPS)
1.5KVA(STD)
Noise
Filter
Circuit
Protector
TM11 1.7KVA
Transformer
Transformer
POWER TRANSFORMER
XB11
QS11 25A QF11 20A
Main Breaker
Main Switch
Terminal
380/400/416V
200/208/220/240
3∼ 50/60Hz
CN21-CN44…Page 5
I/O HEAD
See Page 6
DC48V
DC24V
FAN
HEAD SENSOR,VALVE
Z,R SERVO MOTOR
COMU
DC24V2
DC24V2
COMU
F.FEEDER
See Page 9
FIX24
See Page 10
See Page 11
R.FEEDER
DC24V2
COMU
FIX24
See Page 9
See Page 10
FES32
See Page 12
See Page 13
See Page 14
See Page 15
See Page 16
See Page 17
FIX32
FES24
See Page 11
See Page 12
FIX24+sATS
FIX32
FES24
FES32
QF31 set5A
(4-6.3A)
Rating 6.1KVA MAX.
CC.V5
1
OVER VIEW
YS100

Confidential & Proprietary
PAGE
EXT POWER
EXT.PWR
J0751
J0028
J0891
UPS
(OPTION)
POWER CIRCUIT
J0234,J0235 POWER CIRCUIT
CN27
See Page 5
I/O CONVEYOR BOARD
AIR REGULATOR PANEL
HA01
WIN BUZZER
BUZZER
J0119
AC100V
AC100V
J0007
J0009
AC100V
POWER CIRCUIT
SRV2 GOOD
MO2
PI2
SRV2 BRAKE
TRG1
TRG2
SRV CMN
ENC
BRAKE
GOOD
MO(Y1,Y2,PU1,W1)
(Y1,Y2,PU1,W1)
GOOD
TRG1
TRG2
MO
SRV CMN
ENC
BRAKE
SRV1 GOOD
MO1
PI1
SERVO2
SERVO1
J0061
J0142
J0125
J0141
J0124
MO2
PI2
SRV2 BRAKE
TRG1
TRG2
SRV CMN
ENC
BRAKE
GOOD
MO
PI2
SRV2 BRAKE
TRG1
TRG2
SRV CMN
ENC
BRAKE
GOOD
MO
CAM1(HALF)
CAM2(FULL)
CAM3(HALF)
CAM4(FULL)
TRG1
TRG2
SRVA
SRVB
GOOD
I/O
V1 TRG1
I/F SRVB
I/F GOOD
IF1 I/O
VGA
VISION
INTERFACE
SYSTEM
J0501
J0502
J0507
J0530
J0135
J0121
J0101
V1CAM2
I/F1 SRVA
I/O CONVEYOR BOARD
See Page 3
J0102
I/O A
CN5
See Page 7
(OPTION)
MULTI CAMERA UNIT SEL.
J0103
SERIAL1
SERIAL1
SERIAL2
KEY
MOUSE
MOUSE
USB1
USB2
USB3
USB4
USB4 J0120
LAN
E.COM BOARD
READER
BARCODE
FRONTSYM1
SYM2
J0892
J0893
SI04
SI03
SI02
SI01
A43
BCR-F SYM
READER
BARCODE
REAR
A44
BCR-R SYM
DC5V
+5V
DC5V
+5V
IT OPTION(OPTION)
SERVO3
SERVO4
SRV4 GOOD
MO4
SRV4
SRV4
SRV1
J0136
J0137
SRV2
SRV3
SRV1
SRV2
SRV3
*sATS,dYTF
*dYTF
SRV3 GOOD
CN14
(DZ2,DY2,DS2,DX2)
(DZ2,DY2,DS2,DX2)
(DZ1/AZ1,DY1/AH1,DS1,DX1)
(DZ1/AZ1,DY1/AH1,DS1,DX1)
S1 TRG1
SRV1 BRAKE J0066
(X1,PU2,LW1,-)
(X1,PU2,LW1,-)
J0161 J0162
CN12
I/O CONVEYOR BOARD
See Page 3
sATS,dYTF(OPTION)
USB4
USB MEMORY
J0104
J0105
See Page 6
CAM SEL BOARD
I/O AI/O A
I/O B
I/O C
LW1P
LW1M
C/R GOOD
OPERATION PANEL SEL
See Page 8
M02
M03
Y1P
Y1M
Y2P
Y2M
Y2P
Y1P
J0131
J0130
Y1-AXIS 1KW
Y2-AXIS 1KW
M04
PU1P
PU1M
PU1 BK
PU1P
J0129
PU1-AXIS 200W
□54 MAX 1500rpm
□86 MAX 4500rpm
□86 MAX 4500rpm
□42 MAX 500rpm
W1P
W1M
W1 BK
W1P
J0128
M06
W1-AXIS 100W
M05
PU2-AXIS 200W
□54 MAX 1500rpm
PU2P
PU2M
PU2 BK
PU2P
J0132
PU2M
J0144
W-PU(OPTION)
X1M
X1P
J0126
X1P
M01
X-AXIS 750W
DUCT Y
FLEXIBLE
X1M
X1P
J0143
J0127
□86 MAX 4500rpm
sATS,dYTF(OPTION)
See sATS,dYTF
INTERCONNECTION DIAGRAM
J0503 or J0508
ANC STATION(OPTION)
See Page 5
SS FEEDER F1&F2
SS FEEDER R1&R2
AC220V
SRVB1
SRVB2
I/O HEAD BOARD
See Page 6
AC220V
AC220V
See Page 9-13
See Page 9-12
See Page 16
See Page 16
See Page 16
S/M
KEY
PC
CABLE HOST(OPTION)
S/M
VGA
CONTROL BOX ASSY A1
PE
J0071
LCD PWR
DC12V
CC.V5
2
CONTROL BOX
YS100

Confidential & Proprietary
PAGE
CN1
CN1 J0046
CN3
CN3 J0775
CN4
CN2
CN2 J0226
CUT COVER
J0228
R2 SW DO
R2 SW DI J0780
SB24
R2 FDR SW
N01009D1/T0100091
DC24V IN
CUT COVER
TAPE CUTTER(OPTION)
J0227
OPEN/CLOSE
FRONT TAPE CUTTER
T0100080/T0100081
SQ103
FRONT TAPE CUTTER COVER SWITCH
SQ104
REAR TAPE CUTTER COVER SWITCH
REAR TAPE CUTTER
OPEN/CLOSE
T0100082/T0100083
YV045
F.CUTTER
YV046
R.CUTTER
I/O CONVEYOR BOARD ASSY P025
CN4 J0192
See Page 7
CAMERA UNIT SEL.
DI20,DO8
DI21,DO9
DI19
CN13
CN13 J0164
CONTROL BOX
POWER CIRCUIT
NF11
POWER CIRCUIT
KM10
CH2 CH1
K1K2
AC
DC
LOGIC
A1
A2
T11
T12
T22
T31
T32
A2 0V24
T11 EMG0
T12 EMG22
T22 EMG22
T31
T32
13
23
33
13 +24V
23 +24V
33 +24V34
24
1414
24 +24E
34 +24B
S10
U52
V52
W52
A1 A2 0V24
U54
V54
W54
J0165
CN12
CN12 J0162
CN11
CN11 J0163
CONTACTOR
EMG1
EMG2
4142
1121 T32B 1122 T32A
C/V MOTOR DRIVER
POWER CIRCUITPOWER CIRCUIT
GS21
1153 +24B
CONV+24V
1154+24C
CONV+24E
A2 0V24A1
1221 T32A 1222 T32
1233 +24C 1234 SRV ON
HEAD SERVO +48V
POWER CIRCUIT
GS31
POWER CIRCUIT
CN14
CN14 J0102
See Page 2
COM
A1+24V
CONTROL BOX
See Page 2
C/R GOOD
J0168COVERF COVER FRONT COVER SW
SQ101
COVER DO1
COVER DO2
F.COVER DO1
F.COVER DO2
EMGF1 EMG J0166
FRONT SIDE
J0169R COVER COVER REAR COVER SW
SQ102
COVER DO1
COVER DO2
R.COVER DO1
R.COVER DO2
EMGR1 EMG J167
REAR SIDE
F1 FDR EMG
F2 FDR EMG
R1 FDR EMG
R2 FDR EMG
J0767
See Page 5
UP/DOWN DO
FRONT FES VALVE
R1 EMG SW
SB32
F1 EMG SW
SB31
sATS,dYTF EMG
See sATS,dYTF
INTERCONNECTION DIAGRAM
TF EMG
COVERF COVER
EMGF1 EMG
J0168 FRONT COVER SW
SQ101
J0166
FRONT SIDE
F1 EMG SW
SB31
J0163
I/O CONVEYOR BOARD CN11
R COVER COVER
EMGR1 EMG
J0169 REAR COVER SW
SQ102
J0167
REAR SIDE
R1 EMG SW
SB32
sATS,dYTF EMG
See sATS,dYTF
INTERCONNECTION DIAGRAM
TF EMG
F1 FDR EMG
FDR EMG
F2 FDR EMG
FDR EMG
R1 FDR EMG
FDR EMG
R2 FDR EMG
FDR EMG
J0174
J0175
J0176
J0177
CN5DI11
CN10
CN9
CN8
CN7DI12
DI13
DI14
DI15
I/O A INTERFACE BOARD
CONTROL BOX
CN6DI2
GS21
QF23
QF24
POWER CIRCUIT
Y1OT
Y1ORG
HEAD EMG
HEAD
See Page 6
See Page 16
See Page 16 See Page 16
See Page 16See Page 16
See Page 16 See Page 16
FES24,32 FEEDER STRUCTURE(OPTION)
FES24,32 specification FIX24,32 specification
See Page 11,12
FES24,32 FEEDER STRUCTURE
+48V
+48V+48A
+48B
SW DI
SW DI
SW DO
SW DO
J0779
R1 SW DO
R1 SW DI
N01009D0/T0100090
R1 FDR SW
SB23
KM11/KM11A
KM12/KM12A
A2
2/T1
4/T2
6/T3
22
A1
1/L1
3/L2
5/L3
21
33
41
34
42
3 5 6
ON
OFF
1 2
DIP SW(S1)
43 5 6
ON
OFF
1 2
DIP SW(S1)
4
※In I/O CONVEYOR BOARD
since KJJ-M4580-031,
there is no DIP SW.
13
A1
53
73
83
21
63
1/L1
3/L2
5/L3
A2
14
2/T1
4/T2
6/T3
22
54
64
74
84
CC.V5
3
I/O CONVEYOR -1-
YS100