80S-15贴片机 - 第310页
9 Revolver Head SIPLACE 80S/F/G Service Manual Edition 04/97 9 - 26 9.5.3 Silencer Block The silen cer blo ck with its four silen cers redu ces the noise of the a ir escapi ng from the ventu ri nozz les. It i s fastened …

SIPLACE 80S/F/G Service Manual 9 Revolver Head
Edition 04/97
9 - 25
Fig. 9.5.3 Vacuum generator block

9 Revolver Head SIPLACE 80S/F/G Service Manual
Edition 04/97
9 - 26
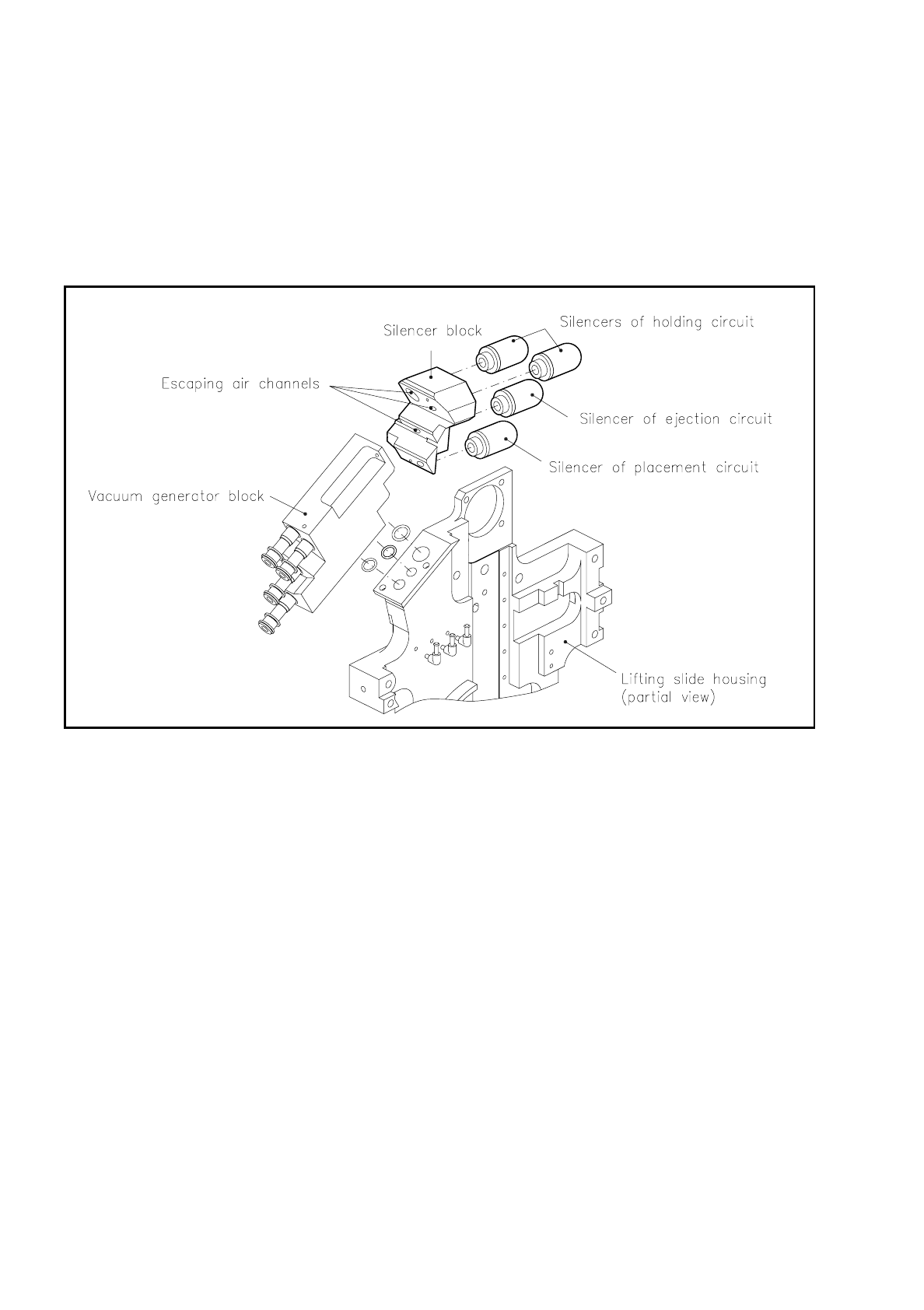
9.5.3 Silencer Block
The silencer block with its four silencers reduces the noise of the air escaping from the venturi nozzles. It is
fastened to the vacuum generator block with two M3 hexagon socket-head screws.
The silencers have an M8 thread and can therefore be replaced easily when this is necessary.
Fig. 9.5.4 Silencer block
9.5.4 Vacuum Measuring Board
The vacuum measuring board 1710460-Y0007 is fastened to the vacuum generator block with two M2-slotted
screws and isolating spacer.
The sensor tubes of the individual pressure sensors are connected with PK-2 hoses to the L-PK-2 hose con-
nections for the purpose of measuring the pressure in the vacuum ducts of the holding, placement and ejec-
tion circuits.

SIPLACE 80S/F/G Service Manual 9 Revolver Head
Edition 04/97
9 - 27
Fig. 9.5.5 Vacuum measuring board
The three measurement circuits are temperature-compensated.
With the
holding circuit
, only a threshold value comparison is made of the current vacuum value with the
actual value for monitoring purposes. If there is a drop below the vacuum threshold value set when the
machine went into service then the output of this monitoring circuit will alarm the machine controller. An error
message will appear on the station computer monitor.
With the placement circuit and
ejection circuit
the current vacuum values are determined in numerical form
by the computer. The machine controller sends an 8-bit data word to the digital-to-analog converter on the
vacuum measuring board. The electrical circuit diagram for the vacuum measuring board is included in the cir-
cuit diagrams folder, Section 3.11, for the SIPLACE 80S machine. The comparator of the vacuum circuit in
question compares the two analog signals of the actual and the D/A converter values and then signals the
machine controller as to whether the actual value is above or below the desired value. In this way the precise
vacuum value is determined by successive approximation. Comparison of the actual value so obtained with
the line computer data will then provide information on the vacuum states obtaining in each case, and which
are described below, and actions thereby triggered.
9.5.4.1 Determination of the Vacuum Values during the Reference Run
In the reference run the vacuum values are determined for the individual segments for the pick-up and place-
ment circuit and for the ejection circuit at revolver head stations 1 and 3. The measured values are taken into
the MA data of the placement program. Threshold values also required are calculated.