文档中心
/
Base gantry_20211124_041832
Base gantry_20211124_041832
Base gantry Page 1 / 12 24.11.2021
目录
100%
显示:宽度
宽度
1 / 12
回到旧版
旧版
?
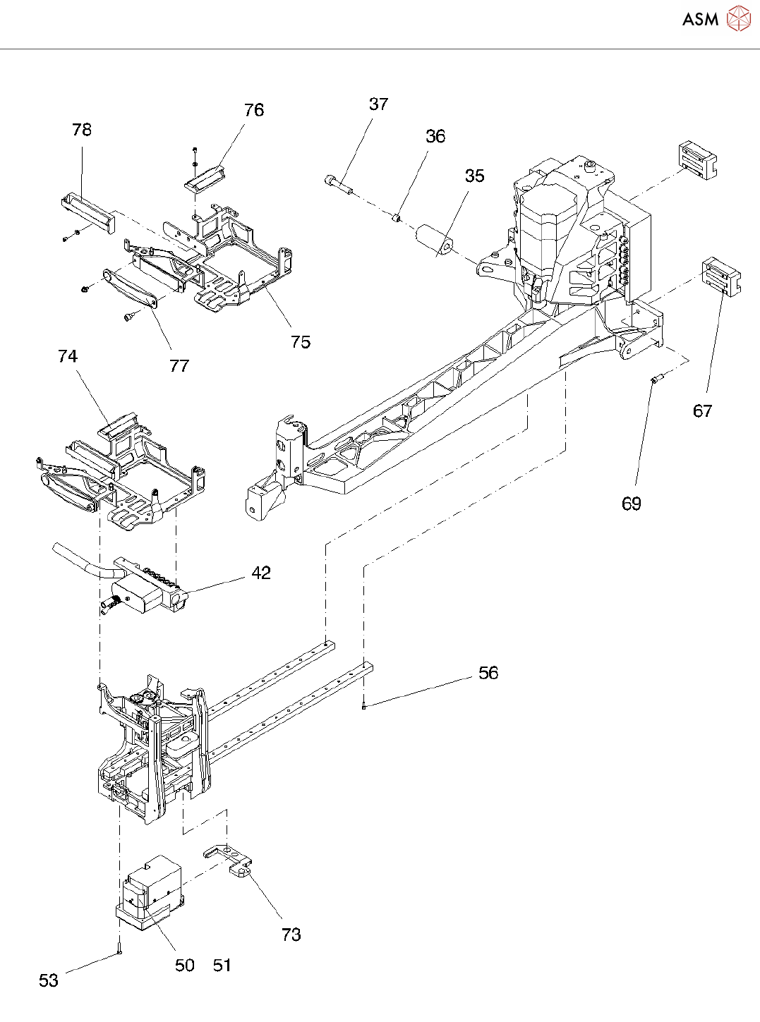
Base gantry
Page 1 / 12
24.11.2021
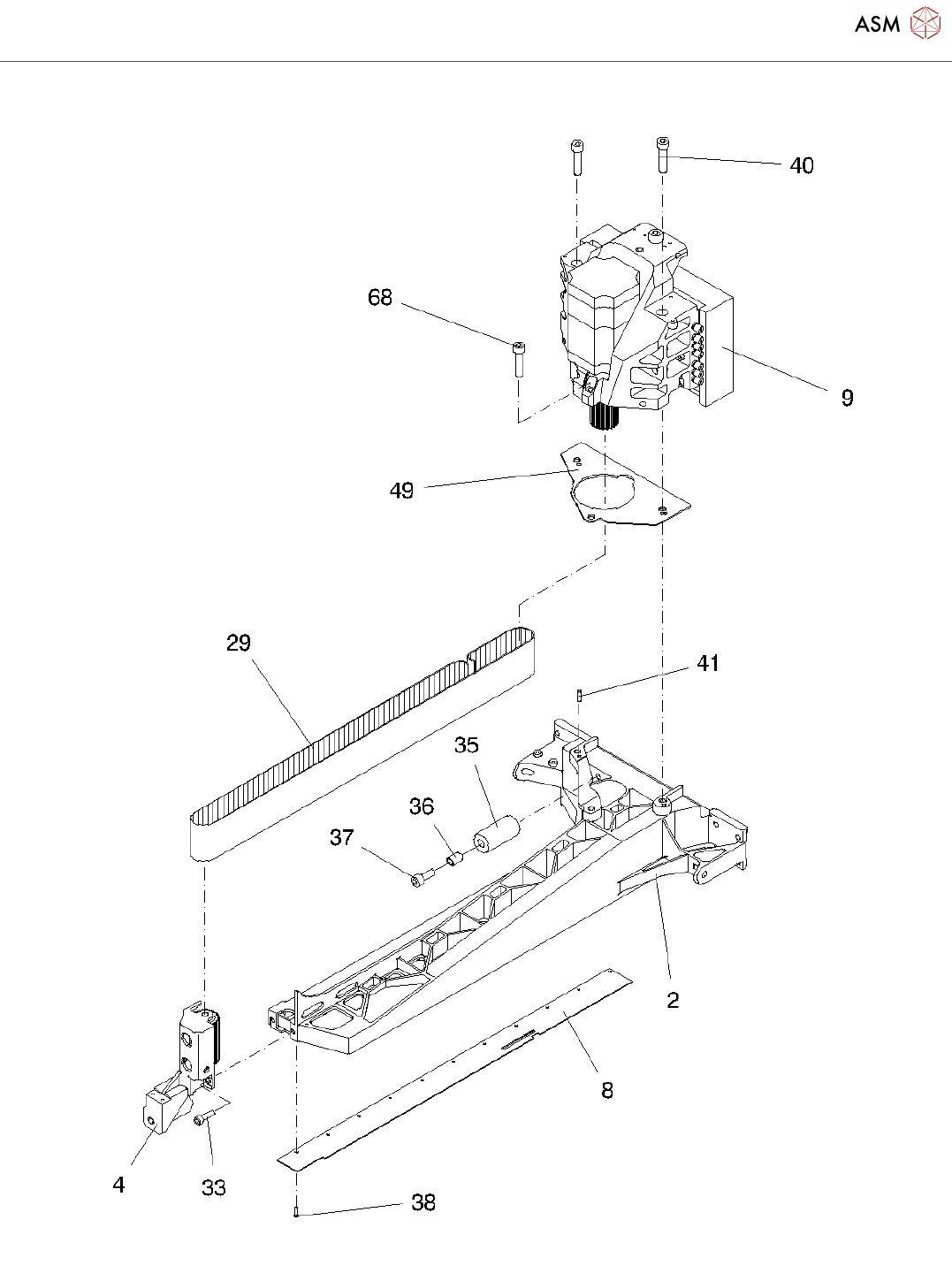
Base gantry
Page 2 / 12
24.11.2021
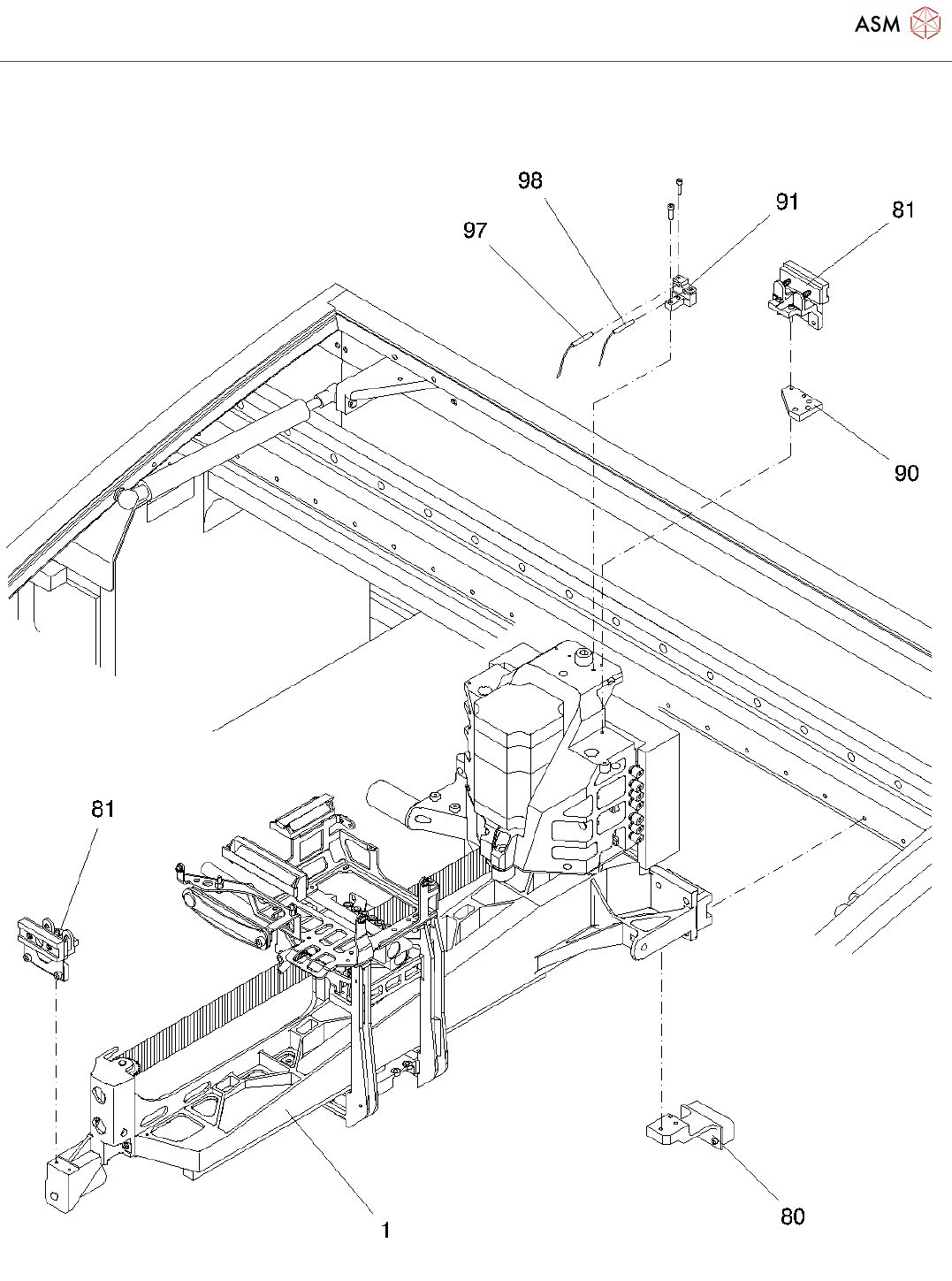
Base gantry
Page 3 / 12
24.11.2021
该页面需要启用 JavaScript 才能进行交互式预览。