DECAN_S1_TRM(Ver1.3_CS20.11) - 第161页
Page +$1:+$ 159 DECAN S1 Head IF Board (3/3) NO. P ART NO. P ART NAME Q'TY Old No. Supply Supply L T Reference 1 AM03-007500 B #N/A #N/A 2 AM03-015567A CABLE ASSY -CABLE ASSY -SW_HOME_SENSOR 1 3 AM03-015718A CABLE A…

Page
+$1:+$
158
DECAN
S1
Head IF Board (3/3)
1
2
3
4
5
6
7
8
9
10
HEAD IF BOARD HEAD IF BOARD
CN8
A1
B1
A2
B2
01
02
03
04
A1
B1
A2
B2
01
02
03
04
#2 FIDUCIAL OUTER
#2 FIDUCIAL INNER
+24V
ILL_OUT
ILL_INNER
ILL_INNER
CN9
A1
A2
B1
B2
A1
A2
B1
B2
01
02
03
HEAD SW HOME
SENSOR
CN10
A1
A4
B4
A5
B5
A3
A6
B6
B1
B2
A2
A1
A4
B4
A5
B5
A3
A6
B6
B1
B2
A2
R5-H
R4-H
R3-H
R2-H
R1-H
CN16
01
02
03
05
06
07
08
09
10
11
01
04
12
13
14
01
02
03
05
06
07
08
09
10
11
01
04
12
13
14
01
02
03
05
06
07
08
09
10
11
01
04
12
13
14
01
02
03
05
06
07
08
09
10
11
01
04
12
13
14
VACUMM SENOSOR BD
CN1
VCC
VACCUM1
VACCUM3
VACCUM4
VACCUM5
VACCUM6
VACCUM7
VACCUM8
VACCUM9
VCC
VACCUM2
VACCUM10
GND
GND
CN17
A1
B1
A2
B2
01
02
03
04
A1
B1
A2
B2
01
02
03
04
#1 FIDUCIAL OUTER
#1 FIDUCIAL INNER
+24V
ILL_OUT
ILL_INNER
ILL_INNER
SM471C_HD008
CN11
A1
A2
A3
A5
A6
B1
B2
B3
B4
B5
A4
CN12
CN13
A1
B1
A2
B2
A1
B1
A2
B2
01
02
HEAD OVERBLOW SOL
+24V
OVER_BLOW
SM471_HD009
A1
B1
A2
B2
A3
B3
A4
B4
A5
B5
CN14
A6
A6
A7
B7
A8
B8
A9
B9
A10
B10
A1
B1
A2
B2
A3
B3
A4
B4
A5
B5
A6
A6
A7
B7
A8
B8
A9
B9
A10
B10
+24V
+24V
+24V
+24V
+24V
+24V
+24V
+24V
+24V
+24V
H10-BLOW
H9-BLOW
H8-BLOW
H7-BLOW
H6-BLOW
H5-BLOW
H4-BLOW
H3-BLOW
H2-BLOW
H1-BLOW
A1
B1
A2
B2
A3
B3
A4
B4
A5
B5
CN15
A6
A6
A7
B7
A8
B8
A9
B9
A10
B10
A1
B1
A2
B2
A3
B3
A4
B4
A5
B5
A6
A6
A7
B7
A8
B8
A9
B9
A10
B10
C
A
+24V
+24V
+24V
+24V
+24V
+24V
+24V
+24V
+24V
+24V
H10-VAC
H9-VAC
H8-VAC
H7-VAC
H6-VAC
H5-VAC
H4-VAC
H3-VAC
H2-VAC
H1-VAC
HEAD IF BOARD
A1
B1
A2
B2
A3
B3
A4
B4
A5
B5
CN20
1
2
3
4
5
6
7
8
9
10
C5_COAX+
C5_COAX-
C4_COAX+
C4_COAX-
C3_COAX+
C3_COAX-
C2_COAX+
C2_COAX-
C1_COAX+
C1_COAX-
A1
B1
A2
B2
A3
B3
A4
B4
A5
B5
+24V
SIG
+24V
SIG
+24V
SIG
+24V
SIG
+24V
SIG
C
A
C
A
C
A
C
A
C
A
C
A
C
A
C
A
C
A
C
A
C
A
C
A
C
A
C
A
C
A
C
A
C
A
C
A
C
A
+24V
SIG
GND
+24V
SIG
GND
+24V
SIG
GND
+24V
SIG
GND
+24V
SIG
GND
BN
WH
BU
BN
WH
BU
BN
WH
BU
BN
WH
BU
BN
WH
BU
FLY COAXIAL_PCB
1
2
3
4
5
6
7
8
9
10
AM03-015567A
+24V
SW-HOME
GND
SM471 HOME
SENSOR BD
B6
A1
A2
A3
A5
A6
B1
B2
B3
B4
B5
A4
B6
B4
B3
B2
B1
B5
Z10 HOME
Z9 HOME
Z8 HOME
Z7 HOME
Z6 HOME
A1
A2
A3
A5
A6
B1
B2
B3
B4
B5
A4
B6
A1
A2
A3
A5
A6
B1
B2
B3
B4
B5
A4
B6
A4
A5
A6
B6
A3
Z5 HOME
Z4 HOME
Z3 HOME
Z2 HOME
Z1 HOME
A1
24V
GND
A2
AM03-005587C
SM481_HD005
SM481_HD006
SM481C_HD007
SM481_HD010-1
SM481_HD010-2
SM481_HD010-11
SM481_HD004
AM03-007500B
AM03-015718A
SM47C_HD003
AM03-015112A
c
AM03-007495C
AM03-007503A
AM03-007501A
AM03-007502B

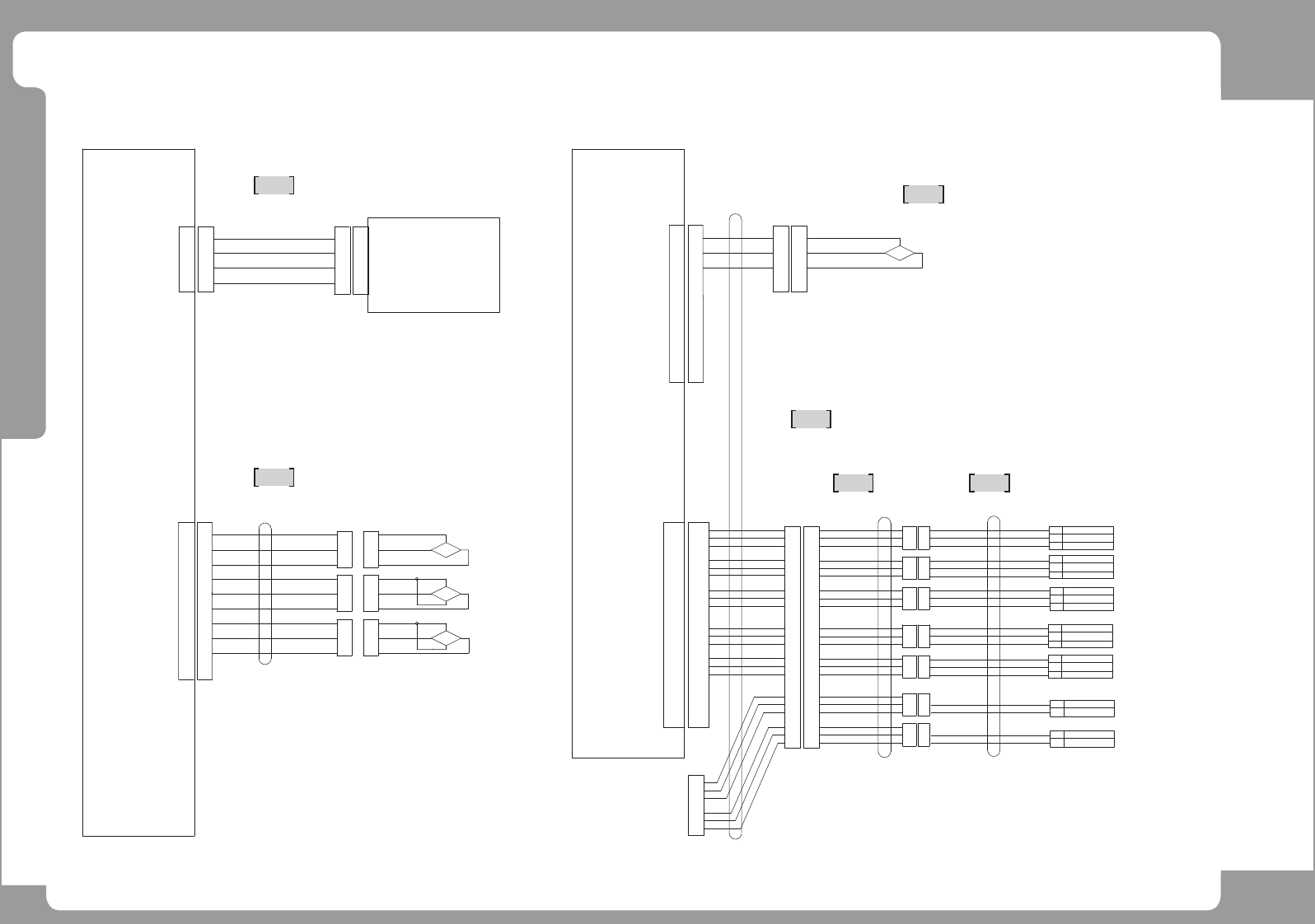
Page
+$1:+$
159
DECAN
S1
Head IF Board (3/3)
NO. PART NO. PART NAME Q'TY Old No. Supply Supply LT Reference
1 AM03-007500B #N/A #N/A
2 AM03-015567A CABLE ASSY-CABLE ASSY-SW_HOME_SENSOR 1
3 AM03-015718A CABLE ASSY-CABLE ASSY-R_HOME_SENSOR 1
4 AM03-015112A CABLE ASSY-HEAD_HOME_SENSOR 1
5 AM03-005587C CABLE ASSY-HEAD_OVER_BLOW_SOL 1
6 AM03-007496B CABLE ASSY-CABLE ASSY-HEAD_BLOW_SOL 1
7 AM03-007495C CABLE ASSY-CABLE ASSY-HEAD_VACUUM_SOL 1
8 AM03-007503A CABLE ASSY-CABLE ASSY-HEAD_VAC_SENSOR 1
9 AM03-007501A #N/A #N/A
10 AM03-007502B CABLE ASSY-CABLE ASSY-FLY_COAXIAL 1

Page
+$1:+$
160
DECAN
S1
Axis Sensor Board (1/2)
1
2
3
4
5 6
CN1
AXIS SENSOR
BOARD
4
2
1
3
10
9
8
7
10
9
8
7
22
6
5
3
4
6
5
3
4
1
CN2
1
SAFETY CONTROL B/D
4
4
4
SM511_AX001
+24V
24G
24G
+24V
2
3
1
2
1
3
2
3
1
CN23
2
(SENSOR CONN.)
BLUE
BLACK
BROWN
+24V
OUT
GND
BLUE
BLACK
BROWN
EE-1001
(SENSOR CONN.)
FY1_-LIMIT
L
2
1
3
4
+24V
OUT
GND
+24V
OUT
GND
BLACK
BLUE
BROWN
4
3
FY1_HOME
(SENSOR CONN.)
EE-1001
FY1_+LIMIT
EE-1001
1
3
4
L
1
7
9
10
8
CONVEYOR
AXIS SENSOR
BOARD
3
5
6
4
2
CN4
1
12
20
16
18
19
17
14
15
13
11
D-S1_1TCV_005
SENSOR INTERFACE
PCB IN
+24V
7
9
10
8
3
5
6
4
2
1
12
20
16
18
19
17
14
15
13
11
24G
PCB IN
+24V
24G
3
2
1
PCB WAIT
+24V
24G
PCB WORK
+24V
24G
SECOND
+24V
24G
PCB OUT
+24V
24G
3
2
1
PCB WAIT
+24V
24G
3
2
1
PCB WORK
+24V
24G
3
2
1
SECOND
+24V
24G
3
2
1
PCB OUT
+24V
24G
10 10
99
88
77
66
55
44
BLUE
BLACK
33
22
CN3
BROWN
11
1
WD_HOME
EE-1001
(SENSOR CONN.)
GND
OUT
3
4
+24V
SM421_AX104-1
2
3
1
2
3
1
3
2
1
3
2
1
3
2
1
3
2
1
3
2
1
3
2
1
3
2
1
3
2
1
3
2
1
3
2
1
BK
BN
BU
BK
BN
BU
BK
BN
BU
BK
BN
BU
BK
BN
BU
AM03-011671A
AM03-027523A
WD-HOME-EXT
AM03-015575B
A3
A2
A1
A6
A5
A4
A9
A8
A7
B2
B1
A11
B5
B4
B3
SM48_1TCV_003
PCB IN
+24V
24G
PCB WAIT
+24V
24G
PCB WORK
+24V
24G
SECOND
+24V
24G
PCB OUT
+24V
24G
AM03-024323A
P-UP
+24V
P-DN
+24V
DECAN_1TCV_009
AM03-025088A
PLACE STOPPER
UP/DOWN CYLINDER
B7
B6
3
2
3
2
24G
P-UP
24G
P-DN
B10
B9
3
2
1
3
2
1
3
2
1
3
2
1
24G
24G
B8
B11
A3
A2
A1
A6
A5
A4
A9
A8
A7
B2
B1
A11
B5
B4
B3
B7
B6
B10
B9
B8
B11
A2
A1
B2
B1
A3
B3
CV-SEN
3
2
1
3
2
1
3
2
1
3
2
1
3
2
1
3
2
1
D-S1_AX103
AM03-026634A