DECAN_S1_TRM(Ver1.3_CS20.11) - 第174页
Page +$1:+$ 172 DECAN S1 Axis IO Board (5/11) 1 2 3 4 2 1 2 1 4 2 3 1 4 2 3 1 2 1 CN1 CN1 1 SAFETY CONTROL B/D 24G 24V CN2 CN3 CB12 STEP DRIVER 1 2 3 6 4 8 9 7 CN4 1 2 3 6 4 8 9 7 1POUT+ 1POUT - 1PDIR- 2POUT+ 2PDIR+ 2PDI…

Page
+$1:+$
171
DECAN
S1
Axis IO Board (4/11)
NO. PART NO. PART NAME Q'TY Old No. Supply Supply LT Reference
1 AM03-007050B CABLE ASSY-CABLE_ASSY-CB12_BW12_CMD_AXIO 1
2 AM03-026829A CABLE ASSY-CONV_BELT_MOT 1
3 AM03-024336A CABLE ASSY-CONV_R_BELT_MOT_PW;A 1
4 AM03-010657A CABLE ASSY-CONV-BELT-STEP-POWER 1

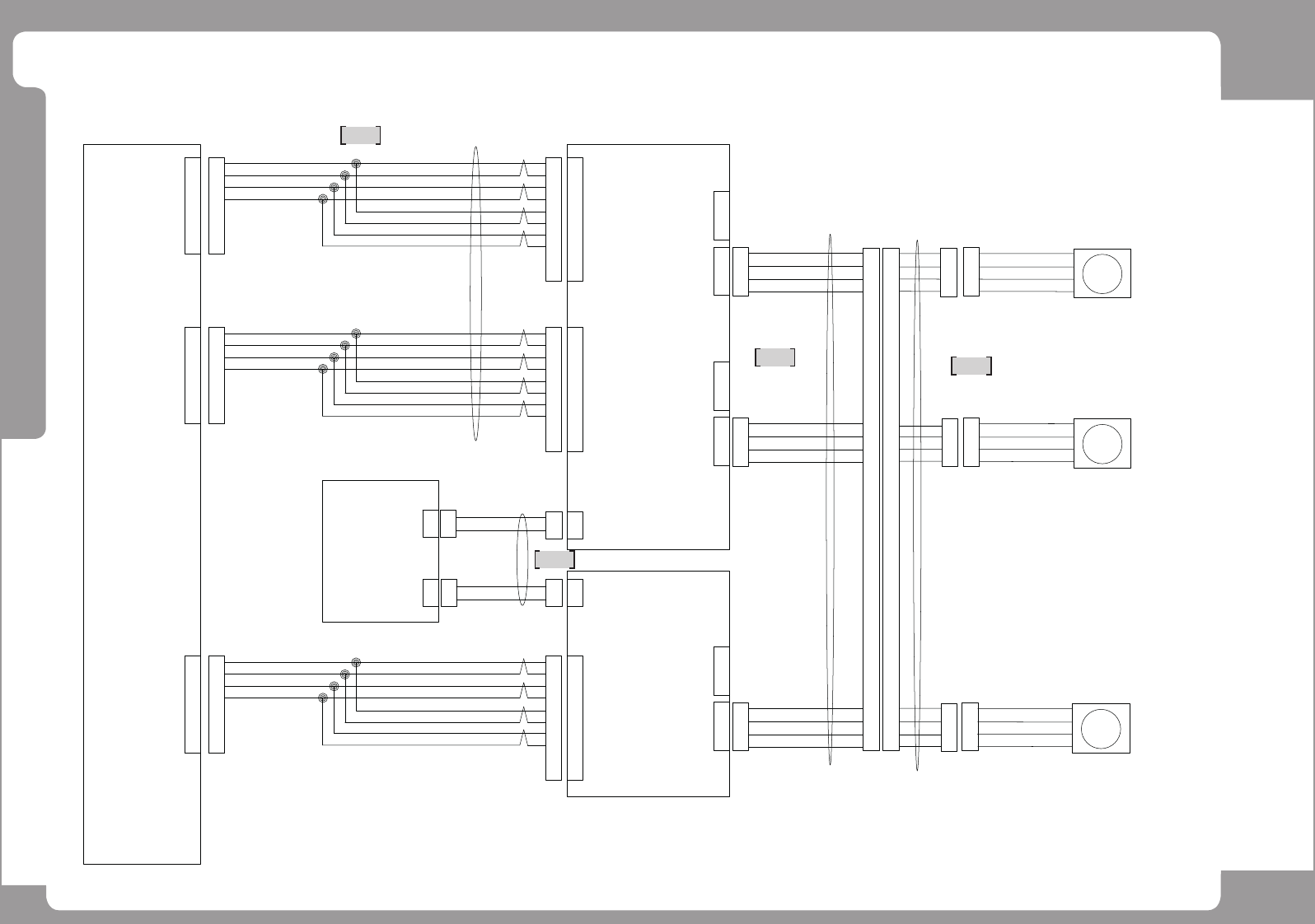
Page
+$1:+$
172
DECAN
S1
Axis IO Board (5/11)
1
2
3
4
2
1
2
1
4
2
3
1
4
2
3
1
2
1
CN1
CN11
SAFETY CONTROL
B/D
24G
24V
CN2
CN3
CB12 STEP DRIVER
1
2
3
6
4
8
9
7
CN4
1
2
3
6
4
8
9
7
1POUT+
1POUT-
1PDIR-
2POUT+
2PDIR+
2PDIR-
2POUT-
1PDIR+
10
5
1
3
7
9
30
4
2
3
1
4
2
3
1
CN2
CN3
WB12 STEP DRIVER
1
2
3
6
4
9
8
7
CN4
1
2
3
6
4
9
8
7
10
5
CN15
2
1
4
2
3
1
4
2
3
1
2
1
CN12
CN2
CN3
CB34 STEP DRIVER
1
2
3
6
4
8
9
7
CN4
1
2
3
6
4
8
9
7
10
5
CN16
CN3
SM41_SC012
1
3
7
9
30
1POUT+
1POUT-
1PDIR-
2POUT+
2PDIR+
2PDIR-
2POUT-
1PDIR+
1
3
7
9
30
1
3
7
9
30
1POUT+
1POUT-
1PDIR-
2POUT+
2PDIR+
2PDIR-
2POUT-
1PDIR+
1
3
7
9
30
1
3
7
9
30
AXIO BD #1
BOARD
AM03-010657A
2
1
2
1
24G
24V
2
1
CN1
1
4
3
6
B/
B
A/
A
A4
A2
A3
A1
B/
B
A/
A
4
2
3
1
CB1 STEP MOTOR
EP08-900073
B/
B
A/
A
B6
B4
B5
B3
B/
B
A/
A
4
2
3
1
1
4
3
6
1
4
3
6
1
4
3
6
D-S1_1TCV_004
SM48_1TCV_002
A4
A2
A3
A1
B6
B4
B5
B3
CB3 STEP MOTOR
EP08-900073
B/
B
A/
A
B/
B
A/
A
4
2
3
1
WB1 STEP MOTOR
EP08-900073
1
4
3
6
1
4
3
6
B2
A6
B1
A5
B2
A6
B1
A5
AM03-026829A
AM03-024336A
SM481_VM008
SM481_VM009
AM03-007050B

Page
+$1:+$
173
DECAN
S1
Axis IO Board (5/11)
NO. PART NO. PART NAME Q'TY Old No. Supply Supply LT Reference
1 AM03-007050B CABLE ASSY-CABLE_ASSY-CB12_BW12_CMD_AXIO 1
2 AM03-026829A CABLE ASSY-CONV_BELT_MOT 1
3 AM03-024336A CABLE ASSY-CONV_R_BELT_MOT_PW;A 1
4 AM03-010657A CABLE ASSY-CONV-BELT-STEP-POWER 1