DECAN_S1_TRM(Ver1.3_CS20.11) - 第94页
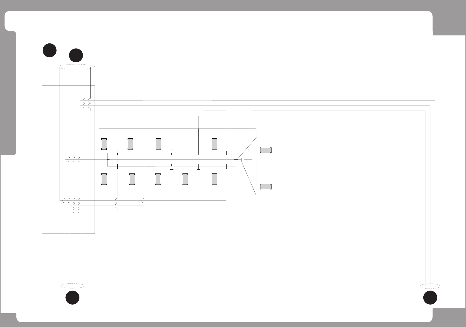
Page +$1:+$ 92 DECAN S1 Air (3/6) B HP09-000007 KM1 1-08-12-10 V ACUUM PUMP (AIR OPTION) MAIN MANIFOLD ASS'Y ST ANDARD AIR ASSY LEFT CABLE DUCT ASSY HP06-000226 FITTING KQ2R10-12 FC14-900641 PLUG KQ2P-10 FC14-900644…

Page
+$1:+$
91
DECAN
S1
Air (2/6)
NO. PART NO. PART NAME Q'TY Old No. Supply Supply LT Reference
1 AM03-010745A FILTER_ASSY 1
2 HP04-000179 MIST SEPERATOR 1
3 HP04-000178 FILTER 1
4 HP06-900211 FITTING 1
5 HP06-900187 FITTING 1
6 HP06-900014 FITTING 1
7 HP06-900018 FITTING 1
8 FC14-900724 PLUG 1
9 HP14-900026 SOLENOID VALVE 1
10 HP14-900092 CHECK VALVE 1
11 HP06-900271 UNION Y FITTING 1
12 HP09-900163 SILENCER 1
13 HP14-900026 SOLENOID VALVE 1
14 HP06-900048 ELBOW FITTING 1
15 HP06-900027 FITTING 1
16 HP06-900293 ELBOW FITTING 1
17 HP06-900299 COUPLER 1
18 J9057172B DOCKING BLOCK ASSY(RIGHT) 1
19 HP06-900300 PLUG 1
20 J9057180A DOCKING CART ASSY 1
21 HP14-900090 SPEED CON 1
22 HP06-900027 FITTING 1
23 J9057168B DOCKING BLOCK ASSY(LEFT) 1
24 HP14-900089 SPEED CON 1
25 HP06-900018 FITTING 1

Page
+$1:+$
92
DECAN
S1
Air (3/6)
B
HP09-000007
KM11-08-12-10
VACUUM PUMP (AIR OPTION)
MAIN MANIFOLD ASS'Y
STANDARD AIR ASSY
LEFT CABLE DUCT ASSY
HP06-000226
FITTING KQ2R10-12
FC14-900641
PLUG KQ2P-10
FC14-900644
PLUG KQ2P-08
FC14-900644
PLUG KQ2P-08
FC14-900644
PLUG KQ2P-08
FC14-900644
PLUG KQ2P-08
FC14-900644
PLUG KQ2P-08
HP06-900282
KQ2R06-08
HP06-900282
KQ2R06-08
HP06-900282
KQ2R06-08
HP06-900282
KQ2R06-08
U2-4-10*6.5, BLACK
U2-4-4*2.5, BLACK
U2-4-12*8, BLACK
U2-4-8*5, BLACK
U2-4-6*4, BLACK
U2-4-6*4, BALCK
U2-4-6*4, BLACK
U2-4-6*4, BLACK
1
1
3
4
1
1
2
2
2
2
2
B-A
B-C B-C

Page
+$1:+$
93
DECAN
S1
Air (3/6)
NO. PART NO. PART NAME Q'TY Old No. Supply Supply LT Reference