DECAN_S1_TRM(Ver1.3_CS20.11) - 第97页
Page +$1:+$ 95 DECAN S1 Air (4/6) NO. P ART NO. P ART NAME Q'TY Old No. Supply Supply L T Reference 1 HP09-000150 COMPONENTS,ELECTRIC 1 2 HP06-900056 FITTING 1 3 HP06-900026 ELBOW FITTING 1 4 HP06-000278 FITTING 1 5…

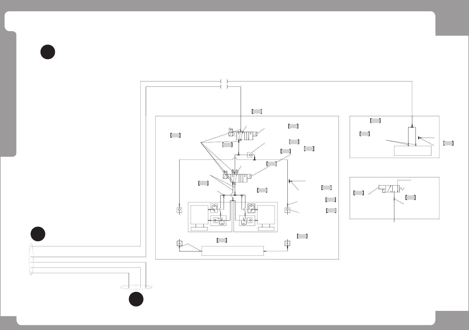
Page
+$1:+$
94
DECAN
S1
Air (4/6)
C
Initial vacuum arrival pressure : Below -93.3 kPa
Replacement standard : -87 kPa
VACUUM PUMP (OPTION)
FRONT AIR PANEL ASS'Y
VACUUM GENERATOR (AIR OPTION)
'a'
'b'
HP11-001019
VACUUM PUMP
KHB200A-304A-G1
HP06-900104
FITTING
KQ2L06-02S
U2-4-6*4(YELLOW)
HP06-900043
FITTING
KQ2F04-01
TE07-900096
ANALOG GAUGE (VACUUM)
GZ46-K-01-C1
HP09-001019
REGULATOR
ARP20-02BG-CJSZ1406
HP04-001016
AIR FILTER
AC30-03D-CJSZ2045
U2-4-12*8 U2-4-12*8
HP09-000150
DIGITAL GAUGE
SPABT-P10-R18-2N-K1-SA
U2-4-4*2.5
HP06-900255
FITTING
KQ2H04-M5
HP11-000074
INJECTOR-P5010.00.AJ.01. (PI48-3)
HP06-000277
KQ2L12-04S
HP06-900041
KQ2L04-01S
'a'
'b'
HP14-000978
SOLENOID VALVE
VUVG_L18_M52
3-DIN908-G1/4
2-QSL-E-1/4-10
VUVG-L18-M52-RT-G14-1H2L
U2-4-6*4, BLACK
U2-4-6*4, YELLOW
U2-4-4*2.5, BLACK
U2-4-12*8, BLACK
U2-4-10*6.5, BALCK
VACUUM GENERATOR (OPTION)
U2-4-10*6.5, BACLK
U2-4-12*8, BACLK
U2-4-4*2.5, BALCK
HP06-00032 4
FITTING
KQ2L
12 -02
AS
HP06-000235
FITTING
KQ2
U12
-00
HP06-900046
FITTING
KQ2
R04
-08
HP06-000234
FITTING
KQ2R08
-12
C-B
C-B
1
2
3
4
5
7
8
9
10
11
12
13
14
15
16
6
00032

Page
+$1:+$
95
DECAN
S1
Air (4/6)
NO. PART NO. PART NAME Q'TY Old No. Supply Supply LT Reference
1 HP09-000150 COMPONENTS,ELECTRIC 1
2 HP06-900056 FITTING 1
3 HP06-900026 ELBOW FITTING 1
4 HP06-000278 FITTING 1
5 HP06-900043 FITTING 1
6 TE07-900096 METER 1
7 HP09-900112 REGULATOR 1
8 HP06-900026 ELBOW FITTING 1
9 HP06-900195 UNION_Y_FITTING 1
10 HP09-900123 REGULATOR 1
11 HP06-900271 UNION Y FITTING 1
12 HP06-900027 FITTING 1

Page
+$1:+$
96
DECAN
S1
Air (5/6)
D
Feeder Base (DC)
4-HP06-900018
KQ2U06-00
REAR
DOCKING CART ASS'Y (OPTION)
2-HP03-900011
AIR CYLINDER(SMC)
FRONT
FEEDER BASE ASS'Y (STANDARD)
Feeder Base
U2-4-6*4
4-HP06-900027
KQ2L04-M5
U2-4-4*2.5
2-HP06-900300
KS-4-M5-SA34698KR
U2-4-4*2.5
U2-4-4*2.5
5-HP06-900014
KQ2L06-01
U2-4-4*2.5
2-HP06-900299
KD-M5-SA34697KR
2-HP06-900047
KQ2L04-M5
HP14-900026
K180-4E1-21-DC24V
HP14-900026
K180-4E1-21-DC24V
HP14-900092
AKH06-00
2-HP09-900162
AN101-01
HP06-900018
KQ2U06-00
HP06-900050
SQU04-06-W
3-FC14-900724
PT 1/8
U2-4-6*4
U2-4-4*2.5
HP06-900050
SQU04-06-W
U2-4-4*2.5
2-HP06-900027
KQ2L04-M5
BLOW DUMP
BLOW DUMP
BLOW DUMP
'c'
'c
'
'
d
'
'
d
'
'
c
'
'd
'
U2-4-6*4, BLACK
U2-4-6*4, YELLOW
U2-4-12*8, BLACK
U2-4-6*4, BALCK
U2-4-6*4, BLACK
Air Shower
'e'
'
e
'
'
e'
HP06-001071
FITTING
M-5ALHU-4
HP06-900054
FITTING
KQ2U04 - 00
HP06-900054
FITTING
KQ2
U04
-00
HP14-900036
SOLENOID VALVE
[V114A-5MOU]
D-A
D-E
5
1
2
3
4
2
7
10
11
12
9
8
13
14
18
16
15
17
19
6