SI-E1000_PL_805 - 第74页
5-7-1 5-7 バックアップ Bac kup 1 1 2 3 4 3 38 10 13 15 16 17 19 21 33 36 37 21 21 21 23 25 25 25 25 24 24 5 5 8 27 9 27 26 28 14 11 27 28 27 26 26 20 18 18 18 20 18 18 20 20 18 26 8 9 22 12 29 30 30 29 35 26 32 31 34 6 6 7 6 6…

5-6-4
51 7-683-481-54
六角穴付きボルト
HEX SOCKET HEAD CAP SCREW
4
C2.5*12
52 X-4700-406-1
基準ピン Ass'y
REFERENCE PIN Ass'y
1
Reference side
53 X-4700-407-1
基準ピン Ass'y
REFERENCE PIN Ass'y
1
Slave side
54 4-721-615-01
キャップ
CAP
1
EA-1017
5-6
基板ストッパー ( 右→左)
Board Stopper(Right → Left)
イラスト番号
Ref.No.
部品コード
Parts Code
部品名
Parts Name
Serial
No.
個数
Qty
備考
Remarks
同期
Repl.

5-7-1
5-7
バックアップ
Backup
1
1
2
3
4
3
38
10
13
15
16
17
19
21
33
36
37
21
21
21
23
25
25
25
25
24
24
5
5
8
27
9
27
26
28
14
11
27
28
27
26
26
20
18
18
18
20
18
18
20
20
18
26
8
9
22
12
29
30
30
29
35
26
32
31
34
6
6
7
6
6
7
a
Old
3
4
8
6
a
New
b
Old
3
38
8
6
b
New

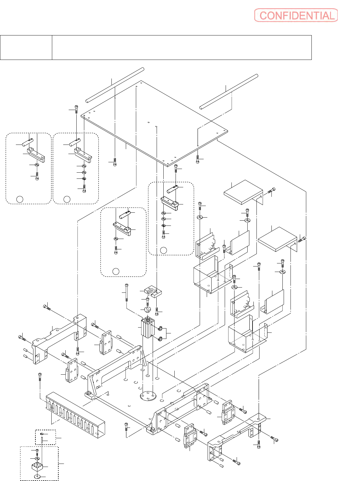
5-7-2
5-7
バックアップ
Backup
イラスト番号
Ref.No.
部品コード
Parts Code
部品名
Parts Name
Serial
No.
個数
Qty
備考
Remarks
同期
Repl.
1 4-720-004-01
ストッパ
STOPPER
2
Old, PWB DIMENSIONS L SPECIFICATION
(460mm*360mm), EA-1081 0
1 4-720-004-02
ストッパ
STOPPER
2
New, PWB DIMENSIONS L SPECIFICATION
(460mm*360mm), EA-10811
1 4-720-335-01
ストッパ
STOPPER
2
Old, PWB DIMENSIONS M SPECIFICATION
(330mm*250mm), EA-1081 0
1 4-720-335-02
ストッパ
STOPPER
2
New, PWB DIMENSIONS M SPECIFICATION
(330mm*250mm), EA-10811
2 4-720-005-02
バックアッププレート
BACKUP PLATE
1
PWB DIMENSIONS L SPECOFICATION
(460mm*360mm), EA-9014
2 4-720-336-01
バックアッププレート
BACKUP PLATE
1
PWB DIMENSIONS M SPECIFICATION
(330mm*250mm)
3 4-720-219-01
ストッパ
STOPPER
2
Old, EA-1081 0
3 4-720-219-02
ストッパ
STOPPER
2
New, EA-10811
4 4-720-220-02
アングル
ANGLE
1
Old, EA-1081 0
4 4-721-564-01
アングル
ANGLE
1
New, EA-10811
5 7-683-422-04
六角穴付きボルト
HEX SOCKET HEAD CAP SCREW
4
C4*14
6 7-688-004-01
ワッシャ
WASHER
8
Old, W4, SMALL, EA-1081 0
6 7-688-004-01
ワッシャ
WASHER
4
New, W4, SMALL, EA-10811
7 7-623-210-22
スプリングワッシャ
SPRING LOCK WASHER
4
Old, SW4, TYPE 2, EA-1081 0
8 7-683-429-04
六角穴付きボルト
HEX SOCKET HEAD CAP SCREW
4
Old, C4*30, EA-1081 0
8 7-683-421-04
六角穴付きボルト
HEX SOCKET HEAD CAP SCREW
4
New, C4*12, EA-10811
9 7-683-405-04
六角穴付きボルト
HEX SOCKET HEAD CAP SCREW
6
C3*10
10 4-720-007-01
ブロック
BLOCK
1
11 7-683-436-04
六角穴付きボルト
HEX SOCKET HEAD CAP SCREW
2
C5*12
12 7-683-454-04
六角穴付きボルト
HEX SOCKET HEAD CAP SCREW
1
C6*14, EA-9139
13 4-720-006-02
シリンダピン
CYLINDER PIN
1
EA-9139
14 4-701-099-21
六角穴付きボルト
HEX SOCKET HEAD CAP SCREW
4
C5*70
15 1-454-936-12
シリンダ
CYLINDER
1
CDQSB25-35D-F9NV, SMC, EA-2014
16 4-708-141-11
L 型継ぎ手
UNION ELBOW
2
KJL06-M5, SMC
17 X-4700-387-2
バックアップベース Ass'y
BACKUP BASE Ass'y
1
PWB DIMENSIONS L SPECIFICATION
(460mm*360mm), EA-2023
17 X-4700-403-2
バックアップベース Ass'y
BACKUP BASE Ass'y
1
PWB DIMENSIONS M SPECIFICATION
(330mm*250mm), EA-2023