YSM40R-000_cwd_je - 第4页
Confidential & Proprietary P A GE XB11 Terminal Main Switch QS11 40A Main Breaker QF11 40A POWER TRANSFORM ER Transformer TERMINAL TM11 Circuit Protector QF31 set10A NF11 Filter SENSOR,VALVE SENSOR BATTERY SENSOR,VAL…
Table of contents
/目次
YSM 40R
P. 1 Overview/全体接続図
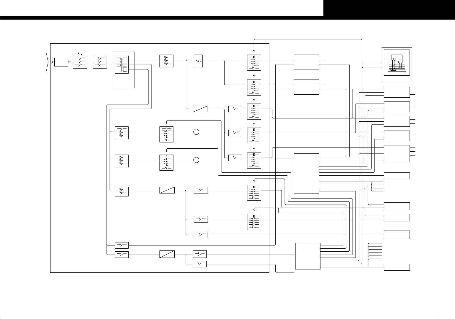
P. 2 Powercircuit-1-/電源回路図-1-
P. 3 Powercircuit-2-/電源回路図-2-
P.4 Emergencycircuit-1-/非常停止回路図-1-
P. 5 Emergencycircuit-2- /非常停止回路図 -2-
P. 6 SystemC/R&ConveyorC/R /システムC/R&コンベア C/R接続図
P. 7 ServoC/R /サーボC/R接続図
P. 8 I/Oconveyor-1-/I/Oコンベアー接続図-1-
P. 9 I/Oconveyor-2-/I/Oコンベアー接続図-2-
P.10 I/Oconveyor-3-/I/Oコンベアー接続図-3-
P.11 SafetyUnit/安全ユニット
P.12 Head-1-/ヘッド-1-
P.13 Head-2-/ヘッド-2-
P.14 RSHead/RS ヘッド
P.15 MUHead/MU ヘッド
P.16 TableA/Ccameraunitsel/ テーブル A/C カメラユニット接続図
P.17 TableB/Dcameraunitsel/ テーブル B/D カメラユニット接続図
P.18 FES46FeederStructure/ 46連台車フィーダー接続図
P.19 Ionizerassyoption/イオナイザーオプション
P.20 Powertransformerterminal/電源トランス接続図
P.21 Aircircuit/ エアー回路図
P.25Wiringpartslist /配線部品表
Condential & Proprietary

Confidential & Proprietary
PAGE
XB11
Terminal
Main Switch
QS11 40A
Main Breaker
QF11 40A
POWER TRANSFORMER
Transformer
TERMINAL
TM11
Circuit
Protector
QF31 set10A NF11
Filter
SENSOR,VALVE
SENSOR
BATTERY
SENSOR,VALVE
SENSOR,VALVE
SENSOR,VALVE
Noise
CONVEYOR CONTROLLER
(6-10A)
380/400/416V
200/208/220/240
3∼ 50/60Hz
Rating 13.9KVA MAX
3∼ 7KVA
1∼ 2KVA
Power Supply
GS31 600W 12.5A
Contactor
Contactor
Contactor
Contactor
Contactor
Contactor
Contactor
Each Motor
Each Motor
Each Motor
Each Motor
Each Motor
Protector
QF32 set2.5A
Circuit
Circuit
Protector
QF33 set2.5A
(2.5-4A)
(2.5-4A)
LAN
LAN
LAN
LAN
KM11/KM11A
KM13/KM13A
KM12/KM12A
KM14/KM14A
KM15/KM15A
KM31
KM32
DC48V
DC24V
DC48V
DC24V
DC48V
DC24V
DC48V
DC24V
DC48V
QF52 5A
QF51 5A
QF53 3A
See Page 20
RS HEAD See Page 14
MU HEAD See Page 15
MU HEAD See Page 15
RS HEAD See Page 14
RS HEAD See Page 14
MU HEAD See Page 15
MU HEAD See Page 15
RS HEAD See Page 14
FES46
COM
DC24V
See Page 18
POWER CIRCUIT
See Page 2,3
FRONT FEEDER STRUCTURE
HEAD A
HEAD B
HEAD C
HEAD D
VACUUM
PUMP
400W
M19
VACUUM
PUMP
400W
M20
K3 K4
Control
Circuit
K1 K2 Off Delay
Timer
Safety Relay
KM10
See Page 4-5
EMERGENCY CIRCUIT
PARTS CAMERA UNIT SEL.
See Page 16,17
See Page 6
LAN
LAN
DC24V
TOUCH LCD
INPUT:
MOTOR :3∼ 230V
SERVO CONTROL BOX 2
LAN
CONTROL:1∼ 110V
A03See Page 7
OUTPUT :3∼ 200V
INPUT:
MOTOR :3∼ 230V
SERVO CONTROL BOX 1
LAN
CONTROL:1∼ 110V
A02See Page 7
OUTPUT :3∼ 200V
INPUT:
CONTROL:1∼ 110V
SYSTEM CONTROL BOX
LAN
LAN
LAN
LAN
LAN
LAN
A01See Page 6
COM
COM
COM
Each Motors
Each Motors
USB MEMORY
USB KEYBOARD(OPTION)
BARCODE READER(OPTION)
Contactor
Power Supply
GS22 600W 25A
Circuit
Protector
QF34 3A
KM16/KM16A
QF43 7A
FAN MOTOR POWER
IONIZER ASSY(OPTION)
See Page 19
SIGNAL TOWER
QF21 7A
Power Supply
GS21 600W 27A QF41 20AQF22 7A
QF42 3A
CN1-CN19 …Page 8
COM
CN20-CN30 …Page 9
CN31-CN45 …Page 10
I/O CONVEYOR BOARD
COVER S/W
EMG S/W
FAN
VALVE
SENSOR
DIP ST.(OPTION)
FDR SET ST.(OPTION)
See Page 10
FES46
Contactor
COM
KM17/KM17A
DC24V See Page 18
QF44 7A
REAR FEEDER STRUCTURE
QF45 3A
CC.V1
1
OVER VIEW
YSM40R-4

Confidential & Proprietary
PAGE
V10
U10
J0031
U10
V10
W50
V50
U50
J0003
U50
V50
W50
U60
V60
W60
U11A
U11A
V10
V10
J0004
U51
V51
W51
U51
W51
MAX690V/40A
L2
L3
L1
T3
T2
T1
・On the cover under the front center the right side.
・On the cover under the front right side.
・On the cover under the front left side.
・On the cover under the rear center.
・On the cover under the front center.
・On the cover under the rear left side.
*The charge mark is put on the place
that might be gotten an electric shock.
・Lower of INCOMING SUPPLY TERMINAL BLOCKS XB11.
・Around J0001 harness.
・Near the MAIN SW QS11.
・Between INCOMING SUPPLY TERMINAL BLOCKS XB11 and MAIN SW QS11.
Residual risk
when MAIN SW QS11 is OFF.
High Voltage
*
・Secondary side of UPS.
and MAIN SW QS11.
!
See Page 3
GS21
POWER CIRCUIT -2-
QF31 (6-10A)
J0657
J0032
J0034
U11B
V10
XT21
J0033
V10
V10
QF22 7A
QF21 7A
set 10A
J0654
J0653
J0652
T2
E37
2TURN
E36
2TURN
2TURN
E35 E01
Icu≧7.5kA(AC440V)
T1
S1
R1
QS11
MAIN SWITCH
BRACKET
J0001
MAX690V/40A
J0001
T1
S1
R1
NOTE:
QF11
L1
L2
L3
T2
T3
T1 R2
T2
S2
L3
L2
L1
3Φ 212V/230V 7KVA
TM11
1Φ 110V 2KVA
W
V
U
230V
230V
230V
0V
190V
200V
208V
220V
240V
0V
190V
200V
208V
220V
240V240V
220V
208V
200V
190V
0V
240V
220V
208V
200V
190V
0V
240V
220V
208V
200V
190V
0V
240V
220V
208V
200V
190V
0V
N
0V
0V
110V
110V
212V
212V
212V
R2
S2
XB11
J0002
J0651
L3
L2
L3
L2
L1
L1
PE
PE
V60
J0009
U60
W60
QF32 (2.5-4A)
U61
V61
W61
W60
U60
V60
set 2.5A
3/L2 4/T2
6/T3
2/T11/L1
5/L3
MAX690V/12A
KM31
U61
V61
W61
U62
V62
W62
See Page 3
GS31
POWER CIRCUIT -2-
W60
QF33 (2.5-4A)
U60
W60
U60
V60
J0010
set 2.5A
W65W60 See Page 3
GS22
POWER CIRCUIT -2-
U60 U65
J0011
QF34 3A
U63
V63
W63
3/L2 4/T2
6/T3
2/T11/L1
5/L3
MAX690V/12A
KM32
U63
V63
W63
U64
V64
W64
V53
U53
W53
V51
U51
W51
J0655
E
6 3
25
4 1
MAX500V/20A
NF11
J0005
PUMP1
33
22
1 1
M19
400W
PUMP
VACUUM
VACUUM PUMP 1
PUMP1
33
22
1 1
PUMP2
33
22
1 1
M20
PUMP2
VACUUM PUMP 2
400W
PUMP
VACUUM
33
22
1 1
W55
U55
V55
W53
U53
V53
V53
U53
W53
See Page 4-5
3/L2 4/T2
5/L3
1/L1 2/T1
6/T3
MAX690V/12A
KM11
EMERGENCY CIRCUIT
J0007
See Page 4-5
3/L2 4/T2
6/T3
2/T11/L1
5/L3
MAX690V/12A
U57
W57W53
U53
V57V53
EMERGENCY CIRCUIT
KM13
J0036
J0035
J0012 J0013 J0014
J0015 J0016 J0017
J0018
J0019
J0020
J0021
J0022
J0023
J0024
J0025
J0026
J0027
J0028
SAFETY UNIT
See Page 11
See Page 11
SAFETY UNIT
See Page 20
J0006
J0008J0008
S1 AC230V
3
2
1
1
2
3
S1 AC100V
See Page 7
SERVO CONTROL BOX1
AC100V:
CONTROL
AC230V:
MOTOR
DRIVE
POWER
S2 AC230V
2
1
3
1
2
3
S2 AC100V
See Page 7
AC100V:
CONTROL
SERVO CONTROL BOX2
AC230V:
MOTOR
DRIVE
POWER
A02
A03
1
2
3
SYS AC100V
SYSTEM CONTROL BOX
AC100V:
CONTROL
A01
A1
IF RAS RAS
A7
B7
A8
B8
・
E38
1TURN
1TURN
E39
FRONT
LCD1
LCD2
REAR
TOUCH PANEL MONITOR
LCD1
LCD2
B10
・
J0207
See Page 6
Note : *1(Auxiliary contact) is attached to the QS11.
At the UPS specification(OPTION)
UPS SIGJ0911
UPS ASSY GB1
IF RAS
SYSTEM C/R
See Page 6
33 34
41 42 4241
QS11A *1
UPS RMT
UPS SIGNAL
XT21
QF21
UPS OUT
UPS OUT
J0914
UPS IN
U10A
V10A
J0913
U10B
V10B
U10B
V10B
TM11
0V
0V
110V
110V
UPS IN
QF61 15A
J0031
J0912
J0207
MAX1000V/75A
U10
V10
≧AWG7
(10sq)
MAX660V/38A
CC.V1
2
POWER CIRCUIT -1-
YSM40R-4