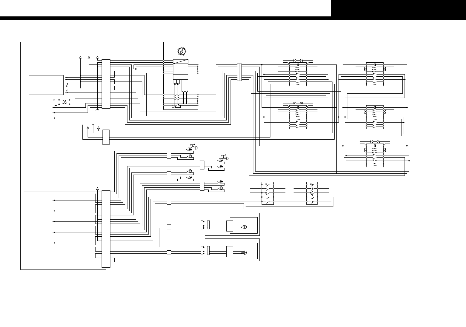
YSM40R-000_cwd_je - 第6页
Confidential & P roprietary P A GE +48V QF51 5A +48V +48VA See Page 4- 5 MAX690V/12A EMERGE NCY CIRC UIT KM12 5/L3 3/L2 1/L1 2/ T1 4/T2 6/T3 +48VA +48VA1 1 2 ・ 6 HA+48V 1 2 ・ 6 J0066 J0061 GS31 0V48 J0065 J0658 0V48 …

Confidential & Proprietary
PAGE
V10
U10
J0031
U10
V10
W50
V50
U50
J0003
U50
V50
W50
U60
V60
W60
U11A
U11A
V10
V10
J0004
U51
V51
W51
U51
W51
MAX690V/40A
L2
L3
L1
T3
T2
T1
・On the cover under the front center the right side.
・On the cover under the front right side.
・On the cover under the front left side.
・On the cover under the rear center.
・On the cover under the front center.
・On the cover under the rear left side.
*The charge mark is put on the place
that might be gotten an electric shock.
・Lower of INCOMING SUPPLY TERMINAL BLOCKS XB11.
・Around J0001 harness.
・Near the MAIN SW QS11.
・Between INCOMING SUPPLY TERMINAL BLOCKS XB11 and MAIN SW QS11.
Residual risk
when MAIN SW QS11 is OFF.
High Voltage
*
・Secondary side of UPS.
and MAIN SW QS11.
!
See Page 3
GS21
POWER CIRCUIT -2-
QF31 (6-10A)
J0657
J0032
J0034
U11B
V10
XT21
J0033
V10
V10
QF22 7A
QF21 7A
set 10A
J0654
J0653
J0652
T2
E37
2TURN
E36
2TURN
2TURN
E35 E01
Icu≧7.5kA(AC440V)
T1
S1
R1
QS11
MAIN SWITCH
BRACKET
J0001
MAX690V/40A
J0001
T1
S1
R1
NOTE:
QF11
L1
L2
L3
T2
T3
T1 R2
T2
S2
L3
L2
L1
3Φ 212V/230V 7KVA
TM11
1Φ 110V 2KVA
W
V
U
230V
230V
230V
0V
190V
200V
208V
220V
240V
0V
190V
200V
208V
220V
240V240V
220V
208V
200V
190V
0V
240V
220V
208V
200V
190V
0V
240V
220V
208V
200V
190V
0V
240V
220V
208V
200V
190V
0V
N
0V
0V
110V
110V
212V
212V
212V
R2
S2
XB11
J0002
J0651
L3
L2
L3
L2
L1
L1
PE
PE
V60
J0009
U60
W60
QF32 (2.5-4A)
U61
V61
W61
W60
U60
V60
set 2.5A
3/L2 4/T2
6/T3
2/T11/L1
5/L3
MAX690V/12A
KM31
U61
V61
W61
U62
V62
W62
See Page 3
GS31
POWER CIRCUIT -2-
W60
QF33 (2.5-4A)
U60
W60
U60
V60
J0010
set 2.5A
W65W60 See Page 3
GS22
POWER CIRCUIT -2-
U60 U65
J0011
QF34 3A
U63
V63
W63
3/L2 4/T2
6/T3
2/T11/L1
5/L3
MAX690V/12A
KM32
U63
V63
W63
U64
V64
W64
V53
U53
W53
V51
U51
W51
J0655
E
6 3
25
4 1
MAX500V/20A
NF11
J0005
PUMP1
33
22
1 1
M19
400W
PUMP
VACUUM
VACUUM PUMP 1
PUMP1
33
22
1 1
PUMP2
33
22
1 1
M20
PUMP2
VACUUM PUMP 2
400W
PUMP
VACUUM
33
22
1 1
W55
U55
V55
W53
U53
V53
V53
U53
W53
See Page 4-5
3/L2 4/T2
5/L3
1/L1 2/T1
6/T3
MAX690V/12A
KM11
EMERGENCY CIRCUIT
J0007
See Page 4-5
3/L2 4/T2
6/T3
2/T11/L1
5/L3
MAX690V/12A
U57
W57W53
U53
V57V53
EMERGENCY CIRCUIT
KM13
J0036
J0035
J0012 J0013 J0014
J0015 J0016 J0017
J0018
J0019
J0020
J0021
J0022
J0023
J0024
J0025
J0026
J0027
J0028
SAFETY UNIT
See Page 11
See Page 11
SAFETY UNIT
See Page 20
J0006
J0008J0008
S1 AC230V
3
2
1
1
2
3
S1 AC100V
See Page 7
SERVO CONTROL BOX1
AC100V:
CONTROL
AC230V:
MOTOR
DRIVE
POWER
S2 AC230V
2
1
3
1
2
3
S2 AC100V
See Page 7
AC100V:
CONTROL
SERVO CONTROL BOX2
AC230V:
MOTOR
DRIVE
POWER
A02
A03
1
2
3
SYS AC100V
SYSTEM CONTROL BOX
AC100V:
CONTROL
A01
A1
IF RAS RAS
A7
B7
A8
B8
・
E38
1TURN
1TURN
E39
FRONT
LCD1
LCD2
REAR
TOUCH PANEL MONITOR
LCD1
LCD2
B10
・
J0207
See Page 6
Note : *1(Auxiliary contact) is attached to the QS11.
At the UPS specification(OPTION)
UPS SIGJ0911
UPS ASSY GB1
IF RAS
SYSTEM C/R
See Page 6
33 34
41 42 4241
QS11A *1
UPS RMT
UPS SIGNAL
XT21
QF21
UPS OUT
UPS OUT
J0914
UPS IN
U10A
V10A
J0913
U10B
V10B
U10B
V10B
TM11
0V
0V
110V
110V
UPS IN
QF61 15A
J0031
J0912
J0207
MAX1000V/75A
U10
V10
≧AWG7
(10sq)
MAX660V/38A
CC.V1
2
POWER CIRCUIT -1-
YSM40R-4

Confidential & Proprietary
PAGE
+48V
QF51 5A
+48V +48VA
See Page 4-5
MAX690V/12A
EMERGENCY CIRCUIT
KM12
5/L3
3/L2
1/L1 2/T1
4/T2
6/T3
+48VA +48VA1
1
2
・
6
HA+48V
1
2
・
6
J0066
J0061
GS31
0V48 J0065
J0658
0V48
Peak 41.5A 10sec
600W 12.5A
U51
J0656
W51
See Page 2
QF31
POWER CIRCUIT -1-
J0028
L
N
FG
-
-
+
+
QF52 5A
+48V +48VB
See Page 4-5
MAX690V/12A
EMERGENCY CIRCUIT
5/L3
3/L2
1/L1 2/T1
4/T2
6/T3
KM14
+48VB1
1
2
・
6
HB+48V
1
2
・
6
J0067
+48VB
QF53 3A
+48V +48VC
See Page 4-5
MAX690V/12A
EMERGENCY CIRCUIT
KM15
5/L3
3/L2
1/L1 2/T1
4/T2
6/T3
+48VC1+48VC
1
2
・
6
HC+48V
1
2
・
6
J0066
HP CN2
A1
B1
・
A3
B3
See Page 12
HEAD A POW BOARD ASSY
P041
A3
B3
CN2
GND+24V
+24V
GND+48V
+48V
・
B1
A1
J0071
HP CN2
A1
B1
・
A3
B3
See Page 13
HEAD B POW BOARD ASSY
P044
A3
B3
・
B1
A1
CN2
GND+24V
+24V
GND+48V
+48V
J0072
HP CN2
A1
B1
・
A3
B3
See Page 12
HEAD C POW BOARD ASSY
P047
A3
B3
・
B1
A1
CN2
GND+24V
+24V
GND+48V
+48V
J0073
J0062
J0063
J0064
1
2
1
2
1
2
1
2
1
2
1
2
1
2
・
6
HD+48V
1
2
・
6
J0067
0V48-1
0V48-2
0V48-3
HP CN2
A1
B1
・
A3
B3
See Page 13
HEAD D POW BOARD ASSY
P050
A3
B3
・
B1
A1
CN2
GND+24V
+24V
GND+48V
+48V
J0074
CN41 CN41
2
1
2
1 1
2
CV+24V
2
1
U11B
V10
J0034
0V24A
+24VA
J0041
+24VA
L
N
FG
+
+
-
-
See Page 2
J0659
J0660
600W 27A
GS21
QF22/XT21
POWER CIRCUIT -1-
1
2
CN1 CN1
+24V
2
1
I/O CONVEYOR BOARD ASSY
+24V-42
See Page 8-10
+24V-48
+24V-47
CN44 CN44
+24V-46
+24V-45
P021
4
3
2
1
4
3
2
1
CN43CN43
4
3
2
1
4
3
2
1 1
2
HA+24V
1
2
HC+24V
1
2
1
2
HB+24V
HD+24V
2
1
2
1
2
1
2
1
0V24A
0V24A
XT41
J0056
+24VA1
0V24A
0V24A
+24VA2
QF42 3A
QF41 20A
J0045
J0046
J0047 CVP CN2
A1
B1
・
A3
B3
See Page 6
P091
A3
B3
・
B1
A1
CV C/R POW BOARD ASSY
CN2
GND+24V
+24V
GND+48V
+48V
J0068J0043
J0044
I/O CONVEYOR -1-
FAN PWR
TOP/REAR
See Page 8
+24VB
J0042
+24VB
0V24B
1
2
KM16 73
KM16 83
KM17 73
KM17 83
1
2
1
2
FDR 0V
KM16 74
KM16 84
KM17 74
KM17 84
+24VB1
0V24B
XT42
0V24B
2
1
See Page 4-5
See Page 4-5
J1102
KM17A
KM16A
73
83 84
74
EMERGENCY CIRCUIT
73
83 84
74
EMERGENCY CIRCUIT
J0049
U65
W65
See Page 2
POWER CIRCUIT -1-
J0661
GS22
QF34
0V24B
L
N
FG
-
-
+
+
J0662
Peak 83A 10sec
600W 25A
+24VB2
0V24B
0V24B
+24VB3
J0048
J0057
J0058
J0059
QF43 7A
QF44 7A
QF45 3A
P031
FDR CTRL BOARD ASSY
CN47
CN47
2
1
2
1
+24V
GND+24V
J1104
See Page 18
1
2
F FDR ST
2
1
F FDR ST BOARD ASSY(OPTION)
See Page 10
P181
CN1 CN1J1001
2
1
2
1
GND+24V
+24V
FDR CTRL BOARD ASSY
CN47
CN47
2
1
2
1
+24V
GND+24V
See Page 18
J1107 J1109
1
2 2
1
1
2 2
1
F DIP ST1
R DIP ST1
DIP.STATION(OPTION)
1
2
・
15
1
2
・
15
DIP ST
DIP ST
J0378
J0379
J0050
1
2
R FDR ST
2
1
R FDR ST BOARD ASSY(OPTION)
See Page 10
P183
CN1CN1J1007
2
1
2
1
GND+24V
+24V
2
1
2
1
R FDR PWR
F FDR PWR
PWR
11
・
10
5
4
3
2
1
PWR
11
・
10
5
4
3
2
1
PWR
11
・
10
5
4
3
2
1
PWR
11
・
10
5
4
3
2
1
FRONT FES46 FEEDER STRUCTURE
REAR FES46 FEEDER STRUCTURE
J0018
P036
U51
W51
U11B
V10
U65
W65
MAX660V/38A
MAX660V/38A
CC.V1
3
POWER CIRCUIT -2-
YSM40R-4

Confidential & Proprietary
PAGE
KM10 T32 FB6
I/O CONVEYOR BOARD ASSY P021
A1
B1
A2
B2
A3
B3
・
A5
B5
A6
B6
A7
B7
A8
B8
A9
・
B13
A14
CN38
+24V-36+24V-37+24V-38
ALL UNIT READY OUT
RL1
T01000E1
EMERGENCY
FR GOOD OUT
FR GOOD IN
F GOOD OUT
F GOOD IN
R GOOD OUT
R GOOD IN
CIRCUIT -2-
See Page 5
・
B16
A17
B17 B17
A17
B16
・
CN38
A14
B13
・
A9
B8
A8
B7
A7
B6
A6
B5
A5
・
B3
A3
B2
A2
B1
A1
N0100430
N0100431
N0100432
AC230V KM ON
DC48V KM ON
SAFETY RELAY ON
KM10 44 +24B
KM10 14 +24A
KM10 24 SRVON
KM10 43 +24V
KM10 23 +24V
KM10 13 +24V
KM10 T31 FB0
KM10T12 SAFE1
KM10T23 SAFE1
KM10T11 SAFE0
KM10 A2 0V
KM10 A1 +24V
Control
Circuit
13
23
33
43
53
61
14
24
34
44
54
Off
Delay
Timer
K1 K2
K3 K4
62
*OFF-delay time setting switch
Set time 0.5sec
DC
LOGIC
AC
A1
A2
T11
T12
KM10
B
PE
A
T21
T22
T23
T31
T32
1
2
3
4
5
6
7
KM14 54 ON22KM14 53 ON21KM13 54 KMON1
KM12 54 ON21
KM13 53 ON11
KM11 54 ON11
KM12 62 FB4
KM12 22 FB4
KM12 61 FB3
KM12 21 FB3
KM13 62 FB3
KM13 22 FB3
KM13 61 FB2
KM13 21 FB2
21 22
73 74
83 84
53 54
A1 A2
1/L1
3/L2
5/L3
2/T1
4/T2
6/T3
61 62
KM12/KM12A
KM12 A1 +24B KM12 A2 0V
KM12 53 +24V
21 22
73 74
83 84
53 54
A1 A2
1/L1
3/L2
5/L3
2/T1
4/T2
6/T3
61 62
KM14/KM14A
KM14 21 FB4
KM14 61 FB4
KM14 22 FB5
KM14 62 FB5
KM14 A1 +24B KM14 A2 0V
S10
U53
V53 V55
W53 W55
KM11/KM11A
21 22
73 74
83 84
53 54
A1 A2
1/L1
3/L2
5/L3
2/T1
4/T2
6/T3
61 62
U55
KM11 21 FB1
KM11 61 FB1
KM11 22 FB2
KM11 62 FB2
KM11 A1 +24A KM11 A2 0V
KM11 53 +24V
KM11 74+24E1
KM11 84+24E2
KM11 73 +24V
KM11 83 +24V
U53
V53
W53 W57
V57
21 22
73 74
83 84
53 54
A1 A2
1/L1
3/L2
5/L3
2/T1
4/T2
6/T3
61 62
KM13/KM13A
S11
U57
KM13 A1 +24A KM13 A2 0V
1
2
3
4
1
2
3
4
5
6
7
8
5
6
7
8
KM
2
1
CN14
・
+24V-13
+24E-2 IN +24E-1 IN
6
・
12
5
+24V-14
5
12
・
6
・
CN14
1
2
A1
B1
A3
B3
A4
B4
・
A6
B6
A7
B7
・
A9
B9
A10
B10
・
A12
B12
A13
・
CN35
+24V-33
N01003F2
F EMG SW
R EMG SW
N01003F3
F COVER SW
N01003F4
N01003F5
R COVER SW
・
B13
A15
B15
A16
N01003F5
QF32,QF33
VACUUM PUMP BREAKER
A1
B1
A3
B3
A4
B4
・
A6
B6
A7
B7
・
A9
B9
A10
B10
・
A12
B12
A13
・
CN35
・
B13
A15
B15
A16
B16 B16
・ ・
・ ・
A19 A19
B19B19
・ ・
B19B19
B28
・
B30
B28
・
B30
QF32/QF32A
14
2423
13
QF33/QF33A
14
2423
13
U63
V63
W63
QF33 14
QF33 24
U60
V60
W60
QF33 13
QF33 23
U61
V61
W61
QF32 14
QF32 24
U60
V60
W60
QF32 13
QF32 23
1
2
3
4
1
2
3
4
QF32/33
1
2
3
4
1
2
3
4
F EMG SW
1
2
3
4
1
2
3
4
F COVER
1
2
3
4
1
2
3
4
R EMG SW
1
2
3
4
1
2
3
4
R COVER
FRONT COVER SW
SQ151
FRONT EMG SW
SB21
REAR EMG SW
SB22
REAR COVER SW
SQ152
FDR.CTRL.BOARD ASSY
P031
1010
CN48
FET
CN48
1
2
1
2
F FES EMG
1
2
1
2
R FES EMG
FDR.CTRL.BOARD ASSY
1010
CN48
FET
CN48
・
1
8
9
・
1
8
9
REAR FES46 FEEDER STRUCTURE
FRONT FES46 FEEDER STRUCTURE
・
1
8
9
・
1
8
9
P036
1
・
8
9
1
・
8
9
1
・
8
9
1
・
8
9
SAFE0
SAFE1
SAFE0
SAFE1
CUNETCUNET
CUNETCUNET
+48VA
+48VB +48VB1
+48VA1
KM15 54 KMON2KM15 53 ON22
21 22
73 74
83 84
53 54
A1 A2
1/L1
3/L2
5/L3
2/T1
4/T2
6/T3
61 62
KM15/KM15A
KM15 21 FB5
KM15 61 FB5
KM15 22 FB6
KM15 62 FB6
KM15 A1 +24B KM15 A2 0V
+48VC +48VC1
S14
CC.V1
4
EMERGENCY CIRCUIT -1-
YSM40R-4