YSM40R-000_cwd_je - 第8页
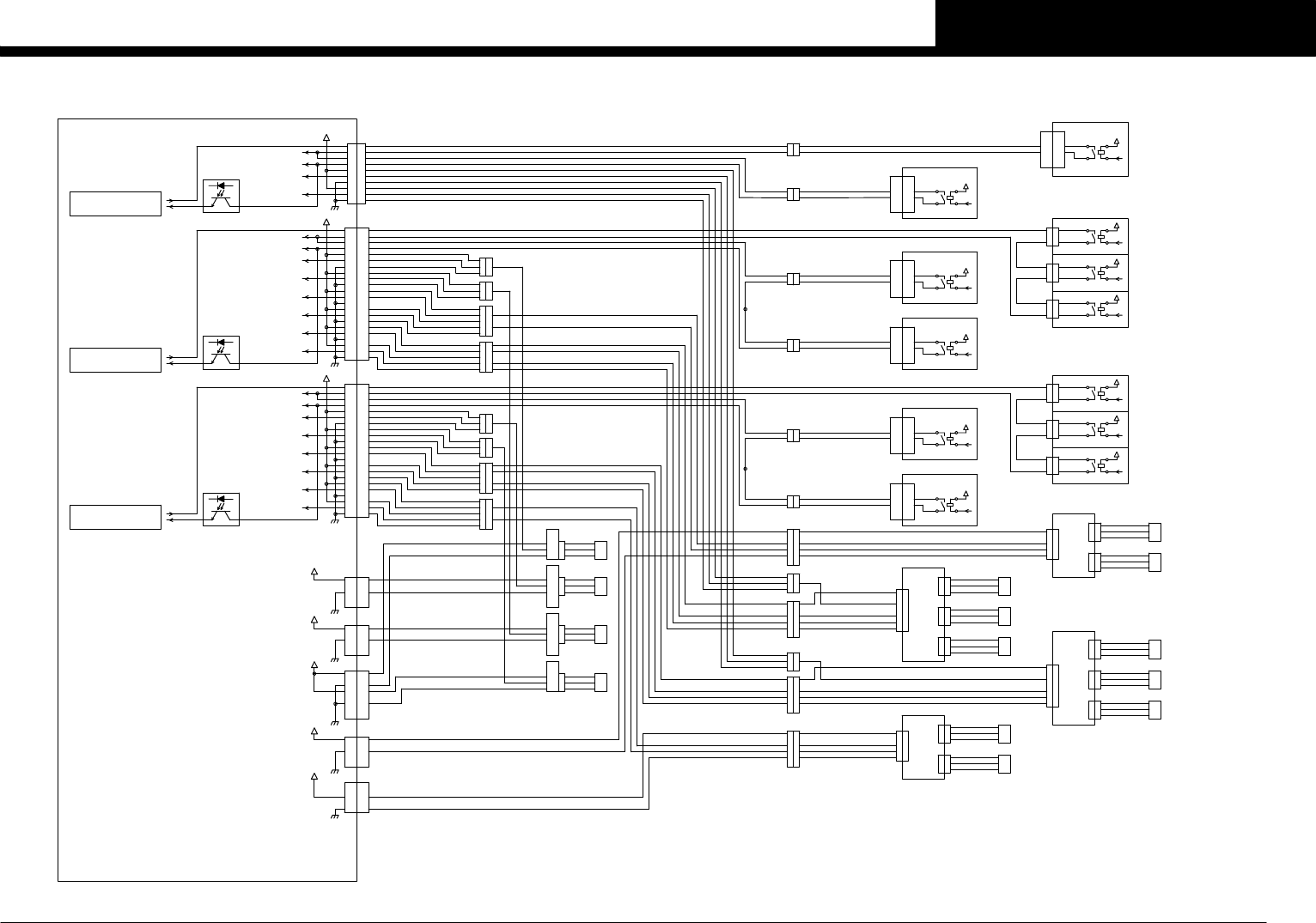
Confidential & P roprietary P A GE EMERGENC Y CIRCUIT -1- EMERGENC Y CIRCUIT -1- EMERGENC Y CIRCUIT -1- FR GOOD IN FR GOOD OUT F GOO D OUT F GOOD IN R GOO D OUT R GOOD IN 2 3 4 5 6 7 8 9 10 1 2 3 4 5 6 7 8 9 10 1 A1 …

Confidential & Proprietary
PAGE
KM10 T32 FB6
I/O CONVEYOR BOARD ASSY P021
A1
B1
A2
B2
A3
B3
・
A5
B5
A6
B6
A7
B7
A8
B8
A9
・
B13
A14
CN38
+24V-36+24V-37+24V-38
ALL UNIT READY OUT
RL1
T01000E1
EMERGENCY
FR GOOD OUT
FR GOOD IN
F GOOD OUT
F GOOD IN
R GOOD OUT
R GOOD IN
CIRCUIT -2-
See Page 5
・
B16
A17
B17 B17
A17
B16
・
CN38
A14
B13
・
A9
B8
A8
B7
A7
B6
A6
B5
A5
・
B3
A3
B2
A2
B1
A1
N0100430
N0100431
N0100432
AC230V KM ON
DC48V KM ON
SAFETY RELAY ON
KM10 44 +24B
KM10 14 +24A
KM10 24 SRVON
KM10 43 +24V
KM10 23 +24V
KM10 13 +24V
KM10 T31 FB0
KM10T12 SAFE1
KM10T23 SAFE1
KM10T11 SAFE0
KM10 A2 0V
KM10 A1 +24V
Control
Circuit
13
23
33
43
53
61
14
24
34
44
54
Off
Delay
Timer
K1 K2
K3 K4
62
*OFF-delay time setting switch
Set time 0.5sec
DC
LOGIC
AC
A1
A2
T11
T12
KM10
B
PE
A
T21
T22
T23
T31
T32
1
2
3
4
5
6
7
KM14 54 ON22KM14 53 ON21KM13 54 KMON1
KM12 54 ON21
KM13 53 ON11
KM11 54 ON11
KM12 62 FB4
KM12 22 FB4
KM12 61 FB3
KM12 21 FB3
KM13 62 FB3
KM13 22 FB3
KM13 61 FB2
KM13 21 FB2
21 22
73 74
83 84
53 54
A1 A2
1/L1
3/L2
5/L3
2/T1
4/T2
6/T3
61 62
KM12/KM12A
KM12 A1 +24B KM12 A2 0V
KM12 53 +24V
21 22
73 74
83 84
53 54
A1 A2
1/L1
3/L2
5/L3
2/T1
4/T2
6/T3
61 62
KM14/KM14A
KM14 21 FB4
KM14 61 FB4
KM14 22 FB5
KM14 62 FB5
KM14 A1 +24B KM14 A2 0V
S10
U53
V53 V55
W53 W55
KM11/KM11A
21 22
73 74
83 84
53 54
A1 A2
1/L1
3/L2
5/L3
2/T1
4/T2
6/T3
61 62
U55
KM11 21 FB1
KM11 61 FB1
KM11 22 FB2
KM11 62 FB2
KM11 A1 +24A KM11 A2 0V
KM11 53 +24V
KM11 74+24E1
KM11 84+24E2
KM11 73 +24V
KM11 83 +24V
U53
V53
W53 W57
V57
21 22
73 74
83 84
53 54
A1 A2
1/L1
3/L2
5/L3
2/T1
4/T2
6/T3
61 62
KM13/KM13A
S11
U57
KM13 A1 +24A KM13 A2 0V
1
2
3
4
1
2
3
4
5
6
7
8
5
6
7
8
KM
2
1
CN14
・
+24V-13
+24E-2 IN +24E-1 IN
6
・
12
5
+24V-14
5
12
・
6
・
CN14
1
2
A1
B1
A3
B3
A4
B4
・
A6
B6
A7
B7
・
A9
B9
A10
B10
・
A12
B12
A13
・
CN35
+24V-33
N01003F2
F EMG SW
R EMG SW
N01003F3
F COVER SW
N01003F4
N01003F5
R COVER SW
・
B13
A15
B15
A16
N01003F5
QF32,QF33
VACUUM PUMP BREAKER
A1
B1
A3
B3
A4
B4
・
A6
B6
A7
B7
・
A9
B9
A10
B10
・
A12
B12
A13
・
CN35
・
B13
A15
B15
A16
B16 B16
・ ・
・ ・
A19 A19
B19B19
・ ・
B19B19
B28
・
B30
B28
・
B30
QF32/QF32A
14
2423
13
QF33/QF33A
14
2423
13
U63
V63
W63
QF33 14
QF33 24
U60
V60
W60
QF33 13
QF33 23
U61
V61
W61
QF32 14
QF32 24
U60
V60
W60
QF32 13
QF32 23
1
2
3
4
1
2
3
4
QF32/33
1
2
3
4
1
2
3
4
F EMG SW
1
2
3
4
1
2
3
4
F COVER
1
2
3
4
1
2
3
4
R EMG SW
1
2
3
4
1
2
3
4
R COVER
FRONT COVER SW
SQ151
FRONT EMG SW
SB21
REAR EMG SW
SB22
REAR COVER SW
SQ152
FDR.CTRL.BOARD ASSY
P031
1010
CN48
FET
CN48
1
2
1
2
F FES EMG
1
2
1
2
R FES EMG
FDR.CTRL.BOARD ASSY
1010
CN48
FET
CN48
・
1
8
9
・
1
8
9
REAR FES46 FEEDER STRUCTURE
FRONT FES46 FEEDER STRUCTURE
・
1
8
9
・
1
8
9
P036
1
・
8
9
1
・
8
9
1
・
8
9
1
・
8
9
SAFE0
SAFE1
SAFE0
SAFE1
CUNETCUNET
CUNETCUNET
+48VA
+48VB +48VB1
+48VA1
KM15 54 KMON2KM15 53 ON22
21 22
73 74
83 84
53 54
A1 A2
1/L1
3/L2
5/L3
2/T1
4/T2
6/T3
61 62
KM15/KM15A
KM15 21 FB5
KM15 61 FB5
KM15 22 FB6
KM15 62 FB6
KM15 A1 +24B KM15 A2 0V
+48VC +48VC1
S14
CC.V1
4
EMERGENCY CIRCUIT -1-
YSM40R-4

Confidential & Proprietary
PAGE
EMERGENCY
CIRCUIT -1-
EMERGENCY
CIRCUIT -1-
EMERGENCY
CIRCUIT -1-
FR GOOD IN
FR GOOD OUT
F GOOD OUT
F GOOD IN
R GOOD OUT
R GOOD IN
2
3
4
5
6
7
8
9
10
1
2
3
4
5
6
7
8
9
10
1
A1
B1
A2
B2
A3
B3
A1
B1
A2
B2
A3
B3
A5A5
A4 A4
B4B4
B6B6
B5
A6
B5
A6
A8
B8
A9
B9
A8
B8
A9
B9
A7
B7 B7
A7
A11
B11
A11
B11
A10
B10 B10
A10
CN33
+24V-32
CN33
CN31 CN31
+24V-30
A1
B1
A2
B2
A3
B3
A1
B1
A2
B2
A3
B3
A5A5
A4 A4
B4B4
B6B6
B5
A6
B5
A6
A8
B8
A9
B9
A8
B8
A9
B9
A7
B7 B7
A7
A11
B11
A11
B11
A10
B10 B10
A10
+24V-31
CN32 CN32
3
2
1
3
2
1
3
2
1
3
2
1
4
5
4
5
3
2
1
3
2
1
4
5
4
5
XA OT
XC OT
3
2
1
3
2
1
YA OT
YC OT
3
2
1
3
2
1
3
2
1
3
2
1
4
5
4
5
3
2
1
3
2
1
4
5
4
5
3
2
1
3
2
1
YB OT
YD OT
XB OT
XD OT
1
2
1
2
CV EMG
1
2
1
2
IF GOOD
GOOD
A1A1
B1
A2
B2
A3
B3 B3
A3
B2
A2
B1
CVP CN2
1
2
3
GOOD
1
2
3
1
2
3
GOOD
1
2
3
SRV1 GOOD
1
2
3
GOOD
1
2
3
SRV2 GOOD
GOOD
A1
B1
A2
B2
・
B10
A1
B1
A2
B2
・
B10
1
2
3
GOOD
1
2
3
SRV3 GOOD
1
2
3
GOOD
1
2
3
SRV4 GOOD
1
2
3
GOOD
1
2
3
I/O CONVEYOR BOARD ASSY P021
PC1
SYSTEM CONTROL BOX A01
SERVO CONTROL BOX-1 A02
SERVO CONTROL BOX-2 A03
P091
D.POWER BOARD
D.POWER BOARD
SERVO BOARD 2
SERVO BOARD 3
SERVO BOARD 4
SERVO BOARD 1
SYS C/R GOOD/N0100433
CV C/R GOOD/N0100434
YR SAFE/N0100441
YL SAFE/N0100442
SRV C/R1 GOOD/N0100435
FRONT HEAD GOOD/N0100436
SRV C/R2 GOOD/N0100437
REAR HEAD GOOD/N0100440
YA OT/N0100443
YC OT/N0100444
XA OT-1/N0100445
XA OT-2/N0100446
XC OT-1/N0100447
XC OT-2/N0100450
YB OT/N0100451
YD OT/N0100452
XB OT-1/N0100453
XB OT-2/N0100454
XD OT-1/N0100455
XD OT-2/N0100456
CV C/R POW BOARD ASSY
CN2
See Page 4
See Page 4
See Page 4
PC2
PC3
DPOW GOOD
DPOW GOOD
IF RAS
REMOTE IF BOARD
RAS
GOOD
GOOD
GOOD
GOOD
GOOD
GOOD
A1A1
・
・・
・
CN7 CN7
A11 A11
B13 B13
+24V-8
A1A1
・
・・
・
B13 B13
+24V-9
A11 A11
CN8 CN8
B5 B5
B10
B10
A1 A1
CN9 CN9
・ ・
A5 A5
B9 B9
A10A10
・ ・
+24V-10
A1
B2
・
A2
C2
A
B
C
Y OT
YA OT
A1
B2
・
A2
C2
・
A1
B2
・
A2
C2
・
A1
B2
・
A2
C2
A
B
C
A
B
C
A
B
C
YB OT
YC OT
YD OT
Y OT
Y OT
Y OT
C4
C4
YA OT
SQ021
YB OT
SQ022
YC OT
SQ023
YD OT
SQ024
1
2
1
2
HB EMG
GOOD
A1A1
B1
A2
B2
A3
B3 B3
A3
B2
A2
B1
HEAD B POW BOARD ASSY
P044
CN2HP CN2
1
2
1
2
HD EMG
GOOD
HEAD D POW BOARD ASSY
P050
CN2HP CN2
B3 B3
A3A3
B2 B2
A2A2
B1 B1
A1A1
1
2
1
2
HA EMG
GOOD
A1A1
B1
A2
B2
A3
B3 B3
A3
B2
A2
B1
HEAD A POW BOARD ASSY
P041
CN2HP CN2
1
2
1
2
HC EMG
GOOD
A1A1
B1
A2
B2
A3
B3 B3
A3
B2
A2
B1
HEAD C POW BOARD ASSY
P047
CN2HP CN2
7
8
-
7
8
-
A
B
C
+
・
+
・
JB7 X OT1
A
B
C
JB8 X OT2
IN
XA OT-1
XA OT-2
XT75
SQ025
SQ026
X JUNC IN
JUNCTION BOX
11
・
5
6
7
8 8
7
6
5
・
XA DI A
B
C
A
B
C
8
7
7
8
-
7
8
-
・・・
5
6
7
8 8
7
6
5
・
++
INX JUNC IN
2 211
XC DI
3
2
1
YL SAFE
3
2
1
1 1
XT77
A
B
C
7
A
B
C
8
A
B
C
JB7 X OT1 XC OT-1
SQ029
A
B
C
JB8 X OT2 XC OT-2
SQ030
A
B
C
A
B
C
JB2 Y SAFE YL SAFE
SQ034
2
JUNCTION BOX
A
B
C
JB7 X OT1
A
B
C
JB8 X OT2
XB OT-1
XB OT-2
SQ027
SQ028
11
・
5
6
7
8 8
7
6
5
・
XB DI
YR SAFE
3
2
1
3
2
1
A
B
C
7
A
B
C
8
A
B
C
2
JUNCTION BOX
XT76
7
8
-
・
+
IN
2
7
8
-
・
+
X JUNC IN
2
1 1
A1A1
・
A8A8
・
B17
・
B17
・
CN4 CN4
+24V-6
A1A1
・
・・
・
B8 B8
B15 B15
+24V-7
CN5 CN5
7
8
-
7
8
-
A
B
C
+
・
+
・
JB7 X OT1
A
B
C
JB8 X OT2
IN
XD OT-1
XD OT-2
XT78
SQ031
SQ032
X JUNC IN
JUNCTION BOX
11
・
5
6
7
8 8
7
6
5
・
XD DI A
B
C
A
B
C
7
8
A
B
C
JB2 Y SAFE YR SAFE
SQ033
CC.V1
5
EMERGENCY CIRCUIT -2-
YSM40R-4

Confidential & Proprietary
PAGE
VIS1 TRG1
VIS1 TRG2
VIS2 TRG1
VIS2 TRG2
IF RAS
USB3
USB2
USB1
IF LAN4
IF LAN3
IF LAN2
IF LAN1
RAS
LAN4
LAN3
LAN2
LAN1
TRG2
TRG1
V2 CAM2
V2 CAM3
CAM3(HALF)
CAM2(FULL)
V2 CAM1
CAM1(HALF)
21
21
VISION 1
VISION 2
SW2
OFF
ON
SW2
REMOTE IF
SYSTEM CONTROL BOX ASSY A01
OFF
ON
TRG2
TRG1
V1 CAM2
V1 CAM3
CAM3(HALF)
CAM2(FULL)
V1 CAM1
CAM1(HALF)
CV DI
N2301000/T2300700
F CV SENSOR 1
SQ072
CN1 AIR MACS BOARD ASSY
CN1 AIR MACS BOARD ASSY
P098
P099
MACS
MACS
F CV1
MACS1
MACS2
J0397
J0398
AIR BASE MACS 2
AIR BASE MACS 1
CVS CN1
See Page 7
SERVO C/R-1
SRV1 ECAT IN
J0172
CN33
See Page 10
I/O CONVEYOR -3-
CN41
See Page 3
DC48V
POWER CIRCUIT -2-
48V/24V/EMG
CVP CN2
CN2
J0390
J0389
48V POW
IC POW
CVP CN1
CVP CN3
CN3
CN1
J0383 CVI CN6
I/O BOARD ASSY P092
DO IN
CVI CN7
CN8DO1
CN7DO0CN6
CN4
J0253
CV EMG
J0046
CV+24V
CV C/R FAN
FAN 44 CVE CN5
J0391 CVE CN8
CN8 BATTERY
CVD CN4
CVS CN8
CVS CN8
CVD CN5
J0388
J0387
J0386
J0385
POW BOARD ASSY P091
SRV BOARD ASSY P093
DRV BOARD ASSY P094
ENC BOARD ASSY P095
DI1 CN3
VAC CN2
DI2 CN5
CVS CN5
SER ENC2
SER ENC1
CN4
CN5
CAMERA SEL POW
CN8B
CN8A
ETHER OUT
ETHER IN
CVD CN1
CVE CN4
CVE CN3
CVS CN7
CVS CN6
CV C/R SERVO UNIT ASSY
OPTION IF CN1
CN4
CN3
INC ENC 2 CN2
FANCN5 INC ENC 1 CN1
MOTOR 2
MOTOR POW CN1MOTOR 1
S-POWERCN6
DOCN7
CV C/R I/O UNIT ASSY
J0207
IF GOOD
See Page 7
See Page 7
See Page 12,13
See Page 10
J0701(STD)/J0731(OP)
J0253
J0179
J0178
J0177
J0176
SIDE VIEW CAMERA(OPTION)
SIDE VIEW CAMERA(OPTION)
SERVO C/R
SERVO C/R
HEAD CAMERA(STANDARD)
HEAD CAMERA(STANDARD)
I/O CONVEYOR -3-
CAMERA UNIT SEL.
CAMERA UNIT SEL.
HEAD I/O UNIT
CN33
J0396
J0705
J0708
GB11 BAT1 CN2
BATT BOARD ASSY-1 P096
CN2 BATT OUT
CN1 BATT IN
GB12 BAT2 CN2
BATT BOARD ASSY-2 P097
CN2 BATT OUT
CN1 BATT IN
J0068
See Page 12
J0707
See Page 13
J0706
J0702(STD)/J0732(OP)
See Page 17
See Page 17
See Page 16
See Page 16
J0381
J0382CVS CN3
SERVO4 TRG1(XB/XD)
SERVO3 TRG1(YB/YD)
SERVO1 TRG1(YA/YC)
SERVO2 TRG1(XA/XC)
J0202
J0201
J0204
J0203
N2301001/T2300701
F CV SENSOR 2
SQ073
F CV2
N2301002/T2300702
F CV SENSOR 3
SQ074
F CV3
N2301003/T2300703
F CV SENSOR 4
SQ075
F CV4
N2301004/T2300704
F CV SENSOR 5
SQ076
F CV5
N2301005/T2301700
R CV SENSOR 1
SQ079
R CV1
N2301006/T2301701
R CV SENSOR 2
SQ080
R CV2
N2301007/T2301702
R CV SENSOR 3
SQ081
R CV3
N2300000/T2301703
R CV SENSOR 4
SQ082
R CV4
N2300001/T2301704
R CV SENSOR 5
SQ083
R CV5
□42 MAX 500rpm
W2-AXIS 100W
M18
□42 MAX 500rpm
W1-AXIS 100W
M17
□42 MAX 500rpm
CV4-AXIS 100W
M16
□42 MAX 500rpm
CV3-AXIS 100W
M15
□42 MAX 500rpm
CV2-AXIS 100W
M14
□42 MAX 500rpm
CV1-AXIS 100W
M13
W2M
W2P
W1M
W1P
CV4M
CV4P
CV3M
CV3P
CV2M
CV2P
CV1M
CV1P
UPS SIG
J0911
UPS(OPTION)
See Page 2
POWER CIRCUIT -1-
UPS SIGNAL
UPS(OPTION)
See Page 2
POWER CIRCUIT -1-
UPS SIGNAL
V1 CAM4
CAM4(FULL)
J0703(STD)/J0733(OP)
V2 CAM4
CAM4(FULL)
J0704(STD)/J0734(OP)
USB MEMORY
J0214
USB4
I/F4 USB I/F4 USB
SYSTEM
IF I/O
I/O
J0101
See Page 9
J0102
I/O A
I/O CONVEYOR -2-
CN20
J0103
I/O B
J0104
I/O C
See Page 18
I/O
J0939
I/O D
1TURN
E10
FRONT
REAR
FES46 FEEDER STRUCTURE
E38
1TURN
E39
1TURN
LCD1
LCD2
J0680
LCD1
TOUCH PANEL LCD1
RS232C F
SERIAL
VGA
DC12V IN
J0681
LCD2
TOUCH PANEL LCD2
RS232C R
SERIAL
VGA
DC12V IN
SYS3 USB
USB3
USB2
USB1
MOUSE
KEY
RS1
LCD2
LCD1
RS2
SERIAL2
SERIAL1
VGA2
VGA1
SYS LAN3
LAN3
SYS LAN2
LAN2
SYS LAN1
LAN1
SYS USB1
SYS USB2
2TURN
E17 A06
J0215
J0213
J0212
J0211
J0210
See Page 7
1TURN
E12
J0174
J0171
LAN
LAN CABLE
SERVO C/R-2
SRV3 ECAT IN
J0180
KEYBOARD
2TURN
E20
REAR
A42
READER
BARCODE
IT OPTION(OPTION)
A41
READER
BARCODE
FRONT
F
R
E18
E19
J0925
J0926
USB4
KEYBOARD ASSY(OPTION)
AC IN
PE
SYS AC100V
J0663
J0035
See Page 2
POWER CIRCUIT -1-
AC100V
SYS3
CC.V1
6
SYSTEM C/R & CONVEYOR C/R
YSM40R-4