F5 SERVICE MAUNAL - 第237页
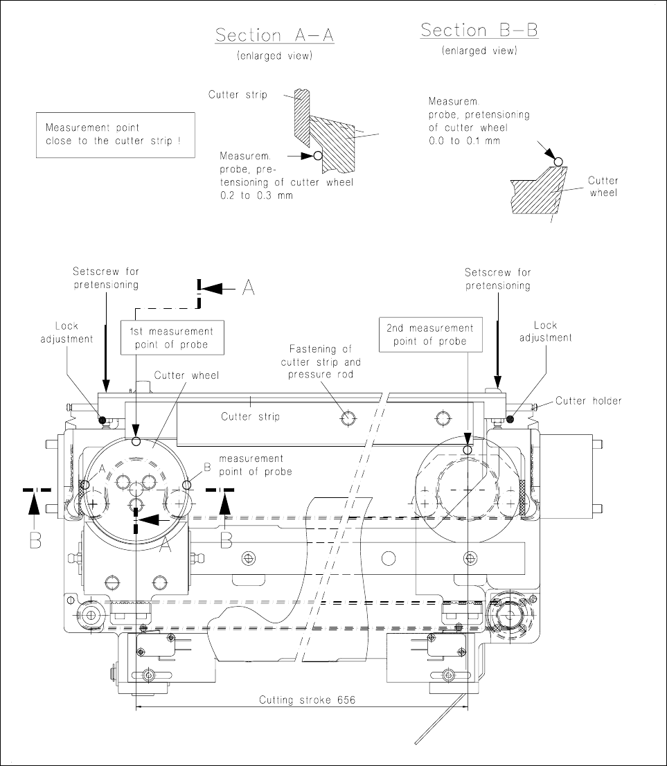
SIPLACE 80 S-20/F4 Service Manual 7 Components Table Edition 03/97 7.6 Empty Tape Cutting Unit and Empty Tape Channel 7 - 35 ● Now m ove the c utter wheel so that p oint B is posi tioned below the m easuri ng probe. The …

7 Components Table SIPLACE 80 S-20/F4 Service Manual
7.6 Empty Tape Cutting Unit and Empty Tape Channel Edition 03/97
7 - 34
7.6.6 Checking and Replacing the Cutter Wheel and Cutter Strip
Carry out this check if the tapes are no longer being cut properly.
CAUTION OO
Do not reach into the area of the cutter strip and cutter wheel: danger of physical injury!
● Remove the empty tape cutting unit:
● Undo the plug connection of the tape cutting unit X3ak, on the right beside the cable duct on the
underside of the unit.
● Undo the mounting of the empty tape cutting unit on the underside of the unit: 2 socket-head cap
screws at the slots of the left-hand and right-hand brackets (see Fig. 7.1.3).
→ The fastening of the mounting brackets on the machine base remains unchanged!
● Lift the tape cutting unit - holding it with both hands - upwards and out of the machine base and set it
down without changing the position.
● Carry out a visual inspection of the cutter edge along the entire length of the cutter strip and the face of the
cutter wheel (see Fig. 7.6.2):
● If the cutter edge is dull and / or the cutter strip has collided with the cutter wheel, always replace both
parts (cutter strip and cutter wheel), as described below.
● Replacing the cutter strip and the cutter wheel :
● Undo the 7 socket-head cap screws M4 on the pressure rod (see Fig. 7.6.2) and remove the pressure
rod including cutter strip from the cutter holder.
● Undo the 3 socket-head cap screws M5 on the face of the cutter wheel and lift the cutter wheel off the
shaft.
● Position the new cutter wheel on the shaft and screw it up tight.
● Place the new cutter strip and the pressure rod on the cutter holder and screw both parts firmly to the
cutter holder. The cutter strip should project a maximum of 0.5 mm over the recessed part of the cutter
wheel (see Fig. 7.6.2, Section A-A).
● Adjust the pretensioning of the cutter wheel as described below.
● Next carry out the "Concluding work" (see Section 7.6.15, page 7 - 50).
7.6.7 Checking and Adjusting the Inclination of the Cutter Wheel
– To be measured on cutting units from item no.: 00313882-06 to 00315060-02
● Disengage the tension springs of the cutter strip.
● Fold the cutting blade towards the rear so that the cutter wheel is disengaged.
● Place the magnetic holder with measuring probe on the left side of the guide rail and lower the measuring
probe onto the cutter wheel above point B, as shown in Fig. 7.6.2.
To be observed:
Measuring points A and B must be in a centered position and parallel with respect to the blade.
● Move the cutter wheel so that the measuring probe is located above point A.
● Set the measuring probe to the "0" position.

SIPLACE 80 S-20/F4 Service Manual 7 Components Table
Edition 03/97 7.6 Empty Tape Cutting Unit and Empty Tape Channel
7 - 35
● Now move the cutter wheel so that point B is positioned below the measuring probe.
The measured value should lie anywhere between 0.0 ... 0.1 mm.
● Correct the adjustment at the slotted screw on the carriage (see Fig. 7.6.2).
7.6.8 Checking and Adjusting the Pretensioning of the Cutter Wheel
This check and adjustment should be carried out
– if the tapes are not being cut properly (pretensioning of the cutter wheel is too low),
– if stiffness has led to the motor switching out (pretensioning is too high),
– if you have replaced the cutter wheel and the cutter strip.
NOTE:
The empty tape cutting unit can remain installed for the following work on the machine. However in this case
you must remove the empty tape channel in order to allow access to the setting screws. Please note: after
reinstallation the empty tape channel has to be adjusted symmetrically to the pressure rod of the tape cutting
unit (see corresponding section, below).
CAUTION OO
Do not reach into the area of the cutter strip and cutter wheel: danger of physical injury!
● If the empty tape cutting unit has already been removed from the machine in the course of fault location,
set it down in a stable horizontal position, fastening it so that during the following work you can position the
magnetic holder with the measuring probe correctly on the guide rail.
● Move the cutter wheel carriage to the left-hand end position:
● Undo the locking of the left-hand and right-hand thrust pieces in the cutter holder and screw the thrust
pieces in until the cutter strip rests against the cutter wheel without pretensioning.
● Place the magnetic holder with measuring probe on the left on the guide rail and lower the measuring
probe onto the cutter wheel as shown in Fig. 7.6.2.
Please note:
The measurement point must be adjacent to the cutter strip, the display must now show "0.0 mm".
● Unscrew the thrust piece (left-hand) out of the cutter holder until the cutter wheel is pretensioned 0.2
to 0.3 mm by the cutter strip.
● Move the cutter wheel carriage by hand into the right-hand end position.
● Move the magnetic holder on the guide rail to the right.
● Place the measuring probe on the cutter wheel (see Fig. 7.6.2) and set it to "0".
● Screw out the right-hand thrust piece until the cutter wheel is pretensioned 0.2 to 0.3 mm.
● Check the setting by repeating the first measurement (= left-hand). If necessary, correct again the preten-
sioning of the cutter wheel and lock both thrust pieces in this position.

7 Components Table SIPLACE 80 S-20/F4 Service Manual
7.6 Empty Tape Cutting Unit and Empty Tape Channel Edition 03/97
7 - 36
● Carry out a cutting test by (caution! danger of physical injury from the blade!) a large enough piece of
foil of a suitable thickness (approx. 0.2 mm) to the cutter strip and moving the cutter wheel slide by hand.
After just one cutting stroke the foil must have been cut and separated.
Fig. 7.6.2 Checking and replacing the cutter strip and cutter wheel; adjusting the pretensioning