F5 SERVICE MAUNAL - 第300页
9 12-Segment Revolver Head (10000) SIPLACE 80S-20/F4 Service Manual 9.1 12-Segment Revolver Head (10000) Edition 07/97 9 - 4 – V acuum di stributo r (see Secti on 9.4. 4) 00319827S 02 – O-ring 8x1 NBR70 B 00201 179S0 1 –…

SIPLACE 80S-20/F4 Service Manual 9 12-Segment Revolver Head (10000)
Edition 07/97 9.1 12-Segment Revolver Head (10000)
9 - 3
9.1 12-Segment Revolver Head (10000)
PLEASE NOTE
When you have finished working on the placement head, calibrate the machine as described in the SITEST
operating instructions.
9.1.1 Spare Parts for the 12-Segment Revolver Head (10000)
PLEASE NOTE
Parts that are marked "For service technicians only" may only be replaced by Siemens service technicians or
by the customer’s appropriately trained personnel.
Designation Item No. Note
– Revolver head 10.000 (see Section 9.1.6) 00321406S01
– Cable clip 00325050S01
– Components camera 24x24 (see Section 9.3.2) 00320549S04
– Distributor board SP 6/12 (see Section 9.3.1) 00321215S06 For service technicians only
– Z-axis motor (see Section 9.5.2) 00319891S01 For service technicians only
– RSF encoder (see Section 9.4.5) 00319907S01 For service technicians only
– Positioning unit (see Section 9.5.1) 00321213S02 For service technicians only
– Toothed belt, Synchroflex 8AT 3/201 (see Section 9.5.4) 00320001S01 For service technicians only
– Star drive (see Section 9.6.4) 00319908S01 For service technicians only
– Forced air unit (blast unit) (see Section 9.6.5) 00319777S01
– ’Z-axis at bottom’ sensor (see Section 9.5.5) 00321524S03 For service technicians only
– Star, mounted (see Section 9.6.1) 00319775S01 For service technicians only
– Sleeve SP12 00319772S05
– Valve for SP 12 (see Section 9.7) 00319774S02 For service technicians only
– Plastic hose (see Section 9.7) 00323387S01 For service technicians only
– Compressed air supply 00319352S01
– O-ring 00323535S02
– Valve plunger 00330711S01
– O-ring 2.5x1 NBR70B 00320023S01
– Turning station (see Section 9.2.3) 00319800S04
– Vacuum generator, complete (see Section 9.4) 00319823S02
– Brake for star, complete (see Section 9.8) 00328781S01
– Valve adjustment drive (see Section 9.2.1) 00319826S02
9 12-Segment Revolver Head (10000) SIPLACE 80S-20/F4 Service Manual
9.1 12-Segment Revolver Head (10000) Edition 07/97
9 - 4
– Vacuum distributor (see Section 9.4.4) 00319827S02
– O-ring 8x1 NBR70B 00201179S01
– O-ring 14x1.5 NBR70B (see Section 9.4.1) 00320048S01
– Vacuum nozzle, dia. 1.5 (see Section 9.4.1) 00319420S02
– Vacuum board SP 6/12 (see Section 9.4.3) 00321216S03
– Connecting unit 00332780-01
– Silencer (see Section 9.4.2) 00320964S01
– Vacuum nozzle (see Section 9.4.1) 00319423S02
– O-ring 10x1.5 NBR70B (see Section 9.4.1) 00320047S01
– O-ring 16x2 E70B (see Section 9.4.2) 00320043S01
– Toothed belt, Synchroflex 2.5 T2/90 (see Section 9.2.5) 00320041S01
9.1.2 Spare Parts for Nozzle Changer, 12-Segment Head 10.000
– Magazine for type 7.xx nozzles (see Section 9.9.3) 00323044-02
– 5/2-valve with base plate and cable (see Section 9.9.5) 00317578-02
– Control board for nozzle changer (see Section 9.9.4) 00317353-02
– Cylinder (see Section 9.9.6) 00312789-01
– Reject station, complete (see Section 9.9.7) 00323049-01
– Reject station (see Section 9.9.7) 00323050-02
9.1.3 Test Equipment
Designation Item No.
– Distance gauge 00325445-01
– Precision test pin ∅ 1.3 00326163-01
– Precision test pin ∅ 1.4 00326160-01
– Precision test pin ∅ 1.5 00326161-01
– Precision test pin ∅ 1.6 00326162-01
– Gauge for star 00326164-01
– Gauge for Z axis 00331308-01
– Compressed air testing device, complete 00313523-01
– Belt tension measuring device TSM 00326015-01
Instruction manual ’Measuring belt tension’ 00190788-01

SIPLACE 80S-20/F4 Service Manual 9 12-Segment Revolver Head (10000)
Edition 07/97 9.1 12-Segment Revolver Head (10000)
9 - 5
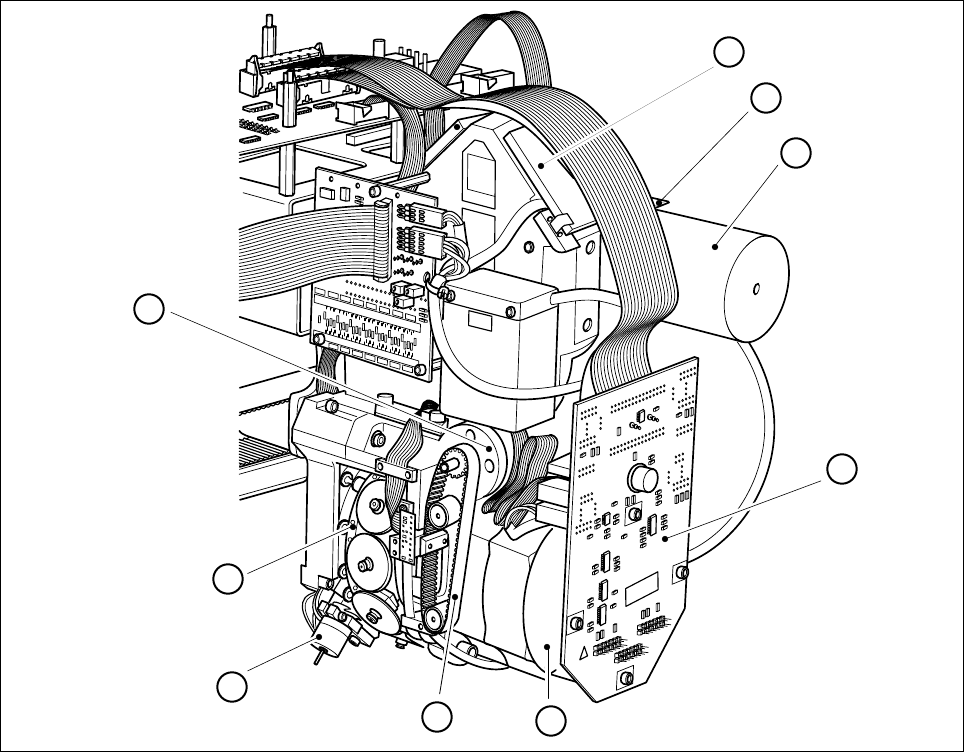
9.1.4 Structure of the 12-Segment Revolver Head (10000)
Fig. 9.1.1 Structure of the 12-segment revolver head
1 Reject circuit valve adjustment drive
2 Z axis toothed belt
3 Star motor
4 Distributor board
5Silencer
6 Vacuum board
7 Components camera
8 Z motor
9Star
008
008
8
7
2
1
9
5
4
3
6