RV-2_RV-2-3D_RV-2-3DH-Rev03 - 第137页
- 126 - REF.NO NOTE PART NO D E S C R I P T I O N 品 名 Qty 1 402-18362 CALIBRATION JIG ASS Y 3DH_2D キャリブレーションジグ 組 3DH_2D 1 2 402-18363 CALIBRATION JIG ASS Y_RV2-3DH キャリブレーショ ンジグ組_RV2−3DH 1 3 402-18729 UV ILLUMINAT UNIT AS…

- 125 -
63.CALIBRATION JIG, UV ILLUMINAT UNIT & LONG CONVEYOR UNIT COMPONENTS
キャリブレーション治具・UV 照明ユニット・長尺搬送ユニット関係
1
2
4
6
5
14
15
8
11
9
12
10
9
13
8
14
15
3
7
16

- 126 -
REF.NO NOTE PART NO D E S C R I P T I O N
品 名
Qty
1 402-18362 CALIBRATION JIG ASSY 3DH_2D
キャリブレーションジグ組 3DH_2D
1
2 402-18363 CALIBRATION JIG ASSY_RV2-3DH
キャリブレーションジグ組_RV2−3DH
1
3 402-18729 UV ILLUMINAT UNIT ASY_RV-2-3DH
UV照明ユニット組_RV−2−3DH
1
4 401-51156 LED UV MASTER PCB ASM
LED UVマスター基板組
(1)
5 402-19562 LED TOP PCB 3DH R2
LED TOP基板 3DH R2
(1)
6 402-15247 3DH TAPE(TOP) HEAT0RESISITING
3DH 耐熱テープ(TOP)
(1)
7 402-19189 LONG CONVEYOR UNIT ASSY_RV23DH
長尺搬送ユニット組_RV23DH
1
8 SM-6030802-TT SCREW M3 L=8
六角穴ボルト M3 L=8
(4)
9 401-58547 SENSOR
センサー
(2)
10 401-58548 ULTRASONIC SENSOR ASM R
超音波センサー組R
(1)
11 401-58549 ULTRASONIC SENSOR ASM L
超音波センサー組L
(1)
12 401-62176 SONIC SENSOR BRACKET
超音波センサーブラケット
(1)
13 402-10787 SONIC SENSOR BRACKET
超音波センサーブラケット
(1)
14 SM-6030602-TT SCREW M3 L=6
六角穴ボルト M3 L=6
(2)
15 401-58599 TIE ANCHOR
タイアンカー
(2)
16 HX-0023300-00 CLIP
束線バンド
(6)

- 127 -
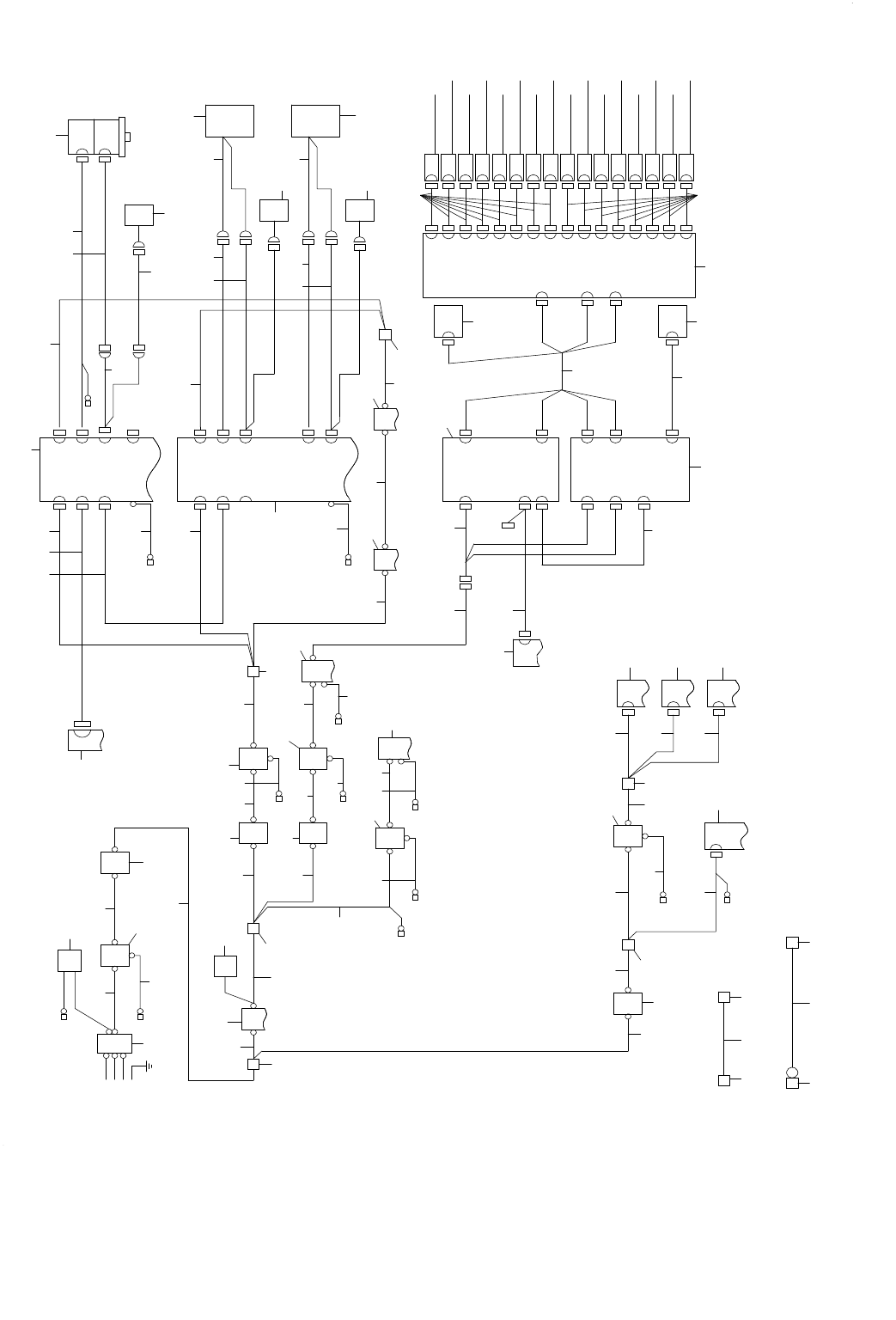
64.SYSTEM DIAGRAM(1)
SYSTEM DIAGRAM(1)
㹄㹅
㹁㹌㸳
㹁㹌㸲
㹁㹌㸯
㹁㹌㸱
㹁㹌㸯
㸲㸮
㸯㸮
㸷㸶
㸶㸯
㸷㸷
㸶㸲
㸵㸱
㸲㸯
㸶㸰
㸶㸱
㸶㸴
㹗㸿ࠉ㹑㹃㹐㹔㹍ࠉ㹋㹍㹒㹍㹐
㹗㹀ࠉ㹑㹃㹐㹔㹍ࠉ㹋㹍㹒㹍㹐
㸶㸴
㸵㸶
㸶㸶
㸷㸮㸶㸵
㸶㸳
㸶㸮
㸵㸷
㸵㸵
㸵㸴
㸵㸳
㸵㸲
㸴㸷
㸵㸮
㸵㸯
㸴㸳
㸴㸵
㸯㸮
㸷㸳
㸷㸴
㸶㸷
㸷㸵
㸴㸴
㸴㸱
㸴㸯
㸳㸵
㸳㸶
㸳㸷
㸴㸮 㸴㸰
㸴㸲
㸴㸳
㸲㸶
㸲㸴
㸲㸰
㹁㹖㹎㸫㹇㹄ࠉ㹇㹎ࠉ㹀㹍㸿㹐㹂
㸯
㸳㸳
㸳㸲
㸳㸴
㸳㸱
㸳㸰
㸳㸰
㸱㸶
㸱㸷
㸲㸳㸲㸲㸲㸱
㸳㸯㸳㸮㸲㸷
㸱㸴
㸱㸵
㸿㹔㹐㸱
㸱㸳
㸱㸱
㸱㸯
㸱㸰
㸯㸮
㸰
㸱
㸲
㸳
㸴
㸵
㸶
㸷
㸱㸲
㸯㸳
㸰㸰 㸴㸶
㸰㸰
㸰㸰
㸰㸰
㸰㸰
㸰㸰
㸰㸰
㸰㸰 㸴㸶
㸴㸶
㸴㸶
㸴㸶
㸴㸶
㸴㸶
㸴㸶
㹊㸯
㹊㸰
㹊㸱
㹎㹃
㹇㹌㹎㹓㹒
㹒㹀㸮
㹄㹅
㹑㹎㸯
㹌㹄㸮
㹃㹊㹀㸯
㹄㹅
㹋㹁㸰
㹎㹍㹑㹇㹒㹇㹍㹌
㹀㹍㸿㹐㹂
㸰㸫㸯㹂
㹂㹐㹔㸯
㹁㹌㹎㸰
㹁㹌㸯㸿
㹁㹌㸯㹀
㹁㹌㹎㸯
㹁㹌㹎㸱
㹁㹌㸰
㹁㹌㸶
㸰㸫㸰㹀
㹄㹅
㹄㹅
㹖ࠉ㹑㹃㹐㹔㹍ࠉ㹋㹍㹒㹃㹐
㹑㹁㸿㹊㹃ࠉ㹆㹃㸿㹂㸦㹖㸧
㹄㹅
㹂㹐㹔㸰
㹁㹌㹎㸰
㹁㹌㸯㸿
㹁㹌㸯㹀
㹁㹌㹎㸯
㹁㹌㹎㸱㸿
㹁㹌㹎㸰㸿
㹁㹌㹎㸱㹀
㹁㹌㹎㸰㹀
㸰㸫㸰㹀
㹑㹁㸿㹊㹃ࠉ㹆㹃㸿㹂㸦㹗㸿㸧
㹑㹁㸿㹊㹃ࠉ㹆㹃㸿㹂㸦㹗㹀㸧
㹋㹇㹂ࠉ㹎㹁㹀ࠉ㸯
㹋㹇㹂ࠉ㹎㹁㹀ࠉ㸰
㹋㹇㹂ࠉ㹎㹁㹀ࠉ㸱
㹋㹇㹂ࠉ㹎㹁㹀ࠉ㸲
㹋㹇㹂ࠉ㹎㹁㹀ࠉ㸶
㹋㹇㹂ࠉ㹎㹁㹀ࠉ㸵
㹋㹇㹂ࠉ㹎㹁㹀ࠉ㸴
㹋㹇㹂ࠉ㹎㹁㹀ࠉ㸳
㹊㹍㹕ࠉ㹎㹁㹀ࠉ㸯
㹊㹍㹕ࠉ㹎㹁㹀ࠉ㸰
㹊㹍㹕ࠉ㹎㹁㹀ࠉ㸱
㹊㹍㹕ࠉ㹎㹁㹀ࠉ㸲
㹊㹍㹕ࠉ㹎㹁㹀ࠉ㸳
㹊㹍㹕ࠉ㹎㹁㹀ࠉ㸴
㹊㹍㹕ࠉ㹎㹁㹀ࠉ㸵
㹊㹍㹕ࠉ㹎㹁㹀ࠉ㸶
㹁㹌㸱
㹁㹌㸷
㹁㹌㸶
㹁㹌㸵
㹁㹌㸴
㹁㹌㸳
㹁㹌㸯㸮
㹁㹌㸲
㹁㹌㸰
㹁㹌㸯
㹁㹌㸯㸯
㹁㹌㸯㸰
㹁㹌㸯㸱
㹁㹌㸯㸲
㹁㹌㸯㸳
㹁㹌㸯㸴
㹁㹌㸯㸵
㹁㹌㸯㸶
㹁㹌㸯㸷
㸿㹅㹅ࠉ㹎㹁㹀
㹒㹍㹎ࠉ㹎㹁㹀
㹁㹌㸯
㹒㹀㸳
㹋㹁㸱
㹂㹁㹑ࠉ㹎㹁㹀
㹑㹐㹁ࠉ㹎㹁㹀
㹇㹍㹁ࠉ㹎㹁㹀
㹒㹀㸴
㸿㹔㹐㸯
㹒㹀㸰
㹁㹎㸯
㹄㹅
㹄㹅
㸱㸫㸯㸿
㸰㸫㸯㸿
㸰㸫㸰㸿
㸰㸫㸲㸿
㸰㸫㸰㹀
㸰㸫㸰㹀
㸲㸮㸯㸳㸶㸰㸷㸰
㹃㹎㹇ࠉ㹎㹁㹀
㹁㹌㸱
㹁㹌㸯㸰
㹁㹌㸯
㹒㹀㸶
㹄㹅㸦㹃㸬㹀㸬㸧
㹒㹀㸴
㹒㹀㸷
㹄㹅
㹌㹄㸱
㸿㹔㹐㸳
㹄㹅
㸲㸫㸯㹁
㹑㹉㸯
㸯㸷
㸯㸰
㸱㸮
㸰㸷
㸰㸶
㸯㸮
㹒㹀㸲
㸿㹔㹐㸰
㸰㸫㸰㹁
㸰㸯
㸰㸵
㸯㸮
㸯㸯
㸯㸱
㸯㸮
㸯㸲
㸯㸴 㸰㸱
㸯㸵 㸰㸲
㸰㸴
㸯㸶
㸰㸳
㸰㸮
㹒㹀㸯
㹋㹁㸯
㹒㹀㸱
㹁㹎㸰
㹁㹎㸱
㹄㹅
㹄㹅
㹌㹄㸯
㹌㹄㸰
㹄㹅
㸰㸫㸯㸿
㸵㸰
㹁㹌㸳㸮㸳
㹁㹌㸳㸮㸲
㹁㹌㸳㸮㸱
㹁㹌㸳㸮㸰
㹁㹌㸳㸮㸯
㹊㹂㹀㹑ࠉ㹎㹁㹀
㸷㸲
㹊㹂㹀㹋ࠉ㹎㹁㹀
㸷㸰
㸷㸱
㸷㸯
㸲㸵