P-0196-001 - 第111页
MODEL TCM-3100J-2 0108-001 109 Key No. P AR T No. P AR T NAME Q’ty REMARKS NOTE 5-2 1 -1 630 070 2835 BASE 1 6 59C--03B-101 1 -2 630 070 2842 BASE 1 6 59C--03B-102 6 -1 630 071 8256 G UI DE 2 659C--03B-125 6 -2 630 071 8…

MODEL TCM-3100J-2
0108-001
108
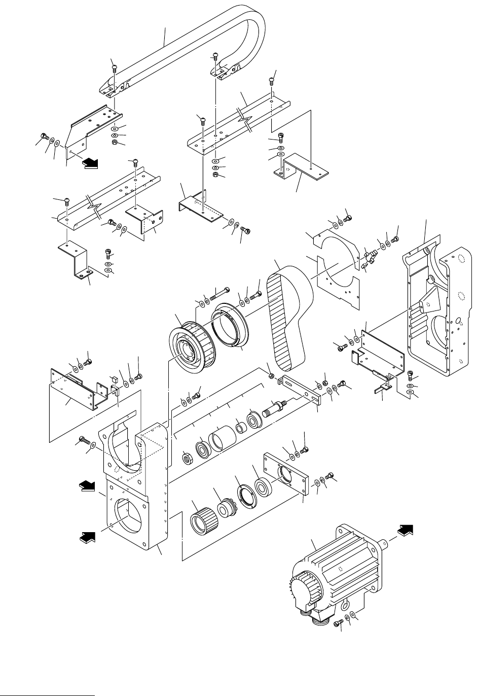
ㇱຠଏ⛎ㇱ FEEDER CARRIAGE SECTION
Fig. 5-2 ࠬࠗ࠳ Slider
17
17
16
16
15
15
14-2
13
13
12
12
11
11
13
12
11
37
37
36
8
6-1
9
10
10
13
13
12
12
11
11
17
16
15
14-1
23
23
22
21
20-1
20-1
23
23
24
25
26
22
22
21
20-2
13
12
11
7
8
9
10
10
1-1 1-2
.
7
6-2
6-2
24
25
26-1

MODEL TCM-3100J-2
0108-001
109
Key No. PART No. PART NAME Q’ty REMARKS
NOTE
5-2
1 -1 630 070 2835 BASE 1 659C--03B-101
1 -2 630 070 2842 BASE 1 659C--03B-102
6 -1 630 071 8256 GUIDE 2 659C--03B-125
6 -2 630 071 8249 GUIDE 2 659C--03B-124
7 630 067 4156 CAM FOLLOWER 4 659C--03H-142
8 411 141 4602 WASHER V 10X21X2 4 FW10 F
9 411 086 0103 WASHER SPR 10 4 SW10 F
10 630 000 9798 NUT,HEX 4 M10X1.25 F
11 411 141 4503 WASHER V 8X17X1.6 20 FW8
12 411 141 3100 WASHER SPR 8 20 SW8
13 630 000 8012 BOLT,HEX-SCT 20 M8X20
14 -1 630 071 8270 GUIDE 2 659C--03B-127
14 -2 630 071 8263 GUIDE 2 659C--03B-126
15 411 141 4305 WASHER V 6X12.5X1.6 8 FW6
16 411 141 3001 WASHER SPR 6 8 SW6
17 630 000 7886 BOLT,HEX-SCT 8 M6X16
20 -1 630 064 9031 BRACKET 1 659C--03B-032
20 -2 630 064 9048 BRACKET 1 659C--03B-033
21 411 141 4008 WASHER V 4X9X0.8 4 FW4
22 411 141 2905 WASHER SPR 4 4 SW4
23 630 000 7619 BOLT,HEX-SCT 4 M4X8
24 411 141 4107 WASHER V 5X10X1 48 FW5
25 411 141 6705 WASHER SPR 5 48 SW5
26 630 000 7763 BOLT,HEX-SCT 44 M5X16
26 -1 630 000 7756 BOLT,HEX-SCT 4 M5X12
36 630 070 3535 COVER 2 659C--03B-185
37 411 051 1708 SCR TRS 4X6 4 M4X6 TRS

MODEL TCM-3100J-2
0108-001
110
ㇱຠଏ⛎ㇱ FEEDER CARRIAGE SECTION
Fig. 5-3 ࡞࡙࠾࠶࠻㚟േㇱ Feeder Carriage Driver
A
8
7
6
5
9
40
20
20
2
3
31-5
31-5
31-3
31-3
31-1
31-1
31-2
31-2
31-3
31-4
31-4
4
18
18
19
19
21
22
23
24
25
25
26
58
59
60
67
66-1
66
66
42
42
41
41
1-1
1-1
56
68
68
69
69
60
57
59
58
45
46
47
50
50
48
49
49
1-2
64
63
62
61
14
51
52
52
27
28
29
29
17
16
15
31
31
32
33
37
37
38
39
30
12
12
11
11
10
10
44
44
43
43
B
B
A
100
100-1
99
101
102
103
84
84
83
82
81
95
95
89
89
95
89
94
94
93
93
92
92
91-1
92
92
93
94
94
94
94
94
93
93
92
93
93
92
92
90-2
90-1
91-2
91-2
101
102
103
95
Fig.5-3
TCM-3100J-2