P-0196-001 - 第158页
MODEL TCM-3100J-2 0108-001 156 1 8 1 3 3 - 1 1-3 1-3 1 4 3 - 2 3-3 3-3 3-4 6 2 4 25 25 27 27 26 26 28 28 30 30 29 29 8 7 3-2 3-2 3-1 9 - 1 9 - 3 9 - 2 2 1 2 16 16 1 9 15 15 3 3 3 2 31 31 21 21 1 1 17 17 3-1 1-1 3-2 3 - 3…

MODEL TCM-3100J-2
0108-001
155
Key No. PART No. PART NAME Q’ty REMARKS
NOTE
7-3
1 630 028 9493 GEAR 2 659G--03H-006
2 630 000 8951 SET SCREW 4 M5X8 SET
3 630 058 8255 SHAFT 1 659G--03B-009
4 630 028 9480 GEAR 2 659G--03H-007
5 630 008 2296 SET SCREW 4 M4X4 SET
6 630 001 1890 BEARING,UNIT 3 659G--03H-005
6 -1 630 042 2115 WASHER 6 659G--03H-014
7 411 141 4107 WASHER V 5X10X1 6 FW5
8 411 141 6705 WASHER SPR 5 6 SW5
9 630 000 7800 BOLT,HEX-SCT 6 M5X35
13 630 061 4718 COVER 1 659G--03B-018
14 411 051 1708 SCR TRS 4X6 3 M4X6 TRS
16 630 056 3924 PULLEY,TIMING 1 659G--03H-043
17 630 000 8951 SET SCREW 2 M5X8 SET
20 630 056 2767 BRACKET(MOTOR L) 1 659G--03B-051
21 411 141 4107 WASHER V 5X10X1 2 FW5
22 411 141 6705 WASHER SPR 5 2 SW5
23 630 000 7749 BOLT,HEX-SCT 2 M5X10
24 630 009 5869 MOTOR,STEPPING 1 PM101(CVW1), #103-8572-7041
659G--03H-041
25 411 141 4107 WASHER V 5X10X1 2 FW5
26 411 141 6705 WASHER SPR 5 2 SW5
27 630 000 7763 BOLT,HEX-SCT 1 M5X16
27 -1 630 000 7787 BOLT,HEX-SCT 1 M5X25
28 630 001 0220 WASHER 1 659G--03H-027
29 411 141 6705 WASHER SPR 5 1 SW5
30 411 141 0505 NUT HEX 5 1 M5
33 630 056 3917 PULLEY,TIMING 1 659G--03H-042
34 630 000 8951 SET SCREW 2 M5X8 SET
35 630 048 9668 BELT,TIMING 1 659G--03H-044
36 630 056 2781 COVER(L) 1 659G--03B-052
37 411 051 1708 SCR TRS 4X6 3 M4X6 TRS
38 630 035 8384 BOSS(HANDLE) 1 659G--03B-055
39 630 008 2296 SET SCREW 2 M4X4 SET
50 630 082 6104 NAME PLATE,PARTS 1 659G--03B-056

MODEL TCM-3100J-2
0108-001
156
18
13
3-1
1-3
1-3
14
3-2
3-3
3-3
3-4
6
24
25
25
27
27
26
26
28
28
30
30
29
29
8
7
3-2
3-2
3-1
9-1
9-3
9-2
2
12
16
16
19
15
15
33
32
31
31
21
21
11
17
17
3-1
1-1
3-2
3-3
2
2
1
1
6
8
7
6
8
7
9-1
1
9-3
1-2
9-2
6
8
7
9-1
9-3
9-2
9-1
9-3
9-2
34
34
36
36
35
35
22
23
3-4
3-2
3-1
3-4
3-2
3-1
3-1
1-1
3-2
3-3
3-3
3-1
3-1
3-2
3-2
3-3
3-4
3-2
3-1
2
1
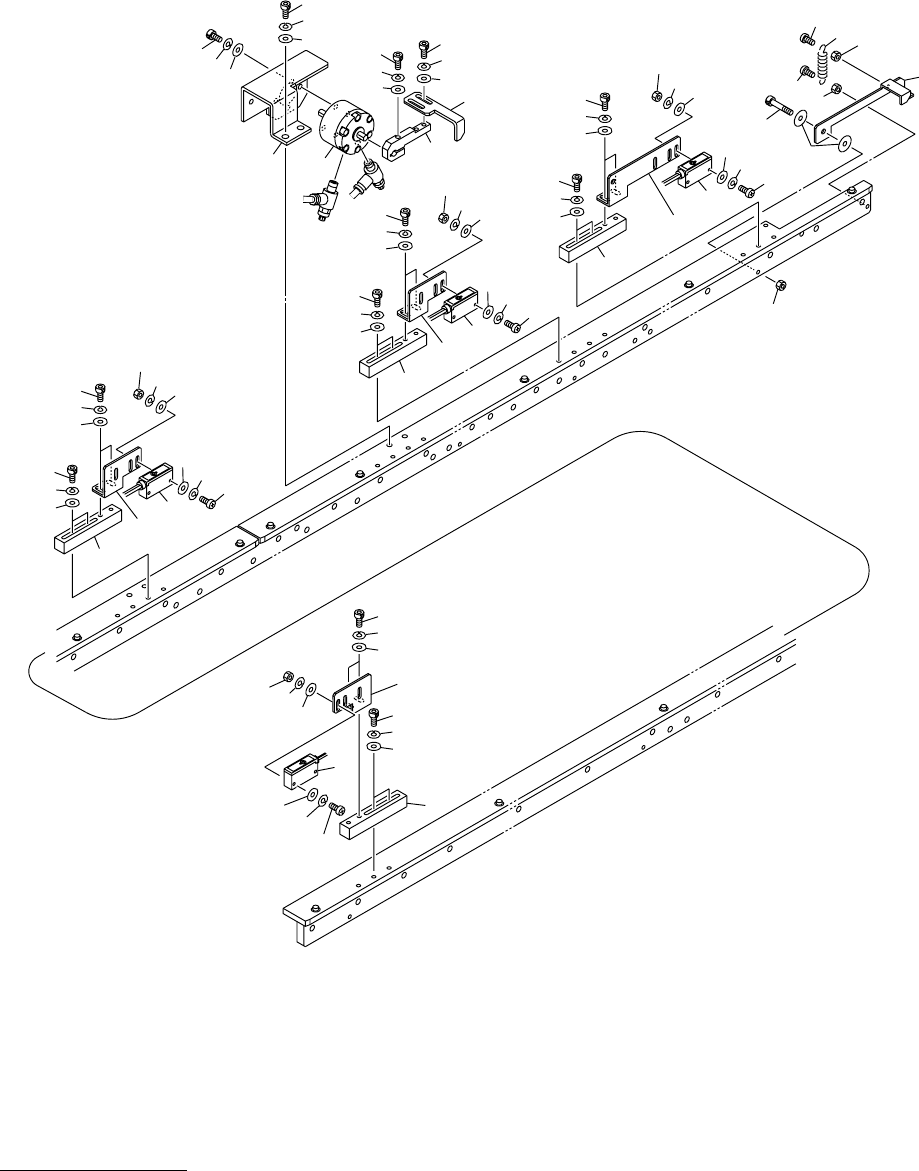
㧸ࠦࡦࡌࠕㇱ L CONVEYOR SECTION
Fig. 7-4 ၮ᧼ᬌㇱޔၮ᧼ࠬ࠻࠶ࡄ P.C.B. Detector, P.C.B. Stopper

MODEL TCM-3100J-2
0108-001
157
Key No. PART No. PART NAME Q’ty REMARKS
NOTE
7-4
1 630 056 1500 PLATE 4 659G--03B-033
1 -1 630 059 2405 BRACKET(PHOTO L) 2 659G--03B-016
1 -2 630 059 2412 BRACKET(PHOTO R) 1 659G--03B-039
1 -3 630 058 8804 BRACKET(PHOTO L) 1 659G--03B-040
2 630 060 6973 SENSOR,PHOTO 4 PHS125, PHS57, PHS58, PHS122
659G--03H-026
3 -1 411 119 1909 WASHER V 3X7X0.5 16 FW3 F
3 -2 411 086 4408 WASHER SPR 3 16 SW3 F
3 -3 411 162 1604 SCR PAN 3X20 8 M3X20 PAN
3 -4 411 054 6809 NUT HEX 3 8 M3 F
6 411 141 4008 WASHER V 4X9X0.8 8 FW4
7 411 141 2905 WASHER SPR 4 8 SW4
8 630 000 7619 BOLT,HEX-SCT 8 M4X8
9 -1 411 141 4008 WASHER V 4X9X0.8 8 FW4
9 -2 411 141 2905 WASHER SPR 4 8 SW4
9 -3 630 000 7664 BOLT,HEX-SCT 8 M4X20
11 630 047 6088 LEVER 1 659G--03B-015
12 630 001 0220 WASHER 2 659G--03H-027
13 630 000 7787 BOLT,HEX-SCT 1 M5X25
14 411 141 0604 NUT HEX 5 1 M5-3
15 411 054 6809 NUT HEX 3 1 M3 F
16 411 040 6202 SCR PAN 3X10 1 M3X10 PAN
17 411 054 8506 NUT HEX 4 1 M4 F
18 411 162 1505 SCR PAN 4X20 1 M4X20 PAN
19 630 001 8103 SPRING,TENSION 1 659G--03H-028
21 630 058 8811 BRACKET(CYL) 1 659G--03B-026
22 630 060 6980 ROTARY ACTUATOR 1 SV32 659G--03H-034
23 630 058 8712 LEVER 1 659G--03B-027
24 630 048 5448 LEVER 1 659G--03B-028
25 411 141 4008 WASHER V 4X9X0.8 2 FW4
26 411 141 2905 WASHER SPR 4 2 SW4
27 630 000 7626 BOLT,HEX-SCT 2 M4X10
28 411 141 4008 WASHER V 4X9X0.8 1 FW4
29 411 141 2905 WASHER SPR 4 1 SW4
30 630 000 7664 BOLT,HEX-SCT 1 M4X20
31 411 141 4008 WASHER V 4X9X0.8 2 FW4
32 411 141 2905 WASHER SPR 4 2 SW4
33 630 000 7626 BOLT,HEX-SCT 2 M4X10
34 411 141 4107 WASHER V 5X10X1 2 FW5
35 411 141 6705 WASHER SPR 5 2 SW5
36 630 000 7749 BOLT,HEX-SCT 2 M5X10