P-0196-001 - 第167页
MODEL TCM-3100J-2 0108-001 165 Key No. P AR T No. P AR T NAME Q’ty REMARKS NOTE 8-3 1 630 028 9493 G E A R 2 659H--03H-006 2 630 000 8951 SET SCRE W 4 M5 X8 SE T 3 630 058 8255 S H A F T 1 659H--03B-009 4 630 028 9480 G …

MODEL TCM-3100J-2
0108-001
164
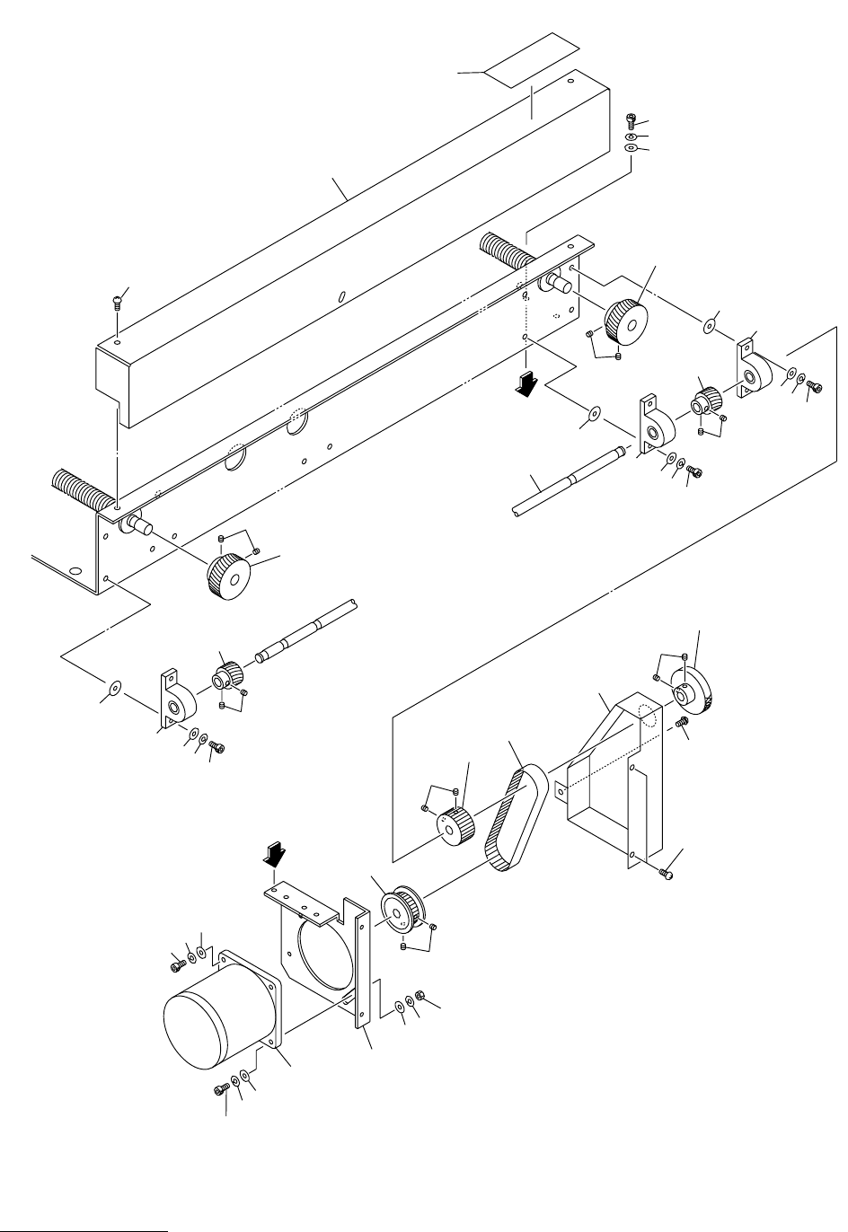
R ࠦࡦࡌࠕㇱ R CONVEYOR SECTION
Fig. 8-3 ࠼ࠗࡉࠪࡖࡈ࠻ Driving Shaft
27
26
25
25
24
24
28
20
20
34
33
A
A
17
16
35
36
39
38
37
37
37
37
30
30
29
27-1
27-1
26
2
1
7
8
9
6
6-1
5
4
5
4
2
1
7
8
9
6
6
6-1
6-1
6-1
7
8
9
3
14
13
13
23
50
22
21
Fig.8-3
TCM-3100J-2

MODEL TCM-3100J-2
0108-001
165
Key No. PART No. PART NAME Q’ty REMARKS
NOTE
8-3
1 630 028 9493 GEAR 2 659H--03H-006
2 630 000 8951 SET SCREW 4 M5X8 SET
3 630 058 8255 SHAFT 1 659H--03B-009
4 630 028 9480 GEAR 2 659H--03H-007
5 630 008 2296 SET SCREW 4 M4X4 SET
6 630 001 1890 BEARING,UNIT 3 659H--03H-005
6 -1 630 042 2115 WASHER 6 659H--03H-014
7 411 141 4107 WASHER V 5X10X1 6 FW5
8 411 141 6705 WASHER SPR 5 6 SW5
9 630 000 7770 BOLT,HEX-SCT 6 M5X35
13 630 081 4149 COVER 1 659H--03B-018
14 411 051 1708 SCR TRS 4X6 3 M4X6 TRS
16 630 056 3924 PULLEY,TIMING 1 659H--03H-043
17 630 000 8951 SET SCREW 2 M5X8 SET
20 630 056 2774 BRACKET(MOTOR R) 1 659H--03B-051
21 411 141 4107 WASHER V 5X10X1 2 FW5
22 411 141 6705 WASHER SPR 5 2 SW5
23 630 000 7749 BOLT,HEX-SCT 2 M5X10
24 630 009 5869 MOTOR,STEPPING 1 PM102(CVW2), #103-8572-7041
659H--03H-041
25 411 141 4107 WASHER V 5X10X1 2 FW5
26 411 141 6705 WASHER SPR 5 2 SW5
27 630 000 7763 BOLT,HEX-SCT 1 M5X16
27 -1 630 000 7787 BOLT,HEX-SCT 1 M5X25
28 630 001 0220 WASHER 1 659H--03H-027
29 411 141 6705 WASHER SPR 5 1 SW5
30 411 141 0505 NUT HEX 5 1 M5
33 630 056 3917 PULLEY,TIMING 1 659H--03H-042
34 630 000 8951 SET SCREW 2 M5X8 SET
35 630 048 9668 BELT,TIMING 1 659H--03H-044
36 630 056 2798 COVER(R) 1 659H--03B-052
37 411 051 1708 SCR TRS 4X6 3 M4X6 TRS
38 630 035 8384 BOSS(HANDLE) 1 659H--03B-055
39 630 008 2296 SET SCREW 2 M4X4 SET
50 630 082 6135 NAME PLATE,PARTS 1 659H--03B-056

MODEL TCM-3100J-2
0108-001
166
R ࠦࡦࡌࠕㇱ R CONVEYOR SECTION
Fig. 8-4 ၮ᧼ᬌㇱޔၮ᧼ࠬ࠻࠶ࡄ P.C.B. Detector, P.C.B. Stopper
2
6
8
7
9-1
9-1
9-3
9-3
9-2
9-2
9-1
1
1-3
1-3
9-3
9-2
3-4
3-2
3-1
3-1
1-4
3-2
3-3
1
2
6
8
7
9-1
9-3
9-2
3-4
3-2
3-1
3-1
1-1
3-2
3-3
1
1
33
33
32
31
34
34
36
36
35
35
21
23
22
28
28
30
30
29
29
24
24
25
25
27
27
26
26
9-1
9-3
9-2
6
8
7
1-2
3-4
3-4
3-2
3-1
3-1
3-1
3-2
3-3
2
6
8
7
3-4
3-4
3-2
3-1
3-1
3-1
3-2
3-3
2
13
13
18
17
16
16
15
19
19
12
12
11
11
14
Fig.8-4
TCM-3100J-2