P-0196-001 - 第263页
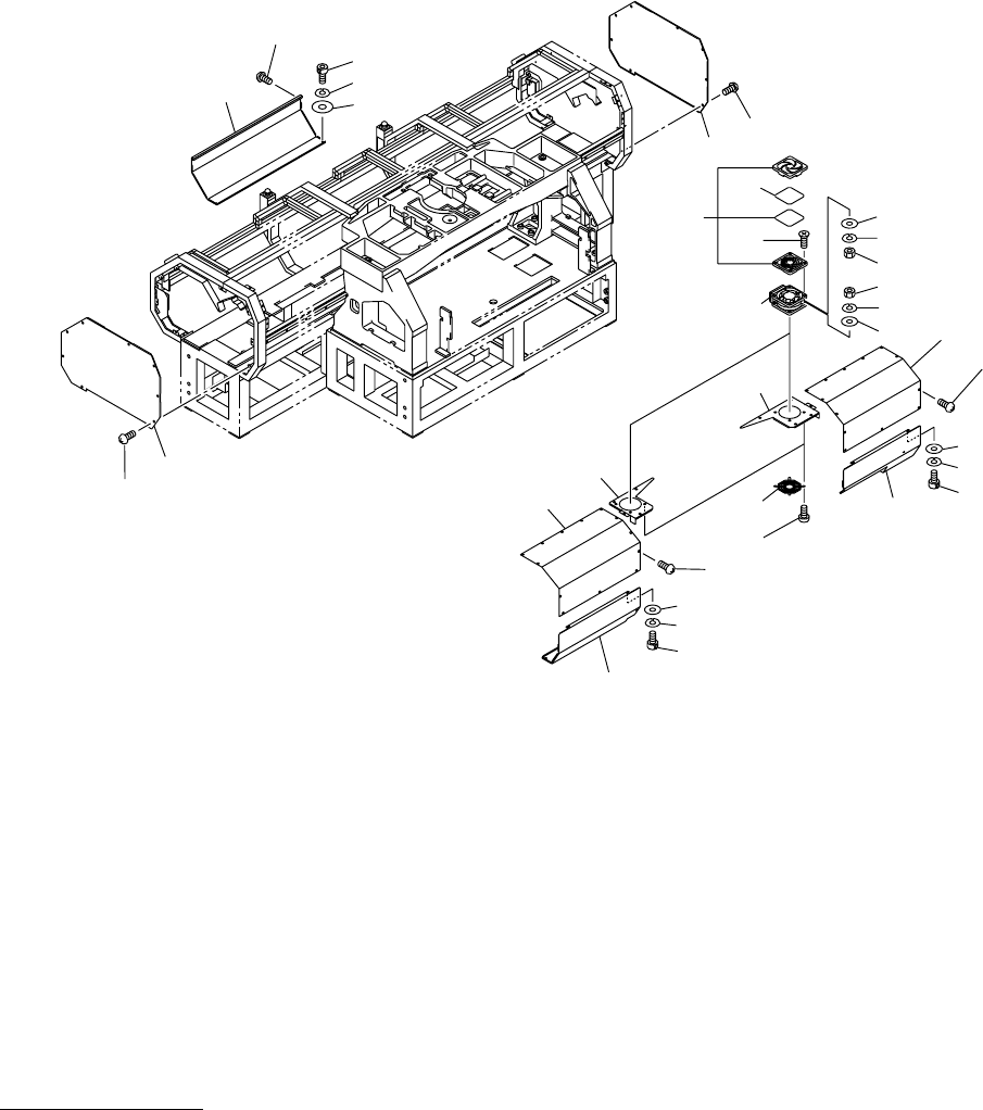
MODEL TCM-3100J-2 0108-001 261 Key No. P AR T No. P AR T NAME Q’ty REMARKS NOTE 13-2 53 630 065 9139 C O V E R 1 659RB-03B-031 54 630 065 9122 C O V E R 1 659RB-03B-030 55 630 001 0220 WA SH ER 6 BW5 5 6 411 1 41 67 05 W…

MODEL TCM-3100J-2
0108-001
260
ᓟ㕙ࠞࡃㇱ REAR COVER SECTION
Fig.13-2 ᓟ㕙ࠞࡃ Rear Cover
66
66
83
75
75
74
74
73
73
72
71
71
61
67
67
67
55
56
57
54
65
64
85
91
67
55
55
56
56
57
57
53
62
63
63
92
93
94
89
88
87
82
84
86
86
67

MODEL TCM-3100J-2
0108-001
261
Key No. PART No. PART NAME Q’ty REMARKS
NOTE
13-2
53 630 065 9139 COVER 1 659RB-03B-031
54 630 065 9122 COVER 1 659RB-03B-030
55 630 001 0220 WASHER 6 BW5
56 411 141 6705 WASHER SPR 5 6 SW5
57 630 000 7756 BOLT,HEX-SCT 6 M5X12
61 630 069 2624 COVER 1 659RB-03B-041
62 630 065 9061 COVER 1 659RB-03B-035
63 630 075 8351 COVER 1 659RB-03B-037
64 630 075 8344 COVER 1 659RB-03B-036
65 630 065 9054 COVER 1 659RB-03B-034
66 630 069 2617 COVER 1 659RB-03B-040
67 411 113 9109 SCR TRS 5X10 49 M5X10 TRS
71 630 078 3438 COVER 1 659RB-03B-156
72 411 140 8007 SCR TRS 5X6 2 M5X6 TRS
73 630 001 0220 WASHER 2 BW5
74 411 141 6705 WASHER SPR 5 2 SW5
75 630 000 7756 BOLT,HEX-SCT 2 M5X12
82 630 070 3061 MOTOR,AC 2 FAN11, FAN12, MRS16-BUL
659FB-03D-800
83 630 074 6853 ACCESSORY,MOT-M (FILTER) 2 659FB-03D-802
84 630 076 4932 ACCESSORY,MOT-M 2 659FB-03D-803
85 630 068 4292 ACCESSORY,MOT-M 2 659FB-03D-801
86 411 140 7406 SCR FLT 5X20 8 M5X20 FLT
87 411 088 1702 WASHER V 5X10X1 8 FW5 F
88 411 008 2109 WASHER SPR 5 8 SW5 F
89 411 118 8503 NUT HEX 5 8 M5 F
91 411 140 6508 SCR PAN 5X20 8 M5X20 PAN
92 411 088 1702 WASHER V 5X10X1 8 FW5 F
93 411 008 2109 WASHER SPR 5 8 SW5 F
94 411 118 8503 NUT HEX 5 8 M5 F

MODEL TCM-3100J-2
0108-001
262
ᓟ㕙ࠞࡃㇱ REAR COVER SECTION
Fig.13-3 ోࠞࡃ Guard Cover
See Fig.13-4
102
102
101
101
102
122
127
128
126
126
121
127
127
128
104
100
100
100
100
100
100
100
100
100
104
103
103
103
100
100
100
100
100