KD-775-Rev04PDFA.pdf - 第27页
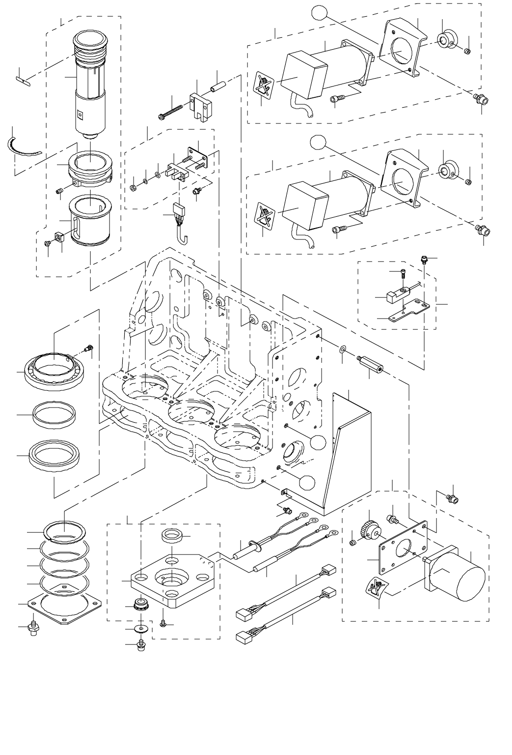
- 24 - RE F.NO NOTE PA RT NO D E S C R I P T I O N 品 名 Q ty 1 E 3018 -802 -0A0 H E AD MA IN B U S H AS M . ヘッドメインブッシュ組 3 2 E 3018 -802 -000 H E AD MA IN B U S H ヘッドメインブッシュ (1 ) 3 E 3019 -802 -0A0 H E AD TUB E ASM. ヘッドチュ−…

- 23 -
13. HEAD COMPONENTS(2)
ヘッド関係(2)
2
3
4
6
7
1
8
10
11
9
12
13
14
15
16
17
18
19
20
22
23
24
26
25
21
27
28
35
32
31
34
37
39
40
41
36
5
43
45
47
46
49
51
52
53
55
59
56
33
38
42
37
39
40
41
36
43
38
42
50
48
54
A
B
A
B
44
29
57
58
30
66
65
63
61
64
62
60

- 24 -
REF.NO NOTE PART NO D E S C R I P T I O N
品 名
Qty
1 E3018-802-0A0 HEAD MAIN BUSH ASM.
ヘッドメインブッシュ組
3
2 E3018-802-000 HEAD MAIN BUSH
ヘッドメインブッシュ
(1)
3 E3019-802-0A0 HEAD TUBE ASM.
ヘッドチュ−ブ組
(1)
4 E3022-802-000 FOLLOW BLOCK
フォロアブロック
(1)
5 SM-8040602-TP SCREW M4X0.7 L=6
止めねじ
(2)
6 E3021-802-000 SQUARE BLOCK スクエアブロック (1)
7 SM-4030455-SN SCREW
なべ小ねじ M 3 L =4
(1)
8 E3023-802-000 THRUST COLLAR
θ スラストカラー
3
9 SB-1400001-00 BEARING
ころがり軸受
3
10 E3024-802-000 GEAR
θギア
3
11 E3025-802-000 SCREW
θ フィックスねじ
3
12 E3029-802-000 THRUST RING
θ スラストリング
3
13 E3026-802-000 BEARING SHIM A
θ ベアリングシム A
6
14 E3027-802-000 BEARING SHIM B
θ ベアリングシム B
6
15 E3028-802-000 BEARING SHIM C
θ ベアリングシム C
6
16 E3030-802-000 ANCHOR PLATE
アンカープレート
3
17 E3059-802-000 LOCK STUD
温調ブロックスタッド
12
18 HD-0003500-00 MICRO SENSOR
フォトマイクロセンサ
2
19 GPK-26026000 SWITCH PEDAL GUIDE COLLAR スイッチペダルガイドカラー 4
20 SL-4033091-SC SCREW M3 L=30
なべ小ねじセムス M 3 X 0.5 L =30
4
21 E3031-802-0A0 PHOTO SENSOR BRACKET ASM.
フォトセンサブラケット組
1
22 E3031-802-000 PHOTO SENSOR BRACKET
フォトセンサブラケット
(1)
23 HD-0006700-00 SENSOR
センサー
(1)
24 NM-6030001-SC NUT M3
六角ナット M 3 X 0.5 1種
(2)
25 WS-0310002-KN SPRING WASHER M3
ばね座金 3.1 X 5.9 X 0.7
(2)
26 WP-0320501-SC WASHER M3
平座金 3.2 X 7 X 0.5
(2)
27 SL-6030692-TN BOLT
座金付き六角穴ボルト
2
28 E9322-802-0A0 PLACE SENSOR CABLE ASM. (1)
ポジションセンサ(1)ケ−ブル組
1
29 E9323-802-0A0 PLACE SENSOR CABLE ASM. (2)
ポジションセンサ(2)ケ−ブル組
1
30 E9324-802-0A0 PLACE SENSOR CABLE ASM. (3) ポジションセンサ(3)ケ−ブル組 1
31 E3032-802-0A0 OREGIN SENSOR BRACKET ASM.
θ 原点センサブラケット組
1
32 E3032-802-000 OREGIN SENSOR BRACKET
θ 原点センサブラケット
(1)
33 E9309-802-0A0 OREGIN SENSOR ASM.
θ 原点センサ組
(1)
34 SM-6850802-TN SCREW M2.5 L=8
六角穴ボルト M 2.5 L =8
(1)
35 SL-6030692-TN BOLT
座金付き六角穴ボルト
2
36 E3033-802-0A0 MOTOR BRACKET ASM.
θ モ−タブラケット組
2
37 E3033-802-000 S MOTOR BRACKET
S モータブラケット
(1)
38 KM-0000001-00 AC SERVO MOTOR
AC サーボモータ
(1)
39 400-63630 S MOTOR GEAR
S モータギア
(1)
40 SM-8050402-TP SCREW
止めねじ
(1)
41 SL-6041042-TN BOLT
座金付き六角穴ボルト
(2)
42 E3858-715-000 SEAL
手触れ禁止シール
(1)
43 SL-6051042-TN SCREW 座金付き六角穴ボルト 4
44 E3035-802-000 S MOTOR GEAR COVER
S モータギアカバー
1
45 SL-6030642-TN SCREW M3 L=6
座金付き六角穴ボルト
3
46 HX-0033900-0A SPACER L=25
基板パーツ
4
47 WP-0430801-SC WASHER 4.3X9X0.8
平座金 4.3 X 9 X 0.8
4
48 E3036-802-0A0 SELECT MOTOR BRACKET ASM.
セレクトモ−タブラケット組
1
49 E3036-802-000 P MOTOR BRACKET
P モータブラケット
(1)
50 E9295-802-0A0 SELECT MOTOR ASM.
セレクタモ−タ組
(1)
51 E3037-802-000 P MOTOR GEAR
P モータギア
(1)
52 SM-8050402-TP SCREW
止めねじ
(1)
53 SL-6040842-TN SCREW M4 L=8
座金付き六角穴ボルト
(4)
54 E3858-715-000 SEAL
手触れ禁止シール
(1)
55 SL-6040842-TN SCREW M4 L=8
座金付き六角穴ボルト
4
56 E3050-802-000 ZERO PLACE SEAL ゼロ位置シール 3
57 E9303-802-0A0 HEATER ASM.
ヒ−タ組
3
58 E9306-802-0A0 THERMOCOUPLE ASM.
熱電対組
3
59 E3049-802-000 SCALE SEAL
メモリシール
3
60 E3056-802-0A0 BLOCK F ASM.
温調ブロック F 組
3
61 E3056-802-000 BLOCK F
温調ブロック F
(1)
62 E3057-802-000 BLOCK METAL A
温調ブロックメタル A
(1)
63 E3058-802-000 BLOCK METAL B
温調ブロックメタル B
(4)
64 SM-5030501-SC SCREW M3 L=5
バインド小ねじ M 3 X 0.5 L =5
(2)
65 E3060-802-000 WASHER
温調ブロック座金
12
66 SL-6040842-TN SCREW M4 L=8
座金付き六角穴ボルト
12

- 25 -
14. HEAD RELATED COMPONENTS(1)
ヘッド廻り関係(1)
44
45
43
46
35
36
37
38
40
41
39
42
47
53
52
54
A
57
53
58
B
61
64
64
62
63
56
66
67
68
69
72
70
71
71
70
72
72
72
73
74
75
76
77
78
80
79
79
51
55
51
60
63
59
65
33
2
34
25
48
88
10
9
8
8
11
26
1
19
12
14
15
13
16
16
5
4
4
5
6
7
8
8
8
8
8
9
9
9
9
9
10
18
10
8
25
9
9
28
32
30
31
29
32
20
22
23
21
24
24
25
49
49
50
A
B
27
3
17