KE-3010_KE-3020V_KE-3020VR-Rev08 - 第270页
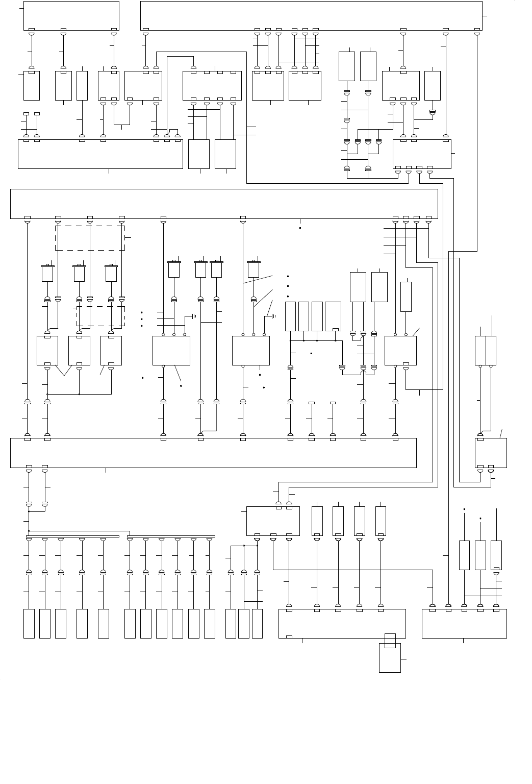
- 261 - 131.SYSTEM DIAGRAM(8)(AFTER M/C REV.E) SYSTEM DIAGRA M(8) (マシン REV.E 以降) 36 101 151 111 112 121 11 5 118 116 127 123 119 117 146 129 133 132 134 135 122 120 114 113 113 153 69 70 71 72 74 75 57 60 59 59 59 77 79 …

- 260 -
NOTE( 注記 ) #01....FOR EN EN 用
REF.NO NOTE PART NO D E S C R I P T I O N
品 名
Qty
1 401-10063 LEFT SENS ASM
LEFTセンサ組
1
2 401-10052 LEFT SENS CABLE ASM
LEFTセンサケーブル組
1
3 400-92569 BU PIN SENSOR EMISSION ASM
BUピン投光センサ組
1
4 401-10053 BU PIN(EMISSION) CABLE ASM
BUピン投光センサケーブル組
1
5 401-10064 WAIT SENSOR ASM
WAITセンサ組
1
6 401-10054 WAIT SENS CABLE ASM
WAITセンサケーブル組
1
7 401-10065 STOP SENSOR ASM
STOPセンサ組
1
8 401-10055 STOP SENS CABLE ASM
STOPセンサケーブル組
1
9 401-10066 C.OUT SENSOR ASM
C.OUTセンサ組
1
10 401-10056 C.OUT SENS CABLE ASM
C.OUTセンサケーブル組
1
11 400-92573 BU ORG SENS ASM
BU原点センサ組
1
12 401-10057 BU ORG SENS CABLE ASM
BU原点センサケーブル組
1
13 400-92574 BU LOCK SENS ASM
BUロックセンサ組
1
14 401-10058 BU LOCK SENS CABLE ASM
BUロックセンサケーブル組
1
15 400-92575 BU PIN SENSOR RECEIVER ASM
BUピン受光センサ組
1
16 401-10059 BU PIN(RECEVING) CABLE ASM
BUピン受光センサケーブル組
1
17 400-92576 T.PIN SENS ASM
TPINセンサ組
1
18 401-10060 TPIN SENS CABLE ASM
TPINセンサケーブル組
1
19 400-92577 AWC ORG SENS ASM
AWC原点センサ組
1
20 401-10061 AWC ORG SENS CABLE ASM
AWC原点センサケーブル組
1
21 401-10067 RIGHT SENS ASM
RIGHTセンサ組
1
22 401-10062 RIGHT SENS CABLE ASM
RIGHTセンサケーブル組
1
23 400-02147 VCS OP SENS ASM
オプションVCSセンサ組
1
24 401-09803 S VCS SENS CABLE ASM
S VCS SENS ケーブル組
1
25 400-02146 VCS ST SENS ASM
VCSセンサ組
1
26 400-02148 VCS S.V. CABLE ASM
VCSソレノイドバルブケーブル組
1
27 401-08607 S-LIGHT CTRL PCB ASM
Sライトコントロール基板組
1
28 401-09801 S VCS LED POWER CABLE ASM
S VCS LED 電源ケーブル組
1
29 401-13632 LIGHT CONTROL POWER ASM
ライトコントロール電源組
1
30 400-66577 BACK LIGHT PCB ASM
バックライト基板組
1
31 401-08603 S-SIDE-LIGHT PCB ASM
Sサイドライト基板組
4
32 401-08595 S-BOTTOM-LIGHT PCB ASM
Sボトムライト基板組
1
33 401-09802 S VCS LIGHT CABLE ASM
S VCS ライトケーブル組
1
34 401-09805 S BACK LIGHT CABLE ASM
S バックライトケーブル組
1
35 401-09804 S SIDE LIGHT CABLE ASM
S サイドライトケーブル組
4
36 400-66576 COAXIAL LIGHT PCB ASM
同軸照明基板組
1
37 400-71300 IPX7 ASM
IPX7組図
1
38 401-09806 CAMERA TRIG CABLE ASM
カメラ TRIG ケーブル組
1
39 E9623-721-000 PORTRAIT MONITOR CABLE
画像モニタケーブル
1
40 401-13633 VCS CAMERA ST CABLE ASM
VCSカメラ ST ケーブル組
1
41 400-71669 VCS CAMERA
VCSカメラ
1
42 400-71668 LENZE STD
レンズSTD
1
43 401-13634 VCS CAMERA OP CABLE ASM
VCSカメラ OP ケーブル組
1
44 400-71669 VCS CAMERA
VCSカメラ
1
45 400-71667 LENZE OPT
レンズOPT
1
46 401-09797 X ENCODER OUTPUT CABLE ASM
Xエンコーダ出力ケーブル組
1
47 400-44538 SERVO AMP 750W
X軸サーボアンプ750W
1
48 401-10051 SB CABLE ASM
センサブロック束線組
1
49 400-92634 BASE-IO SPWR-LR RLY CABLE ASM
BASE−IO SPWR−LR中継ケーブル組
1
50 400-92631 BASE-IO SENS RLY CABLE ASM
BASE−IO SENS 中継ケーブル組
1
51 400-71680 BASE IO PCB ASM
ベースIO基板組
1
52 400-92630 BASE-IO POWER RLY CABLE ASM
BASE−IO 電源中継ケーブル組
1
53 401-10018 BASE-IO PWR CABLE ASM
BASE−IO 電源ケーブル組
1
54 400-92628 BASE-IO MTR1-3 RLY CABLE ASM
BASE−IO MTR1−3中継ケーブル組
1
55 401-10029 MT1-3 PULSE CABLE ASM
モータ1−3パルスケーブル組
1
56 HM-0013200-00 MOTOR DRIVER
モータドライバ
3
57 401-10026 IN-MOTOR CABLE ASM
INモータケーブル組
1
58 401-10023 IN MOTOR PWR CABLE ASM
INモータ電源ケーブル組
1
59 400-48074 CENTER MOTOR ASM
センタモータ組
3
60 401-10027 CENT-MOTOR CABLE ASM
CENTモータケーブル組
1
61 401-10024 CENT MOTOR PWR CABLE ASM
CENTモータ電源ケーブル組
1
62 401-10028 OUT-MOTOR CABLE ASM
OUTモータケーブル組
1
63 401-10025 OUT MOTOR PWR CABLE ASM
OUTモータ電源ケーブル組
1
64 400-92629 BASE-IO MTR4-5 RLY CABLE ASM
BASE−IO MTR4−5中継ケーブル組
2
65 401-10030 BU DRIVE CABLE ASM
バックアップドライバケーブル組
1
66
#01
401-10031 BU DRIVE CABLE ASM(EN)
バックアップドライバケーブル組
1
67 HX-0042000-00 5 PHASE STEP DRIVER
5相ステッピングモータドライバ
2
68
#01
HX-0054500-00 5 PHASE STEP DRIVER
5相ステッピングモータドライバ
2
69 401-10019 BU DRV PWR CABLE ASM
BUドライバ電源ケーブル組
1
70
#01
401-10020 BU DRV PWR CABLE ASM(EN)
BUドライバ電源ケーブル組(EN)
1
71 401-10032 BU MOTOR CABLE ASM
バックアップモータケーブル組
1
72
#01
401-10033 BU MOTOR CABLE ASM(EN)
バックアップモータケーブル組(EN)
1
73 400-48076 BACK UP MOTOR ASM
バックアップモータ組
1
74 401-10034 BU DRV FG CABLE ASM
BUドライバFGケーブル組
1
75
#01
401-10035 BU DRV FG CABLE ASM(EN)
BUドライバFGケーブル組(EN)
1
76 400-92626 BASE-IO ENC RLY CABLE ASM
BASE−IO ENC 中継ケーブル組
1
77 401-10036 BU ENC CABLE ASM
BUエンコーダケーブル組
1
78 E9433-729-0A0 BU ENC ASM.
BU ENC組
1
79 401-10043 AWC ENC CABLE ASM
AWC エンコーダケーブル組
1
80 400-48077 AWC MOTOR ASM
幅調モータ組
2
81 401-10037 AWC DRIVE CABLE ASM
AWC モータケーブル組
1
82
#01
401-10038 AWC DRIVE CABLE ASM(EN)
AWC モータケーブル組(EN)
1
83 401-10021 AWC DRV PWR CABLE ASM
AWC ドライバ電源ケーブル組
1
84
#01
401-10022 AWC DRV PWR CABLE ASM(EN)
AWC ドライバ電源ケーブル組(EN)
1
85 401-10039 AWC MOTOR CABLE ASM
AWC モータケーブル組
1
86
#01
401-10040 AWC MOTOR CABLE ASM(EN)
AWC モータケーブル組(EN)
1
87 401-10041 AWC DRV FG CABLE ASM
AWC ドライバ FG ケーブル組
1
88
#01
401-10042 AWC DRV FG CABLE ASM(EN)
AWC ドライバ FG ケーブル組(EN)
1
89 400-92633 BASE-IO SOL RLY CABLE ASM
BASE−IO SOL 中継ケーブル組
1
90 401-10044 SV CABLE ASM
ソレノイドバルブケーブル組
1
91 401-10045 SV WIRE ASM
ソレノイドバルブワイヤー組
1
92
#01
401-10046 SV WIRE ASM (EN)
ソレノイドバルブワイヤー組(EN)
1
93 401-10047 SMEMA IN CABLE ASM
SMEMA IN ケーブル組
1
94 401-10048 SMEMA OUT CABLE ASM
SMEMA OUT ケーブル組
1
95 400-92632 BASE-IO SENS-FX RLY CABLE ASM
BASE−IO SENS−FX中継ケーブル組
1
96 401-13660 FLUXER RELAY CABLE ASM
フラクサリレーケーブル組
1
97 400-99908 FLUXER BASE RELAY CABLE ASM
フラクサベース中継ケーブル組
1
98 400-99909 FLUXER BANK RELAY CABLE ASM
フラクサバンク中継ケーブル組
1
99 400-92624 BASE-IO AN-IN RLY CABLE ASM
BASE−IO AN−IN 中継ケーブル組
1
100 401-13658 LOAD CELL ANAROG CABLE ASM
ロードセルアナログケーブル組
1
101 400-32128 LOAD CELL AMPLIFIER
ロードセルアンプ
1
102 401-13659 LOAD CELL CTRL CABLE ASM
ロードセル CTRL ケーブル組
1
103 400-31620 LOAD CELL ASM
ロードセル組
1
104 401-13657 LOAD CELL AMP PWR CABLE ASM
ロードセルアンプ電源ケーブル組
1
105 401-09801 S VCS LED POWER CABLE ASM
S VCS LED 電源ケーブル組
1
106 401-13632 LIGHT CONTROL POWER ASM
ライトコントロール電源組
1
107 401-13671 CVS POWER CABLE ASM
CVS電源ケーブル組
1
108 400-95117 CVS PCB ASM
CVS基板組
1
109 401-01188 CVS PROBE CABLE ASM
CVSプローブケーブル組
1
110 401-03180 CVS CONTACT CABLE(+) ASM
CVSコンタクトケーブル(+)組
1
111 401-14531 POWER UNIT ASM
電源ユニット組
1
112 401-13723 CPU BOARD
CPUボード
1
113 400-44522 USB RELAY CABLE
USB延長ケーブル
2
114 400-45441 SSD I/F CABLE ASM
SSD I/F ケーブル組
1
115 401-13004 ENVIRONMENT SYSTEM DISK 132V
環境システムディスク 132V
1
116 401-06795 S-XY RELAY PCB ASM
S−XYリレー基板組
1
117 400-97424 COPLA POWER CABLE ASM
コプラ電源ケーブル組
1
118 400-44539 SERVO AMP 2000W
Y軸サーボアンプ2000W
1
119 401-13695 COPLANARITY ENCODER CABLE ASM
コプラナリティエンコーダケーブル組
1
120 HW-0018100-80 LAN CABLE
LANケーブル
1
121 400-97209 CPU BOARD
CPUボード
1
122 400-48031 PANEL LINK CABLE 1M
パネルリンクケーブル 1M
2
123 401-02830 LAN CABLE(CAT6)
LANケーブル(CAT6)
1
124 401-02814 MONITOR SWITCH COM CABLE ASM
モニタ切り換え通信ケーブル組
1
125 400-48082 SUPER INPAUSE BOARD
スーパーインポーズボード
1
126 401-13615 MOUSE/KEYBOARD SELECTOR CABLE ASM
マウス/キーボード切り換え器ケーブル組
1
127 400-97434 COPLA MONITOR SWITCH BOARD
コプラモニタ切り換えボード
1
128 400-03312 PANEL LINK CABLE
パネルリンクケーブル
1
129 400-03281 MOUSE/KEYBOARD SELECTOR
マウス/キーボード切り換え器
1
130 400-03318 KEY BOARD SP ASM
キーボードスペーサ追加組
2
131 400-80173 OPTICAL SCROLL MOUSE
光学式スクロールマウス
2
132 401-13628 F-MOUSE CABLE ASM
F−マウスケーブル組
1
133 401-13631 R-KEY BOARD CABLE ASM
R−キーボードケーブル組
1
134 401-13630 F-KEY BOARD CABLE ASM
F−キーボードケーブル組
1
135 401-13629 R-MOUSE CABLE ASM
R−マウスケーブル組
1
136 401-10080 R-232C CABLE ASM
R−232Cケーブル組
1
137 401-10079 F-232C CABLE ASM
F−232Cケーブル組
1
138 400-02264 OP-232C CABLE ASM
オプション232Cケーブル組
1
139 400-48083 15INCH LCD MODULE
15INCH LCDモジュール
2
140 400-48032 PANEL LINK CABLE 4.5M
パネルリンクケーブル 4.5M
1
141 401-10076 F LCD POWER CABLE ASM
フロント LCD 電源ケーブル組
1
142 400-48006 ATX PSU
ATX電源
1
143 401-10078 INPAUSE BOARD PWR CABLE ASM
インポーズ基板電源ケーブル組
1
144 401-10077 R LCD POWER CABLE ASM
リア LCD 電源ケーブル組
1
145 400-48030 UPS 232C CABLE ASM
UPS通信ケーブル組
1
146 400-97422 COPLANARITY SENSOR
コプラナリティセンサー
1
147 400-48032 PANEL LINK CABLE 4.5M
パネルリンクケーブル 4.5M
1
148 401-10081 TOUCH PANEL 232C CABLE ASM
タッチパネル232Cケーブル組
1
149 401-13672 CVS COMM CABLE ASM
CVS COMM ケーブル組
1
150 400-48003 IEEE1394 BOARD
IEEE1394ボード
1
151 401-05380 CVS CONTACT CABLE(-) ASM
CVSコンタクトケーブル(−)組
1

- 261 -
131.SYSTEM DIAGRAM(8)(AFTER M/C REV.E)
SYSTEM DIAGRAM(8)(マシン REV.E 以降)
36
101
151
111
112
121115
118
116
127
123
119117
146
129
133
132
134
135
122
120114
113
113
153
69
70
71
72
74
75
57
60
595959
77
79
90
67
68
87
88
85
86
83
84
73 78 80 80
56
56
55
5452
53
67
68
7664
65
66
81
82
64
91
92
89 93 94
98
97
96
95 99
100
102
103
104
105
106
107
108
110
109
47
41
45
41
42
30 31 31 31
27
29
28
51
5049
48
32
25
26
46
43
40
39
38
37
35353534
33
23
24
22
1
20
19
18
17
16
15
14
13
12
11
108642
17131
3-3B
BASE I/O PCB 2/2
2-5B
CN12
CN16
CN1 C N 2
CN1 C N 2
CN1 C N 2
INM
INM-P
CM
CM-P
OTM
OTM-P
CN34
CN35
CN33
CN14
CN15
CN17
CN18
CN17
CN14
CN14
CN12
BUM
BUE
AWCE
CN11
AWCM
CN16
CN12
CN27
CN25
CN13
(SAFTY UNIT)
CN909
CN3
CN4
SB1
CN22
CN23
CN9
CN10
SB2
CN21
CN8
EV
FLUX SV
FLUXER1
FLUXER
UNIT ASM
(BASE)
2P
4P
BANK
FLUXER
UNIT ASM
(BANK)
CN15
CN5
CN8
CN1
CN10 C N6CN2 CN1
CN475
CN474
CN476
CN9 CN1
CN1CN6
CN1 CN4
S BOTTOM
LIGHT PCB
SLIGHT
CTRL PCB
2/2
BACK
LIGHT PCB
SSIDE
LIGHT PCB
2-1A
COAXIAL
LIGHT PCB
IP-X7
PCB 2/2
2-1B
AC1
AC2
VOUT
CN36
KB/MS PC
KB1
MS1
KB2
MS2
RS1
RS2
DVI1
USB
USB
HDD
3-5B
CN1
CN3
CN2
DVI1
LAN
LAN1
LANLAN2
CVS PCB
CN28
CN2
CN1
CN3
CVS
CONTACT(+)
CVS
CONTACT(-)
1-3D
CN8
CN60
CN7
CN1CN6
SSIDE
LIGHT PCB
CN1CN6
SSIDE
LIGHT PCB
CN6
CN9
IP-X7 ENC
XENC
S-XY RELAY
PCB 3/3
CN13
2-5C
YL SERVO AMP
MR-J4-200B-KM012
2/2
YENC
1-2C
CN8
1-2B
FLUXER2
STOPPER SV
IN MOTOR DRV
CENT
MOTOR DRV
OUT
MOTOR DRV
IN MOTOR
CENT MOTOR
OUT MOTOR
5PHASE
DRIVER
BU UP MOTOR
BU UP ENCODER
AWC MOTOR
5PHASE
DRIVER
AWC MOTOR
SHAPE Y SV
(BU_L LOCK SV)
SMEMA
(UPPER
UNIT)
SMEMA
(LOWER
UNIT)
LEFT SENSOR
BU PIN SENSOR
(EMISSION)
WAIT SENSOR
STOP SENSOR
COUT SENSOR
BU ORG
SENSOR
BU LOCK
SENSOR
BU PIN SENSOR
(RECEIVING)
T.PIN SENSOR
AWC ORG
SENSOR
RIGHT SENSOR
LOAD
CELL AMP
LOAD
CELL ASM
VCS OP
SENS ASM
VCS ST
SENS ASM
VCS S.V.
CABLE ASM
LENZE
ST
LENZE
OP
VCS
CAMERA
VCS
CAMERA
MOUSE
/KEYBOARD
SELECTOR
SSD
COPLA
CPU BOAD
COPLA
MONITOR
SWITCH
BOARD 2/2
COPLA
SENSOR
HEAD
X SERVO
AMP
MR-J4-70B-KM012
SMEMA
(UPPER
UNIT)
58
KB
MOUSE
PS2 KEYBOARD
SP ASM
PS2 KEYBOARD
SP ASM
124
128
SUPER
IMPOSE
BOARD
DVI PC
M1(OUT 12V)
DVI2
M2(OUT 12V)
DVI1
INPUT DC12V
RS PC1
RSPC
RS2
RS1
RS232C
VIDEO
DC12V
RS232C
VIDEO
DC12V
MONITOR(F)
MONITOR(R)
63 63
126
122
137
140
CN701
CN702CN703SIO7
ATX-9
CN713
ATX-9
CN711
SIO8
CODE READER
(HEAD)
CODE READER
(CONVEYOR)
8-PORT COM BOARD
ATX-POWER 2/2
1-2D
COM
CN6
BR
BARCODE READER
CN9
CN5
CPU BOAD 3/3
POWER UNIT 5/5
SIO3
SIO4
SIO5
SIO7/8
SIO2
SIO1
SIO6
5
136
140
130
141 141
139
138
131
143
144
21
142 152
148
9
145
150
147
NTSC1
125
62 62
6144
149
2-5B

- 262 -
NOTE( 注記 ) #01....FOR EN EN 用
REF.NO NOTE PART NO D E S C R I P T I O N
品 名
Qty
1 401-35828 LR WAIT COUT SENS ASM
LR ウェイトCOUTセンサ組
1
2 401-10052 LEFT SENS CABLE ASM
LEFTセンサケーブル組
1
3 400-92569 BU PIN SENSOR EMISSION ASM
BUピン投光センサ組
1
4 401-10053 BU PIN(EMISSION) CABLE ASM
BUピン投光センサケーブル組
1
5 401-35794 F_LCD PWR CABLE ASM
フロントLCD電源ケーブル組
1
6 401-10054 WAIT SENS CABLE ASM
WAITセンサケーブル組
1
7 401-10065 STOP SENSOR ASM
STOPセンサ組
1
8 401-10055 STOP SENS CABLE ASM
STOPセンサケーブル組
1
9 401-22800 DC POWER CABLE ASM
DC電源ケーブル組
1
10 401-10056 C.OUT SENS CABLE ASM
C.OUTセンサケーブル組
1
11 400-92573 BU ORG SENS ASM
BU原点センサ組
1
12 401-10057 BU ORG SENS CABLE ASM
BU原点センサケーブル組
1
13 400-92574 BU LOCK SENS ASM
BUロックセンサ組
1
14 401-10058 BU LOCK SENS CABLE ASM
BUロックセンサケーブル組
1
15 400-92575 BU PIN SENSOR RECEIVER ASM
BUピン受光センサ組
1
16 401-10059 BU PIN(RECEVING) CABLE ASM
BUピン受光センサケーブル組
1
17 400-92576 T.PIN SENS ASM
TPINセンサ組
1
18 401-10060 TPIN SENS CABLE ASM
TPINセンサケーブル組
1
19 400-92577 AWC ORG SENS ASM
AWC原点センサ組
1
20 401-10061 AWC ORG SENS CABLE ASM
AWC原点センサケーブル組
1
21 401-35975 SUPERIMPOSE BOARD POWER CABLE ASM
スーパーインポーズ基板電源束線組
1
22 401-10062 RIGHT SENS CABLE ASM
RIGHTセンサケーブル組
1
23 400-02147 VCS OP SENS ASM
オプションVCSセンサ組
1
24 401-09803 S VCS SENS CABLE ASM
S VCSセンサケーブル組
1
25 400-02146 VCS ST SENS ASM
VCSセンサ組
1
26 400-02148 VCS S.V. CABLE ASM
VCSソレノイドバルブケーブル組
1
27 401-08607 S-LIGHT CTRL PCB ASM
Sライトコントロール基板組
1
28 401-09801 S VCS LED POWER CABLE ASM
S VCS LED 電源ケーブル組
1
29 401-13632 LIGHT CONTROL POWER ASM
ライトコントロール電源組
1
30 400-66577 BACK LIGHT PCB ASM
バックライト基板組
1
31 401-08603 S-SIDE-LIGHT PCB ASM
Sサイドライト基板組
4
32 401-08595 S-BOTTOM-LIGHT PCB ASM
Sボトムライト基板組
1
33 401-09802 S VCS LIGHT CABLE ASM
S VCS ライトケーブル組
1
34 401-09805 S BACK LIGHT CABLE ASM
S バックライトケーブル組
1
35 401-09804 S SIDE LIGHT CABLE ASM
S サイドライトケーブル組
4
36 400-66576 COAXIAL LIGHT PCB ASM
同軸照明基板組
1
37 400-71300 IPX7 ASM
IPX7組図
1
38 401-09806 CAMERA TRIG CABLE ASM
カメラ TRIG ケーブル組
1
39 E9623-721-000 PORTRAIT MONITOR CABLE
画像モニタケーブル
1
40 401-13633 VCS CAMERA ST CABLE ASM
VCSカメラ ST ケーブル組
1
41 400-71669 VCS CAMERA
VCSカメラ
1
42 400-71668 LENZE STD
レンズSTD
1
43 401-13634 VCS CAMERA OP CABLE ASM
VCSカメラ OP ケーブル組
1
44 400-42180 FLUXER CYLINDER UNIT ASM
フラクサシリンダユニット組
1
45 400-71667 LENZE OPT
レンズOPT
1
46 401-09797 X ENCODER OUTPUT CABLE ASM
Xエンコーダ出力ケーブル組
1
47 401-29652 X AXIS DRIVER
X軸ドライバ
1
48 401-10051 SB CABLE ASM
センサブロック束線組
1
49 400-92634 BASE-IO SPWR-LR RLY CABLE ASM
BASE−IO SPWR−LR中継ケーブル組
1
50 400-92631 BASE-IO SENS RLY CABLE ASM
BASE−IO SENS 中継ケーブル組
1
51 400-71680 BASE IO PCB ASM
ベースIO基板組
1
52 400-92630 BASE-IO POWER RLY CABLE ASM
BASE−IO 電源中継ケーブル組
1
53 401-10018 BASE-IO PWR CABLE ASM
BASE−IO 電源ケーブル組
1
54 400-92628 BASE-IO MTR1-3 RLY CABLE ASM
BASE−IO MTR1−3中継ケーブル組
1
55 401-10029 MT1-3 PULSE CABLE ASM
モータ1−3パルスケーブル組
1
56 HM-0013200-00 MOTOR DRIVER
モータドライバ
3
57 401-10026 IN-MOTOR CABLE ASM
INモータケーブル組
1
58 401-31765 MOTOR DRIVER POWER CABLE ASM
モータードライバ電源束線組
1
59 400-48074 CENTER MOTOR ASM
センタモータ組
3
60 401-31766 CENT/OUT MOTOR CABLE ASM
センター/アウトモーター制御束線組
1
61 400-97610 FLUXER CYLINDER BANK UNIT ASM
フラクサシリンダバンクユニット組
1
62 401-32159 PS2 KEYBOARD SP ASM
PS2 キーボードSP組
1
63 401-22812 15INCH LCD MONITOR
15INCH LCDモニタ
1
64 400-92629 BASE-IO MTR4-5 RLY CABLE ASM
BASE−IO MTR4−5中継ケーブル組
2
65 401-10030 BU DRIVE CABLE ASM
バックアップドライバケーブル組
1
66
#01
401-10031 BU DRIVE CABLE ASM(EN)
バックアップドライバケーブル組
1
67 HX-0042000-00 5 PHASE STEP DRIVER
5相ステッピングモータドライバ
2
68
#01
HX-0068900-00 5 PHASE STEP DRIVER
5相ステッピングモータドライバ
2
69 401-10019 BU DRV PWR CABLE ASM
BUドライバ電源ケーブル組
1
70
#01
401-10020 BU DRV PWR CABLE ASM(EN)
BUドライバ電源ケーブル組(EN)
1
71 401-10032 BU MOTOR CABLE ASM
バックアップモータケーブル組
1
72
#01
401-10033 BU MOTOR CABLE ASM(EN)
バックアップモータケーブル組(EN)
1
73 400-48076 BACK UP MOTOR ASM
バックアップモータ組
1
74 401-10034 BU DRV FG CABLE ASM
BUドライバFGケーブル組
1
75
#01
401-10035 BU DRV FG CABLE ASM(EN)
BUドライバFGケーブル組(EN)
1
76 400-92626 BASE-IO ENC RLY CABLE ASM
BASE−IO ENC 中継ケーブル組
1
77 401-10036 BU ENC CABLE ASM
BUエンコーダケーブル組
1
78 E9433-729-0A0 BU ENC ASM.
BU ENC組
1
79 401-10043 AWC ENC CABLE ASM
AWC エンコーダケーブル組
1
80 400-48077 AWC MOTOR ASM
幅調モータ組
2
81 401-10037 AWC DRIVE CABLE ASM
AWC モータケーブル組
1
82
#01
401-10038 AWC DRIVE CABLE ASM(EN)
AWC モータケーブル組(EN)
1
83 401-10021 AWC DRV PWR CABLE ASM
AWC ドライバ電源ケーブル組
1
84
#01
401-10022 AWC DRV PWR CABLE ASM(EN)
AWC ドライバ電源ケーブル組(EN)
1
85 401-10039 AWC MOTOR CABLE ASM
AWC モータケーブル組
1
86
#01
401-10040 AWC MOTOR CABLE ASM(EN)
AWC モータケーブル組(EN)
1
87 401-10041 AWC DRV FG CABLE ASM
AWC ドライバ FG ケーブル組
1
88
#01
401-10042 AWC DRV FG CABLE ASM(EN)
AWC ドライバ FG ケーブル組(EN)
1
89 400-92633 BASE-IO SOL RLY CABLE ASM
BASE−IO SOL 中継ケーブル組
1
90 401-10044 SV CABLE ASM
ソレノイドバルブケーブル組
1
91 401-10045 SV WIRE ASM
ソレノイドバルブワイヤー組
1
92
#01
401-10046 SV WIRE ASM (EN)
ソレノイドバルブワイヤー組(EN)
1
93 401-10047 SMEMA IN CABLE ASM
スメマINケーブル組
1
94 401-10048 SMEMA OUT CABLE ASM
スメマOUTケーブル組
1
95 400-92632 BASE-IO SENS-FX RLY CABLE ASM
BASE−IO SENS−FX中継ケーブル組
1
96 401-13660 FLUXER RELAY CABLE ASM
フラクサリレーケーブル組
1
97 400-99908 FLUXER BASE RELAY CABLE ASM
フラクサベース中継ケーブル組
1
98 400-99909 FLUXER BANK RELAY CABLE ASM
フラクサバンク中継ケーブル組
1
99 400-92624 BASE-IO AN-IN RLY CABLE ASM
BASE−IO AN−IN 中継ケーブル組
1
100 401-13658 LOAD CELL ANAROG CABLE ASM
ロードセルアナログケーブル組
1
101 400-32128 LOAD CELL AMPLIFIER
ロードセルアンプ
1
102 401-13659 LOAD CELL CTRL CABLE ASM
ロードセルコントロールケーブル組
1
103 400-31620 LOAD CELL ASM
ロードセル組
1
104 401-13657 LOAD CELL AMP PWR CABLE ASM
ロードセルアンプ電源ケーブル組
1
105 401-09801 S VCS LED POWER CABLE ASM
S VCS LED 電源ケーブル組
1
106 401-13632 LIGHT CONTROL POWER ASM
ライトコントロール電源組
1
107 401-13671 CVS POWER CABLE ASM
CVS電源ケーブル組
1
108 400-95117 CVS PCB ASM
CVS基板組
1
109 401-01188 CVS PROBE CABLE ASM
CVSプローブケーブル組
1
110 401-03180 CVS CONTACT CABLE(+) ASM
CVSコンタクトケーブル(+)組
1
111 401-33955 POWER SUPPLY UNIT ASM
電源ユニット組
1
112
#01
401-33958 POWER SUPPLY UNIT (EN) ASM
電源ユニット(EN)組
1
113 400-44522 USB RELAY CABLE
USB延長ケーブル
2
114 400-45441 SSD I/F CABLE ASM
SSD I/F ケーブル組
1
115 401-36156 ENVIRONMENT SYSTEM ASM 132VE
環境ディスク組 132VE
1
116 401-06795 S-XY RELAY PCB ASM
S−XYリレー基板組
1
117 400-97424 COPLA POWER CABLE ASM
コプラ電源ケーブル
1
118 401-29654 Y AXIS DRIVER
Y軸ドライバ
1
119 401-13695 COPLANARITY ENCODER CABLE ASM
コプラナリティエンコーダケーブル組
1
120 HW-0018100-80 SHIELDED CABLE
LANケーブル
1
121 400-97209 CPU BOARD
CPUボード
1
122 400-48031 PANEL LINK CABLE 1M
パネルリンクケーブル 1M
2
123 401-02830 LAN CABLE(CAT6)
LANケーブル(CAT6)
1
124 401-02814 MONITOR SWITCH COM CABLE ASM
モニタ切り換え通信ケーブル組
1
125 401-97864 SUPER IMPOSE BOARD
スーパーインポーズボード
1
126 401-13615 MOUSE/KEYBOARD SELECTOR CABLE ASM
マウス/キーボード切り換え器ケーブル組
1
127 401-32154 COPLA MONITOR SWITCHING BOARD
コプラナリティ画面切り替え基板
1
128 400-03312 PANEL LINK CABLE
パネルリンクケーブル
1
129 400-03281 MOUSE/KEYBOARD SELECTOR
マウス/キーボード切り換え器
1
130 401-35795 R_LCD PWR CABLE ASM
リアLCD電源ケーブル
2
131 401-22798 2D READER I/F H CABLE ASM
2次元リーダーI/F Hケーブル組
2
132 401-13628 F-MOUSE CABLE ASM
F−マウスケーブル組
1
133 401-13631 R-KEY BOARD CABLE ASM
R−キーボードケーブル組
1
134 401-13630 F-KEY BOARD CABLE ASM
F−キーボードケーブル組
1
135 401-13629 R-MOUSE CABLE ASM
R−マウスケーブル組
1
136 401-10080 R-232C CABLE ASM
R−232Cケーブル組
1
137 401-10079 F-232C CABLE ASM
F−232Cケーブル組
1
138 401-22796 2D READER H CABLE ASM
2次元リーダーHケーブル組
1
139 401-22795 2D READER H RELAY CABLE ASM
2次元リーダーH中継ケーブル組
2
140 400-48032 PANEL LINK CABLE 4.5M
パネルリンクケーブル 4.5M
1
141 401-22793 2D READER H ASM
2次元リーダーH組
1
142 400-48006 ATX PSU
ATX電源
1
143 401-22799 2D READER I/F C CABLE ASM
2次元リーダーI/F Cケーブル組
1
144 401-22797 2D READER C CABLE ASM
2次元リーダーCケーブル組
1
145 400-48030 UPS 232C CABLE ASM
UPS通信ケーブル組
1
146 400-97422 COPLANARITY SENSOR
コプラナリティセンサー
1
147 401-35433 8-PORT COM BOARD
8−PORT COMボード
1
148 401-10081 TOUCH PANEL 232C CABLE ASM
タッチパネル232Cケーブル組
1
149 401-13672 CVS COMM CABLE ASM
CVS COMMケーブル組
1
150 401-13670 BARCODE READER CABLE ASM
バーコードリーダ ケーブル組
1
151 401-05380 CVS CONTACT CABLE(-) ASM
CVSコンタクトケーブル(−)組
1
152 HX-0061000-00 BARCODE READER
バーコードリーダ
1
153 401-35432 CPU BOARD
CPUボード
1