KE-3010_KE-3020V_KE-3020VR-Rev08 - 第272页
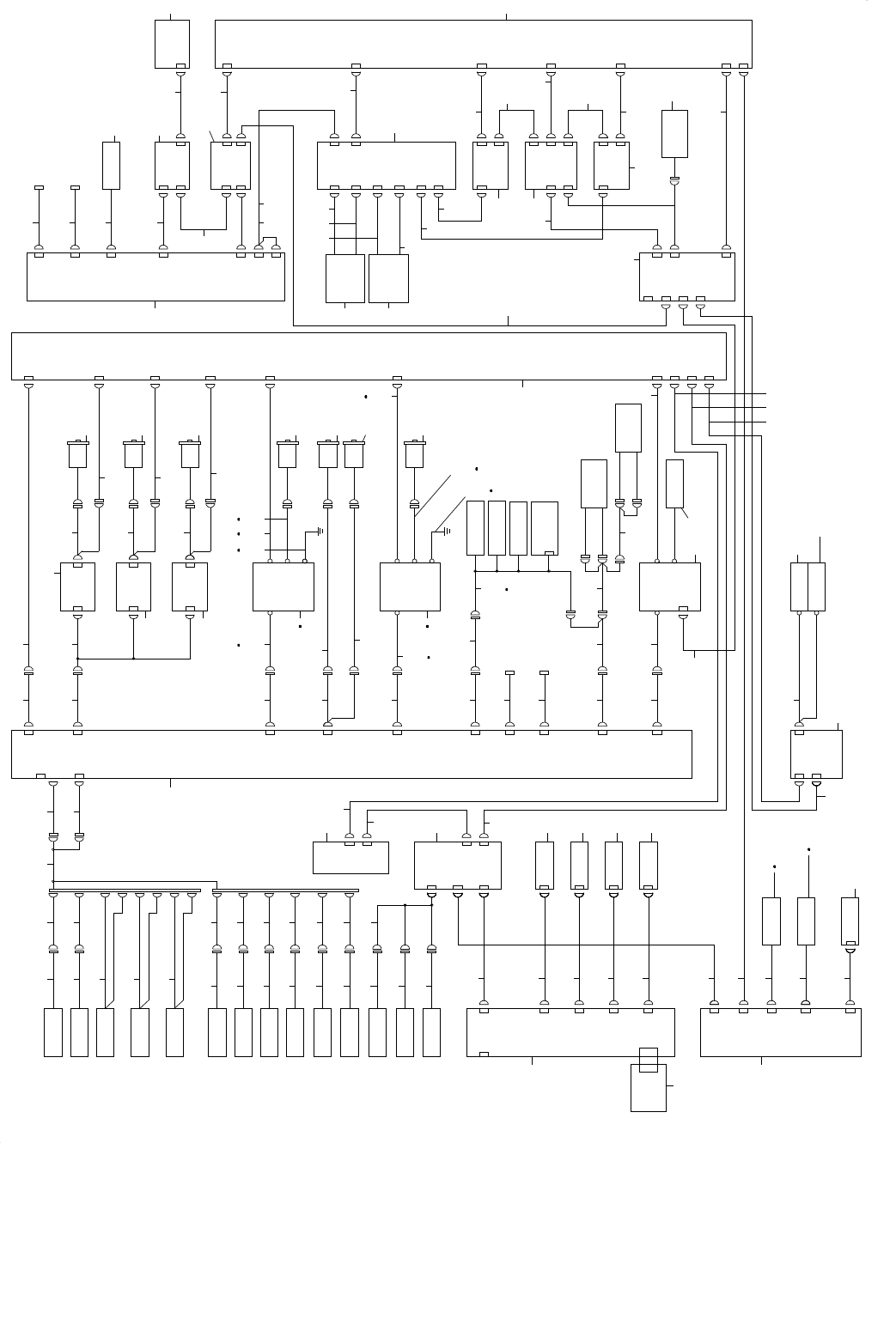
- 263 - 132.SYSTEM DIAGRAM (9)(TYPE XL)(AFTER M/C REV.E) SYSTEM DIAGRA M(9) (XL 仕様) (マシン REV.E 以降) BR 2 16 7 9 10 11 12 13 15 14 16 17 3 4 8 18 19 21 23 20 22 24 25 26 27 33 35 37 29 30 34 37 37 41 42 43 44 45 32 40 39 4…

- 262 -
NOTE( 注記 ) #01....FOR EN EN 用
REF.NO NOTE PART NO D E S C R I P T I O N
品 名
Qty
1 401-35828 LR WAIT COUT SENS ASM
LR ウェイトCOUTセンサ組
1
2 401-10052 LEFT SENS CABLE ASM
LEFTセンサケーブル組
1
3 400-92569 BU PIN SENSOR EMISSION ASM
BUピン投光センサ組
1
4 401-10053 BU PIN(EMISSION) CABLE ASM
BUピン投光センサケーブル組
1
5 401-35794 F_LCD PWR CABLE ASM
フロントLCD電源ケーブル組
1
6 401-10054 WAIT SENS CABLE ASM
WAITセンサケーブル組
1
7 401-10065 STOP SENSOR ASM
STOPセンサ組
1
8 401-10055 STOP SENS CABLE ASM
STOPセンサケーブル組
1
9 401-22800 DC POWER CABLE ASM
DC電源ケーブル組
1
10 401-10056 C.OUT SENS CABLE ASM
C.OUTセンサケーブル組
1
11 400-92573 BU ORG SENS ASM
BU原点センサ組
1
12 401-10057 BU ORG SENS CABLE ASM
BU原点センサケーブル組
1
13 400-92574 BU LOCK SENS ASM
BUロックセンサ組
1
14 401-10058 BU LOCK SENS CABLE ASM
BUロックセンサケーブル組
1
15 400-92575 BU PIN SENSOR RECEIVER ASM
BUピン受光センサ組
1
16 401-10059 BU PIN(RECEVING) CABLE ASM
BUピン受光センサケーブル組
1
17 400-92576 T.PIN SENS ASM
TPINセンサ組
1
18 401-10060 TPIN SENS CABLE ASM
TPINセンサケーブル組
1
19 400-92577 AWC ORG SENS ASM
AWC原点センサ組
1
20 401-10061 AWC ORG SENS CABLE ASM
AWC原点センサケーブル組
1
21 401-35975 SUPERIMPOSE BOARD POWER CABLE ASM
スーパーインポーズ基板電源束線組
1
22 401-10062 RIGHT SENS CABLE ASM
RIGHTセンサケーブル組
1
23 400-02147 VCS OP SENS ASM
オプションVCSセンサ組
1
24 401-09803 S VCS SENS CABLE ASM
S VCSセンサケーブル組
1
25 400-02146 VCS ST SENS ASM
VCSセンサ組
1
26 400-02148 VCS S.V. CABLE ASM
VCSソレノイドバルブケーブル組
1
27 401-08607 S-LIGHT CTRL PCB ASM
Sライトコントロール基板組
1
28 401-09801 S VCS LED POWER CABLE ASM
S VCS LED 電源ケーブル組
1
29 401-13632 LIGHT CONTROL POWER ASM
ライトコントロール電源組
1
30 400-66577 BACK LIGHT PCB ASM
バックライト基板組
1
31 401-08603 S-SIDE-LIGHT PCB ASM
Sサイドライト基板組
4
32 401-08595 S-BOTTOM-LIGHT PCB ASM
Sボトムライト基板組
1
33 401-09802 S VCS LIGHT CABLE ASM
S VCS ライトケーブル組
1
34 401-09805 S BACK LIGHT CABLE ASM
S バックライトケーブル組
1
35 401-09804 S SIDE LIGHT CABLE ASM
S サイドライトケーブル組
4
36 400-66576 COAXIAL LIGHT PCB ASM
同軸照明基板組
1
37 400-71300 IPX7 ASM
IPX7組図
1
38 401-09806 CAMERA TRIG CABLE ASM
カメラ TRIG ケーブル組
1
39 E9623-721-000 PORTRAIT MONITOR CABLE
画像モニタケーブル
1
40 401-13633 VCS CAMERA ST CABLE ASM
VCSカメラ ST ケーブル組
1
41 400-71669 VCS CAMERA
VCSカメラ
1
42 400-71668 LENZE STD
レンズSTD
1
43 401-13634 VCS CAMERA OP CABLE ASM
VCSカメラ OP ケーブル組
1
44 400-42180 FLUXER CYLINDER UNIT ASM
フラクサシリンダユニット組
1
45 400-71667 LENZE OPT
レンズOPT
1
46 401-09797 X ENCODER OUTPUT CABLE ASM
Xエンコーダ出力ケーブル組
1
47 401-29652 X AXIS DRIVER
X軸ドライバ
1
48 401-10051 SB CABLE ASM
センサブロック束線組
1
49 400-92634 BASE-IO SPWR-LR RLY CABLE ASM
BASE−IO SPWR−LR中継ケーブル組
1
50 400-92631 BASE-IO SENS RLY CABLE ASM
BASE−IO SENS 中継ケーブル組
1
51 400-71680 BASE IO PCB ASM
ベースIO基板組
1
52 400-92630 BASE-IO POWER RLY CABLE ASM
BASE−IO 電源中継ケーブル組
1
53 401-10018 BASE-IO PWR CABLE ASM
BASE−IO 電源ケーブル組
1
54 400-92628 BASE-IO MTR1-3 RLY CABLE ASM
BASE−IO MTR1−3中継ケーブル組
1
55 401-10029 MT1-3 PULSE CABLE ASM
モータ1−3パルスケーブル組
1
56 HM-0013200-00 MOTOR DRIVER
モータドライバ
3
57 401-10026 IN-MOTOR CABLE ASM
INモータケーブル組
1
58 401-31765 MOTOR DRIVER POWER CABLE ASM
モータードライバ電源束線組
1
59 400-48074 CENTER MOTOR ASM
センタモータ組
3
60 401-31766 CENT/OUT MOTOR CABLE ASM
センター/アウトモーター制御束線組
1
61 400-97610 FLUXER CYLINDER BANK UNIT ASM
フラクサシリンダバンクユニット組
1
62 401-32159 PS2 KEYBOARD SP ASM
PS2 キーボードSP組
1
63 401-22812 15INCH LCD MONITOR
15INCH LCDモニタ
1
64 400-92629 BASE-IO MTR4-5 RLY CABLE ASM
BASE−IO MTR4−5中継ケーブル組
2
65 401-10030 BU DRIVE CABLE ASM
バックアップドライバケーブル組
1
66
#01
401-10031 BU DRIVE CABLE ASM(EN)
バックアップドライバケーブル組
1
67 HX-0042000-00 5 PHASE STEP DRIVER
5相ステッピングモータドライバ
2
68
#01
HX-0068900-00 5 PHASE STEP DRIVER
5相ステッピングモータドライバ
2
69 401-10019 BU DRV PWR CABLE ASM
BUドライバ電源ケーブル組
1
70
#01
401-10020 BU DRV PWR CABLE ASM(EN)
BUドライバ電源ケーブル組(EN)
1
71 401-10032 BU MOTOR CABLE ASM
バックアップモータケーブル組
1
72
#01
401-10033 BU MOTOR CABLE ASM(EN)
バックアップモータケーブル組(EN)
1
73 400-48076 BACK UP MOTOR ASM
バックアップモータ組
1
74 401-10034 BU DRV FG CABLE ASM
BUドライバFGケーブル組
1
75
#01
401-10035 BU DRV FG CABLE ASM(EN)
BUドライバFGケーブル組(EN)
1
76 400-92626 BASE-IO ENC RLY CABLE ASM
BASE−IO ENC 中継ケーブル組
1
77 401-10036 BU ENC CABLE ASM
BUエンコーダケーブル組
1
78 E9433-729-0A0 BU ENC ASM.
BU ENC組
1
79 401-10043 AWC ENC CABLE ASM
AWC エンコーダケーブル組
1
80 400-48077 AWC MOTOR ASM
幅調モータ組
2
81 401-10037 AWC DRIVE CABLE ASM
AWC モータケーブル組
1
82
#01
401-10038 AWC DRIVE CABLE ASM(EN)
AWC モータケーブル組(EN)
1
83 401-10021 AWC DRV PWR CABLE ASM
AWC ドライバ電源ケーブル組
1
84
#01
401-10022 AWC DRV PWR CABLE ASM(EN)
AWC ドライバ電源ケーブル組(EN)
1
85 401-10039 AWC MOTOR CABLE ASM
AWC モータケーブル組
1
86
#01
401-10040 AWC MOTOR CABLE ASM(EN)
AWC モータケーブル組(EN)
1
87 401-10041 AWC DRV FG CABLE ASM
AWC ドライバ FG ケーブル組
1
88
#01
401-10042 AWC DRV FG CABLE ASM(EN)
AWC ドライバ FG ケーブル組(EN)
1
89 400-92633 BASE-IO SOL RLY CABLE ASM
BASE−IO SOL 中継ケーブル組
1
90 401-10044 SV CABLE ASM
ソレノイドバルブケーブル組
1
91 401-10045 SV WIRE ASM
ソレノイドバルブワイヤー組
1
92
#01
401-10046 SV WIRE ASM (EN)
ソレノイドバルブワイヤー組(EN)
1
93 401-10047 SMEMA IN CABLE ASM
スメマINケーブル組
1
94 401-10048 SMEMA OUT CABLE ASM
スメマOUTケーブル組
1
95 400-92632 BASE-IO SENS-FX RLY CABLE ASM
BASE−IO SENS−FX中継ケーブル組
1
96 401-13660 FLUXER RELAY CABLE ASM
フラクサリレーケーブル組
1
97 400-99908 FLUXER BASE RELAY CABLE ASM
フラクサベース中継ケーブル組
1
98 400-99909 FLUXER BANK RELAY CABLE ASM
フラクサバンク中継ケーブル組
1
99 400-92624 BASE-IO AN-IN RLY CABLE ASM
BASE−IO AN−IN 中継ケーブル組
1
100 401-13658 LOAD CELL ANAROG CABLE ASM
ロードセルアナログケーブル組
1
101 400-32128 LOAD CELL AMPLIFIER
ロードセルアンプ
1
102 401-13659 LOAD CELL CTRL CABLE ASM
ロードセルコントロールケーブル組
1
103 400-31620 LOAD CELL ASM
ロードセル組
1
104 401-13657 LOAD CELL AMP PWR CABLE ASM
ロードセルアンプ電源ケーブル組
1
105 401-09801 S VCS LED POWER CABLE ASM
S VCS LED 電源ケーブル組
1
106 401-13632 LIGHT CONTROL POWER ASM
ライトコントロール電源組
1
107 401-13671 CVS POWER CABLE ASM
CVS電源ケーブル組
1
108 400-95117 CVS PCB ASM
CVS基板組
1
109 401-01188 CVS PROBE CABLE ASM
CVSプローブケーブル組
1
110 401-03180 CVS CONTACT CABLE(+) ASM
CVSコンタクトケーブル(+)組
1
111 401-33955 POWER SUPPLY UNIT ASM
電源ユニット組
1
112
#01
401-33958 POWER SUPPLY UNIT (EN) ASM
電源ユニット(EN)組
1
113 400-44522 USB RELAY CABLE
USB延長ケーブル
2
114 400-45441 SSD I/F CABLE ASM
SSD I/F ケーブル組
1
115 401-36156 ENVIRONMENT SYSTEM ASM 132VE
環境ディスク組 132VE
1
116 401-06795 S-XY RELAY PCB ASM
S−XYリレー基板組
1
117 400-97424 COPLA POWER CABLE ASM
コプラ電源ケーブル
1
118 401-29654 Y AXIS DRIVER
Y軸ドライバ
1
119 401-13695 COPLANARITY ENCODER CABLE ASM
コプラナリティエンコーダケーブル組
1
120 HW-0018100-80 SHIELDED CABLE
LANケーブル
1
121 400-97209 CPU BOARD
CPUボード
1
122 400-48031 PANEL LINK CABLE 1M
パネルリンクケーブル 1M
2
123 401-02830 LAN CABLE(CAT6)
LANケーブル(CAT6)
1
124 401-02814 MONITOR SWITCH COM CABLE ASM
モニタ切り換え通信ケーブル組
1
125 401-97864 SUPER IMPOSE BOARD
スーパーインポーズボード
1
126 401-13615 MOUSE/KEYBOARD SELECTOR CABLE ASM
マウス/キーボード切り換え器ケーブル組
1
127 401-32154 COPLA MONITOR SWITCHING BOARD
コプラナリティ画面切り替え基板
1
128 400-03312 PANEL LINK CABLE
パネルリンクケーブル
1
129 400-03281 MOUSE/KEYBOARD SELECTOR
マウス/キーボード切り換え器
1
130 401-35795 R_LCD PWR CABLE ASM
リアLCD電源ケーブル
2
131 401-22798 2D READER I/F H CABLE ASM
2次元リーダーI/F Hケーブル組
2
132 401-13628 F-MOUSE CABLE ASM
F−マウスケーブル組
1
133 401-13631 R-KEY BOARD CABLE ASM
R−キーボードケーブル組
1
134 401-13630 F-KEY BOARD CABLE ASM
F−キーボードケーブル組
1
135 401-13629 R-MOUSE CABLE ASM
R−マウスケーブル組
1
136 401-10080 R-232C CABLE ASM
R−232Cケーブル組
1
137 401-10079 F-232C CABLE ASM
F−232Cケーブル組
1
138 401-22796 2D READER H CABLE ASM
2次元リーダーHケーブル組
1
139 401-22795 2D READER H RELAY CABLE ASM
2次元リーダーH中継ケーブル組
2
140 400-48032 PANEL LINK CABLE 4.5M
パネルリンクケーブル 4.5M
1
141 401-22793 2D READER H ASM
2次元リーダーH組
1
142 400-48006 ATX PSU
ATX電源
1
143 401-22799 2D READER I/F C CABLE ASM
2次元リーダーI/F Cケーブル組
1
144 401-22797 2D READER C CABLE ASM
2次元リーダーCケーブル組
1
145 400-48030 UPS 232C CABLE ASM
UPS通信ケーブル組
1
146 400-97422 COPLANARITY SENSOR
コプラナリティセンサー
1
147 401-35433 8-PORT COM BOARD
8−PORT COMボード
1
148 401-10081 TOUCH PANEL 232C CABLE ASM
タッチパネル232Cケーブル組
1
149 401-13672 CVS COMM CABLE ASM
CVS COMMケーブル組
1
150 401-13670 BARCODE READER CABLE ASM
バーコードリーダ ケーブル組
1
151 401-05380 CVS CONTACT CABLE(-) ASM
CVSコンタクトケーブル(−)組
1
152 HX-0061000-00 BARCODE READER
バーコードリーダ
1
153 401-35432 CPU BOARD
CPUボード
1

- 263 -
132.SYSTEM DIAGRAM(9)(TYPE XL)(AFTER M/C REV.E)
SYSTEM DIAGRAM(9)(XL 仕様)(マシン REV.E 以降)
BR
2
16
7
9 10 11
12
13 15
14 16
17
3
4 8
18
19 21 23
20 22 24
25
26 27
33 35 37
29
30
34
37 37 41 42 43 44 45
32 40
39
46 47
46 48
49
383838363128
109
107
108
111
110
97
94939288
89
95 98
79
80 81
7462
63 64
52
5351
50
65 66
90
91 96
101
99
65 66
54
54 54
55
58 60
57 59
61
69 70
67 68
71 72
75
77
82 83
84 85
86
87
100
102
103
104
56 56 56 73 76 78 78
112
144
136
133
132
131
130
129
128
127 127
113
114
114 115 117
121
121
125
116 118
122
119
123
135
138
134
141
143
139 142
137 140
137
145
146
120
5
105
106
126
124
SIO6
SIO1
SIO2
SIO7/8
SIO5
SIO4
SIO3
POWER UNIT 5/5
CPU BOAD
VIDEO
CN8
BARCODE
READER
DC12V
RS232C
CN6
MONITOR(R)
8-PORT
COM BOARD
CN5
COM
CN10
1-2D
3-5B
MOUSE /KEYBOARD
SELECTOR
ATX-POWER
MONITOR(F)
RS1
RS2
MS1
HOST
SUPER IMPOSE
BOARD
PS2 KEYBOARD
SP ASM
PS2 KEYBOARD
SP ASM
MOUSE
KB
X SERVO
AMP
MR-J4-70B-KM012
COPLA SENSOR
HEAD
COPLA MONITOR
SWITCH BOARD
COPLA
CPU BOAD
SSD
KB2
VCS CAMERA
VCS CAMERA
LENZE
OP
LENZE
ST
VCS S.V.
CABLE ASM
VCS ST
SENS ASM
VCS OP
SENS ASM
LOAD CELL
AMP
RIGHT SENSOR
AWC ORG
SENSOR
T.PIN SENSOR
BU PIN SENSOR
(RECEIVING)
BU LOCK
SENSOR
BU ORG
SENSOR
COUT SENSOR
STOP SENSOR
WAIT SENSOR
BU PIN SENSOR
(EMISSION)
LEFT SENSOR
SMEMA
(UPPER
UNIT)
SMEMA
(LOWER
UNIT)
(BU_L LOCK SV)
SHAPE Y SV
5PHASE DRIVER
5PHASE DRIVER
OUT MOTOR
CENT MOTOR
IN MOTOR
OUT MOTOR
DRV
CENT MOTOR
DRV
IN MOTOR
DRV
STOPPER SV
FLUXER
1-2B
CN8
1-4A
XENC
IP-X7 ENC
CN9
CN6
S SIDE
LIGHT PCB
CN6
CN1
S SIDE
LIGHT PCB
CN6
CN1
CN7
CN9
CN8
1-2D
CVS
CONTACT(-)
CVS
CONTACT(+)
CN3
CN1
CN2
CN28
CVS PCB
LAN2
LAN
LAN1
DVI1
CN2
CN3
CN1
MS2
2-5B
USB
DVI1
KB1
KB/MS PC
CN36
VOUT
AC2
AC1
2-1B
IP-X7 PCB 2/2
COAXIAL
LIGHT PCB
2-1A
S SIDE
LIGHT PCB
BACK
LIGHT PCB
S LIGHT
CTRL PCB
2/2
S BOTTOM
LIGHT PCB
CN4
CN1
CN6
CN1
CN1
CN9
CN476
CN474
CN475
CN1CN2
CN6CN10
CN1
CN8
CN5
CN15
FLUXER
UNIT ASM
(BANK)
BANK
4P
2P
FLUXER
UNIT ASM
(BASE)
FLUX SV
EV
CN8
CN21
SB2
CN10
CN9
CN23
CN22
SB1
CN4
CN3
CN909
(SAFTY UNIT)
CN13
CN25
CN27
CN12
CN16
CN11
CN12
CN14
CN14
CN17
CN18
CN17
CN15
CN14
CN33
CN35
CN34
INM-P
INM
CN2CN1
CN2CN1
CN2CN1
CN16
CN12
2-5B
BASE I/O PCB
3-3B
PS OUT
PS IN
S-VCS_POWER
UNIT_XL
INM
INM-P
INM
INM-P
BUM
BUE
AWCE
AWCM
AWC MOTOR
AWC MOTOR
BU UP ENCODER
BU UP MOTOR
2P
4P
LOAD
CELL ASM
USB
LAN
HDD
CONSOL SW
LCDA
DCIN
LCDB
HOST
NTSC1
DC12V
VIDEO
RSPC

- 264 -
NOTE( 注記 ) #01....FOR EN EN 用
REF.NO NOTE PART NO D E S C R I P T I O N
品 名
Qty
1 400-92568 LEFT SENS ASM
LEFTセンサ組
1
2 400-92557 LEFT SENS CABLE ASM
LEFTセンサケーブル組
1
3 400-92556 SB CABLE ASM
センサブロック束線組
1
4 400-92634 BASE-IO SPWR-LR RLY CABLE ASM
BASE−IO SPWR−LR中継ケーブル組
1
5 400-71680 BASE IO PCB ASM
ベースIO基板組
1
6 400-92569 BU PIN SENSOR EMISSION ASM
BU PIN 投光センサ組
1
7 400-92558 BU PIN(EMISSION) CABLE ASM
BU PIN 投光センサケーブル組
1
8 400-92631 BASE-IO SENS RLY CABLE ASM
BASE−IOセンサ中継ケーブル組
1
9 401-87869 WAIT SENSOR ASM
WAITセンサ組
1
10 401-87870 STOP SENSOR ASM
STOPセンサ組
1
11 401-87871 C.OUT SENSOR ASM
C.OUTセンサ組
1
12 400-92573 BU ORG SENS ASM
BU原点センサ組
1
13 400-92562 BU ORG SENS CABLE ASM
BU原点センサケーブル組
1
14 400-92574 BU LOCK SENS ASM
BU ロックセンサ組
1
15 400-92563 BU LOCK SENS CABLE ASM
BU ロックセンサケーブル組
1
16 400-92575 BU PIN SENSOR RECEIVER ASM
BU PIN 受光センサ組
1
17 400-92564 BU PIN(RECEVING) CABLE ASM
BU PIN 受光センサケーブル組
1
18 400-92576 T.PIN SENS ASM
TPIN センサ組
1
19 400-92565 TPIN SENS CABLE ASM
TPIN センサケーブル組
1
20 400-92577 AWC ORG SENS ASM
AWC原点センサ組
1
21 400-92566 AWC ORG SENS CABLE ASM
AWC原点センサケーブル組
1
22 400-92578 RIGHT SENS ASM
RIGHTセンサ組
1
23 400-92567 RIGHT SENS CABLE ASM
RIGHTセンサケーブル組
1
24 400-02147 VCS OP SENS ASM
VCS OPセンサ組
1
25 401-09803 S_VCS SENS CABLE ASM
S_VCSセンサケーブル組
1
26 400-02146 VCS ST SENS ASM
VCS STセンサ組
1
27 400-02148 VCS SV CABLE ASM
VCS SVケーブル組
1
28 401-18726 S-VCS_POWER_UNIT_XL
S−VCS_電源_ユニット_X
1
29 401-06757 S_VCS LED PWR INPUT CABLE ASM
S_VCS LED 電源入力ケーブル組
1
30 401-06756 S_VCS LED POWER CABLE ASM(XL)
S_VCS LED 電源ケーブル組
1
31 401-08607 S-LIGHT_CTRL PCB ASM
Sライトコントロール基板組
1
32 401-08595 S-BOTTOM-LIGHT PCB ASM
Sボトムライト基板組
1
33 401-09802 S_VCS LIGHT CABLE ASM
S_VCS ライトケーブル組
1
34 400-92594 LIGHT CONTROL POWER ASM
ライトコントロール電源ケーブル組
1
35 401-09805 S_BACK LIGHT CABLE ASM
S_バックライトケーブル組
1
36 400-66577 BACK LIGHT PCB ASM
バックライト基板組
1
37 401-09804 S_SIDE LIGHT CABLE ASM
Sサイドライトケーブル組
1
38 401-08603 S-SIDE-LIGHT PCB ASM
Sサイドライト基板組
1
39 400-66576 COAXIAL LIGHT PCB ASM
同軸照明基板組
1
40 400-71300 IPX7 ASM
IPX7組図
1
41 401-09806 CAMERA TRIG CABLE ASM
カメラTRIGケーブル組
1
42 E9623-721-000 PORTRAIT MONITOR CABLE
画像モニタケーブル
1
43 400-92597 VCS CAMERA ST CABLE ASM
VCSカメラケーブル組(ST)
1
44 400-92598 VCS CAMERA OP CABLE ASM
VCSカメラケーブル組(OP)
1
45 401-09797 X ENCODER OUTPUT CABLE ASM
X エンドーダ出力ケーブル組
1
46 400-71669 VCS CAMERA
VCSカメラ
1
47 400-71668 LENZE STD
レンズSTD
1
48 400-71667 LENZE OPT
レンズOPT
1
49 400-44538 SERVO AMP 750W
X軸サーボアンプ750W
1
50 400-92630 BASE-IO POWER RLY CABLE ASM
BASE−IO 電源中継ケーブル組
1
51 400-92552 BASE-IO PWR CABLE ASM
BASE−IO 電源ケーブル組
1
52 400-92628 BASE-IO MTR1-3 RLY CABLE ASM
BASE−IO MTR1−3中継ケーブル組
1
53 400-92543 MT1-3 PULSE CABLE ASM
モータ1−3パルスケーブル組
1
54 HM-0013200-00 MOTOR DRIVER
モータドライバ
1
55 400-92540 IN-MOTOR CABLE ASM
IN モータリレーケーブル組
1
56 400-48074 CENTER MOTOR ASM
センタモータ組
1
57 400-92537 IN MOTOR PWR CABLE ASM
IN モータ電源ケーブル組
1
58 400-92541 CENT-MOTOR CABLE ASM
CENT モータリレーケーブル組
1
59 400-92538 CENT MOTOR PWR CABLE ASM
CENT モータ電源ケーブル組
1
60 400-92542 OUT-MOTOR CABLE ASM
OUT モータリレーケーブル組
1
61 400-92539 OUT MOTOR PWR CABLE ASM
OUT モータ電源ケーブル組
1
62 400-92629 BASE-IO MTR4-5 RLY CABLE ASM
BASE−IO MTR4−5中継ケーブル組
1
63 400-92544 BU DRIVE CABLE ASM
バックアップモータケーブル組
1
64
#01
400-92545 BU DRIVE CABLE ASM(EN)
バックアップモータケーブル組(EN)
1
65 HX-0042000-00 5 PHASE STEP DRIVER\N
5相ステッピングモータドライバ
1
66
#01
HX-0068900-00 5 PHASE STEP DRIVER\N
5相ステッピングモータドライバ
1
67 400-92429 BU DRV PWR CABLE ASM
BU ドライバ電源ケーブル組
1
68
#01
400-92430 BU DRV PWR CABLE ASM(EN)
BU ドライバ電源ケーブル組(EN)
1
69 400-92546 BU MOTOR CABLE ASM
バックアップモータケーブル組
1
70
#01
400-92547 BU MOTOR CABLE ASM(EN)
バックアップモータケーブル組(EN)
1
71 400-92431 BU DRV FG CABLE ASM
BU ドライバ FG ケーブル組
1
72
#01
400-92432 BU DRV FG CABLE ASM(EN)
BU ドライバ FG ケーブル組
1
73 400-48076 BACK UP MOTOR ASM
バックアップモータ組
1
74 400-92626 BASE-IO ENC RLY CABLE ASM
BASE−IO ENC 中継ケーブル組
1
75 400-92548 BU ENC CABLE ASM
BU エンコーダケーブル組
1
76 E9433-729-0A0 BU ENC ASM.
BU ENC組
1
77 400-92551 AWC ENC CABLE ASM
AWC エンコーダケーブル組
1
78 400-48077 AWC MOTOR ASM
幅調モータ組
1
79 400-92629 BASE-IO MTR4-5 RLY CABLE ASM
BASE−IO MTR4−5中継ケーブル組
1
80 400-92660 AWC DRIVE CABLE ASM
AWCモータケーブル組
1
81
#01
400-92661 AWC DRIVE CABLE ASM(EN)
AWCモータケーブル組(EN)
1
82 400-92425 AWC DRV PWR CABLE ASM
AWC ドライバ電源ケーブル組
1
83
#01
400-92426 AWC DRV PWR CABLE ASM(EN)
AWC ドライバ電源ケーブル組
1
84 400-92549 AWC MOTOR CABLE ASM
AWC モータケーブル組
1
85
#01
400-92550 AWC MOTOR CABLE ASM(EN)
AWC モータケーブル組(EN)
1
86 400-92427 AWC DRV FG CABLE ASM
AWC ドライバ FG ケーブル組
1
87
#01
400-92428 AWC DRV FG CABLE ASM(EN)
AWC ドライバ FG ケーブル組
1
88 400-92633 BASE-IO SOL RLY CABLE ASM
BASE−IO SOL 中継ケーブル組
1
89 400-97625 SV CABLE ASM
ソレノイドバルブケーブル組
1
90 400-97606 SV WIRE ASM
ソレノイドバルブ ワイヤー組
1
91
#01
400-97607 SV WIRE ASM (EN)
ソレノイドバルブ(EN)ワイヤー組
1
92 400-92554 SMEMA IN CABLE ASM
スメマINケーブル組
1
93 400-92555 SMEMA OUT CABLE ASM
スメマOUT ケーブル組
1
94 400-92632 BASE-IO SENS-FX RLY CABLE ASM
BASE−IO SENS−FX中継ケーブル組
1
95 400-97608 FLUXER RELAY CABLE ASM
フラクサ中継ケーブル組
1
96 400-97609 FLUXER BASE CABLE ASM
フラクサベースケーブル組
1
97 400-92624 BASE-IO AN-IN RLY CABLE ASM
BASE−IO AN−IN 中継ケーブル組
1
98 400-95132 LOAD CELL ANAROG CABLE ASM
ロードセルアナログケーブル組
1
99 400-32128 LOAD CELL AMPLIFIER
ロードセルアンプ
1
100 400-97610 FLUXER CYLINDER BANK UNIT ASM
フラクサシリンダバンクユニット組
1
101 400-92592 LOAD CELL CTRL CABLE ASM
ロードセルコントロールケーブル組
1
102 400-31620 LOAD CELL ASM
ロードセル組
1
103 400-92591 LOAD CELL AMP PWR CABLE ASM
ロードセルアンプ電源ケーブル組
1
104 401-06757 S_VCS LED PWR INPUT CABLE ASM
S_VCS LED 電源入力ケーブル組
1
105 400-92594 LIGHT CONTROL POWER ASM
ライトコントロール電源ケーブル組
1
106 401-01186 CVS POWER CABLE ASM
CVS電源ケーブル組
1
107 401-01187 CVS COMM CABLE ASM
CVS通信ケーブル組
1
108 400-95117 CVS PCB ASM
CVS基板組
1
109 401-01188 CVS PROBE CABLE ASM
CVSプローブケーブル組
1
110 401-03180 CVS CONTACT CABLE(+) ASM
CVSコンタクトケーブル(+)組
1
111 401-05380 CVS CONTACT CABLE(-) ASM
CVSコンタクトケーブル(−)組
1
112 401-18724 POWER UNIT_XL
電源_ユニット_XL
1
113 401-35432 CPU BOARD
CPUボード
1
114 400-44522 USB RELAY CABLE
USB延長ケーブル
1
115 400-45441 SSD I/F CABLE ASM
SSD I/Fケーブル組
1
116 401-36156 ENVIRONMENT SYSTEM ASM 132VE
環境ディスク組 132VE
1
117 HW-0018100-80 LAN CABLE
LANケーブル
1
118 400-97209 CPU BOARD
CPUボード
1
119 400-97426 COPLA LAN CABLE
コプラLANケーブル
1
120 400-97422 COPLANARITY SENSOR
コプラナリティセンサー
1
121 400-48031 PANEL LINK CABLE 1M
パネルリンクケーブル 1M
1
122 401-32154 COPLA MONITOR SWITCHING BOARD
コプラナリティ画面切り替え基板
1
123 400-03312 PANEL LINK CABLE
パネルリンクケーブル
1
124 400-48082 SUPER INPAUSE BOARD
スーパーインポーズボード
1
125 400-03282 MOUSE/KEYBOARD SELECTOR CABLE ASM
マウス/キーボード切り換え器ケーブル組
1
126 401-02814 MONITOR SWITCH COM CABLE ASM
モニタ切り替え通信ケーブル組
1
127 401-32159 PS2 KEYBOARD SP ASM
PS2 キーボードSP組
1
128 400-02302 KEYBOARD CABLE ASM
キーボードケーブル組
1
129 400-02301 MOUSE CABLE ASM
マウスケーブル組
1
130 400-99474 R-KEY BOARD CABLE ASM
R−キーボードケーブル組
1
131 400-99473 R-MOUSE CABLE ASM
R−マウスケーブル組
1
132 400-47937 OP-232C CABLE (R) ASM
232Cケーブル(R)組
1
133 400-27815 F-232C CABLE ASM
F−232Cケーブル組
1
134 400-03281 MOUSE/KEYBOARD SELECTOR
マウス/キーボード切り換え器
1
135 400-02264 OP-232C CABLE ASM
オプション232Cケーブル組
1
136 400-48030 UPS 232C CABLE ASM
UPS通信ケーブル組
1
137 401-22812 15INCH LCD MONITOR
15INCH LCDモニタ
1
138 400-48031 PANEL LINK CABLE 1M
パネルリンクケーブル 1M
1
139 401-37710 F LCD POWER CABLE ASM XL
フロント LCD電源ケーブル組
1
140 400-48006 ATX PSU
ATX電源
1
141 400-92590 INPAUSE BOARD PWR CABLE ASM
インポーズ基板電源ケーブル組
1
142 401-37711 R LCD POWER CABLE ASM XL
リア LCD 電源ケーブ組 X
1
143 400-48032 PANEL LINK CABLE 4.5M
パネルリンクケーブル 4.5M
1
144 401-35433 8-PORT COM BOARD
8−PORT COMボード
1
145 HX-0061000-00 BARCODE READER
バーコードリーダ
1
146 400-02264 OP-232C CABLE ASM
オプション232Cケーブル組
1