TR7600 SIII_Electrical_Diagrams_en_v_2_0_3 - 第10页
Test Research, Inc. 2 TR7600 SII I User Guide – Electrical Di agrams 1.2 Emergency Stop Figure 2: E mergency Stop

TR7600 SIII User Guide – Electrical Diagrams
1 E
LECTRICAL
D
IAGRAMS
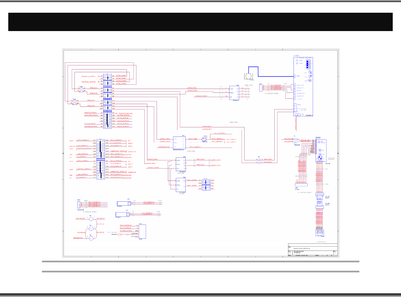
1.1 System Power (L) & Conveyor
Figure 1: System Power (L) & Conveyor

Test Research, Inc.
2
TR7600 SIII User Guide – Electrical Diagrams
1.2 Emergency Stop
Figure 2: Emergency Stop

TR7600 SIII User Guide – Electrical Diagrams
1.3 Interlock
a) Interlock Left-Right
Figure 3: Interlock Left-Right