TR7600 SIII_Electrical_Diagrams_en_v_2_0_3 - 第11页
TR7600 SII I User Guide – Electrical Di agrams 1.3 Interlock a) Interloc k Left-Right Figure 3: Inte rlock Lef t-Right

Test Research, Inc.
2
TR7600 SIII User Guide – Electrical Diagrams
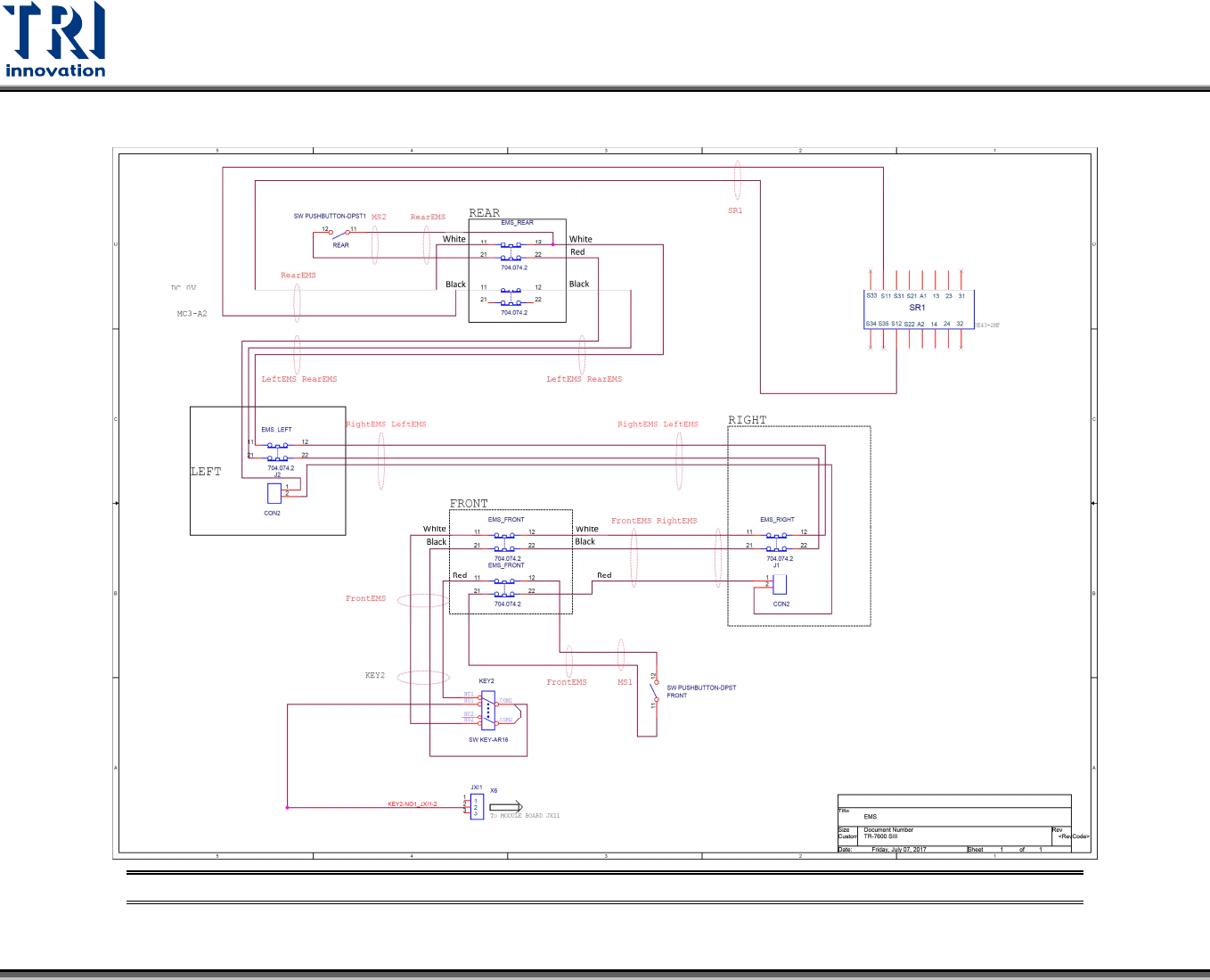
1.2 Emergency Stop
Figure 2: Emergency Stop

TR7600 SIII User Guide – Electrical Diagrams
1.3 Interlock
a) Interlock Left-Right
Figure 3: Interlock Left-Right

Test Research, Inc.
4
TR7600 SIII User Guide – Electrical Diagrams
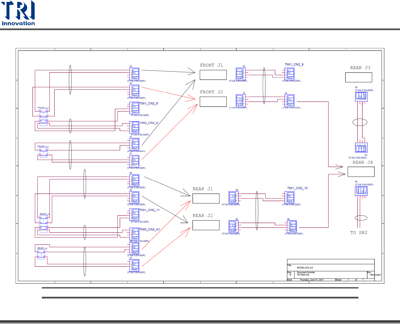
b) Interlock Front-Rear
Figure 4: Interlock Front-Rear