Q4Y3C-E-EPA-45.pdf - 第61页

Ref No. Remarks R 1 Q'ty 21 一括交換台車段取 ユ ニ ット Change Cart Preparation Unit イラスト No. Part No. 品 名 品番 数量 R 2 パー ツ リ スト Kit No. キ ット 品番 Kit Name キ ット 名称 NMEJ W1A Part Name 備 考 セクション No . PARTS LIST Section No. R 3 SWITCH…

100%1 / 68
21
一括交換台車段取
ット
Change Cart Preparation Unit
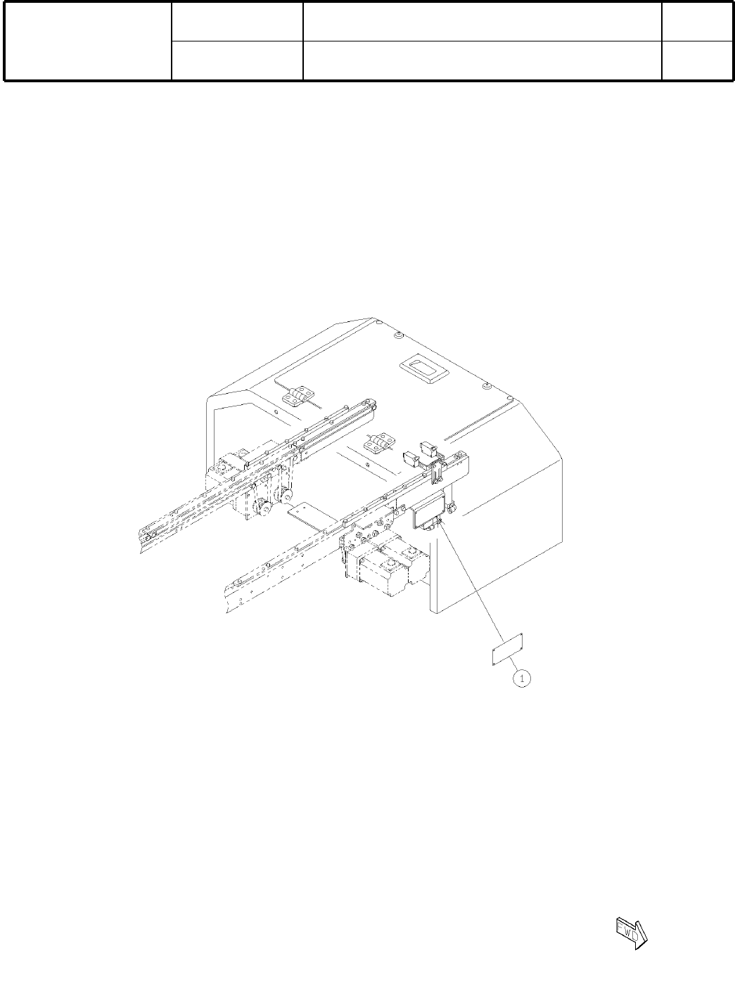
パーツレイアウト
Kit No.
ット
品番
Kit Name
ット
名称
NMEJW1A
セクション
No
.
PARTS LAYOUT
Section No.
-
-
E41
( KNMEJW1A-01 )
Ref
No.
Remarks
R
1
Q'ty
21
一括交換台車段取
ット
Change Cart Preparation Unit
イラスト
No.
Part No.
  品番 数量
R
2
パースト
Kit No.
ット
品番
Kit Name
ット名称
NMEJW1A
Part Name
   
セクション
No
.
PARTS LIST
Section No.
R
3
SWITCH-PARTS
1
1 KXFP6EYKA00
S
F05SWUA2P
BREAKER
1
2 KXFP6DYAA00
S
NF50-SWU 2P 5A
TERMINAL-BLOCK
1
3 KXFP6F70A00
S
TM-UNIT-AC
CIRCUIT-PROTECTOR
1
4 KXFP02JAA00
S
NRF110-8A
NOISE-FILTER
1
5 KXFP6F67A00
S
SUP-EP5-ER-6
POWER
1
6 KXFP6GE3A00
S
ADA600F-24
SWITCH
1
7 KXFP5GEAA00 AR22PR-220B
SK
1
8 KXFP6DBAA01
S
R.A.V-781BWZ-4(DA KXFP6DBAA01)
PCB
1
9 KXFE000KA00
S
NF5ACA_PbF: Cart stand control board
AMP
1
10 KXFP6E5AA00 DRT1-232C2
POWER
1
11 KXFP61UAA00
S
P15E-12-N
CONVERTER
1
12 N510002864AA Digi One IA 70001862
E42
-
-
( KNMEJW1A-01 )
22
下流延長
ット
(
マシン
左側
)
Downstream Extension Conveyor Unit(Left Side of Machine)
パーツレイアウト
Kit No.
ット
品番
Kit Name
ット
名称
N610004081AA
セクション
No
.
PARTS LAYOUT
Section No.
-
-
E43
( KN610004081AA-02 )