Q4Y3C-E-EPA-45.pdf - 第64页
23 下流延長 コ ン ベ ア ーユ ニ ット ( マシン 右側 ) Downstream Extension Conveyor Unit(Right Side of Machine) パー ツレイ アウト Kit No. キ ット 品番 Kit Name キ ット 名称 N610004082AA セクション No . PARTS LAYOUT Section No. - - E45 ( KN610004082AA-02 )

Ref
No.
Remarks
R
1
Q'ty
22
下流延長
コンベアユニット
(
マシン
左側
)
Downstream Extension Conveyor Unit(Left Side of Machine)
イラスト
No.
Part No.
品 名品番 数量
R
2
パーツリスト
Kit No.
キット
品番
Kit Name
キット名称
N610004081AA
Part Name
備 考
セクション
No
.
PARTS LIST
Section No.
R
3
PCB
1
1 KXFE000JA00
EL1ACA_PbF: Conveyor motor (RS485) connection board
E44
-
-
( KN610004081AA-02 )

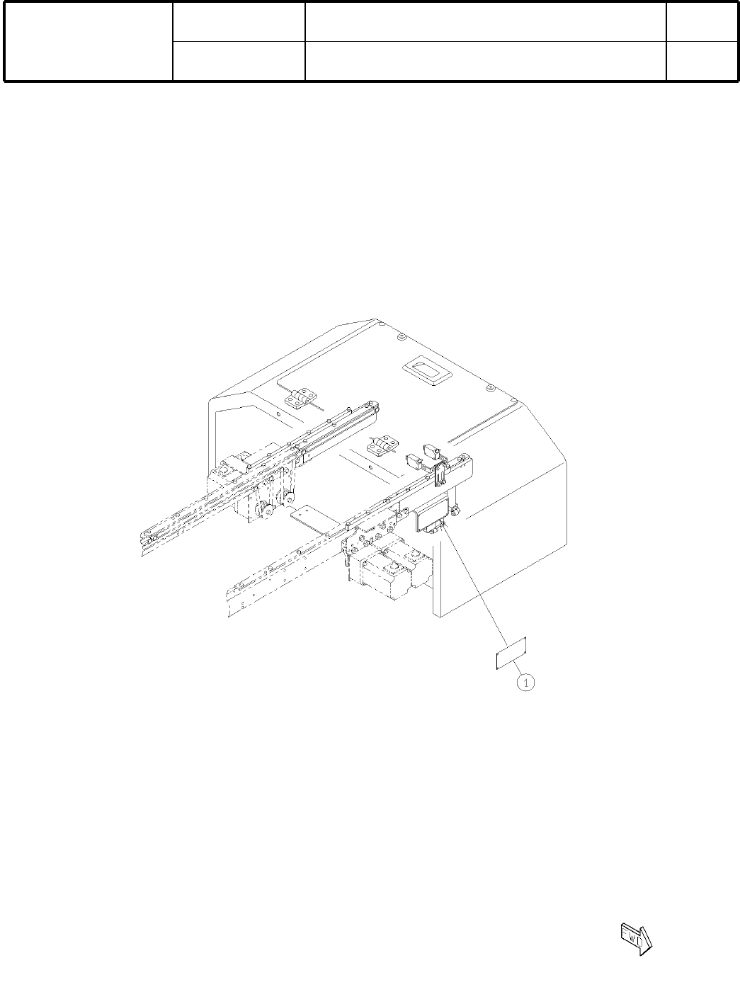
23
下流延長
コンベアーユニット
(
マシン
右側
)
Downstream Extension Conveyor Unit(Right Side of Machine)
パーツレイアウト
Kit No.
キット
品番
Kit Name
キット
名称
N610004082AA
セクション
No
.
PARTS LAYOUT
Section No.
-
-
E45
( KN610004082AA-02 )

Ref
No.
Remarks
R
1
Q'ty
23
下流延長
コンベアーユニット
(
マシン
右側
)
Downstream Extension Conveyor Unit(Right Side of Machine)
イラスト
No.
Part No.
品 名品番 数量
R
2
パーツリスト
Kit No.
キット
品番
Kit Name
キット名称
N610004082AA
Part Name
備 考
セクション
No
.
PARTS LIST
Section No.
R
3
PCB
1
1 KXFE000JA00
EL1ACA_PbF: Conveyor motor (RS485) connection board
E46
-
-
( KN610004082AA-02 )