FX-3-Rev10(K-) - 第162页
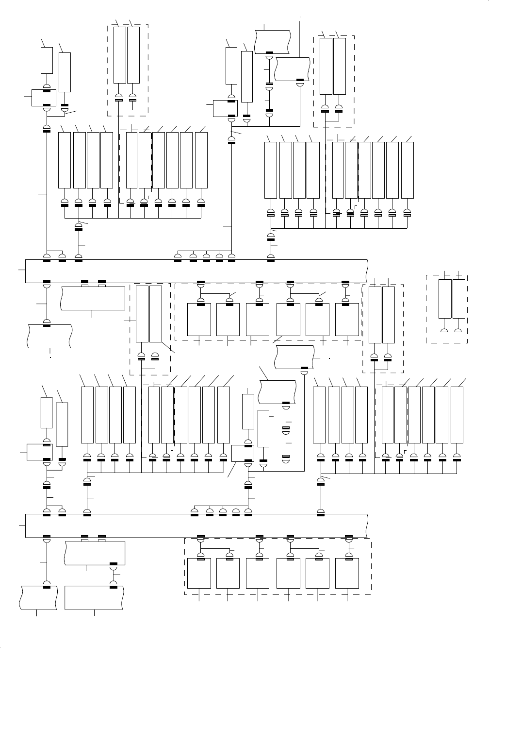
- 157 - 79. SYSTEM DIAGRAM (FEEDER STATION) SYSTEM DIAGRAM (FEEDER STATION ) 10-3 A POWER UNIT(L) CN023 11-3C PWRL023 FDL-1 ETH ER-SLAV E PCB (FEEDER _R) CN1 CN1 CN2 11-3A 8-1B ETHER-SLAVE PCB(FEEDER_L) J1 J2 CN2 P2 P1 F…

- 156 -
NOTE( 注記 ) #01....FOR EN EN 用
#02....TYPE XL XL 仕様
REF.NO NOTE PART NO D E S C R I P T I O N
品 名
Qty
1 400-98974 POWER_SUPPLY_ASSY_L(ST)
電源供給組(左)ST
2
2
#01
400-93149 POWER SUPPLY ASSY L(EN)
電源供給組(左)EN
2
3 400-65163 FRAME FAN LF CABLE ASM
フレームファン LF ケーブル組
1
4 400-47810 Y BEAR A CABLES ASM
Y ベア A ケーブル組
2
5
#02
400-89838 Y BEAR A CABLES ASM XL
Y ベアケーブル A 組 XL
2
6 400-65167 FRAME FAN RELAY CABLE ASM
フレームファン中継ケーブル組
4
7 400-82676 Y FRAME END FAN CABLE E ASM
Y フレームエンドファンケーブル E 組
2
8 400-82670 Y FRAME END FAN CABLE B ASM
Y フレームエンドファンケーブル B 組
4
9 400-82673 X FRAME END FAN CABLE 1 ASM
X フレームエンドファンケーブル1組
8
10 400-82674 X FRAME END FAN CABLE 2 ASM
X フレームエンドファンケーブル2組
8
11 400-82675 X FRAME CENTER FAN CABLE ASM
X フレームセンターファンケーブル組
8
12 400-82671 Y FRAME END FAN CABLE C ASM
Y フレームエンドファンケーブル C 組
4
13 400-82672 Y FRAME END FAN CABLE D ASM
Y フレームエンドファンケーブル D 組
4
14 400-98950 POWER_SUPPLY_ASSY_R(ST)
電源供給組(右)ST
2
15
#01
400-93150 POWER SUPPLY ASSY R(EN)
電源供給組(右)EN
2
16 400-91469 FRAME FAN RR CABLE ASM
フレームファン RR ケーブル組
1
17 400-82669 Y FRAME END FAN CABLE A ASM
Y フレームエンドファンケーブル A 組
2
18 400-91468 FRAME FAN LR CABLE ASM
フレームファン LR ケーブル組
1
19 400-47811 Y BEAR B CABLES ASM
Y ベア B ケーブル組
2
20
#02
400-89839 Y BEAR B CABLES ASM XL
Y ベアケーブル B 組 XL
2
21 400-65165 FRAME FAN RF CABLE ASM
フレームファン RF ケーブル組
1

- 157 -
79.SYSTEM DIAGRAM (FEEDER STATION)
SYSTEM DIAGRAM(FEEDER STATION)
10-3A
POWER UNIT(L)
CN023
11-3C
PWRL023
FDL-1
ETHER-SLAVE
PCB(FEEDER_R)
CN1
CN1
CN2
11-3A
8-1B
ETHER-SLAVE
PCB(FEEDER_L)
J1
J2
CN2
P2
P1
FEEDER PCB
(L)
CN1 CN20
CN5
CN19
CN20
CN5
CN19
CAL F CAL F(L)
FDRL19
FDRL 19
CN491
CN669
CAL PC B
CN1 CN2
CAL S.V. ( LF)
CAL VACUUM SENSOR (LF)
ATC OPEN SENSOR(LF)
ATC C LOSE SENS OR(LF)
FEEDER FLOAT SEN SOR(LF-F)
FEEDER FLOAT S ENSOR(L F-R)
(RECEIVING)
(RECEIVING)
ATC- OP
ATC-CL
FROAT-F(RCV)
FROAT-R(RCV)
in rh e case of "FI XED ELEC BANK",
refer to 11 -3D
BANK UP SENS OR (LF -L)
BANKUPSENSOR(LF-R)
ATC S.V (LF)
FEEDER FLOAT SEN SOR(LF-F)
FEEDER FLOAT S ENSOR(LF-R)
SOT C HECK S. V.
(EMISSION)
(EMISSION)
BANK-UPL
BANK -UPR
ATC S.V
FROAT-F(E)
FROAT-R(E)
SOT-CHK
E-FROAT(RCV)
E-FROAT(E)
ETF F OAT SENS OR(LF)(RECEIVI NG)
ETF F ORA SENS OR(LF)(EMISSIO N)
MECH /ELEC TROLY OPTION
LED PCB LF 1
LED PCB LF 2
LED PCB LF 3
CN1
CN1
CN1
CN541
FDL15
CN551
CN561
FDL16
LED PCB LR 1
LED PCB LR 2
LED PCB LR 3
CN1
CN1
CN1
CN561
FLD18
CN551
CN541
FDL17
FPI O PTION
12-1A
CN18
CN21
CN17
CN16
CN15
CN30
CN27
CN28
CN5
CN20
CN20
CN5
CN28
CN27
CN30
CAL R
CAL R(L)
CN21
FDRL21
FDRL21
inrhecaseof"FIXEDELECBANK",
refer to 11-3D
BANKUPSENSOR(LR-L)
BANKUPSENSOR(LR-R)
ATC S.V (L R)
FEEDER FLOAT SEN SOR(LR-F)
FEEDER FLOAT SEN SOR(LR-R)
SOT CHECK S.V.
(EMISSION)
(EMISSION)
SOT-CHK
FROAT -R(E)
FROA T-F(E)
ATC S .V
BANK-UPR
BANK -UPL
ATC-OP
ATC-CL
FROAT-F(RCV)
FROAT-R(RCV)
ATC OPEN SENSOR(LR)
ATC C LOSE SE NSOR(LR)
FEEDER FLOAT SENSOR(LR-F)
FEEDER FLOAT SENSOR(LR-R)
(RECEIVING)
(RECEIVING)
CAL PCB
CN491
CN669
XYEMGL XYEMGL
XY7
CAL V ACUUM SEN SOR
(LR)
CAL S. V. (LR)
CN1
CN2
CN492
9-2C
XY RELAY PCB
CN7
11-5 C
PWRL67
11-1A
POWER UNIT(L)
CN067
12-1A
BUP SENS SHORT ASM
BUP S ENS SHOR T ASM
BANK-UPR
BANK-UPL
FIXED ELEC BANK
MECH/ELEC TROLY OPTION
ETF FORA SENSOR(LR)(EMISSION)
ETF F OAT SENSO R(LR)(RECEIVIN G)
E-FR OAT(RCV)
E-FR OAT(E)
LED PCB RR 3
CN1
CN561
FLR18
CN18
12-1C
CN1
CN551
CN541
FDR17
CN17
LED P CB RR 2
LED P CB RR 1
CN1
LED P CB RF 2
CN1
CN551
LED P CB RF 3
CN1
CN561
FDR16
CN16
FPI OPTION
LED PCB RF 1
CN1
CN54 1
FDR15
11-1A
ETHER-SLAVE
PCB(FEEDER_R)
J1
J2
P1
P2
PWRR023 FDR -1
11-5C
CN023
POWER UNIT(R)
10-4C
FEEDER PCB
(R)
CN20
CN5
CN19
CN1
CN20
CN5
CN19
CN15
CN20
CN5
CN28
CN27
CN30
CN20
CN5
CN28
CN27
CN30
CN21
CN21
FDRL 21
FDRL2 1
ATC OPEN SENSOR(RR)
ATC C LOSE S ENSOR(RR)
FEEDER FLOAT SENSOR(RR-F)
FEEDER FLOAT SENSOR(RR-R)
(RECEIVING)
(RECEIVING)
ATC-OP
ATC-CL
FROAT -F(RCV)
FROAT-R(RCV)
in rhe case of "FIXED ELEC BANK",
refer to 11-3D
BANK U P SENS OR (RR-L)
BANK UP SENSOR (RR-R)
ATC S.V (RF)
FEEDER FLOAT SENSOR(RR-F)
FEEDER FLOAT SENSOR(RR-R)
(EMISSION)
(EMISSION)
BANK-UPL
BANK-UPR
ATC S.V
FROAT-F(E)
FROAT-R(E)
SOT-CHK
SOT CH ECK S. V.
FDRL19
FDRL19
ATC-OP
ATC- CL
FROAT-F(RCV)
FROAT-R(RCV)
ATC OPEN SENSOR(RF)
ATC CLOSE SENSOR(RF)
FEEDER FLOAT SENSOR(RF-F)
FEEDER FLOAT SE NSOR(R F-R)
(REC EIVING)
(RECEIVING)
BANK UP SENSOR (RF-L)
BANK UP SENSOR (RF-R)
ATC S.V (RF)
FEEDER FL OAT SE NSOR(RF -F)
FEEDER FLOAT SE NSOR(RF -R)
SOT CHECK S.V.
(EMISSION)
(EMISSION)
in rhe case of "FIXED ELEC BANK",
refer to 11-3D
BANK-UPL
BANK-UPR
ATC S.V
FROAT -F(E)
FROAT -R(E)
SOT-CHK
CAL S.V . (RF)
CAL V ACUUM SE NSOR (R F)
CAL F
CAL F(R )
CN491
CN669
CAL PC B
CN1
CN2
ETF FOAT S ENSOR(RF)(RECEIVING)
ETF FO RA SENS OR(RF)(EMISSI ON)
MECH/ ELEC TROLY OPTI ON
E-FROAT(E)
E-FR OAT(RCV)
CAL R
CAL R(R)
CN491
CAL PCB
CN1
CN2
CN492
CAL S.V. (LR)
CN669
XYEMGR
CAL VACUUM SENSOR (LR)
XYEMGR
11-3C
XY RELAY PCB
CN7
13-1B
XY7
11-3A
POWER UNIT(R)
CN067
12-1C
PWRL67
ETF F OAT SENSO R(RR)(RECEIVIN G)
ETF FOR A SENSO R(RR)(EMISSION )
MECH/ELEC TROLY OPT ION
E-FROAT(E)
E-FROAT(RCV)
1 2
4
6
4
3
7
14
15
9
10
11
19181716
12
13
43
43 20 21 22 23
24
25
30
31
11
12
26
27
28
1
2
13
43
33321716
43
20 34 35 23
46 46 46 46 46 46
48
47
5
8
8
46
48
46
46
47
46
5
46 46
44
45
4
36
37
38
7
43
19181716
43
20 21 22 23
43
33321716
43
20 34 35 23
30
42
14
40
24
44 45
44 45
36
37
28
27
26
13
12
11
41
13
12
11
39
9
44 45
29 29

- 158 -
NOTE( 注記 ) #01....FOR EN EN 用
#02....WHEN REPLACE FROM OLD PWB 40047514 TO NEW PWB 40047558,
PLEASE CHANGE WITH ETHER-SLAVE PCB ASM 40047557.
旧40047514から40047558に交換するときは、
ETHER − SLAVE PCB ASM 40047557を
一緒に交換してください。
REF.NO NOTE PART NO D E S C R I P T I O N
品 名
Qty
1 400-98974 POWER_SUPPLY_ASSY_L(ST)
電源供給組(左)ST
2
2
#01
400-93149 POWER SUPPLY ASSY L(EN)
電源供給組(左)EN
2
3 400-91470 FEEDER PWR CABLE (LR) ASM
フィーダ電源ケーブル(LR)組
1
4 400-47557 ETHER-SLAVE PCB ASM
ETHER − SLAVE 基板組
3
5 400-93066 FPI-LED 1 CABLE(R) ASM
FPI − LED 1ケーブル(R)組
2
6 400-91922 ETHER CABLE FEEDER LF-LR ASM
イーサケーブルフィーダ LF − LR 組
1
7 400-47560 FEEDER PCB ASM
フィーダ基板組
2
8 400-93067 FPI-LED 2 CABLE(R) ASM
FPI − LED 2ケーブル(R)組
2
9 400-47483 FEEDER CAL(F) CABLE ASM
CAL(F)ケーブル組
2
10 400-89890 CAL BLOCK CABLE(LF) ASM
CAL ブロックケーブル(LF)組
1
11 400-07376 CALBLOCK PCB ASM
CAL ブロック基板組
4
12 400-47986 CAL VACUUM SV ASM
CAL バキューム SV 組
4
13 400-02126 CAL VACUUM SENSOR ASSY
CAL バキュームセンサ組
4
14 400-48176 FEEDER SENSOR RELAY(F) CABLE ASM
フィーダセンサ中継ケーブル(F)組
2
15 400-89891 FEEDER SENSOR CABLE (LF) ASM
フィーダセンスケーブル(LF)組
1
16 400-02128 ATC OPEN SENSOR ASM
ATC オープンセンサ組
4
17 400-02127 ATC CLOSE SENSOR ASM
ATC クローズセンサ組
4
18 400-47496 FD-FLOAT(FF)RECEIVE SENSOR ASM
フィーダ浮きセンサ(FF)受光組
2
19 400-47498 FD-FLOAT(FR)RECEIVE SENSOR ASM
フィーダ浮きセンサ(FR)受光組
2
20 400-47485 ATC SV CABLE ASM
ATC SV ケーブル組
4
21 400-47495 FD-FLOAT(FF)SENSOR ASM
フィーダ浮きセンサ(FF)投光組
2
22 400-47497 FD-FLOAT(FR)SENSOR ASM
フィーダ浮きセンサ(FR)投光組
2
23 400-47486 SOT CHECK SV CABLE ASM
SOT 検査台 SV ケーブル組
4
24 400-47484 FEEDER CAL(R) CABLE ASM
CAL(R)ケーブル組
2
25 400-89892 CAL BLOCK CABLE(LR)ASM
CAL ブロックケーブル(LR)組
1
26 400-89675 FD EMG RLY CABLE ASM
フィーダ非常停止中継束線組
2
27 400-89885 OPERATION RLY CABLE (F) ASM XL
オペレーションリレーケーブル組(F)XL
2
28
#02
400-47558 XY-RELAY PCB ASM
XY − RELAY 基板組
2
29 400-95637 BUP SENSOR SHORT ASM
BUP センサ SHORT 組
2
30 400-48177 FEEDER SENSOR RELAY(R) CABLE ASM
フィーダセンサ中継ケーブル(R)組
2
31 400-89876 FEEDER SENSOR CABLE (LR) ASM
フィーダセンスケーブル(LR)組
1
32 400-70398 FD-FLOAT(RF)RECEIVE SENSOR ASM
フィーダ浮きセンサ(RF)受光組
2
33 400-70400 FD-FLOAT(RR)RECEIVE SENSOR ASM
フィーダ浮きセンサ(RR)受光組
2
34 400-70397 FD-FLOAT(RF)SENSOR ASM
フィーダ浮きセンサ(RF)投光組
2
35 400-70399 FD-FLOAT(RR)SENSOR ASM
フィーダ浮きセンサ(RR)投光組
2
36 400-98950 POWER_SUPPLY_ASSY_R(ST)
電源供給組(右)ST
2
37 400-93150 POWER SUPPLY ASSY R(EN)
電源供給組(右)EN
2
38 400-91471 FEEDER PWR CABLE (RR) ASM
フィーダ電源ケーブル(RR)組
1
39 400-89877 CAL BLOCK CABLE(RF) ASM
キャルブロックケーブル(RF)組
1
40 400-89897 FEEDER SENSOR CABLE (RF) ASM
フィーダセンスケーブル(RF)組
1
41 400-89878 CAL BLOCK CABLE(RR) ASM
キャルブロックケーブル(RR)組
1
42 400-89875 FEEDER SENSOR CABLE (RR) ASM
フィーダセンスケーブル(RR)組
1
43 400-02167 BANK UP(F)SENSOR ASM
バンクアップ(F)センサ組
8
44 400-84847 ETF-FLOAT RECEIVE SENSOR ASM
ETF − FLOAT 受光センサ組
4
45 400-84848 ETF-FLOAT SENSOR ASM
ETF − FLOAT センサ組
4
46 E8626-729-0A0 FPI LED BOARD ASM.
FPI LED 基板組
12
47 400-93064 FPI-LED 1 CABLE(F) ASM
FPI − LED 1ケーブル(F)組
2
48 400-93065 FPI-LED 2 CABLE(F) ASM
FPI − LED 2ケーブル(F)組
2