FX-3-Rev10(K-) - 第166页
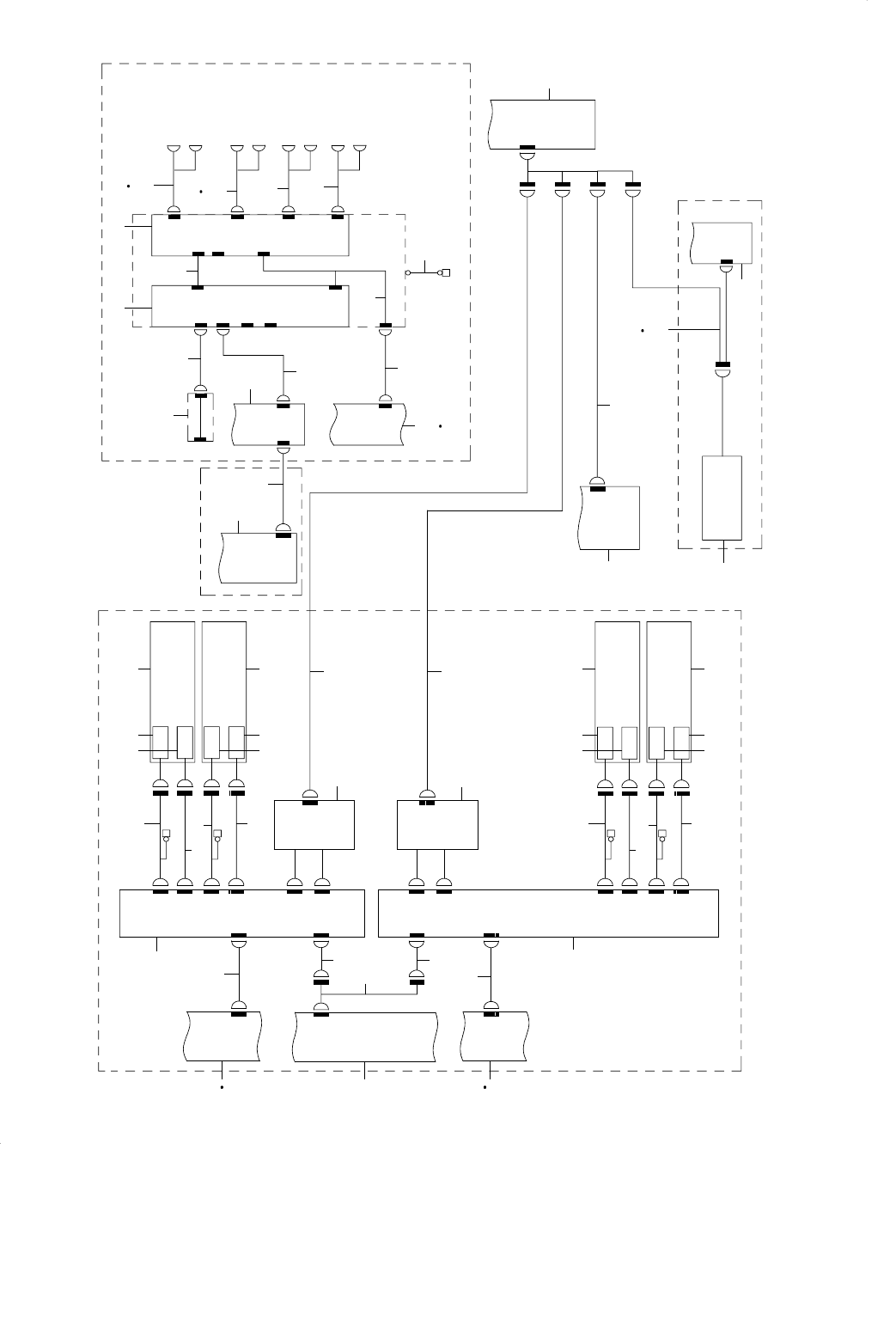
- 161 - 81. SYSTEM DIAGRAM (CVS/RFID/TRACEABILITY) SYSTEM DIAGRAM (CVS / RFID / TRACEAB ILITY) 12-3B POWER UNIT(L) PWRL028 14-1B CN028L CVSLC1 11-5C CN12 XY-RELAY PCB 13-3A XYCN12 CVS LIO CVSL C2 CVS RIO CVSRC2 12-3D POW…

- 160 -
NOTE( 注記 ) #01....TYPE EN EN 用
REF.NO NOTE PART NO D E S C R I P T I O N
品 名
Qty
1 400-47560 FEEDER PCB ASM
フィーダ基板組
4
2 401-07941 FEEDER IF RELAY-03 CABLE ASM
フィーダ IF RELAY −03ケーブル組
2
3 400-47481 FEEDER IF RELAY(F) CABLE ASM
フィーダ IF 中継ケーブル(F)組
2
4 401-11737 FEEDER PCB(LF) IF CABLE ASM
フィーダ基板(LF)IF ケーブル組
4
5 400-82807 MECHANICAL BANK PCB SET
メカバンク基板セット
4
6 400-63859 DRIVE_CYLINDER
ドライブシリンダー
4
7 400-98974 POWER_SUPPLY_ASSY_L(ST)
電源供給組(左)ST
2
8
#01
400-93149 POWER SUPPLY ASSY L(EN)
電源供給組(左)EN
2
9 400-91543 BANK RLY CABLE (LF) ASM
バンク RLY ケーブル(LF)組
2
10 400-48183 BANK(F) FG CABLE ASM
バンク(F)FG ケーブル組
4
11 401-11738 FEEDER PCB(RF) IF CABLE ASM
フィーダ基板(RF)IF ケーブル組
1
12 400-98950 POWER_SUPPLY_ASSY_R(ST)
電源供給組(右)ST
2
13
#01
400-93150 POWER SUPPLY ASSY R(EN)
電源供給組(右)EN
2
14 400-91546 BANK RLY CABLE (RF) ASM
バンク RLY ケーブル(RF)組
2
15 401-07942 FEEDER IF RELAY-04 CABLE ASM
フィーダ IF RELAY −04ケーブル組
2
16 401-11735 FEEDER PCB(LR) IF CABLE ASM
フィーダ基板(LR)IF ケーブル組
1
17 400-91544 BANK RLY CABLE (LR) ASM
バンク RLY ケーブル(LR)組
2
18 401-11736 FEEDER PCB(RR) IF CABLE ASM
フィーダ基板(RR)IF ケーブル組
1
19 400-91550 BANK RLY CABLE (RR) ASM
バンク RLY ケーブル(RR)組
2
20 400-48189 MECH BANK RELAY WIRE ASM
メカバンク中継束線組
4
21 400-48190 MECH BANK IF CABLE ASM
メカバンク IF ケーブル組
4
22 400-79659 RFID JOINT CABLE ASM
RFID ジョイントケーブル組
4
23 400-48193 CONNECTOR BRACKET IF CABLE ASM
コネクタブラケット IF ケーブル組
4
24 400-48194 CONNECTOR BRACKET PWR CABLE ASM
コネクタブラケット PWR ケーブル組
12
25 E8615-715-0A0 FEEDER BANK CIRCUIT BOARD ASM.
フィーダバンク基板組
4
26 E9395-721-0A0 IC FULL RELAY CABLE 3 ASM.
IC FULL 中継ケ−ブル3組
4
27 E9532-729-0A0 CUTTER POWER SOURCE CABLE ASM.
カッタ電源ケ−ブル組
4
28 400-48158 BANK CABLE ASM
バンクケーブル組
1
29 400-65159 BANK PCB PWR RELAY CABLE ASM
バンク基板電源中継ケーブル組
1
30 400-82807 MECHANICAL BANK PCB SET
メカバンク基板セット
1
31 401-07942 FEEDER IF RELAY-04 CABLE ASM
フィーダ IF RELAY −04ケーブル組
2

- 161 -
81.SYSTEM DIAGRAM (CVS/RFID/TRACEABILITY)
SYSTEM DIAGRAM(CVS / RFID / TRACEABILITY)
12-3B
POWER UNIT(L)
PWRL028
14-1B
CN028L
CVSLC1
11-5C
CN12
XY-RELAY
PCB
13-3A
XYCN12
CVSLIO
CVSLC2
CVSRIO
CVSRC2
12-3D
POWER UNIT(R)
PWRR028
13-4B
CN028R
CVSRC1
CVS PC B ( R)
CN2 CN3
CN4
CN1
CN3CVS
CN4
DMM (R)
DMM (L )
CN3CVS
CN4
CN3
CN4
CN2
CN1
CN8
CN7
CN6
CN5
CVS PC B (L)
CN5/CVS
CN6/CVS
CN7/CVS
CN8/CVS
J043/LF
J042/LF
J043/LR
J042/LR
FG-TAP
(LF)
FG-TAP
(LR)
J43
J42
J43
J42
PROBE
SOLENOID VALVE
PROBE
SOLENOID VALVE
SURFACE VERIFICATION
UNIT(LR)
SURFACE VERIFICATION
UNIT(LF)
HOD OPT ION
13-1C
XY-RELAY PCB
CN49
XY-49
HLC LAN
LAN
PWRR22
RFID_PWR
9-4C
CPU BOARD
COM2
LAN
13-1C
POWER UNIT(R)
CN022
14-1C
FG-TAP
FRONT
DC INP UT
X4
X3
X2
X1
X5
SWITCHING
HUB
HUB_BOX
MPC-4C
ETHERNET
PROG
CN3
CN4
DC_INPUT
CN1
CN2
CH3
LR
CH4
RR
CH1
LF
CH2
RF
LR383
LR382
RR383
RR382
LF383
LF382
RF383
RF382
12-3B
MECH TO ROLY I/ F
14-3B
ELEC TO ROLY I/ F
12-3D
MECH TOROLY I/F
14-3D
ELEC T OROLY I/F
12-1B
MECH TO ROLY I/ F
14-1B
ELEC T OROLY I/F
12-1D
MECH TOROLY I/F
14-1D
ELEC TO ROLY I/ F
RFID OPTION
5-5D
IEEE1394 BOARD
UART
UART
COM A
COM B
COM C
COM D
9-5C
ATX POWER
CN6
ATX-6
BR
TRACEABILITY OPTION
BARCORD REEDE R
XY-49
9-4D
SUPER IMPOSE BOARD
HOST
CVS OPT ION
PROBE
SOLENOID VALV E
SURFACE VERIFICATION
UNIT(RF)
SURFACE VERIFICATION
UNIT(RR)
PROBE
SOLENOID VALVE
J043/RF
J042/RF
J043/RR
J042/RR
J42
J43
J42
J43
FG-TAP
(RF)
(RR)
FG-TAP
CN5/CVS
CN6/CVS
CN7/CVS
CN8/CVS
CN5
CN6
CN7
CN8
5 67910
13
15
1412
11
16
16
17
19
18
20
22 22
21
23
21
23
25 25
24
24
26
27
28
29
2222
23
21
23
21
1
2
3
30
31
8
45
4
39
36
37
38
35
33
44
41
42
43
46
47
48
49
50
40
32
7
34

- 162 -
NOTE( 注記 ) #01....FOR EN EN 用
#02....TYPE XL XL 仕
#03....WHEN REPLACE FROM OLD PWB 40047514 TO NEW PWB 40047558,
PLEASE CHANGE WITH ETHER-SLAVE PCB ASM 40047557.
旧40047514から40047558に交換するときは、
ETHER − SLAVE PCB ASM 40047557を
一緒に交換してください。
REF.NO NOTE PART NO D E S C R I P T I O N
品 名
Qty
1 400-48082 SUPER INPAUSE BOARD
スーパーインポーズボード
1
2 HX-0061000-00 BARCODE READER
バーコードリーダ
1
3 400-02264 OP-232C CABLE ASM
オプション232 C ケーブル組
1
4 400-48003 IEEE1394 BOARD
IEEE 1394ボード
1
5 400-98974 POWER_SUPPLY_ASSY_L(ST)
電源供給組(左)ST
1
6
#01
400-93149 POWER SUPPLY ASSY L(EN)
電源供給組(左)EN
1
7
#03
400-47558 XY-RELAY PCB ASM
XY − RELAY 基板組
2
8 400-48006 ATX PSU
ATX 電源
1
9 400-98950 POWER_SUPPLY_ASSY_R(ST)
電源供給組(右)ST
1
10
#01
400-93150 POWER SUPPLY ASSY R(EN)
電源供給組(右)EN
1
11 400-48294 CVS PCB(L) POWER CABLE ASM
CVS 基板(L)電源ケーブル組
1
12 400-48293 CVS IO(L) CABLE ASM
CVS IO(L)ケーブル組
1
13 400-48169 CVS IO CABLE ASM
CVS IO ケーブル組
1
14 400-48295 CVS IO(R) CABLE ASM
CVS IO(R)ケーブル組
1
15 400-48296 CVS PCB(R) POWER CABLE ASM
CVS 基板(R)電源ケーブル組
1
16 400-47537 CVS PCB ASM
CVS 基板組
2
17 400-93238 CVS LF PROBE CABLE ASM
CVS LF プローブケーブル組
1
18 400-48297 CVS LF PROBE CABLE ASM
CVS LF プローブケーブル組
1
19 400-93239 CVS LR PROBE CABLE ASM
CVS LR プローブケーブル組
1
20 400-48298 CVS LR PROBE CABLE ASM
CVS LR プローブケーブル組
1
21 400-47886 CVS PROBE CABLE ASM
CVS プローブケーブル組
4
22 400-46825 SURFACE VERIFICATION UNIT
CVS 外観組
4
23 E9589-705-0A0 VRFY SV CABLE ASM.
VRFY SV ケ−ブル組
4
24 400-48056 CVS DMM ASM
デジタルマルチメータ組
2
25 400-48057 CVS PROBE I/F CABLE ASM
CVS プローブI/Fケーブル組
2
26 400-93240 CVS RF PROBE CABLE ASM
CVS RF プローブケーブル組
1
27 400-48299 CVS RF PROBE CABLE ASM
CVS RF プローブケーブル組
1
28 400-93241 CVS RR PROBE CABLE ASM
CVS RR プローブケーブル組
1
29 400-48300 CVS RR PROBE CABLE ASM
CVS RR プローブケーブル組
1
30 400-48200 BARCODE READER CABLE ASM
バーコードリーダケーブル組
1
31
#02
400-89959 BARCODE READER CABLE ASM XL
バーコードリーダケーブル組 XL
1
32 400-91903 HOD RS232C CABLE ASM
H
OD RS 232 C ケーブル組
1
33 HK-0651200-80 MODULAR KAPLA
モジュラーカプラ
1
34
#01
400-73738 RFID LAN CABLE (4.5M) ASM
RFID LAN ケーブル(4.5 M)組
1
35 401-07372 CPU BOARD
CPU ボード
1
36 400-79652 RFID LAN CABLE ASM
RFID LAN ケーブル組
1
37 400-98950 POWER_SUPPLY_ASSY_R(ST)
電源供給組(右)ST
1
38
#01
400-93150 POWER SUPPLY ASSY R(EN)
電源供給組(右)EN
1
39 400-79653 RFID PWR CABLE ASM
RFID PWR ケーブル組
1
40 400-79658 RFID BRANCH4 CABLE ASM
RFID BRANCH 4 ケーブル組
1
41 400-73033 SWITCHING HUB
スイッチングハブ
1
42 400-73032 4 PORT MPC
4ポート MPC
1
43 400-72813 MPC RJ45 CABLE ASM
MPC 用 RJ 45ケーブル組
1
44 400-72814 MPC POWER CABLE ASM
MPC 電源ケーブル組
1
45 400-79656 RFID FG CABLE ASM
RFID FG ケーブル組
1
46 400-79654 RFID BRANCH1 CABLE ASM
RFID BRANCH 1 ケーブル組
1
47
#02
400-89957 RFID BRANCH1 CABLE ASM XL
RFID BRANCH 1 ケーブル組 XL
1
48 400-79655 RFID BRANCH2 CABLE ASM
RFID BRANCH 2 ケーブル組
1
49
#02
400-89958 RFID BRANCH2 CABLE ASM XL
RFID BRANCH 2 ケーブル組 XL
1
50 400-79657 RFID BRANCH3 CABLE ASM
RFID BRANCH 3 ケーブル組
1