Feeder Parts List.pdf - 第105页
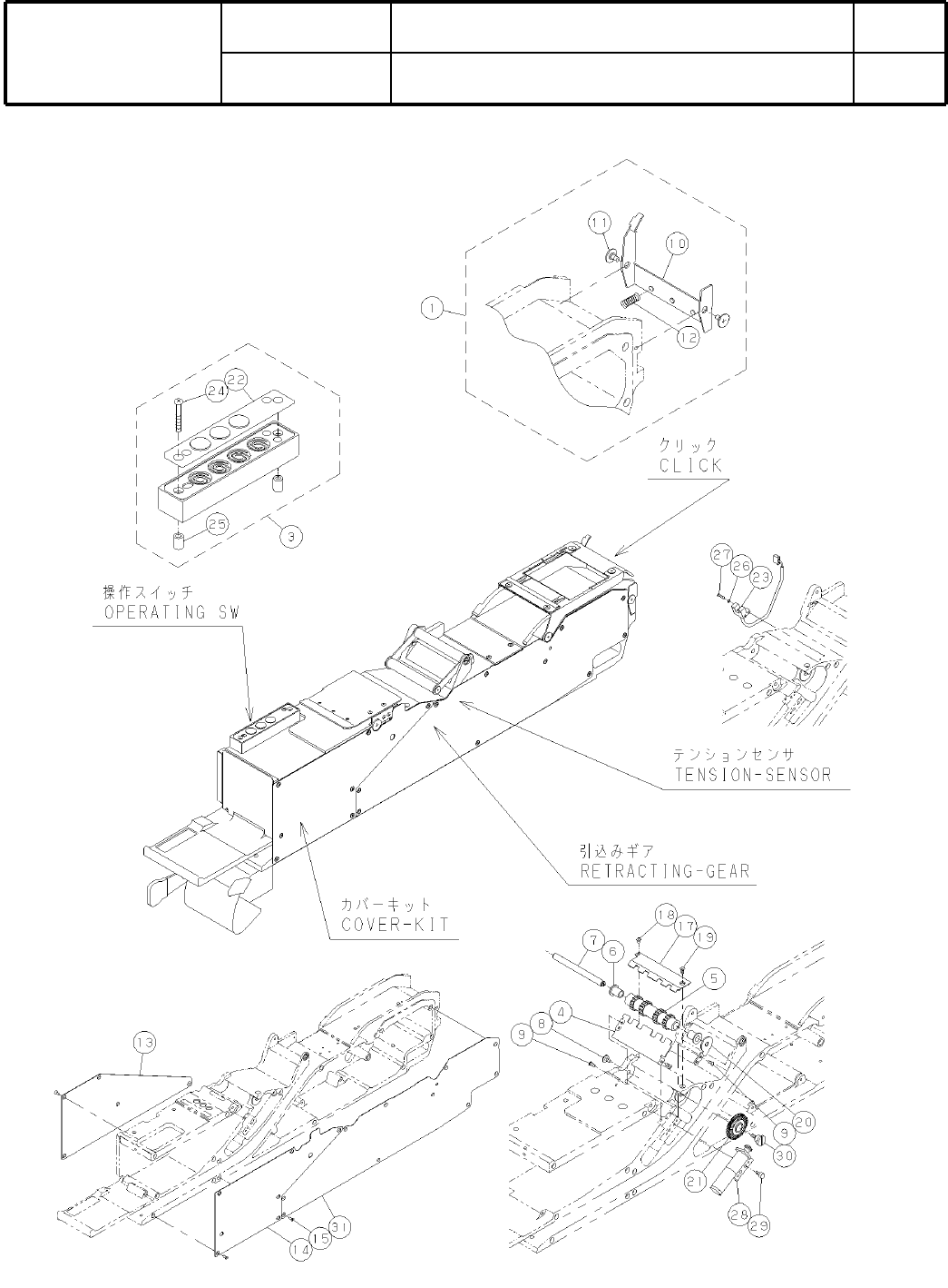
Ref No. Remark s R 1 Q'ty 2-A T/F ; 72mm ; タイプA Tape Feeder; 72 mm ; Type A イラスト No. Part No. 品 名 品番 数量 R 2 パーツリスト Kit N o . キット品 番 Kit Name キット名称 KXFW 1KSFA00 Part Name 備 考 セクションNo. PARTS LIST Section No. R 3 PRESS…

2-A
T/F
;
72mm
;
タイプA
Tape Feeder; 72 mm; Type A
パーツレイアウト
Ki
t
N
o
.
キット
品番
Kit Name
キット名称
KXFW1KSFA00
セクションNo.
PARTS LAYOUT
Section No.
-
-
M5
( KKXFW1KSFA00-40-1 )

Ref
No.
Remarks
R
1
Q'ty
2-A
T/F
;
72mm
;
タイプA
Tape Feeder; 72 mm; Type A
イラスト
No.
Part No.
品 名品番 数量
R
2
パーツリスト
Kit N
o
.
キット品
番
Kit Name
キット名称
KXFW1KSFA00
Part Name
備 考
セクションNo.
PARTS LIST
Section No.
R
3
PRESSER-COVER
1
1 N610090961AA
TENSIONER
1
2 N610025481AB
PIN
1
3 KXFA1M9AA00
COVER
1
4 N210123201AA
MAGNET
1
5 KXF0DYAZA00 NEO33
SCREW
1
6 XXE25C3FP
Hexagon socket set screw Flat point M2.5X3-45H SCHP
COVER
1
7 N210020703AA
COVER
1
8 KXFA1PR5B01
GUIDE
1
9 N210006458AA
PIN
2
10 KXFA1PQ5B00
PRESSER-PLATE
1
11 N610072587AB
GUIDE
1
12 KXFA1PDAA00
SCREW
2
13 KXF0DYAJA00 S020659-2001(DDA)
PIN
2
14 KXFA1LHAA00
SPRING
3
15 N210114131AA
SCREW
6
16 XSN25+6VW
Cross recessed Pan head machine screw M2.5X6-A2-70
BUSH
2
17 KXF0CWGAA00 80F-0610
PIN
1
18 KXFA1KAAA00
PIN
2
19 KXFA1KRAA00
PIN
1
20 KXFA1M8AA00
GEAR
1
21 KXFA1PQ8A02
COMB
1
22 KXFA1PS1B00
LEVER
1
23 N210029790AA
PIN
1
24 KXFA1MAAA00
PIN
1
25 KXFA1M6AA00
LEVER
1
26 N210038151AA
ROLLER
2
27 KXFA1M5AA00
PIN
2
28 KXFA1KAAA00
SPRING
1
29 KXF0DK6AA00 (DA 0DK6A)
LEVER
1
30 KXFA1PAAA00
LEVER
1
31 KXFA1NSAA00
PIN
1
32 N210044529AA
M6
-
-
( KKXFW1KSFA00-40-1 )

2-B
T/F
;
72mm
;
タイプA
Tape Feeder; 72 mm; Type A
パーツレイアウト
Ki
t
N
o
.
キット
品番
Kit Name
キット名称
KXFW1KSFA00
セクションNo.
PARTS LAYOUT
Section No.
-
-
M7
( KKXFW1KSFA00-40-2 )