Feeder Parts List.pdf - 第41页
Ref No. Remark s R 1 Q'ty 5-C T/F;8m mダブル; スプライシング検出;タ イプA; 0402用 Tape Feeder; 8 mm Double; Splice sensing; T ype A; For 040 イラスト No. Part No. 品 名 品番 数量 R 2 パーツリスト Kit N o . キット品 番 Kit Name キット名称 N610031080AA Part N…

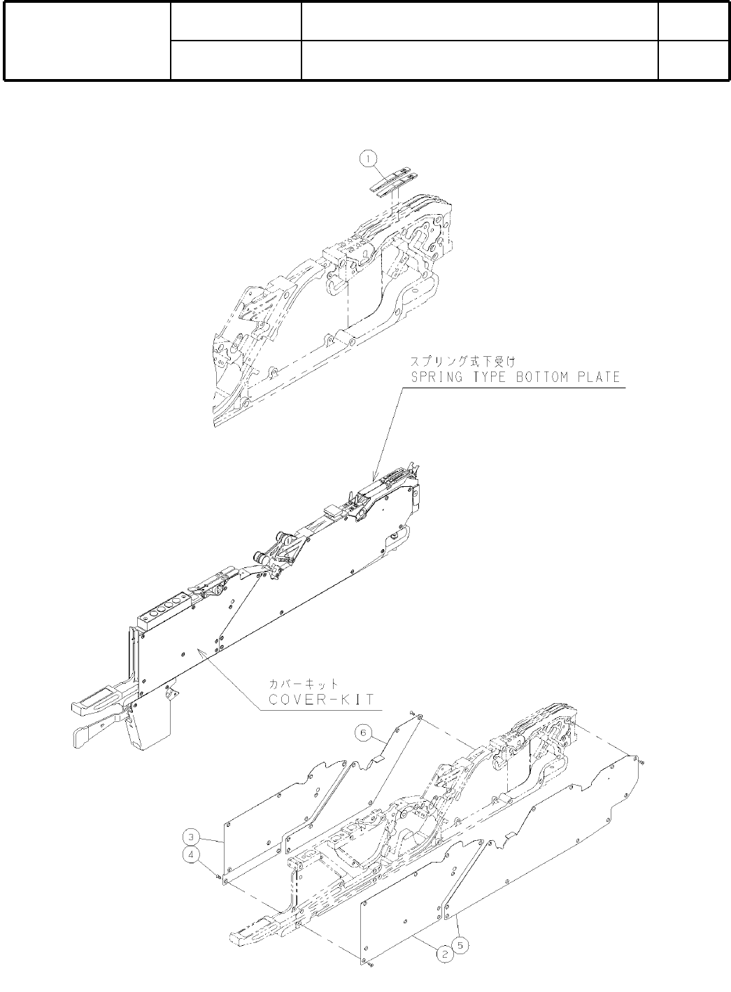
5-C
T/F;8mmダブル;スプライシング検出;タイプA;0402用
Tape Feeder; 8 mm Double; Splice sensing; Type A; For 040
パーツレイアウト
Ki
t
N
o
.
キット
品番
Kit Name
キット名称
N610031080AA
セクションNo.
PARTS LAYOUT
Section No.
-
-
M29
( KN610031080AA-16-3 )

Ref
No.
Remarks
R
1
Q'ty
5-C
T/F;8mmダブル;スプライシング検出;タイプA;0402用
Tape Feeder; 8 mm Double; Splice sensing; Type A; For 040
イラスト
No.
Part No.
品 名品番 数量
R
2
パーツリスト
Kit N
o
.
キット品
番
Kit Name
キット名称
N610031080AA
Part Name
備 考
セクションNo.
PARTS LIST
Section No.
R
3
Spring type bottom plate
2
1 N610014970AE
COVER
1
2 KXFA1MPBA01
COVER
1
3 N210109641AA
SCREW
38
4 XSS25+6VW
Cross recessed Countersunk head machine screw M2.5X6-A2-70
COVER
1
5 KXFA1PQ9A00
COVER
1
6 KXFA1PR0A00
M30
-
-
( KN610031080AA-16-3 )

6-A
T/F
;
8mmダブル
;
タイプA
;
0402用
Tape Feeder; 8 mm Double; Type A; For 0402
パーツレイアウト
Ki
t
N
o
.
キット
品番
Kit Name
キット名称
N610031082AA
セクションNo.
PARTS LAYOUT
Section No.
-
-
M31
( KN610031082AA-16-1 )