Pick - 第2页
Pick & place-head f. CAN-BUS Page 2 / 11 19.11.2021

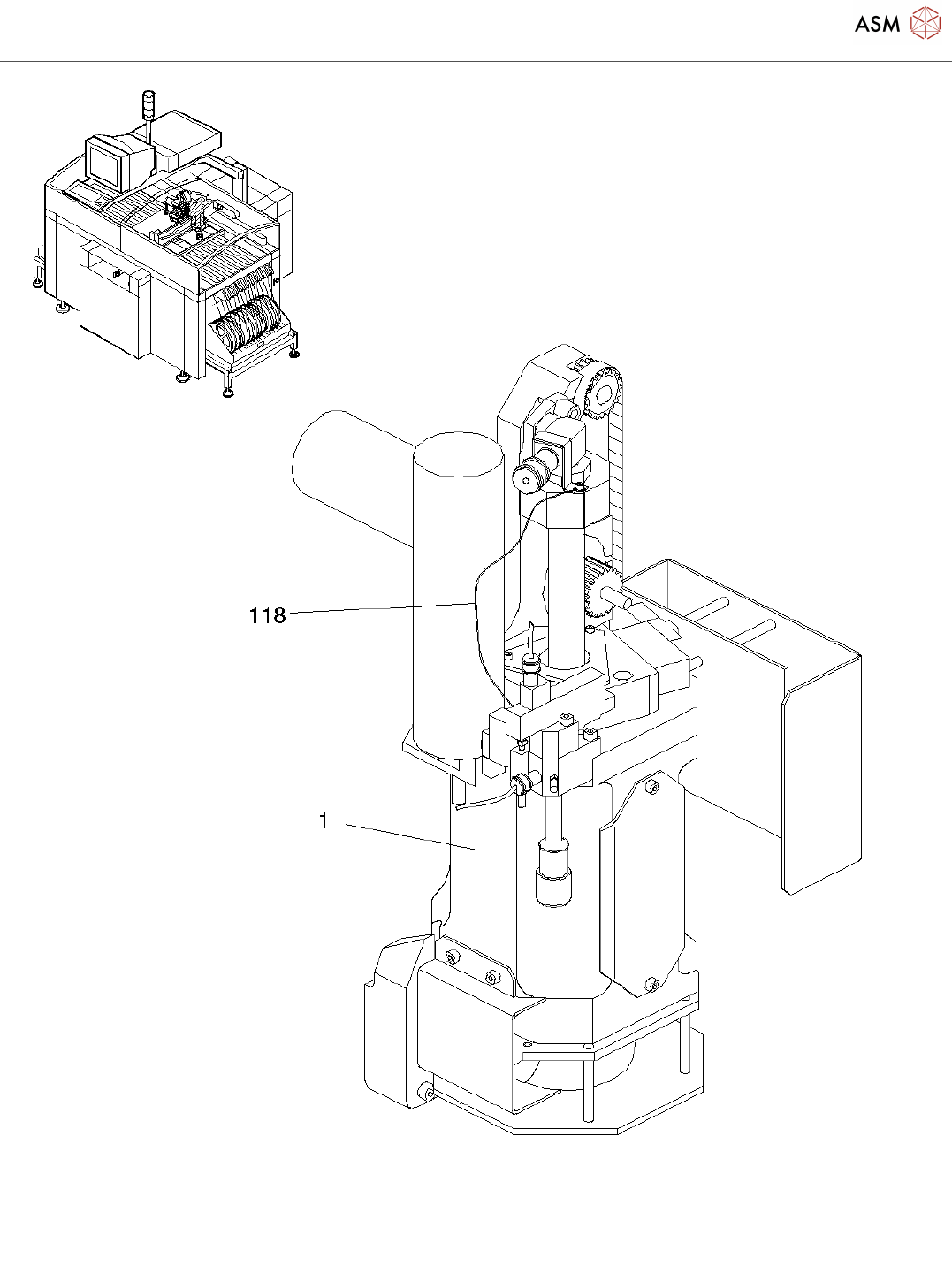
Pick & place-head f. CAN-BUS
Page 1 / 11 19.11.2021

Pick & place-head f. CAN-BUS
Page 2 / 11 19.11.2021

Pick & place-head f. CAN-BUS
Page 3 / 11 19.11.2021
Pick & place-head f. CAN-BUS Page 2 / 11 19.11.2021


