NXTIIIC partlist - 第128页
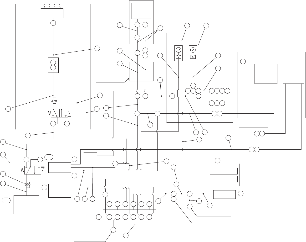
STANDARD INSTALLA TIONS MANUHOLD CONVEYOR DUCT ダク ト LEFT SIDE RIGHT SIDE Y-AXIS FLEXIBLE TRACK FOR FEEDER OPTION FOR MODULE REAR SIDE FOR MODULE FRONT SIDE DUST COLLECT AIR BLOW ON Neg press Pos press WASTE TAPE PROCESSI…
ࡇࡢ࣮࣌ࢪࡣࣈࣛࣥࢡ࣮࣌ࢪ࡛ࡍ
↔亥ᱟオⲭ亥
This page is intentionally blank.
127
PTS-NXT3c-01JE

STANDARD
INSTALLATIONS
MANUHOLD
CONVEYOR
DUCT
ダクト
LEFT SIDE
RIGHT SIDE
Y-AXIS FLEXIBLE TRACK
FOR FEEDER OPTION
FOR MODULE REAR SIDE
FOR MODULE FRONT SIDE
DUST COLLECT AIR BLOW ON
Neg press
Pos press
WASTE TAPE
PROCESSING UNIT
DEVICE BASE
Neg press
Neg press
Neg pressPos press
XSLIDE
ノズ ル チェン ジ
NOZZLE CHANGE
バキューム
バキューム
VACUUM BACK UP PINS
VACUUM BACK UP PINS
バ ックアップ ピン
バ ックアップ ピン
IONIZER ON
IONIZER
負圧φ12×2
正圧φ10
G
ベース
(エア源)
ベース
(エア源)
BASE
(AIR SOURSE)
BASE
(AIR SOURSE)
負圧φ12×2
正圧φ10
正圧φ6
左側 右側
正圧
0.4MPa
負圧
−59kPa
埃対策
AS1201F−M5−06SA
集塵エアブローON
標準仕様
φ6
Xスライド
φ8 φ8
Y軸ケーブルベア
ISE30A
−C4L−P−ML
ZSE30A
−C4L−P−ML
SYJ512T
−5MOZ−M5−F−Q
φ4
φ12
φ12
φ6
M5
M5
正
負
φ10
φ6
φ6
φ6
φ4
SYJ512T
−5MOZ−M5−F−Q
φ10
φ12
φ4
φ4
φ4
φ6
φ4
φ6
φ8
φ10
φ10
φ4 φ4
φ4
残テープカッター
デバイスベース
コンベア
イオナイザ
(デバイスベース部)
(DEVICE BASE)
F2
F1
1/4 1/4 1/41/8 1/8
1/81/81/81/8
φ6
Ⅰ
H
φ6
AS1201F−M5−06SA
イオナイザON
1/8 1/8
フィーダOP用
1/41/4
マニホールド
モジュール後側用
モジュール前側用
C1
E
φ6
φ8 φ10
φ10
D
正
正
102103 109
151
141
142
143
144
106
112
115
114
116
23
2730
44
25
26
4
20
425
20
26
52
51
71
72
73
74
89
15 14
10
21 22
29 13 19 17
43 42 41
18 1631
23
118
75
76
77
10
29
2727
24
33
223
105
113
108
110
131
107
132
104
145
117
1
111
7
6
55
12
11
32
101
120
33
34
35
119
121
28 17
18 16
2UGZBE000110
0,,,F࣋ࢵࢻ
0,,,F%('
128
PTS-NXT3c-01JE

M6 IIIc-BED 7/
M6 IIIc-ベッド 7/
2UGZBE000110
No. Dr
g
.No. & Code No. QTY Descri
p
tion Ratin
g
Materials Remarks
番号 図番 & コード番号 個数 品名
規
格材質 備考
1 Y60422 1 UNION, HALF ユニオン ハーフ KQ2H04-02AS OT
2 Y60194 1 UNION, ELBOW ユニオン エルボ KQ2VS10-02AS OT
3 Y60195 2 UNION, ELBOW ユニオン エルボ KQ2L04-01AS OT
4 Y60199 2 UNION, ELBOW ユニオン エルボ KQ2L06-M5A OT
5 Y60192 2 UNION, ELBOW ユニオン エルボ KQ2L06-01AS OT
6 H3145K 1 PLUG
プ
ラ
グ
KQ2P-04 OT
7 Y60291 1 UNION ユニオン KQ2U04-06A OT
8 Y60205 1 UNION, HALF ユニオン ハーフ KQ2H08-00A OT
9 Y60365 1 UNION ユニオン KQ2H10-12A OT
10 Y60206 2 UNION, ELBOW ユニオン エルボ KQ2L04-06A OT
11 Y60313 1 UNION ユニオン KQ2T10-00A OT
12 A61138 1 ELBOW エルボ KQ2L12-00A OT
13 Y60203 1 UNION, HALF ユニオン ハーフ KQ2S12-03AS OT
14 Y3023W 1 UNION ユニオン PEG12-8 OT
15 Y3027B 1 UNION ユニオン PWJ8-6 OT
16 K11578 2 COUPLER カ
プ
ラ KK4P-10E OT
17 K1158B 2 COUPLER カ
プ
ラ K4-04PM OT
18 Y60202 2 ELBOW エルボ KQ2L10-99A OT
19 2MGKBC000402 1 JOINT ジョイント OT
20 H66819 2 VALVE, SOL バル
ブ
SOL SYJ512T-5MOZ-M5-F-Q OT
21 S64379 1 SW, PRESSURE SW
プ
レッシャ ISE30A-C4L-P-ML OT
22 S64380 1 SW, PRESSURE SW
プ
レッシャ ZSE30A-C4L-P-ML OT
23 A3033A 3 PLUG 埋栓 PT1
/
4FE
24 2MGTBC001604 1 MANIFOLD, AIR マニホールド エアー OT
25 A3042A 2 PLUG 埋栓 M-5P OT
26 K63433 2 CONTROLLER, SPEED コントローラ スピード AS2201F-M5-06SA OT
27 A3034A 3 PLUG 埋栓 PT1
/
8FE
28 2MGKBC000101 1 JOINT ジョイント AL
29 A61009 2 ELBOW エルボ KQ2L12-99A OT
30 Y60374 1 UNION, ELBOW ユニオン エルボ KQ2LU06-01AS OT
31 Y60440 1 UNION ユニオン KQ2T10-08A OT
32 Y60219 1 UNION ユニオン KQ2T04-00A OT
33 K63349 1 CAP キャッ
プ
KQ2C04-00A OT
34 Y60337 1 UNION ユニオン KQ2T04-06A OT
35 H3145L 1 PLUG
プ
ラ
グ
KQ2P-06 OT
41 K1161W 1 COUPLER カ
プ
ラ CPPE7-01 OT OPTION 1
42 Y3024A 1 UNION ユニオン PMF6-01 OT OPTION 1
43 Y3016B 1 UNION ユニオン PLLJ6 OT OPTION 1
44 Y60346 1 UNION ユニオン KQ2H06-02AS OT OPTION 1
51 S5026S 1 SOCKET ソケット KK2S-06E OT
52 S5026S 1 SOCKET ソケット KK2S-06E OT
71 N2031A 1 NIPPLE ニッ
プ
ル M-5H-6 OT
72 XZ00010 1 JOINT, HOSE ジョイント ホース OT
73 PM78573 1 NIPPLE, VOLUTE ニッ
プ
ル 竹の子 FE
74 Y60191 1 UNION, ELBOW ユニオン エルボ KQ2L08-00A OT
75 Y60379 1 UNION ユニオン KQ2R08-10A OT
76 A61137 1 ELBOW エルボ KQ2L10-00A OT
77 Y60178 1 UNION, ELBOW ユニオン エルボ KQG2L06-M5 OT
101 2MGZBE005401 1 TUBE チュー
ブ
OT
102 2MGZBE004000 1 TUBE チュー
ブ
OT
103 2MGZBE004100 1 TUBE チュー
ブ
OT
129
PTS-NXT3c-01JE