KE-750_KE-760-Rev07PDF - 第109页
- - REF.NO N O TE PART NO D E S C R I P T I O N Q ty 1 E2244-725-0A0 CONV EYO R RAI L F ASM. 1 2 E2240-725-000 BASE BAR F (1 ) 3 E2180-721-000 RAIL ST AN D F (2 ) 4 SL-6052092-TN SCRE W (4 ) 5 E2061-725-000 RAIL ST AN …

- -
52.PWB CONVEYOR COMPONENTS (2)(L)
6 3
6 3
6 3
1 8
2 0
2 0
5 7
5 8
5 9
6 0
6 0
5 6
6 1
6 2
6 2
6 4
6 4
6 4
6 7
6 8
2 4
2 6
2 5
3 2
3 5
2 4
2 6
2 5
3 2
3 5
5 7
5 8
5 9
5 6
1 8
5 3
6 1
5 5
8 0
8 0
7 1
7 1
2 9
3 0
3 7
2 8
2 9
2 7
5 1
4 6
4 7
4 4
4 3
4 4
4 3
4 2
4 2
4 2
4 2
4 5
4 4
4 6
4 5
3 8
4 4
4 4
4 4
4 1
4 0
4 7
4 4
4 5
4 6
4 4
4 5
4 6
4 7
4 4
3 9
4 3
4 4
4 3
4 2
4 2
4 2
4 2
4 7
3 8
4 4
4 4
4 1
4 0
9
1 0
1 2
1 3
5 2
3 3
3 4
3 4
3 6
3 6
3 3
5 2
3 4
3 6
3 3
3 4
3 6
2 9
2 8
3 7
3 0
2 9
3 3
2 7
2 9
2 8
3 7
3 0
2 9
3 4
3 6
3 3
4 8
4 9
5 0
4 8
4 9
6 9
1 7
5 1
3 9
2 7
7 3
7 2
8 1
7 4
7 5
7 8
7 9
A
B
7 3
7 2
8 1
7 4
7 6
7 7
7 9
A
B
8 2
8 2
2
3
2 4
2 6
2 5
3
4
5
6
7
8
1 1
1 4
1 8
1 9
1 8
1 9
1 9
1 9
2 1
2 1
2 2
2 2
2 2
2 1
2 2
2 3
2 3
3 2
4
3 1
2 4
2 6
2 5
3 2
3 1
2 4
2 6
2 5
3 2
3 5
1 8
2 4
1 5
2 6
2 5
3 2
3 5
5 4
5 4
6 5
6 6
1
2 3
1 8
1 5
2 1
7 0
6 9
1 6
1 6

- -
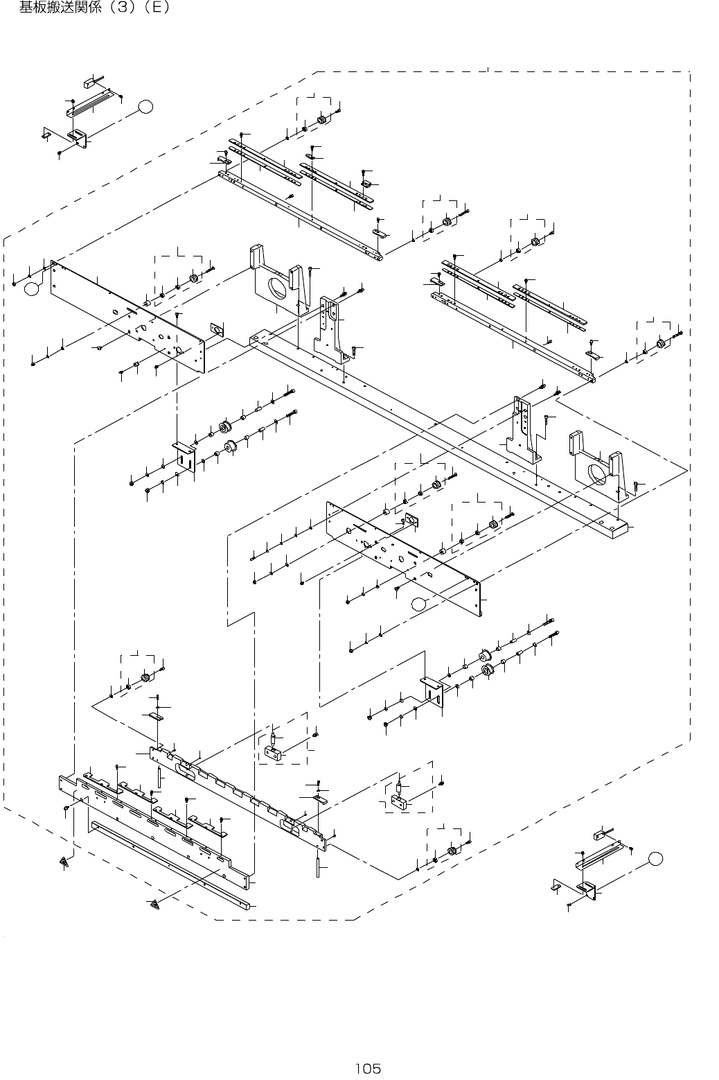
REF.NO NOTE PART NO D E S C R I P T I O N Qty
1 E2244-725-0A0 CONVEYOR RAIL F ASM. 1
2 E2240-725-000 BASE BAR F (1)
3 E2180-721-000 RAIL STAND F (2)
4 SL-6052092-TN SCREW (4)
5 E2061-725-000 RAIL STAND CL (1)
6 SL-6052092-TN SCREW (2)
7 E2062-725-000 RAIL STAND CR (1)
8 SL-6052092-TN SCREW (2)
9 E2248-725-000 RAIL PLATE FR (1)
10 SM-0050801-SC SCREW (4)
11 SL-6041492-TN SCREW (2)
12 E2247-725-000 RAIL PLATE FL (1)
13 SM-0050801-SC SCREW (4)
14 SL-6041492-TN SCREW (2)
15 E2249-725-000 CONVEYOR RAIL (2)
16 SL-6031492-TN SCREW (8)
17 SL-6030592-TN SCREW M3 L=5 (1)
18 E2046-725-000 PWB INNER (6)
19 SL-6031092-TN SCREW (8)
20 SM-6031002-TN BOLT M3 L=10 (4)
21 E2241-725-000 PWB GUIDE U (4)
22 E2242-725-000 PWB GUIDE L (4)
23 SL-6031092-TN SCREW (8)
24 E2111-715-0A0 CONVEYOR PULLEY ASM. (10)
25 E2111-715-000 CONVEYOR PULLEY (1)
26 SB-1040001-00 BEARING (1)
27 E2089-721-0A0 CONVEYOR PULLEY B ASM. (10)
28 E2089-721-000 CONVEYOR PULLEY B ASM. (1)
29 SB-1040001-00 BEARING (2)
30 E2055-721-000 PULLEY SPACER (10)
31 SM-6042510-SC SCREW M4X0.7 L=25 (2)
32 WP-0430800-SC WASHER M4 (10)
33 WP-0430801-SC WASHER 4.3X9X0.8 (10)
34 WS-0410002-KN SPRING WASHER (10)
35 SM-6040810-SC SCREW M4X0.7 L=8 (10)
36 NM-6040001-SC NUT M4 (10)
37 SM-4042501-SC SCREW M4X0.7 L=25 (10)
38 E2050-725-000 PULLEY BRACKET (2)
39 SL-6041092-TN SCREW (4)
40 E2157-721-000 PULLEY B (2)
41 E2016-715-000 IDLER PULLEY (2)
42 E2017-715-000 M LINER BUSH (8)
43 E2018-715-000 PULLEY SLEEVE (4)
44 WP-0531001-SC WASHER (12)
45 WS-0510002-KN SPRING WASHER (4)
46 NM-6050001-SC NUT M5 (4)
47 SM-6052502-TN HEXAGONAL-HOLE BOLT (4)
48 WP-0320500-SF WASHER 3.2X7X0.5 (4)
49 WP-0330516-SC WASHER 3.3X8X0.5 (4)
50 SM-6031002-TN BOLT M3 L=10 (2)
51 E2012-721-000 ADJUST PLATE (2)
52 SL-6030692-TN BOLT (4)
53 E2243-725-000 RAIL GUIDE F (1)
54 SL-6041292-TN SCREW (4)
55 E2244-725-000 CONVEYOR RAIL FC (1)
56 E2136-721-0A0 SHAFT SUPPORT ASM. (2)
57 E2136-721-000 SHAFT SUPPORT (1)
58 E2111-721-000 BEARING (1)
59 SL-6041092-TN SCREW (4)
60 SM-8030302-TP SCREW M3X0.5 L=3 (2)
61 E2176-721-000 RAIL GUIDE SHAFT (2)
62 SM-8040502-TP SCREW M4X0.7 L=5 (2)
63 E2123-721-000 PWB GUIDE PLATE F (3)
64 SL-6030892-TN SCREW (9)
65 E2090-725-000 WEIGHT SENSOR BLOCK (1)
66 SL-6031492-TN SCREW (2)
67 E2245-725-000 GUIDE RAIL (1)
68 SL-6040842-TN SCREW M4 L=8 (4)
69 HX-0034400-00 HARNESS PARTS (3)
70 SL-6030692-TN BOLT (2)
71 WP-0320501-SC WASHER M3 (4)
72
#01
SL-6031092-TN SCREW 4
73 #01 E2095-725-000 SENSOR BRACKET B 2
74 #01 SL-6031092-TN SCREW 4
75
#01
E9463-725-0A0 IN SENSOR CABLE ASM. 1
76
#01
E9467-725-0A0 OUT SENSOR CABLE ASM. 1
77
#01
SL-4031291-SC SCREW M3X12 1
78
#01
SL-4031291-SC SCREW M3X12 1
79 #01 E2093-725-000 BU SENSOR PLATE 4
80 CM-3002000-03 ATTENTION LABEL 2
81
#01
E2094-725-000 SENSOR BRACKET A 2
82
#01
WP-0330516-SC WASHER 3.3X8X0.5 4

- -
53.PWB CONVEYOR COMPONENTS (3)(E)
6 3
6 3
6 3
1 8
2 0
2 0
5 7
5 8
5 9
6 0
6 0
5 6
6 1
6 2
6 2
6 4
6 4
6 4
6 7
6 8
2 4
2 6
2 5
3 2
3 5
2 4
2 6
2 5
3 2
3 5
5 7
5 8
5 9
5 6
1 8
5 3
6 1
5 5
8 0
8 0
7 1
7 1
6 3
6 4
2 9
3 0
3 7
2 8
2 9
2 7
5 1
4 6
4 7
4 4
4 3
4 4
4 3
4 2
4 2
4 2
4 2
4 5
4 4
4 6
4 5
3 8
4 4
4 4
4 4
4 1
4 0
4 7
4 4
4 5
4 6
4 4
4 5
4 6
4 7
4 4
3 9
4 3
4 4
4 3
4 2
4 2
4 2
4 2
4 7
3 8
4 4
4 4
4 1
4 0
9
1 0
1 2
1 3
5 2
3 3
3 4
3 4
3 6
3 6
3 3
5 2
3 4
3 6
3 3
3 4
3 6
2 9
2 8
3 7
3 0
2 9
3 3
2 7
2 9
2 8
3 7
3 0
2 9
3 4
3 6
3 3
4 8
4 9
5 0
4 8
4 9
6 9
1 7
5 1
3 9
2 7
7 3
7 2
8 1
7 4
7 5
7 8
7 9
A
B
7 3
7 2
8 1
7 4
7 6
7 7
7 9
A
B
2
3
2 4
2 6
2 5
3
4
5
6
7
8
1 1
1 4
1 8
1 9
1 9
2 1
2 2
2 1
2 2
3 2
4
3 1
2 4
2 6
2 5
3 2
3 5
1 8
1 5
5 4
5 4
6 5
6 6
1
7 0
6 9
1 6
2 3
2 3
1 6
2 6
2 5
1 8
1 9
1 9
2 1
2 2
2 1
2 2
3 2
3 1
2 6
2 5
3 2
3 5
1 5
2 4
2 3
1 8
2 4