IPC-2221A-2003中文版-印制板设计通用标准 - 第109页
离区中心 右 边的 两个通孔、 如果 蚀刻系数 是 - 0.05mm [ -0.0197in ]、基 准 孔应 该是 隔离区中 心 左 边的 通孔 。 钻 孔 后利 用X射 线测量 孔 环来 进 行试 样 评价。 采用X射 线验 收 的试 样、基 准 孔应与覆铜 层不 接 触 。 该 附连 板 是 用 来测量 孔 电 镀 后 的 孔 环 的。 如果 在 基 准 孔 和 第十 个孔 之 间 没 有电气 连 接 、 那 么 附连 板合 格 …

同层的制造公差不一样、参看图12-16、每层
照相底图的直径中心间距应单独计算、公式如
下;
隔离直径=标称钻孔直径+制造公差
制造公差=该层功能镀覆孔与连接盘的最小差
值-2×环宽。
附连板的评价只能在各层蚀刻系数确定后进
行。蚀刻系数应在层压前确定。确定方式如
下:
蚀刻损耗=蚀刻后中心间距区的直径-照相底
图隔离中心间距的直径
用于评价孔环的基准孔坐标应以蚀刻系数为基
础
在隔离区中心左方或右方。例如: 如果蚀刻
系数是+0.1mm[+0.0039in]、基准孔应是隔
IPC-2221a-12-15
图12-15 附连板R、mm[in]
IPC-2221a-12-16
图12-16 最坏情况下的通孔/连接盘关系
IPC-2221A 2003年5月
98

离区中心右边的两个通孔、如果蚀刻系数是-
0.05mm[-0.0197in]、基准孔应该是隔离区中
心左边的通孔。
钻孔后利用X射线测量孔环来进行试样评价。
采用X射线验收的试样、基准孔应与覆铜层不
接触。该附连板是用来测量孔电镀后的孔环
的。如果在基准孔和第十个孔之间没有电气连
接、那么附连板合格。孔环的尺寸可以这样
确定、找出第一个与第十个孔有电连接的孔、
并标出它相对于基准孔的位置。基准孔左边
或右 边的通孔分别表示相对基准孔环+25μm
[+0.0984mil]或-25μm[-0.0984mil]。这种附
连板在IPC-6012中未提及。如果采用这种附
连板、测试方法和性能标准应该在采购文件中
规定。
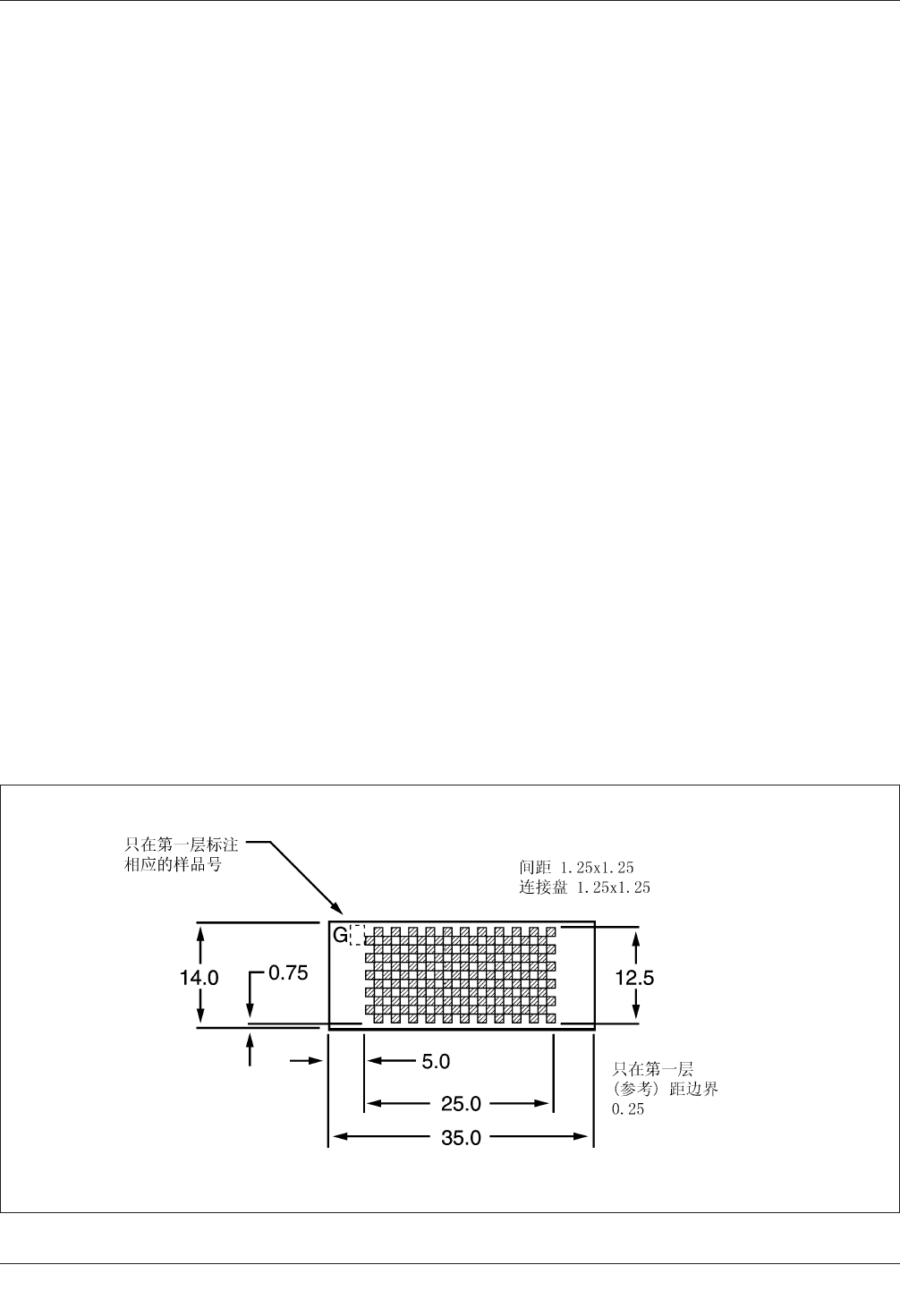
12.4.6 附连板G(阻焊膜附着⼒)
用于评价阻
焊膜附着力的测试附连板应如图12-17所示。
照相底图应该使整个附连板覆盖阻焊膜。
12.4.7 附连板M(表⾯安装可焊性—可选项)
附连板应如图12-18所示。该附连板可用来按
照IPC-J-STD-003的要求来评价表面安装焊盘
的可焊性。如果使用、测试方法和性能标准应
在采购文件中规定。
12.4.8 板 N(剥离强度、表⾯安装粘结强度—
SMT的可选项)
附连板应如图12-19所示。附
连板N用于评价剥离强度也可用于评价表面安
装焊盘的粘结强度。如果要用、测试方法和性
能标准应在采购文件中规定。
12.4.9 附连板S(孔可焊性—可选项)
当需要
使用大量通孔时、可按照IPC-J-STD-003使用
该附连板来评价镀覆孔的可焊性。该附连板
的常规设计如图12-20所示。孔径应为0.8mm±
0.13mm[0.031±0.00512in],要求被焊料填
充。如果使用、测试方法和性能标准应该在采
购文件中规定。
12.4.10 附连板T
当用阻焊剂对镀覆孔
掩 孔时、该附连板用于验证掩孔 特性(参
见4.5.1)。除了整个附连板两边都覆有阻焊层
之外、附连板T和图12-20(附连板S)所示相
同。
孔径应该是要用阻焊剂掩孔的最大的镀覆孔。
在IPC-6012中没有引用这种试样。如果使用、
测试方法和性能标准应在采购文件中规定。
12.4.11 过程控制的测试附连板
在工艺流程
中采用过程控制测试附连板来统观全局、评价
IPC-2221a-12-17
图12-17 附连测试板G、阻焊膜附着⼒、mm[in]
2003年5月 IPC-2221A
99

IPC-2221a-12-18
图12-18 附连测试板M、表⾯安装可焊性测试、mm[in]
IPC-2221a-12-19
图12-19 附连测试板N、表⾯安装粘结强度和剥离强度、mm[in]
IPC-2221A 2003年5月
100