IPC-2221A-2003中文版-印制板设计通用标准 - 第44页
间或板 子 的 凹 槽 之 间的 公差 情况 。虽然组 装 者也将 定位特性 作 为 在制组装件的 一个 部件 、 所 以 它 是 与 印制板制 造 商 与 组装 者 连 接的 一个 很 好 的计 划 、 但制 造 定位 孔通 常是由 板的制 造 商 来 确 定的。 C) 导电图形 只 要 规 定了 最小 环 宽、 导电图 形 不 需 要 提供 单 独 的 参照基 准。 最小 环 宽 是 规 定导电图 形相 对 于镀覆孔 图 形 位 置…

使用电子数据时、所有的孔、导体和特征均是
允许制造和检查的可行的元素。然而、由于任
何特征在数据库内没有数字化的尺寸标注、因
此设计时、在非电子格式中有必需注明尺寸。
这些特征如下:
A) 镀覆孔图形 镀覆孔图形(见图5-5A)常常是
在第一次钻孔时就完成了。它用每个孔对
基本网格的公差作为基本尺寸体系来标注
尺寸。孔位公差在钻孔表或最好在布设总
图中规定。
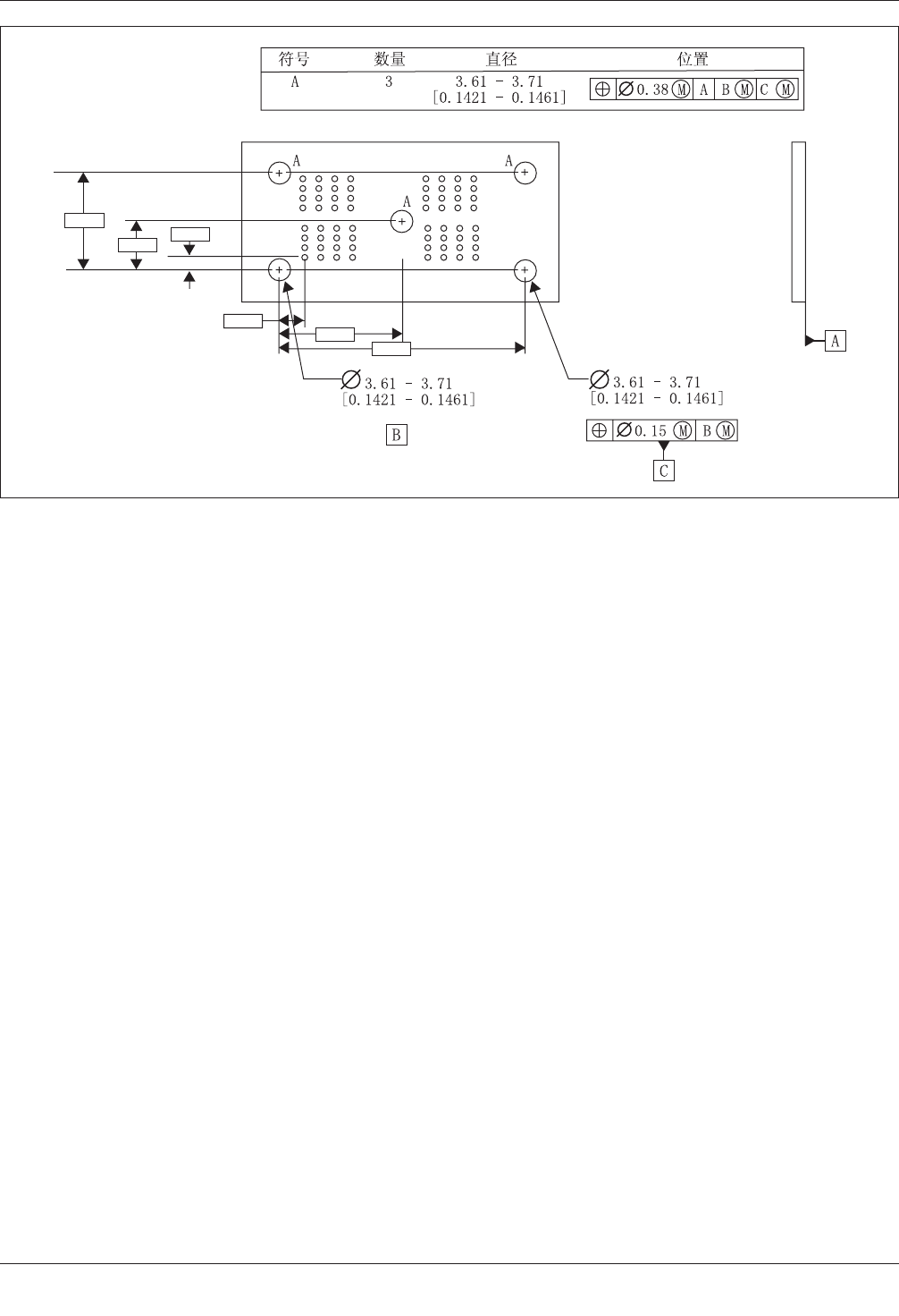
B) ⾮⽀撑孔孔图形 非镀覆孔图形、特别是定
位孔和安装孔(见图5-5B)、通常是在第一
道钻孔操作时钻成的。当它们对于板的安
装功能或定位要素来讲是很重要时、它们
应清楚地标注尺寸和给出公差、即使是位
于坐标网格上。其中两个这样的孔可标为
二级和三级基准要素。
定位孔是印制板或在制板的特征。它们是
以孔的形成作为特性、它们也可被板的制
造商用作优化定位夹具上的针之间及孔之
IPC-2221a-5-04a
图5-4A 基准参考框架
IPC-2221a-5-05a
图5-5A 镀覆孔图形位置⽰例、mm[in]
2003年5月 IPC-2221A
33

间或板子的凹槽之间的公差情况。虽然组
装者也将定位特性作为在制组装件的一个
部件、所以它是与印制板制造商与组装者
连接的一个很好的计划、但制造定位孔通
常是由板的制造商来确定的。
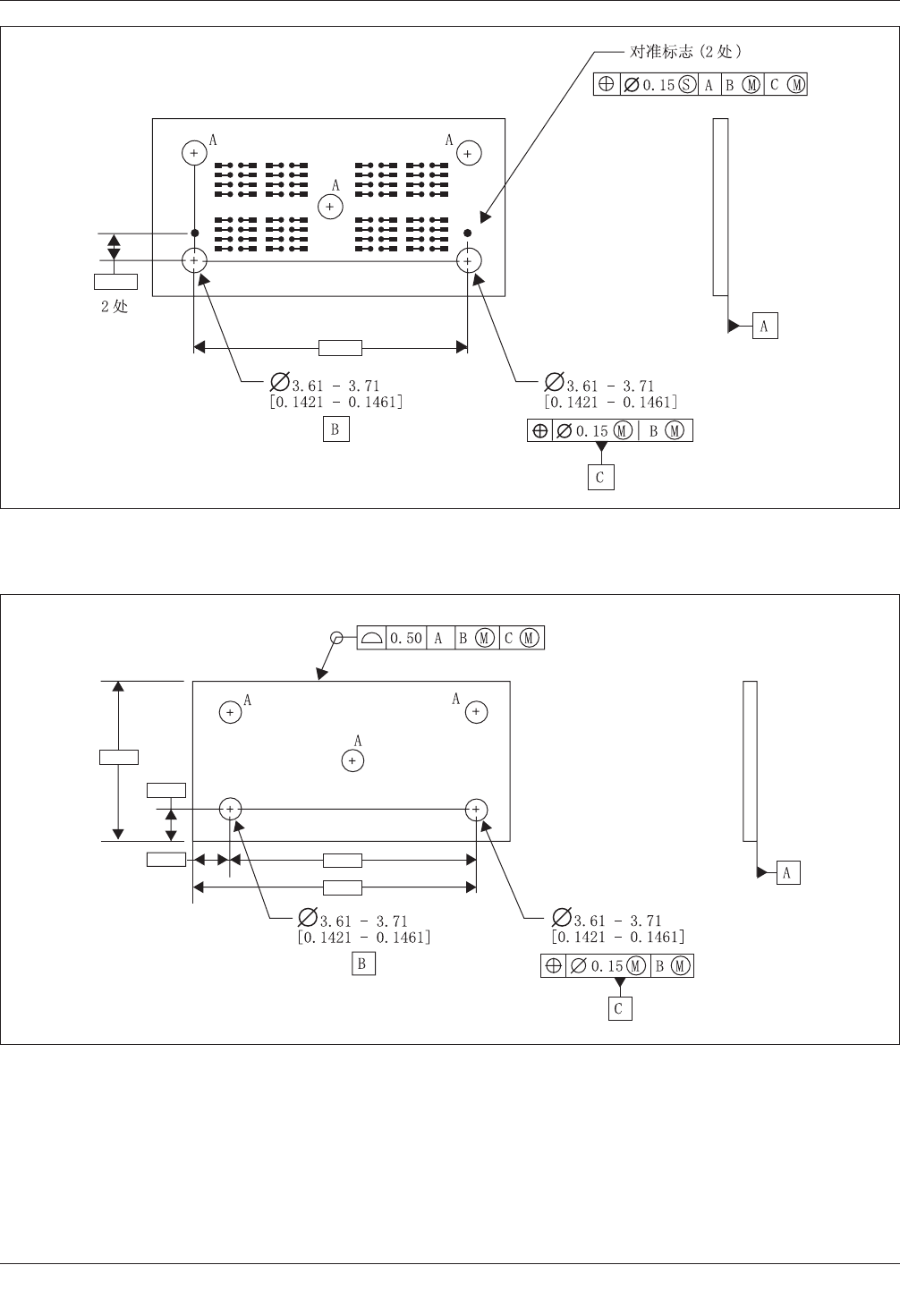
C) 导电图形 只要规定了最小环宽、导电图形
不需要提供单独的参照基准。最小环宽是
规定导电图形相对于镀覆孔图形位置公差
的一种通用方法。对某些设计而言、特别
是具有精细节距和/或高引脚数元件采用自
动化装配时、需要更加高的精确度。这种
情况下、可能会要求要素的位置公差并应
标在布设总图中。另一方面、可能要求限
于元件特征的对准标志。这些需要给出相
对于组装定位要求的公差(见图5-5C)。
对准标志的大小、形状和数量与装配工序
中所用设备类型、引线距和引线数有关。
图5-6给出了表面安装设备制造商协会
(SMEMA)推荐的对准标志的设计。
给导电图形定位和规定公差
的另一方法是
给导线中心线标尺寸。关键区域、比如板
边连接器插头、可以如图5-8所示标注尺
寸。板边连接器和键槽的公差应使键槽不
切入或破坏连接器插头。不推荐从导线边
缘标注尺寸。
图5-5E表示是如何将图5-5A到5-5D组合成
为一个图。
D) 印制板轮廓 印制板轮廓、包括切口和凹槽
(见图5-5D和5-7)、要求最少一个参照基
准。使用三个参照基准和最大实体状态修
正、如图5-5D所示、使允许公差最大化、
并允许使用固定量具、这在大规模生产情
况下特别有用。
E) 阻焊涂层 阻焊涂层图形的定位是通过指定
一最小焊盘间隙、或者提供像导电图形对
准标记同样作用的标靶。最小焊盘间隙与
最小环宽起相同作用、要求像导电图形一
样规定阻焊图形的位置公差。
5.4.3.1 拼板化基准要素
拼板化和组装件阵
列是便于印制板测试和装配的一种常用程序。
拼板或阵列与拼板上的每块印制板一样需要基
准系统。将每个单独印制板的基准与拼板或阵
列的基准相关联是很重要的(见图5-7)。
IPC-2221a-5-05b
图5-5B 定位孔与安装孔图形⽰例、mm[in]
IPC-2221A 2003年5月
34

IPC-2221a-5-05c
图5-5C 有对准标志的导线图形位置⽰例、mm[in]
IPC-2221a-5-05d
图5-5D 印制板外形位置和公差⽰例、mm
2003年5月 IPC-2221A
35