KE2040 Instruction Manual_ver1.30.pdf - 第347页
5 − 5 ⑫ Sock et with bumper (T op view) ⑬ SOP ( with a heat sink) (T op view) ⑭ T wo-way lead connector (T op view )

5 − 4
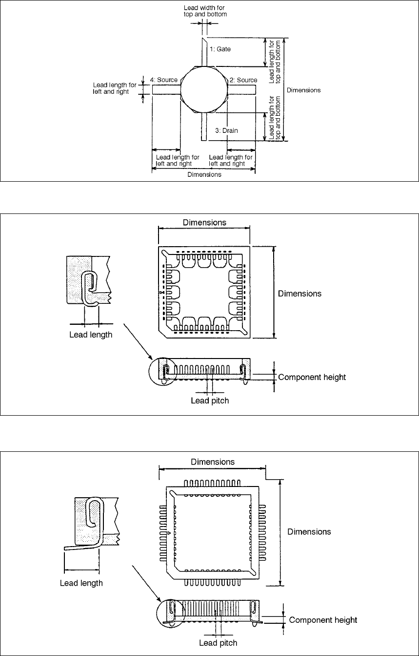
⑨ GaAsFET (Top view)
⑩ J lead socket (Top view)
⑪ Gull wing socket (Top view)

5 − 5
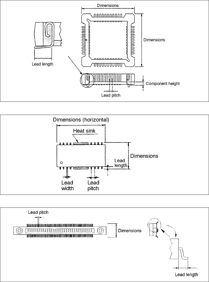
⑫ Socket with bumper (Top view)
⑬ SOP (with a heat sink) (Top view)
⑭ Two-way lead connector (Top view)

5 − 6
⑮ BQFP (PGFP) (Top view)
⑯ SOJ (Top view)
⑰ Z style lead connector (Top view)