KE-3020_KE-3020R-Rev03 - 第130页
- 12 3 - 62 . B AD M AR K RE ADE R CO MP ON ENT S バッドマークリーダ関係 5 6 3 4 1 8 9 2 7 2

- 122 -
REF.NO NOTE PART NO D E S C R I P T I O N
品 名
Qty
1 400-94743 AWC_3020_MECHANIC_ASM
自動幅調3020メカニック組
1
2 400-00768 AWC PULLEY A ASM.
AWC プーリ A 組
(1)
3 E2153-725-000 AWC PULLEY A
AWC プーリ A
(1)
4 SM-8040602-TP SCREW M4X0.7 L=6
止めねじ
(2)
5 400-00769 AWC PULLEY B ASM.
AWC プーリ B 組
(1)
6 E2154-725-000 AWC PULLEY B
AWC プーリ B
(1)
7 SM-8040402-TP SCREW M4X0.7 L=4
止めねじ M 4 X 0.7 L =4
(2)
8 SM-8040602-TP SCREW M4X0.7 L=6
止めねじ
(2)
9 400-92577 AWC ORG SENS ASM
AWC 原点センサ組
(1)
10 SL-6031092-TN SCREW
座金付き六角穴ボルト
(2)
11 400-94550 SENSOR_BRACKET_AWC
センサブラケット_ AWC
(2)
12 SL-6031092-TN SCREW
座金付き六角穴ボルト
(4)
13 400-92569 BU PIN SENSOR EMISSION ASM
BU PIN 投光センサ組
(1)
14 400-92575 BU PIN SENSOR RECEIVER ASM
BU PIN 受光センサ組
(1)
15 SL-6031092-TN SCREW
座金付き六角穴ボルト
(4)
16 400-48077 AWC MOTOR ASM
幅調モータ組
(1)
17 E2163-725-000 AWC BRACKET E
AWC ブラケット E
(1)
18 E2160-725-000 AWC BELT (E)
AWC ベルト (E)
(1)
19 E2161-725-000 AWC OP DOG (E)
AWC OP ドグ (E)
(1)
20 SL-6030692-TN BOLT
座金付き六角穴ボルト M 3 L =6
(2)
21 E4805-729-000 AWC SENSOR BRACKET B (E)
AWC センサブラケット B(E)
(1)
22 SM-4030501-SN SCREW M3 L=5
皿小ねじ M 3 X 0.5 L =5
(1)
23 SL-6041092-TN SCREW
座金付き六角穴ボルト
(4)
24 SL-4031091-SC SCREW M3 X 10
なべ小ねじ セムス
(2)
25 HX-0034400-00 HARNESS PARTS
束線パーツ
(1)
26 SL-6030692-TN BOLT
座金付き六角穴ボルト M 3 L =6
(1)
27 EA-9500B01-00 CABLE BAND
束線バンド
(2)
28 HX-0052200-00 SPIRAL TUBE
スパイラルチューブ
(0.32)
29 400-65488 BU PIN SENSOR DOG
BU ピンセンサドグ
(1)
30 SL-6051492-TN BOLT
座金付き六角穴ボルト
(2)

- 123 -
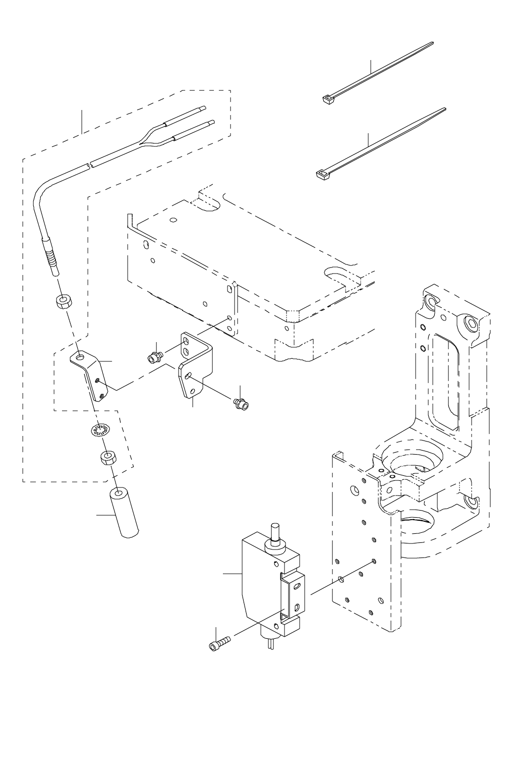
62.BAD MARK READER COMPONENTS
バッドマークリーダ関係
5
6
3
4
1
8
9
2
7
2

- 124 -
REF.NO NOTE PART NO D E S C R I P T I O N
品 名
Qty
1 400-71599 BM ANGLE BR
BM アングルブラケット
1
2 SL-6030592-TN SCREW M3 L=5
座金付き六角穴ボルト
4
3 400-47981 BAD MARK FIBER AMP ASM
バッドマークファイバアンプ組
1
4 SM-6030602-TN SCREW M3X6
六角穴ボルト M3X6
2
5 HD-0013100-40 SENSOR
ファイバユニット
1
6 E9638-729-000 FIBER LENS
ファイバレンズ
1
7 400-71565 BM HOLDER 3020
BM ホルダ3020
1
8 EA-9500B01-00 CABLE BAND
束線バンド
4
9 EA-9500B02-00 CABLE BAND 150
結束バンド 150
8