KE-3020_KE-3020R-Rev03 - 第147页
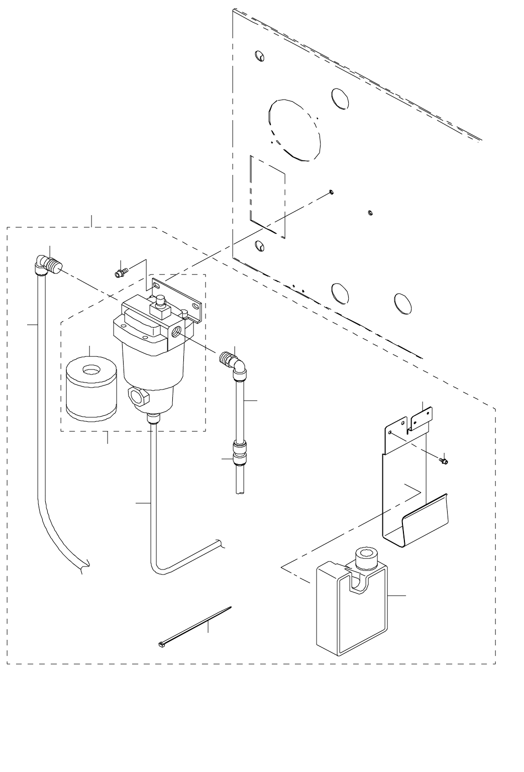
- 14 0 - RE F.N O N O T E PA RT NO D E S C R I P T I O N 品 名 Qt y 1 400-93796 M A INLIN E FI LT ER A S M メインラインフィルタク組 1 2 P F-0154 010-A0 AI R F ILT ER エアフィルター (1 ) 3 P F-9010 070-00 FILTER ELEME NT フィルターエレメント (1 ) 4 B T…

- 139 -
70.MAIN LINE FILTER COMPONENTS
メインラインフィルタ関係
10
7
6
4
8
9
12
3
2
5
10
11
13
1

- 140 -
REF.NO NOTE PART NO D E S C R I P T I O N
品 名
Qty
1 400-93796 MAINLINE FILTER ASM
メインラインフィルタク組
1
2 PF-0154010-A0 AIR FILTER
エアフィルター
(1)
3 PF-9010070-00 FILTER ELEMENT
フィルターエレメント
(1)
4 BT-1200801-EF TUBE
チューブ
(0.8)
5 SL-6061292-TN SCREW
座金付き六角穴ボルト
(2)
6 400-17146 DRAIN TANK STAY B
ドレインタンクステイ B
(1)
7 SL-6040892-TN BOLT
座金付き六角穴ボルト
(2)
8 EA-9500B01-00 CABLE BAND
束線バンド
(1)
9 400-16815 DRAIN TANK
ドレインタンク
(1)
10 PJ-3041254-01 ELBOW UNION D=12
エルボユニオン φ 12
(2)
11 400-73368 STRAIGHT UNION 12
ストレートユニオン φ 12
(1)
12 BT-1200801-EF TUBE
チューブ
(0.25)
13 BT-1000651-EB POLYURETHANE TUBE
ポリウレタン チュ−ブ
(4)

- 141 -
71.CONVEYOR(W) COMPONENTS
コンベア(W)関係
9
28
26
25
24
27
32
35
A
23
34
34
A
33
31
16
18
19
B
B
36
21
20
14
15
17
30
29
22
4
3
8
8
5
2
3
8
4
7
8
5
6
8
7
8
8
43
42
40
41
41
38
44
44
45
45
46
46
47
48
47
48
49
37
8
8
A
6
A
12
13
43
50
39
10
8
6
10
8
2
1
11