KE-3020_KE-3020R-Rev03 - 第197页
- 19 0 - N O T E ( 注記 ) # 01....FOR EN EN 用 # 02....TYPE XL XL 仕 様 # 03....FOR KE- 3020R KE −3020 R 用 # 04....UNT IL MACHIN E REV.C マシン Rev.C まで # 05....AFTER M ACHIN E RE V.D マシン Rev.D 以降 RE F.NO N O T E P ART N O D E S…

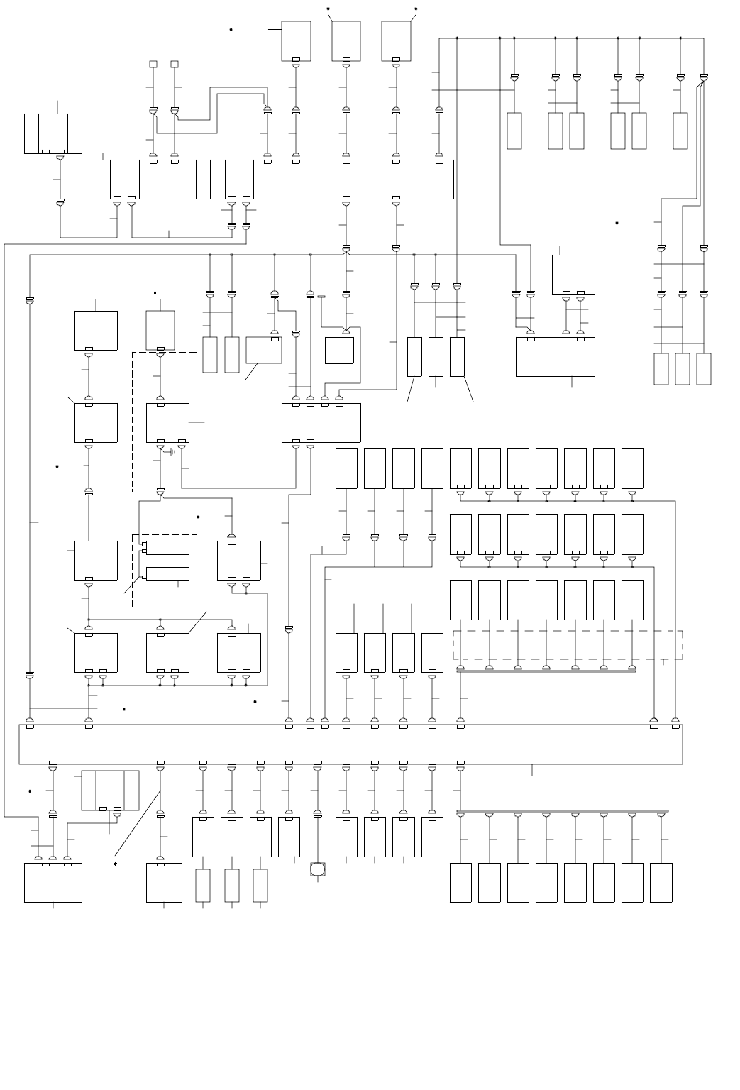
- 189 -
95.SYSTEM DIAGRAM(2)
SYSTEM DIAGRAM(2)
NO ZZ LE
UP
SV A SM
NOZZL E
DOWN
SENSO R IC
NOZZL E
DOWN
SENSO R L
NOZZL E
DOWN
SENSO R R
FAN
Z7 BLW SVZ7 V AC SV
Z6 BLW SVZ6 V AC SV
Z5 BLW SVZ5 V AC SV
Z4 BLW SVZ4 V AC SV
Z3 BLW SVZ3 V AC SV
Z2 BLW SVZ2 V AC SV
Z1 BLW SVZ1 VAC S V
Z7
P RESSU RE
S ENSOR
Z6
P RESSU RE
S ENSOR
Z5
P RESSU RE
S ENSOR
Z4
P RESSU RE
S ENSOR
Z3
P RESSU RE
S ENSOR
Z2
P RESSU RE
S ENSOR
Z1
P RESSU RE
S ENSOR
T 7 SLO W
DOWN
SENSOR
Z 7 SLO W
DOWN
SENSOR
Z 6 SLO W
DOWN
SENSOR
Z 5 SLO W
DOWN
SENSOR
Z 4 SLO W
DOWN
SENSOR
Z 3 SLO W
DOWN
SENSOR
Z 2 SLO W
DOWN
SENSOR
Z1 SLOW
DO WN
SE NSOR
OCC A
LIGHT
PCB ASM
OCC A
LIGHT
PCB ASM
OCC A
LIGHT
PCB ASM
OCC A
LIGHT
PCB ASM
OCC C
LIGHT
PCB ASM
OC C C
LIGHT
PC B AS M
OCC
CAMERA
OCC
CAMERA
ES F
NZ D WN2
NZ DW N1
NZ D WN3
CN19
XY10
CN30
CN2 8
CN16
CN 32
CN12
TEM PERAT URE
SEN SOR
PWB ASM
C N23
CN2 6
CN2 5
BR1
CN2 4
BR2
C N27
LIGHT-A2 CN 8 LIGHT-A2C N11
LIGHT-A1 CN 7 LIGHT-A1CN10
LIGHT-C CN 6 LIGHT-CCN9
O CCL CN31 OCC RCN1
3 -3B
4-2 C
ETHER
SLAVE
PCB
EN 1
EN2
LIGHT
CTRL PCB
CN813
EN1
CDS A MP
CN20
CDS
FIBER
B/M A MP
CN14
B/M
FIBER
HMS A MP
C N32
HMS
HEADR
1-3B
FMLA
4-1D
CN2
CN4 78
AC3
IP-X7
PC B
2-4A
2-5 B
COM1
CPU
BOARD
4-4 C
CH 1
IEEE1394
BOARD
CH 1
C N245
LNC60
CH 2
IEEE1394a
REPEATER
XY02
XY 01
XY08
3-4B
CN14
OPERATION
PCB (R)
3-4A
CN14
OPERATION
PCB (F)
4-4A
CO M2
CPU
BOARD
CN9
CN7
CN33
CN901
ION P WR
IONIZER
ION IZER
CN 20 1
CN13
CN20CN 064
CN26
CN17
POWER
UNIT
CN15
CN127
CN 13 1
CN130
CN132
CN130
CN131
X NEA R
SENSO R
X +LI MIT
SENSO R
X -LI MIT
SENSO R
CN 4 30
CN431
CN139
CN143
CN138
CN137
FEEDER DET
SENS(EMI)
FEEDER DET
SENS(REC)
Y +LI MIT
SENSO R
Y NEA R
SENSO R
Y ++LINIT
SENSOR
Y -LI MIT
SENSO R
XY04
CN2
CN064
CNP 2
CNP1
SAFE IO
HEAD IO
MTC I/F
MTS I/F
I/ F R
I/ F L
CN2
CN1
XY05
CN34
XY03
3-2 A
ETHER
SLAVE
PCB
EN1
EN2
FEEDER
PC B
4-2 A
ETHER
SLAVE
PCB
EN 1
EN2
BASE I/O
PCB
ETHER
SLAVE
PCB
EN 1
EN2
AIR PRES S
METE R (- )
AIR PRES S
METE R (+ )
SAFTY
UNIT
(EN)
1-3A
CN16
XY-R ELAY
PCB
J8
ETHER
MAIN PCB
CN848
COMJ4
SCM3
PCB
CN 1
LNC60
1-5D1-5C
1-5B
1-5A
CN4D
CN5CN4C
4AXIS SERV O
AMP(4 )
CN4 D
CN5CN4 B
4A XIS SE RVO
AM P(3)
CN4 D
CN5CN4 B
4A XIS SE RVO
AM P(2)
CN4 D
CN19 CN5CN4 B
4AXI S SERV O
AMP( 1)
HEAD MAIN PCB
EN 1
EN2
EN3
1
2
4
3
5
6
7
8
913
14
15 17
19
21
23 25 27
16 18 20 22 24 26 28 29 31
30 32 33 34 35 36 37 38
10
11
12
40
41
43
44
45
46
47
48
49
50
53
54
55
56
57
58
59
60
133
61
62
63
64
65
66
67
120
68
69
70
72
73 74 75 76 77
78
79 80 81 82
85
86
87
88 89
91 92
93
94
95
96
98
99
100
101
102 103 104
105
106
107
108
109
110
111
112
113
114
115
116
117
83
71
23 25 27
44
44
44
90
XYEN2
XYEN2
121 122
51
52
PILOT LAMP
PILOT LAMP
CO PLA
LA SER KE Y
1-3D
4-5A
COPLA
SENSOR HEAD
CN09
CN13
C OPLA L A
LED R
LED F
CN12
SCALE01
SCALE02
MAG NE
SCA LE PCB
97
119
118
126131
132131
124
125
127
39
123
130
129
128
84
42
60 133

- 190 -
NOTE( 注記 ) #01....FOR EN EN 用
#02....TYPE XL XL 仕様
#03....FOR KE-3020R KE −3020 R 用
#04....UNTIL MACHINE REV.C マシン Rev.C まで
#05....AFTER MACHINE REV.D マシン Rev.D 以降
REF.NO NOTE PART NO D E S C R I P T I O N 品 名 Qty
1 400-48066 ETHER MAIN BO ARD
ETHER メイン基板
1
2 400-92626 BASE-IO ENC RLY CABLE ASM BASE − IO ENC 中継ケーブル組 1
3 400-92612 ETHER HEAD CABLE ASM
イーサケーブル HEAD 組
1
4 400-92613 ETHER LIGHT CABLE AS M
イーサケーブル LIGHT 組
1
5 400-92449 XY BEAR CABLES ASM XY ベアケーブル組 1
6
#02
400-92637 XY BEAR CABLES ASM XL
XY ベアケーブル組 XL
1
7 400-66579 LIGHT CTRL PCB AS M
ライトコントロール基板組
1
8 400-47557 ETHER-SLAVE PCB ASM ETHER − SLAVE 基板組 1
9 400-71300 I PX7 ASM
IPX 7組図
1
10 400-47942 O CC CA BLE LF ASM
OCC ケーブル LF 組
1
11 400-92449 XY BEAR CABLES ASM XY ベアケーブル組 1
12
#02
400-92637 XY BEAR CABLES ASM XL
XY ベアケーブル組 XL
1
13 400-92616 S ENSOR
レーザセンサヘッド
1
14 400-92615 HIGHT SENSOR UNIT ASM HMS アンプケーブル組 1
15 HD-0013100-30 FIBER UNIT
ファイバユニット
1
16 400-47981 BAD MARK FIBER AMP ASM バッドマークファイバアンプ組 1
17 #03 HD-0026000-10 SENSOR センサ 1
18
#03
400-45484 NOZZLE SENSOR A MP ASM
ノズルセンサアンプ組
1
19 400-29824 TEMPERATURE SENSOR PCB ASM 温度センサ基板組 1
20 400-92499 BASE TEMP CABLE ASM ベース温度ケーブル組 1
21 400-92500 HEAD FAN CABLE ASM
ヘッド冷却ファンケーブル組
1
22 400-92500 HEAD FAN CABLE ASM ヘッド冷却ファンケーブル組 1
23 400-48028 O CC CA MERA OCC カメラ 2
24 400-92466 O CC CA MERA L CABLE ASM
OCC カメラ L ケーブル組
1
25 400-47512 O CC C LIGHT PCB ASM OCC C ライト基板組 2
26 400-92468 O CC C LIGHT CABLE ASM OCC C ライトケーブル組 1
27 400-47508 O CC A LIGHT PCB ASM
OCC A ライト基板組
2
28 400-92469 O CC A 1 LIGHT CABLE ASM OCC A 1 ライトケーブル組 1
29 400-92470 O CC A 2 LIGHT CABLE ASM OCC A 2 ライトケーブル組 1
30 400-92484 Z1 SLOW DOWN SENSOR ASM
Z 1スローダウンセンサケーブル組
1
31 400-92476 SLOW DOWN SENSOR RELAY CAB LE ASM スローダウンセンサケーブル組 1
32 400-92485 Z2 SLOW DOWN SENSOR ASM Z 2スローダウンセンサケーブル組 1
33 400-92486 Z3 SLOW DOWN SENSOR ASM
Z 3スローダウンセンサケーブル組
1
34 400-92487 Z4 SLOW DOWN SENSOR ASM Z 4スローダウンセンサケーブル組 1
35 400-92488 Z5 SLOW DOWN SENSOR ASM Z 5スローダウンセンサケーブル組 1
36 400-92489 Z6 SLOW DOWN SENSOR ASM
Z 6スローダウンセンサケーブル組
1
37 400-92490 Z7 SLOW DOWN SENSOR ASM Z 7スローダウンセンサケーブル組 1
38 400-92491 T7 SLOW DOWN SENSOR ASM T 7スローダウンセンサケーブル組 1
39 400-66569 HEAD MAIN PCB ASM
ヘッドメイン基板組
1
40 400-92449 XY BEAR CABLES ASM XY ベアケーブル組 1
41 #02 400-92637 XY BEAR CABLES ASM XL XY ベアケーブル組 XL 1
42 400-92474 HEAD I/O CABLE ASM
ヘッド I / O ケーブル組
1
43 400-92498 Z-THETA SIGNAL CABLE ASM Z − θ 信号ケーブル組 1
44 400-44535 4AXIS SERVO AMP 4軸一体型サーボアンプ 4
45 400-80203 LNC60 I/F CABLE ASM
LNC 60 I / F ケーブル組
1
46 400-45547 L NC60 レーザセンサ 1
47 #03 E9345-721-0A0 CABLE AS M. LA センサー接続ケーブル組 1
48
#03
400-03264 FMLA SENSOR
FMLA センサ
1
49 400-92449 XY BEAR CABLES ASM XY ベアケーブル組 1
50 #02 400-92637 XY BEAR CABLES ASM XL XY ベアケーブル組 XL 1
51 400-44517 1394 ROBOT CABLE ASM
1394ロボットケーブル組
1
52 #02 400-95138 1394 ROBOT CABLE ASM 1394ロボットケーブル組 1
53 400-44518 IEEE1394 REPEATER BOARD
IEEE 1394リピータボード
1
54
#03
400-92462 LA SENSOR RELAY CABLE ASM
LA センサ中継ケーブル組
1
55 #03 400-92463 SCM3 PCB PWR CABLE ASM SCM 3電源ケーブル組 1
56
#03
400-92460 SCM3 PCB
SCM 3 基板
1
57 400-44516 1394 RELAY CABLE ASM
1394中継ケーブル組
1
58 400-48003 IEEE1394 BOARD IEEE 1394ボード 1
59
#03
400-92464 FMLA SERIAL CABLE ASM
FMLA シリアルケーブル組
1
60
#04
400-44475 CPU BOARD
CPU ボード
1
61 400-48168 AIR PRESSURE SW ASM 正圧センサー組 1
62 400-47987 VACUUM PRESSURE SW ASM
負圧センサー 組
1
63 400-97626 I ONIZER CABLE ASM
イオナイザケーブル組
1
64 400-97627 I ONIZER PWR CABLE ASM イオナイザ電源ケーブル組 1
65 400-92665 PWR UNIT I/O CABLE ASM
電源ユニットI/Oケーブル組
1
66 400-92670 SAFETY U 901 CABLE ASM(EN)
安全ユニット 901 ケーブル組(EN)
1
67 400-97629 XY-RELAY I/O CABLE ASM XY − RELAY I / O ケーブル組 1
68 400-92449 XY BEAR CABLES ASM
XY ベアケーブル組
1
69
#02
400-92637 XY BEAR CABLES ASM XL
XY ベアケーブル組 XL
1
70 400-92465 HEAD MAIN PWR CABLE ASM ヘッドメイン電源ケーブル組 1
71 400-92493 NOZZLE UP SV ASM
ノズルアップケーブル組
1
72 400-92494 NOZZLE DOWN CABLE ASM
ノズルダウンケーブル組
1
73 400-92467 O CC CA MERA R CABLE ASM OCC カメラ R ケーブル組 1
74 400-92471 O CC C LIGHT CABLE ASM
OCC C ライトケーブル組
1
75 400-92472 O CC A 1 LIGHT CABLE ASM
OCC A 1 ライトケーブル組
1
76 400-92473 O CC A 2 LIGHT CABLE ASM OCC A 2 ライトケーブル組 1
77 400-92475 EJECTOR RELAY CABLE ASM
エジェクタ中継ケーブル組
1
78 400-92492 VACUUM SV CABLE ASM 3020
バキューム SV ケーブル組3020
1
79 400-92493 NOZZLE UP SV ASM ノズルアップケーブル組 1
80 400-92497 NOZZLE DOWN SENS IC ASM
ノズルダウンセンサ IC ケーブル組
1
81 400-92495 NOZZLE DOWN SENS L ASM
ノズルダウンセンサ L ケーブル組
1
82 400-92496 NOZZLE DOWN SENS R ASM ノズルダウンセンサ R ケーブル組 1
83 400-47954 ETHER CABLE FEEDER LR-RF ASM
イーサ フィーダ LR − RF ケーブル組
1
84 400-47560 FEEDER PCB ASM
フィーダ基板組
1
85 400-92611 ETHER CABLE BASE FEEDER ASM イーサケーブル ベースフィーダ組 1
86 400-71680 BASE IO PCB ASM
ベース IO 基板組
1
87 400-95125 MTC MTS I/ F CABLE ASM
MTC MTS I / F ケーブル組
1
88 400-95126 MTC MTS I/ F BR CABLE ASM MTC MTS I / F BR ケーブル組 1
89 400-95126 MTC MTS I/ F BR CABLE ASM
MTC MTS I / F BR ケーブル組
1
90 400-92610 ETHER CABL XY BASE ASM
イーサケーブル XY ベース組
1
91 400-95124 XY MTC MTS CABLE ASM XY MTC MTS ケーブル組 1
92 400-97618 XY-RELAY HOD 232C RELAY CABLE A SM
XY − RELAY HOD 232 C 中継ケーブル組
1
93 400-97623 XY-RELAY HOD 232C CABLE ASM
XY − RELAY HOD 232 C ケーブル組
1
94 400-97616 XY-RELAY I/O REALY CABLE ASM XY − RELAY I / O 中継ケーブル組 1
95 400-97619 XY-RELAY OPERATION RELAY CABLE ASM
XY − RELAY オペレーション中継ケーブル組
1
96 400-92581 O PERATION RLY CABLE F ASM
オペレーションリレーケーブル組
1
97 400-92433 XY-RELAY PWR CABLE ASM XY − RELAY 電源ケーブル組 1
98 400-97617 XY-RELAY PWR RELAY CABLE ASM
XY − RELAY 電源中継ケーブル組
1
99 400-97620 XY-RELAY OPERATION RELAY CABLE ASM
XY − RELAY オペレーション中継ケーブル組
1
100 400-92582 OPERATION RLY CABLE R ASM オペレーションリレーケーブル組 1
101 400-92408 OPERATION PCB FRONT10 ASM
オペレーション基板フロント10
1
102
#01
400-92482 OPERATION PCB FRONT10 ASM(EN)
オペレーション基板フロント10
1
103 400-92481 OPERATION PCB REAR10 ASM オペレーション基板リア10組 1
104
#01
400-92483 OPERATION PCB REAR10 ASM(EN)
オペレーション基板リア10組(EN)
1
105 400-97615 XY-RELAY SENSOR RELAY CABLE ASM
XY − RELAY センサ中継ケーブル組
1
106 400-95134 XY-RELAY SENSOR CABLE ASM XY − RELAY センサケーブル組 1
107 400-92477 Y- LMT SENSOR ASM
Y マイナスリミットセンサ組
1
108 400-92479 Y++ LMT SENSOR ASM
Y プラスプラスリミットセンサ組
1
109 400-92480 Y NEAR SENSOR ASM Y 近傍センサ組 1
110 400-92478 Y+ LMT SENSOR ASM
Y プラスリミットセンサ組
1
111 400-92524 FEEDER DETECT SENSOR(RECEIVING) ASM フィーダ検出センサ受光組 1
112 400-92523 FEEDER DETECT SENSOR(EMISSION) ASM フィーダ検出センサ投光組 1
113 400-02228 X MINUS LMT SENSOR ASM
X 軸マイナスリミットセンサ組
1
114 400-92459 X NEG LMT SENSOR RELAY CABLE ASM X 軸マイナスリミットセンサ組 1
115 400-92450 Y BEAR CABLES ASM Y ベアケーブル組 1
116
#02
400-92638 Y BEAR CABLES ASM XL
Y ベアケーブル組 XL
1
117 400-02227 X PLUS LMT S ENSOR ASM X 軸プラスリミットセンサ組 1
118 400-02229 X ORG RANGE SE NSOR ASM X 軸原点周囲センサ組 1
119 400-92459 X NEG LMT SENSOR RELAY CABLE ASM
X 軸マイナスリミットセンサ組
1
120 400-93724 I ONIZER イオナイザ 1
121 400-97621 ETHER CABL XY BASE RELAY ASM イーサケーブル XY ベース中継組 1
122 400-97622 ETHER CABLE MAIN-XY RELAY ASM
イーサケーブル MAIN − XY 中継組
1
123 400-97422 COP LANARITY SENSOR コプラナリティセンサー 1
124 400-97424 COP LA POWER CABLE ASM コプラ電源ケーブル組 1
125 400-97425 COP LA ENCODER CABLE ASM
コプラエンコーダケーブル組
1
126 400-95130 MAGNETIC SCALE PCB ASM マグネスケール基板組 1
127 400-99905 COP LA TRG CABLE ASM コプラトリガケーブル組 1
128 400-99904 KEY SWITCH CABLE ASM
キー SW ケーブル組
1
129 400-99907 PILOT LAMP CABLE R ASM パイロットランプケーブル R 組 1
130 400-99906 PILOT LAMP CABLE F ASM パイロットランプケーブル F 組 1
131 400-99903 PILOT LAMP
パイロットランプ
2
132 400-99902 KEY SWITCH キースイッチ 1
133 #05 401-13723 CPU BOARD CPU ボード 1

- 191 -
96.SYSTEM DIAGRAM(3)
SYSTEM DIAGRAM(3)
SIGNAL LIGHT
KE Y CH ANG E S W
FEEDER SW(R)
(NON-STOP
OPERATION)
NON-S TOP
SIGNA L
LIGHT (R)
COVE R(R) L OCK S V
COVER OPEN SW(R )
EM G S W_ R
HO D BO X
MOUS E
/KEY BOARD
SELE CTOR
KE Y CH ANG E S W
FEEDER SW(F)
(NON-STOP
OPERATION)
NON-S TOP
SIGNA L
LIGHT (F)
COVE R(F) L OCK S V
COVE R OPEN SW(F )
EM G S W_ F
LED
PCB(R-LL)
LED
PCB(R-LR)
LED
PCB(R-RL)
LED
PCB(R-RR)
LED
PCB(F-RR)
LED
PCB(F-RL)
LED
PCB(F-LR)
LED
PCB(F-LL)
M-EBANKSW
DRIVE CYLINDER
ASSY
DR IVE CYLINDER
AS SY
M-EBANKSW
DRIVE CYLINDER
ASSY
DRIVE CYLINDER
ASSY
ECUTTER(R)
ECUTTER(F)
CAL S.V
CAL
PCB
CAL VACUUM
SENSOR
E LEC F EE D FL OAT
S ENS (R )( EM I)
FEEDER FLOAT
SENS(RR)(EMI)
FEEDER FLOAT
SENS(RF)(EMI)
DRI VE CY L
SEN SOR R ASM
ELEC FEED FLOAT
SENS(R)(REC)
ELEC FEED DET
SENS(R)(REC)
BAN K UP SW
(R)
FEEDER FLOAT
SENS(RR)(REC)
FEEDER FLOAT
SENS(RF)(REC)
ELEC FEED DET
SENSOR(F)(EMI)
E LEC F EE D FL OAT
S ENS (F )( EM I)
FEEDER FLOAT
SENS(FR)(EMI)
FEEDER FLOAT
SENS(FF)(EMI)
ATC S.V
DRI VE CY L
SEN SOR F ASM
ELEC FEED FLOAT
SENS(F)(REC)
ELEC FEED DET
SENS(F)(REC)
BAN K UP SW
(F)
FEEDER FLOAT
SENS(FR)(REC)
FEEDER FLOAT
SENS(FF)(REC)
ATC CLOS E
SEN S
ATC OPEN
SEN S
CN7
MNLT
CN24
CN7
CN15
CN8
CN23
CN22
CN12
CN1
SW 5
SW 4
SW 2
2-5C
SW1
OPERATION
PCB (R)
CN13
4- 5A
MN LT
CN24
CN7
CN15
CN8
CN21
CN23
CN22
CN12
CN1
SW 7
SW 6
SW 5
SW 4
SW 3
SW 2
CN31
CN30
2-5C
SW1
OPERATION
PCB (F)
CN13
CN18
CN16
CN17
CN15
M-BANK(R)
CN1
CN2
CN7
CN8
CN5
CN6
CN 3
B K-RR
CN10
B K-RL
CN 9
BANK
PCB (F)
CN 2
CN3
C N66
C N25
CN3
C N65
CN7
C N24
M-BANK(F)
CN2
CN1
CN8
CN5
CN6
CN 3
B K-FR
CN10
B K-FL
CN 9
CN4
CN4
CN370
C N353
E BANK(R)
CN70
CN351
2-5A
CN 23
CN 69
CN 1
E-CUTT ER
CN24
CN354
E-CUTT ER
CN23
CN354
C N353
4- 4A
1-3B
POWER
UNIT
BANK
PCB (F)
CN351
CN 67
CN31
CN3 0
CN28
CA LR
CN27
CN1C N2 CN20
CN 669
CA LF
CN5
CN 424
CN 423
CN420
CN450
CN 425
CN 426
CN4 29
CN 422
CN421 CN21
CN21
CN416
CN415
CN 41 1
CN412
ATC
CN451
CN414
CN417
CN418
CN410
CN413
CN403
CN402
E BANK(F)CN370CN3
CN3
CN 2
FEEDER
PCB
CN19
CN19
1
2
3
4
5
6
7
8
9
21 31
30 32
33
34 35 36
37 38 39 40
10
11
12
13
14
15
16
17
18
19
20
22
23
24
25
26
27
28
42
43
45
44
46
47
48
49
50
51
52
53
54
55
56
57
58
59
60
61
62
63
64 65 66
67 68 69
70
71
72 73 74 75
41
76
77
78
8381
82
79
80
84
86
87
85
88
89
90
91
92
93
94
95
29
97
96
41
99
98