维修手册 - 第157页
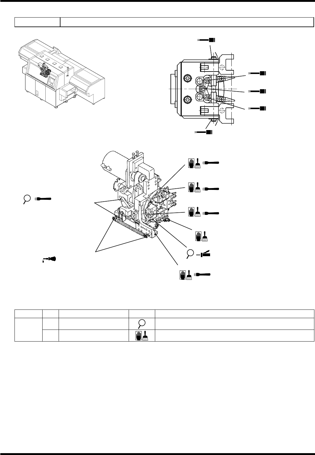
AV131 维修手册 7.8 元件供给部 D79MCC-Z 5-000-A0 7.8- 2 检查 周期 No. 项目 作业 详细内容 a. LM 导轨 清除异物或灰尘 。 每月 b. 滚珠丝杠轴 清除异物或灰尘 。 加油 周期 No. 项目 作业 加油量 详细内容 1. LM 导轨 (2 个 ) 每个 120 站 2.0 cm 3 60 站 1.0 cm 3 位置 : 轨道表面 2. 凸轮从动件 120 站 (12 个 ) 60…

AV131
维修手册
7.8 元件供给部
D79MCC-Z5-000-A0
7.8-1
7.8. 元件供给部
D79MCC-Z5-000-A0
7.8.1 元件供给部
Unit No. N610064467AA / N610060958AA
120 站
60 站
供给架
供给架
2. 凸轮从动件
a / 1. LM 导轨
b / 3. 滚珠丝杠轴
2. 凸轮从动件
供给架
a / 1. LM 导轨
2. 凸轮从动件
b / 3. 滚珠丝杠轴

AV131
维修手册
7.8 元件供给部
D79MCC-Z5-000-A0
7.8-2
检查
周期
No.
项目 作业 详细内容
a.
LM 导轨
清除异物或灰尘。
每月
b.
滚珠丝杠轴
清除异物或灰尘。
加油
周期
No.
项目 作业 加油量 详细内容
1.
LM 导轨 (2 个)
每个
120 站
2.0 cm
3
60 站
1.0 cm
3
位置: 轨道表面
2.
凸轮从动件
120 站 (12 个)
60 站 (6 个)
每个
1.9 cm
3
位置: 滚轮表面
3 个月
3.
滚珠丝杠轴
120 站
80 cm
3
60 站
50 cm
3
位置: 滑动面

AV131
维修手册
7.8 元件供给部
D79MCC-Z5-000-A0
7.8-3
7.8.2 传送夹
Unit No. N610052073AA
检查
周期
No.
项目 作业 详细内容
a.
凹槽凸轮
确保凹槽凸轮滑动平稳,并且在结合处无噪声。
每天
b.
活塞和夹头
清除异物或灰尘。
8. 销和夹头的滑动面
8. 销和夹头的滑动面
7. 控制杆支点
6. 控制杆支点
7. 控制杆支点
4. 传送夹前后滑动的 LM 导杆
1. 用于 90°旋转夹 LM 导杆
2. 插件部传送的 LM 导杆
3. 传送夹上下滑动的 LM 导杆
10. 弹簧支点销
b. 活塞和夹头
a. / 5. 凹槽凸轮的滑动面
9. 凸轮从动件的
滑动部