维修手册 - 第181页
AV131 维修手册 8.2 插件头 D79MCC-W 1-M00-A0 8.2- 4 夹头(左) 夹头(右) 气缸基座块 弹簧 销子 滚子 销子 销子 E 型环 滚子 垫圈 8.2. 3 更换旋转夹头和置中 夹头 装置编号: N610052073A A 8. 2.3 更换旋转夹 头和置中夹头 更换旋转夹头 3. 1. 断开电源 [O FF] 。 2. 朝向你自 己的方向,移 动夹装置。 3. 拆下 E 型圈垫并 拔出销子。 4. …

AV131
维修手册
8.2 插件头
D79MCC-W1-M00-A0
8.2-3
8.2.2 插入导轨高度调节
装置编号:
N610052012AA / 1087110000 / N610052020AA
8.2.2 插入导轨高度调节
=准备=
1. 1.6 mm 厚度基板
插入导轨高度调节
2.
1. 接通电源 [ON] 并返回原点。
2. 检查 X-Y 工作台导轨没有置于插件头之下。若在那个位置,
则将 X-Y 工作台导轨移到当插件头被降低时也不会妨碍
插件头的某个位置。
3. 打开前盖板。
4. 合上维修开关 [ON]。
5. 按主操纵盘上的 “START (开始)” 键。
确保信号塔的红灯闪烁。
6. 将伺服开关置于 [OFF]。
7. 将头制动器的开关置于 [OFF] (释放)。
8. 将循环定时器的手动旋钮旋转至 233°。
9. 将头制动器的开关置于 [ON] (锁定)。
10. 请组合使用厚度量规确认插件头与砧座之间的间隙应为
基板厚度+0.25。
=注意=
因使用 2 循环凸轮,请确认 2 个连续循环的间隙。
11. 如有其间任何间隙,或者基板被按下,则应拧松螺母螺栓并转动滑行块,以调节插入导轨高度。(插入内六角
扳手到滑行块的孔中并转动它进行调节)。
12. 调整结束后,拧紧螺母螺栓。
螺母
滑动块
旋转滑行块的孔
(基板厚度+0.25)
±
0.05

AV131
维修手册
8.2 插件头
D79MCC-W1-M00-A0
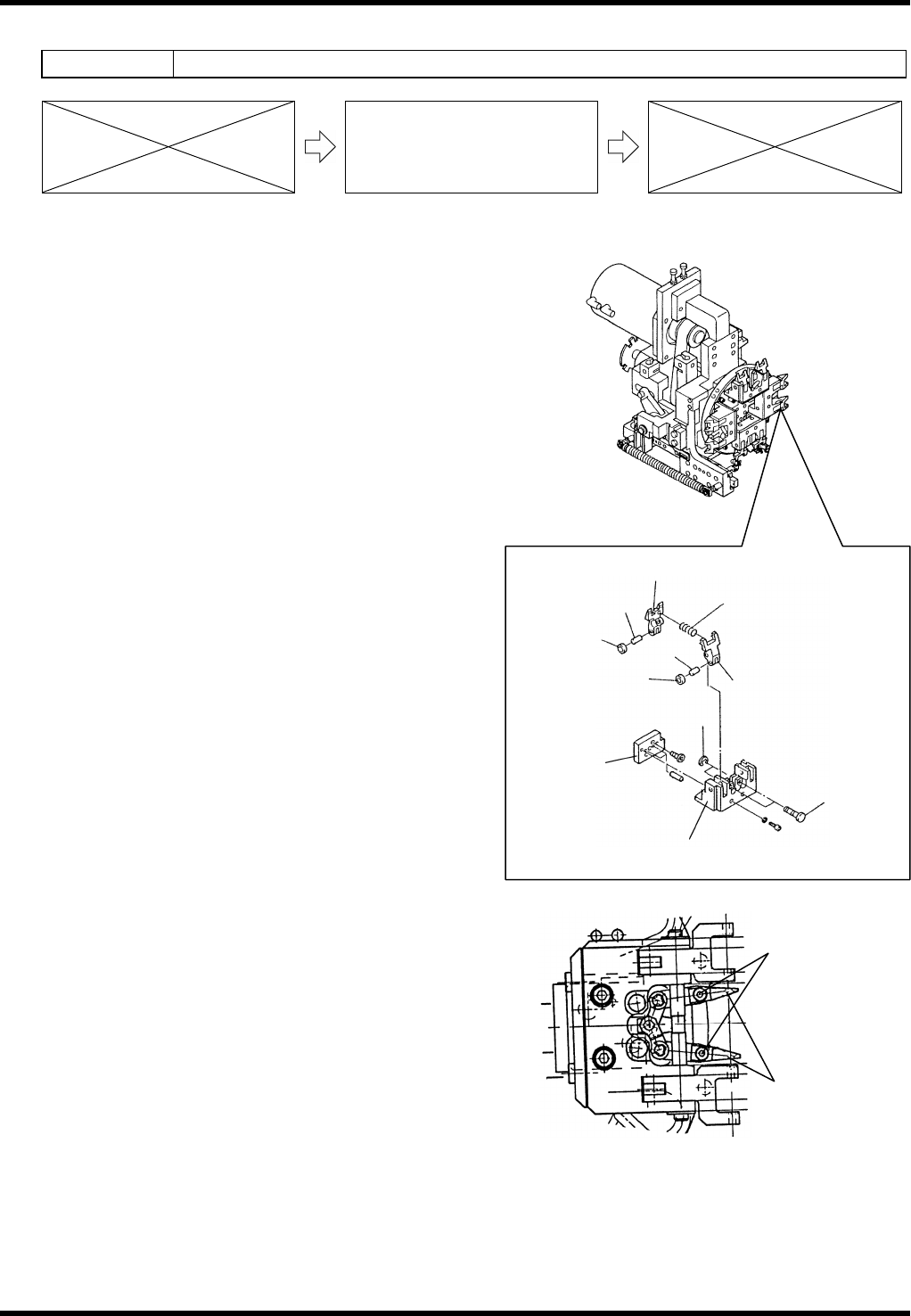
8.2-4
夹头(左)
夹头(右)
气缸基座块
弹簧
销子
滚子
销子
销子
E 型环
滚子
垫圈
8.2.3 更换旋转夹头和置中夹头
装置编号:
N610052073AA
8.2.3 更换旋转夹头和置中夹头
更换旋转夹头
3.
1. 断开电源 [OFF]。
2. 朝向你自己的方向,移动夹装置。
3. 拆下 E 型圈垫并拔出销子。
4. 将夹头拔出。
=注意=
在进行以上操作时,确保不掉落弹簧。
5. 更换新夹头。
6. 将弹簧安置于夹头的孔洞中。
7. 在插入夹头本体内的滑动部件上,涂一层薄薄的油脂。
8. 用手关闭夹头,并检查弹簧的弹力是否能打开夹子。
9. 插入夹头。
10. 插入销子,并用 E型圈垫固定销子。
更换置中夹头
4.
1. 断开电源 [OFF]。
2. 朝你自己的方向,移动夹头装置。
3. 拧松螺栓并拆下置中夹头。
4. 安装新的置中夹头。
5. 拧紧螺栓。
置中夹头
螺栓

AV131
维修手册
8.3 元件供给部
D79MCC-W5-000-A0
8.3-1
8.3. 元件供给部
D79MCC-W5-000-A0
8.3.1 元件检测传感器调节
装置编号:
N610052014AA
8.3.1 元件检测传感器调节
元件检测传感器调节
MODE 开关 微调开关
旋转
按下 按下
+侧 -侧
1.
1. 按下 <MODE> 开关,进入 ‘L / D’ 模式,并确认数字显示屏显示 ‘D-ON’ 。
(不能显示时,请转动微调开关,使其显示 ‘D-ON’ 。)
2. 按下 <MODE> 开关,进入 ‘TEACH (示教)’ 模式。
3. 在有工件的状态 (元件检测被遮光) 下,按住微调开关 0.5 秒以上。
=注意=
请使用金属尺等对调整的工件进行完全遮光。
4. 当数字显示屏显示 “AUTO” 后,松开微调开关。
5. 显示检测状态的判断结果。
(能够稳定地检测时,显示 “GOOD (良好)”,反之,则显示 “HARD (困难)”。)
=注意=
当元件处于检测区域时,稳定显示则处于 ON 状态。
动作显示 (橙) 稳定显示 (绿)
模式显示 / L/D ON (黄)
模式显示/ TIMER (黄)
模式显示 / RUN (绿)
模式显示 / TEACH (黄)
模式显示 / ADJ (黄)
模式显示 / PRO (黄)
数字显示器
微调开关
MODE 开关